Лабораторная работа №2
Операционный усилитель
Цель работы:
Ознакомиться с основными характеристиками
операционных усилителей, исследовать некоторые устройства построенные на ОУ
Оборудование:
Установка ЛСЭ-1М
Осцилограф С1-73
Цифровой вольтметр В7-16
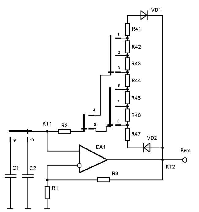
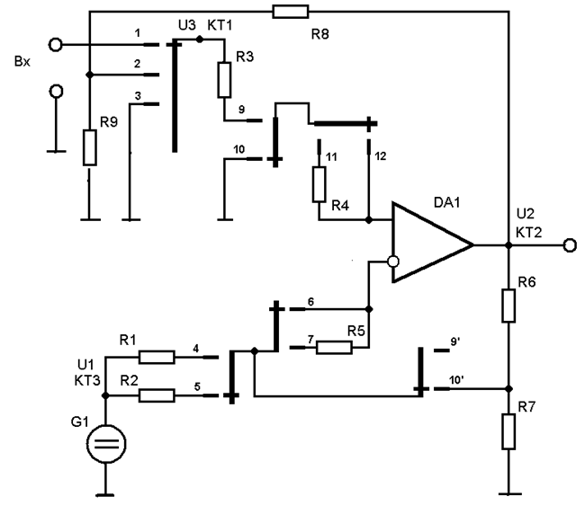
Собираем схему УПТ. коммутаторы: 4,10,11,10.
Используем в качестве входного сигнала напряжение источника постоянного тока G1. Плавно изменяя Uвх снимаем показания и строим график передаточной характеристики
KUoc
=-R6/R1= -5
Собираем схему компаратора . комутаторы: 3,4,6,9,12.
Опорное напряжение равно нулю, т. к. неинвертирующий вход подключен к “земле”, в качестве входного сигнала используем напряжение источника постоянного тока G1.
Снимаем показания и строим график передаточной характеристики .
Так же для компаратора с гистерезисной характеристикой, комутаторы: 2,4,6,9,12.
Uср.
= 4,62 (R7/R7+R6) = 4,2в
Uотп
= -3,04(R7/R7+R6) =-2,75в
Uг
= Uср.
- Uотп
=1,4в
Вывод: Графики передаточных характеристик далеки от идеальных, видимо, неуравновешенны плечи источника питания ОУ.
Расчётные данные так же отличаются от экспериментальных.
Например для УПТ KUoc
=-5 следовательно при UВХ
=1в UВЫХ
=-5в при UВХ
–1в, UВЫХ
= 5в на деле это не так UВЫХ
= -3,03в и 4,56в.
передаточная характеристика компаратора нестабильна в районе порога переключения, поэтому значение Uвых = 0 при U вх = 0 условно (гистерезисный компаратор свободен от этого недостатка)
Собираем схему мультивибратора . комутаторы: 2,8,5. комутаторы 9 или 10
t1,1
= (R2+R41+R42+R43+R44+R45+R46) C1
= 6.75mS
tu1,1
= t1,1
ln(1+(2R1/R3) = 7.41mS
t2,1
= (R2+R47) C1
= 1.005mS
tu2,1
= t2,1
ln(1+(2R1/R3) =1.103mS
f1
=1/t1,1
+t2,1
= 0.12кГц
КТ3
КТ2
КТ1
t1,2
= (R2+R41+R42+R43+R44+R45+R46) C2
= 2.115 mS
tu1,2
= t1,2
ln(1+(2R1/R3) = 2.31 mS
t2,2
= (R2+R47) C2
= 0.3149 mS
tu2,2
= t2,2
ln(1+(2R1/R3) = 0.34 mS
f2
=1/t1,2
+t2,2
= 0.38 кГц
Таблица 1. передаточная характеристика инвертирующего У.П.Т.
U G1[в]
|
-1,5
|
-1
|
-0,5
|
0
|
0,5
|
1
|
1,5
|
Uвых[в]
|
4,62
|
4,558
|
2,415
|
0,1
|
-2,22
|
-3,027
|
-3,39
|
Таблица 2. передаточная характеристика компаратора
U G1[в]
|
-1,5
|
-1
|
-0,5
|
-0,1
|
0
|
0,1
|
0,5
|
1
|
1,5
|
Uвых[в]
|
4,62
|
4,62
|
4,625
|
4,625
|
0
|
-3,042
|
-3,035
|
-3,04
|
-3,04
|
Таблица 3. передаточная характеристика гистерезисного компаратора
U G1[в]
|
-1
|
-0,6
|
-0,4
|
-0,1
|
0
|
0,1
|
0,4
|
0,6
|
1
|
Uвых[в]
|
4,62
|
4,62
|
4,62
|
4,62
|
4,62
|
4,62
|
4,62
|
-3,04
|
-3,04
|
U G1[в]
|
1
|
0,6
|
0,4
|
0,1
|
0
|
-0,1
|
-0,4
|
-0,6
|
-1
|
Uвых[в]
|
-3,04
|
-3,04
|
-3,04
|
-3,04
|
-3,04
|
-3,04
|
4,62
|
4,62
|
4,62
|

Передаточная характеристика гистерезисного компаратора
Забиваем Сайты В ТОП КУВАЛДОЙ - Уникальные возможности от SeoHammer
Каждая ссылка анализируется по трем пакетам оценки: SEO, Трафик и SMM.
SeoHammer делает продвижение сайта прозрачным и простым занятием.
Ссылки, вечные ссылки, статьи, упоминания, пресс-релизы - используйте по максимуму потенциал SeoHammer для продвижения вашего сайта.
Что умеет делать SeoHammer
— Продвижение в один клик, интеллектуальный подбор запросов, покупка самых лучших ссылок с высокой степенью качества у лучших бирж ссылок.
— Регулярная проверка качества ссылок по более чем 100 показателям и ежедневный пересчет показателей качества проекта.
— Все известные форматы ссылок: арендные ссылки, вечные ссылки, публикации (упоминания, мнения, отзывы, статьи, пресс-релизы).
— SeoHammer покажет, где рост или падение, а также запросы, на которые нужно обратить внимание.
SeoHammer еще предоставляет технологию Буст, она ускоряет продвижение в десятки раз,
а первые результаты появляются уже в течение первых 7 дней.
Зарегистрироваться и Начать продвижение
Передаточная характеристика компаратора


Передаточная характеристика У.П.Т.

мультивибратор
| R1 |
100k |
| R2 |
2k |
| R3 |
100k |
| R41 |
4.7k |
| R42 |
5.1k |
| R43 |
6.8k |
| R44 |
8.2k |
| R45 |
8.2k |
| R46 |
12k |
| R 47 |
4.7k |
| C 1 |
0.15мкф |
| C 2 |
0,047мкф |
| VD1,2 |
Кд522 |
| DA 1 |
553уд1 |

УПТ и компаратор
| R1 |
2k |
| R2 |
10k |
| R3 |
2k |
| R4 |
10k |
| R5 |
10k |
| R6 |
10k |
| R7 |
100oм |
| R8 |
91k |
| R9 |
24k |
| DA 1 |
140уд1 |
Передаточная характеристика гистерезисного компаратора


Передаточная характеристика компаратора

|