1 ЛПДС как источник загрязнения окружающей среды
Объектом исследования является ЛПДС «Языково», обеспечивающая прием, хранение и отпуск нефти в резервуарах. ЛПДС, как правило, размещается на ограждаемой площадке, удаленной от крупных населенных пунктов и промышленных предприятий. Территория ЛПДС имеет планировку, исключающую попадание нефти из технологических трубопроводов при возможных авариях на пожароопасные объекты [11].
Линейно производственная диспетчерская станция обеспечивает транспорт нефти по магистральному нефтепроводу и ведет работы по прокладке нефтепродуктопроводов.
Работа ЛПДС концентрируют в себе целый комплекс проблем.
Это прежде всего проблема мощного загрязнения среды, окружающей ЛПДС и резервуарные парки. Значительное загрязнение атмосферного воздуха парами нефтепродуктов происходит при эксплуатации резервуаров нефтехранилищ при так называемых "дыханиях" резервуаров. При этом 75 % потерь происходит от испарений и только 25 % — от аварий и утечек [3]. Основная масса "дышащих" резервуаров сосредоточена на нефтепромыслах, нефтеперекачивающих станциях и в резервуарных парках нефтеперерабатывающих заводов.
На долю резервуарных парков приходится примерно 70 % всех потерь нефтепродуктов на ЛПДС. За последние годы потери нефтепродуктов за счет "больших дыханий" в среднем составляют по нефтеперерабатывающей отрасли России примерно 270 тыс. т [2].
При этом выбросы нефтепродуктов из резервуарных парков представляют большую опасность окружающей среде в целом [11]. Загрязнение атмосферы парами нефтепродуктов оказывает вредное воздействие и на здоровье человека. Пары углеводородов относятся к IV группе вредности.
Второй проблемой эксплуатации ЛПДС является появление большого количества отходов при зачистке резервуаров.
Дождевыми и паводковыми водами загрязнители могут переноситься на значительные расстояния и стать опасным источником загрязнения гидросферы [1].
Также эксплуатация ЛПДС влечет за собой проблему отчуждения больших территорий земель, необходимых для размещения резервуарных парков и пролегания нефтепродуктопроводов
.
Любая человеческая деятельность прямо или косвенно связана с эксплуатацией природных ресурсов и основана на взаимодействии с природной средой. Такой путь развития неизбежно ведет к истощению природных ресурсов и к деградации окружающей среды. Дальнейшее ухудшение состояния окружающей среды создает большую угрозу для будущего нашей планеты. Поэтому человечество должно спешить, чтобы реализовать экологических природоохранных программ на всех уровнях развития природы и жизнедеятельности человека. Для этого нужно провести эколого – социально – экономические расчеты воздействия загрязнения на окружающую среду .
Забиваем Сайты В ТОП КУВАЛДОЙ - Уникальные возможности от SeoHammer
Каждая ссылка анализируется по трем пакетам оценки: SEO, Трафик и SMM.
SeoHammer делает продвижение сайта прозрачным и простым занятием.
Ссылки, вечные ссылки, статьи, упоминания, пресс-релизы - используйте по максимуму потенциал SeoHammer для продвижения вашего сайта.
Что умеет делать SeoHammer
— Продвижение в один клик, интеллектуальный подбор запросов, покупка самых лучших ссылок с высокой степенью качества у лучших бирж ссылок.
— Регулярная проверка качества ссылок по более чем 100 показателям и ежедневный пересчет показателей качества проекта.
— Все известные форматы ссылок: арендные ссылки, вечные ссылки, публикации (упоминания, мнения, отзывы, статьи, пресс-релизы).
— SeoHammer покажет, где рост или падение, а также запросы, на которые нужно обратить внимание.
SeoHammer еще предоставляет технологию Буст, она ускоряет продвижение в десятки раз,
а первые результаты появляются уже в течение первых 7 дней.
Зарегистрироваться и Начать продвижение
1.2
Технологический цикл работы нефтеперекачивающей станции как источник загрязнения окружающей среды
Нефть поступает из нефтепровода на нефтеперекачивающую станцию через узел подключения. Далее нефть через предохранительные клапаны поступает на узел фильтров-грязеуловителей и через узел сглаживания волн давления - в резервуарный парк.
Резервуарными парками
принято называть группу резервуаров, сосредоточенных в одном месте. В нефтесборном пункте обычно сооружают резервуары объемом 2000, 3000 и 10000, реже 400 м3
[33]. Суммарный объем резервуарного парка зависит от плановых показателей на добычу нефти, от обводненности продукции и норм на проектирование. Согласно строительным нормам и правилам (СНиП 2.09.03-85) объем сырьевых резервуаров должен быть не менее пятикратного суточного объема добычи нефти.

Рисунок 1 – Резервуарный парк
1.3 Характеристика выбросов резервуарного парка ЛПДС
В районах деятельности нефтеперекачивающих станций происходит интенсивное загрязнение воздушного бассейна в результате испарения паров нефти при их хранении в резервуарных парках. Кроме потерь ценного углеводородного сырья, а по оценкам специалистов эти потери составляют по Российской Федерации до 2 млн.тонн в год, это приводит к значительному ухудшению экологической обстановки.
Потери паров нефти и газа в резервуарах зависят от физико –химических свойств нефти, условий ее сепарации, подготовки и хранения.
Нефть, поступающая в резервуарные парки, содержит значительное количество углеводородов С1
– С4
, относящихся при нормальных условиях к газам, а нефтяные газы – компоненты С5
+ высшие, относящиеся при тех же условиях к нефти. В газах содержится также до 30 % (масс) углеводородов С3
и С4
, занимающих промежуточное положение между газом и жидкостью, которые при незначительных изменениях термодинамических условий легко переходят из одного состояния в другое.
В таблице 1 приведены загрязняющие вещества, поступающие в атмосферу при хранении нефти в резервуарах.
Сервис онлайн-записи на собственном Telegram-боте
Попробуйте сервис онлайн-записи VisitTime на основе вашего собственного Telegram-бота:
— Разгрузит мастера, специалиста или компанию;
— Позволит гибко управлять расписанием и загрузкой;
— Разошлет оповещения о новых услугах или акциях;
— Позволит принять оплату на карту/кошелек/счет;
— Позволит записываться на групповые и персональные посещения;
— Поможет получить от клиента отзывы о визите к вам;
— Включает в себя сервис чаевых.
Для новых пользователей первый месяц бесплатно.
Зарегистрироваться в сервисе
Таблица 1 -
Выбросы загрязняющих веществ в атмосферу резервуарным парком
| Ингридиент |
Класс
опасности
|
ПДК |
Фактический
выброс, т/ год
|
| ПДК м.р ,
мг/ м3
|
ОБУВ,мг/ м3
|
Смесь углеводородов
предельных С1 – С5
|
4 |
- |
2,5 |
1489,06 |
| Сероводород |
2 |
0,008 |
- |
- |
Таким образом, приоритетными загрязняющими веществами в районе резервуарного парка являются углеводороды предельные С1 - С5, представляющие собой легкие фракции нефти. Преобладающие классы опасности выбросов – 3 и 4.
1.4 Характеристика сточных вод резервуарного парка ЛПДС
Среди различных видов загрязнения окружающей среды, химическое загрязнение природных вод имеет особое значение. Всякий водоем или водный источник связан с окружающей его внешней средой. На него оказывают влияние условия формирования поверхностного или подземного водного стока, разнообразные природные явления, индустрия, промышленное и коммунальное строительство, транспорт, хозяйственная и бытовая деятельность человека. Последствием этих влияний является привнесение в водную среду новых, несвойственных ей веществ - загрязнителей, ухудшающих качество воды [12].
Загрязнение грунтов и подземных вод на территориях резервуарных парков и других объектов нефтепродуктообеспечения обусловлено утечками нефтепродуктов. Причины утечек могут быть разные: дефекты и разгерметизация резервуаров, аварийные проливы, потери при наполнении и опорожнении резервуаров и других емкостей, неисправности технологического оборудования. Основная особенность утечек заключается в том, что они носят неравномерный по площади и во времени характер.
Нефтесодержащие сточные воды образуются в процессе зачистки резервуаров, смыва производственных площадок, сброса подтоварных вод из резервуаров, утечек из технологического оборудования. Эти потери возникают из-за неудовлетворительного технического состояния сооружений и оборудования. В период дождей и таяния снега с территории нефтебазы формируется поверхностный сток, который загрязнен не только взвешенными веществами, но нефтепродуктами. Это, в основном, стоки обвалованных территорий резервуарных парков, сливоналивных эстакад, технологических площадок. Наряду с перечисленными видами нефтесодержащих вод на нефтебазах в редких случаях могут образовываться загрязненные нефтепродуктами воды от охлаждения наземных резервуаров при пожаре. Нефтесодержащие сточные воды, образующиеся при эксплуатации резервуарного парка ЛПДС, представлены в таблице 2 [30].
Таблица 2 - Нефтесодержащие сточные воды, образующиеся при эксплуатации резервуарного парка
ЛПДС
Вещество
|
ПДК,
мг/м3
|
Класс
опасности
|
Фактический
сброс, т
|
|
Фенол
|
0,01
|
2
|
0,366
|
|
Стирол
|
0,05
|
3
|
0,398
|
|
Бензол
|
1,5
|
2
|
0,338
|
|
Этилбензол
|
3
|
0,991
|
|
Толуол
|
3
|
1.003
|
|
Ксилол
|
0,2
|
3
|
0.008
|
|
Углеводроды (алканы)С5-С12
|
4
|
1.200
|
|
Ареновые углеводороды С12-С19
|
4
|
1,942
|
| Алканы С6
–С12
|
25
|
4
|
1.001
|
| Алканы С13
–С25
|
1
|
4
|
0,009
|
| Арены моно- и дициклические С6
–С11
|
25
|
4
|
1.500
|
| Полициклические С12
–С18
|
1
|
4
|
2.002
|
Таким образом, определены наиболее приоритетные по массе и токсичности загрязняющие вещества. Это: фенол, толуол, стирол и полициклические углеводороды С12- С18.
Рисунок 5 – Классы опасности сточных вод резервуарного парка ЛПДС
1.5 Характеристика отходов резервуарного парка
ЛПДС
Производственная деятельность ЛПДС неизбежно оказывают техногенное воздействие на объекты природной среды. Одним из наиболее опасных загрязнителей практически всех компонентов природной среды являются нефтесодержащие отходы.
Отходы, образующиеся на ЛПДС – это нефтешламы. Которые образуются в связи с ухудшением физического состояния резервуаров со временем и обусловленное увеличением обводненности добываемой продукции. Это приводит к росту коррозии днища и стенок, необходимости очистки резервуаров от образующихся отложений – нефтешламов [30].
Нефтешлам и продукты ремонта резервуаров, поступающие в землянные шламовые амбары, являются особенно опасными отходами, т.к. могут попасть в водоемы в результате размыва обваловки амбаров паводковыми водами.
Образующиеся нефтесодержащие отходы на территории НПС показаны в таблице 3.
Таблица 3 – Образующиеся нефтесодержащие отходы на территории резервуарного парка

Рисунок 6 – Классы опасности отходов резервуарных парков
Отходы нефтеперекачивающей станции вредно воздействует на водные объекты, и в особенности на почву. В почве, загрязненной ими, резко меняется соотношение между углеродом и азотом, что ухудшает азотный режим почв и нарушает корневое питание растений. При углеродных загрязнениях почв из них вытесняется кислород, почва теряет продуктивность и плодородный слой долго не восстанавливается. Самоочищение почв происходит очень медленно [30].
Таким образом, в данной главе проведен анализ загрязнения среды обитания при функционировании резервуарного парка ЛПДС. В ходе данного анализа выявлено, что при хранении нефти сильно загрязняется атмосфера, при этом большую часть выбросов из резервуаров составляют предельные и ароматические углеводороды. Также выявлено, что накопленные нефтесодержащие отходы на территории резервуарного парка представляют большую опасность окружающей среде, в особенности гидросфере. С учетом этого, в данной курсовом проекте разработаны системы защиты атмосферы путем снижения выбросов в атмосферу и система утилизации нефтешлама
Ежегодно по различным оценкам в РФ выбрасывается более 1 млн. т углеводородов[1]. Удельные потери углеводорода только при каждой операции слива (налива) нефти составляют 1,1-1,5 кг на 1м3
переливаемого продукта [13]. Значительная часть этих выбросов приходится на резервуарные парки нефтеперекачивающих станций РФ - около 140 тыс.т паров углеводородов[2].
Простые традиционные методы предотвращения потерь нефтепродукта, обладающие низкой стоимостью (дыхательный клапан, газоуровнительная система), недостаточно эффективны. Из литературных источников [18] известны новых принципиальные подходы хранения нефтепродуктов путем введения поверхностно активных веществ. Однако на практике данный способ не нашел широкого применения.
2.1
Варианты сокращения потерь легких фракций углеводородов от испарения
Методы борьбы с потерями легких фракций нефти при испарении нефти в резервуарах можно разбить на 4 группы [18]:
1. методы, предупреждающие испарение нефти;
2. методы, уменьшающие испарение;
3. методы, основанные на сборе продуктов испарения нефти;
4. стабилизация нефти.
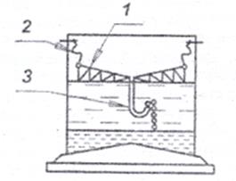
Первый метод сводится уменьшению газового пространства резервуара, что достигается применением различного рода плавающих крыш- понтонов (рисунок 8)

Рисунок 8– Функциональная схема плавающей крышки,
где 1 – плавающая крышка, 2 – затвор плавающей крышки, 3 – сифонная трубка.
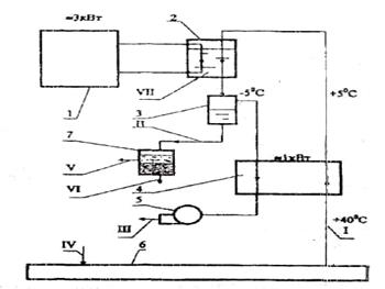
Плавающая на поверхности нефти крышка почти полностью устраняет газовое пространство резервуаров, и таким образом, предотвращает потери легких фракций нефти от «малых» и «больших дыханий» Плавающие крышки изготавливаются или из металла, или из пластмассы. Зазор между стенкой резервуара и плавающей крышей делается до 25 см на сторону. Для уплотнения зазора между крышей и корпусом резервуара и предотвращением тем самым утечки легких фракций делаются специальные затворы из асбестовой ткани, пропитанной бензостойкой резиной, или из цветного металла. Применение плавающих крыш наиболее эффективно на оперативных резервуарах, работающих с большим коэффициентом оборачиваемости. Ливневые воды с поверхности крыш удаляются по водостокам с обратным сифоном 3, представляющим собой короткую вертикальную загнутую на конце трубку, погруженную в нефть. Атмосферные воды, стекая по поверхности крыши, попадают в трубку водостока, переливаются через край ее и, пройдя слой нефти, скапливаются на дне резервуара, откуда удаляются обычным способом. Для уменьшения испарения нефти в резервуарах за рубежом особенно широкое распространение получили экраны из пластмассовых полых шариков и пластмассовых пленок[18]. Ко второй группе методов, уменьшающих испарение нефти в резервуарах, можно отнести защиту их от нагрева солнечными лучами. С этой целью резервуары покрываются лучеотражающими красками. Так как окраска резервуаров одновременно является защитой от атмосферной коррозии, то краски должны быть стойкими против воздействия атмосферных факторов[18]. К методам третьей группы борьбы с потерями нефти при хранении ее в резервуарах относится использование установки улавливания легких фракций (УЛФ). Установки улавливания легких фракций позволяют предотвратить потери паров нефти как ценного энергетического сырья, а также уменьшения загрязнения окружающей среды посредством предотвращения выбросов в атмосферу, повысить пожаро- и взрывобезопасность объектов, уменьшить степень коррозии внутренних поверхностей резервуаров. Система улавливания легких фракций состоит из газоуравнительной обвязки, соединяющей газовые пространства герметичных резервуаров с всасывающей линией установки УЛФ. При этом происходит перераспределение выделяющихся паров нефти между резервуарами. Электронные датчики давления и микропроцессорный контроллер постоянно поддерживают в резервуарах заданный режим избыточного давления (рисунок 9), не допуская образования ни повышенного давления, что может привести к выбросу легких фракций в атмосферу,ни пониженного давления, что может привести к попаданию кислорода в резервуар[18].

Рисунок 9– Схема улавливания легких фракций
Также повышенное или пониженное давление в газовом пространстве резервуара создает в стыках соединения крыши с корпусом дополнительные напряжения, которые могут достигать разрушительных величин, приводящих к выпучиванию, разрывам в верхних поясах и кровле резервуаров.
Несмотря на многообразие применяемых и заявленных в качестве изобретений конструкций систем УЛФ, их можно объединить в несколько групп.
Системы УЛФ (УУП), применяемые в нефтепродуктообеспечении, могут быть разделены [13]:
- по характеру работы;
- по виду «защитного газа»;
- по методу отделения углеводородов.
- по методу аккумулирования или реализации парогазовой смеси.
По характеру работы системы УЛФ бывают разомкнутого и замкнутого типов. В первом случае парогазовая смесь, отобранная из ГП резервуаров, не возвращается в него при последующем создании разряжения. В системах же замкнутого типа уловленные углеводороды частично используются для исключения подсасывания воздуха в резервуары.
По виду «защитного газа» системы УЛФ различаются тем, что в одних из них допускается подсасывание воздуха, в других же - не допускается. В компрессорных системах ГП заполняется метаном из газопровода (системы УЛФ разомкнутого типа) или пропан-бутановой смесью сначала из баллонов, а затем из газгольдера высокого давления (системы УЛФ замкнутого типа).
В компрессорных системах замкнутого типа для заполнения ГП резервуаров используются также инертные газы (азот, СО2
и дымовые). Отсутствие кислорода в ГП позволяет при последующем повышении давления в нем безбоязненно компримировать газовую смесь.
Для аккумулирования и реализации парогазовой смеси используют ее хранение в газосборниках постоянного или переменного объема, закачку в газопровод для подачи потребителям и сжигание в качестве топлива[13].
По методу отделения углеводородов от парогазовой смеси различают адсорбционные, абсорбционные, компрессионные, конденсационные икомбинированные системы. В адсорбционных системах УЛФ в качестве поглотителя углеводородной части ПВС используются уголь, полимеры и другие адсорбенты.
В абсорбционных системах УЛФ для поглощения углеводородов используются бензин (под давлением или охлажденный), а также низколетучие нефтепродукты (керосин, дизтопливо и т.п.). В компрессионных систем УЛФ сжатие газовой смеси производится компрессорами или жидкостно-газовыми эжекторами, а в конденсационных -применяют одно- или двухступенчатое охлаждение. Наконец, имеется большое количество систем УЛФ, где используется сразу несколько методов отделения углеводородов[13].
Под абсорбцией понимают массообменный процесс избирательного поглощения жидкостью (абсорбентом) компонентов газовой или парогазовой смеси. Процесс абсорбции достаточно хорошо изучен как теоретически, так и практически, однако до последнего времени он использовался в системах улавливания светлых нефтепродуктов в первую очередь на крупных предприятиях, с расчетом на высокие нагрузки по ПВС[13]. Это было обусловлено отсутствием компактных, высокопроизводительных и высокоэффективных контактных устройств, обеспечивающих надежную и стабильную очистку ПВС от углеводородов до требуемых предельно допустимых концентраций, а также рядом проблем, возникающих при использовании традиционных тепломассообменных аппаратов.
Принципиальная схема предложенной системы улавливания легких фракций нефти (УЛФ) приведена на рисунке 10 [13]. Она включает в себя подземные резервуары 1 с нефтью и «транзитный» 2 с дизельным топливом, соединенные между собой газовой обвязкой 3, обратный клапан 4, узел ввода паровоздушной смеси 5 в «транзитный» резервуар и узел приема 6.

Рисунок 10 - Принципиальная схема системы улавливания легких фракций
Принцип действия данной системы УЛФ основан на вытеснении в атмосферу паров, дизельного топлива из «транзитного» резервуара парами нефти.
Под адсорбцией понимают массообменный процесс избирательного поглощенная твердым телом (адсорбентом) компонентов жидкости или газа.До настоящего времени разработка и использование адсорбционных установок ограничивалось необходимостью постоянной замены адсорбента для регенерации. Установка регенерации адсорбента на самом резервуарном парке требует дополнительных площадей и капиталовложений.
Стационарная установка УПФ А представляет собой специальный аппарат типа адсорбера, состоящий из двух фильтровпоглотителей термических, снаряженных специально-разработанным сорбентом, блока автоматической регулировки температур (БАРТ) и блока управления. УУПБА осуществляет адсорбцию паров топлива во время заполнения резервуара и десорбцию их обратнов резервуар при выдаче топлива потребителю[
13]
.
2.2.3 Конденсационные системы УЛФ
Принцип действия конденсационных систем основан на более высокой температуре конденсации паров углеводородов по сравнению с воздухом.
К конденсационным порой ошибочно относят системы, в которых предлагается каким-либо образом охлаждать ПВС непосредственно в ГП резервуаров (например впрыскивание в ГП сжиженные нейтральный газ или углекислоту) [13]. Но такие технические решения необходимо рассматривать как один из способов уменьшения температуры паровоздушной смеси (и соответственно уменьшения концентрации углеводородов в ней), наряду с применением отражательно-тепловой изоляции или водяного орошения резервуаров.
На основе проведенных исследований был сделан вывод о том, что данная технология пригодна для улавливания паров нефти из паровоздушной смеси. Она позволяет получать на выходе из установки паровоздушную смесь с небольшим содержанием легких фракций бензина (около 1,5%), то есть снизить выбросы его паров в 20-30раз.

Рисунок 11 - Схема холодильной установки для улавливания паров нефти
Установка состоит из: компрессорно-конденсаторного блока холодильной машины 1, испарителя холодильной машины — конденсаторапаров бензина 2, сепаратора жидкости и газа 3, воздушного теплообменника 4, воздушного вентилятора 5, водобензинового сепаратора 7, запорно-регулирующей арматуры, жидкостных и газовых трубопроводов[13].
Установка работает следующим образом. Поток I воздухо-паровой смеси при температуре окружающей среды поступает из хранилища бензина 6 в предварительный теплообменник 4, где температура смеси снижается и происходит частичная конденсация паров бензина и воды. После этого смесь направляется в испаритель-конденсатор 2, где температура ее понижается и происходит основная конденсация бензина из смеси. Воздухожидкостный поток поступает в сепаратор 3. Конденсат собирается на дне сепаратора 3, а холодный воздух с остатками паров бензина поступает предварительно в теплообменник 4 обратным потоком, где нагревается до температуры, близкой температуре окружающей среды и через вентилятор 5 (поток III) выбрасывается в атмосферу. Конденсат, представляющий собой водобензиновую жидкую смесь (поток V), поступает в сепаратор 7, где разделяется на воду и бензин вследствие нерастворимости двух жидкостей друг в друге. Вода (поток VI) отводится снизу, бензин (поток V) — из средней части сепаратора 7.
Однако все эти способы имеют местное действие, то есть уменьшают потери легких фракций в одном или группе резервуаров. Кардинальным способом борьбы с потерями легких фракций является стабилизация нефти, то есть целенаправленное извлечение легких углеводородов из нефти, после чего нефть не будет подвержена испарению[18].
Процесс извлечения легких углеводородов из нефти является завершающей стадией сепарации газа из нее, а также завершающей стадией подготовкой нефти. Этот процесс может быть осуществлен двумя путями [18]:
1. сепарацией углеводородов под вакуумом;
2.
сепарацией углеводородов при повышении температуры.
В первом случае сепарация называется вакуумной, во втором – термической. Из нефти дополнительно выделяются углеводороды: меньше при вакуумной и больше при термической сепарации. Эти две терминологии примерно совпадают с понятиями «поверхностная и глубокая стабилизация» соответственно.
2.2.4 Система стабилизации нефти
В зависимости от конкретных условий и предъявляемых требований к подготовке нефти стабилизацию можно производить сепарацией или ректификацией нефти. Сепарация производится однократным или многократным испарением при снижении давления, иногда с предварительным подогревом. Ректификация - многократная конденсация и испарение с четким разделением углеводородов по заданной глубине стабилизации нефти.
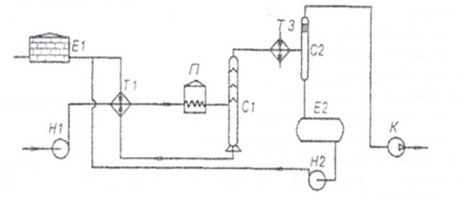
Многоступенчатая сепарация как средство для стабилизации нефтей применяется редко. Технологическая схема стабилизации нефти путем однократного испарения и конденсации приведена на рисунке 12 [18].

Рисунок 12– Принципиальная технологическая схема стабилизации нефти однократным испарением и конденсацией
Нефть насосом Н1 после установки обезвоживания и обессолевания подается в теплообменник Т1, в котором подогреваются за счет тепла потока стабильной нефти, а затем в подогреватель – теплообменник Т2 и с температурой 80ºС – 120ºС поступает в эвапорационное пространство трапа-сепаратора С1, с верхней части которого при давлении 0,15 …0,25 МПа отбираются газообразные углеводороды. С нижней части трапа нефть, обедненная бензиновыми фракциями , поступает в теплообменники, в которых отдав свое тепло идущей с промысла нефти, подается в товарные емкости Е2.
Широкая газообразная фракция с температурой 80 – 120ºС поступает в конденсаторы – холодильники Т3, где охлаждается до плюс 30 - 40ºС, при этом из состава газа в бензиновых сепараторах С2 отделяется определенная часть тяжелых углеводородов. Выделившиеся тяжелые фракции собираются в специальной емкости Е2, откуда насосом Н2 подаются в стабильную нефть после теплообменников Т1 для восполнения утраченного бензинового потенциала. Несконденсировавшийся газ вместе с основным потоком газа после его охлаждения компрессором К подается на газобензиновый завод[18].
Таким образом, в данной главе проведен анализ существующих методов снижения выбросов в атмосферу из резервуаров. Рассмотрены методы, предупреждающие испарение нефти, уменьшающие испарение и методы, основанные на сборе продуктов испарения. Однако все эти способы имеют местное действие, то есть уменьшают потери легких фракций в одном или группе резервуаров. Кардинальным способом борьбы с потерями легких фракций является стабилизация нефти, то есть целенаправленное извлечение легких углеводородов из нефти, после чего нефть не будет подвержена испарению.
2.3 Схема разработанной системы защиты атмосферы
В настоящей работе для ликвидации потерь легких фракций нефти при хранении ее в резервуарах предложено использовать метод стабилизации нефти, то есть целенаправленное извлечение легких углеводородов нефти. Поскольку метод стабилизации, по сравнению с другими методами борьбы с потерями, позволяет кардинально уменьшить потери нефти, при чем для целого комплекса нефтеперекачивающей станции.
Для защиты атмосферы от загрязнения выбросами легких фракций нефти предлагается использовать технологию стабилизации нефти однократным испарением и конденсацией. Схема разработанной системы приведена на чертеже 1.Суть технологии в следующем.
Товарная нефть из резервуара Р1 насосом Н1 подается в теплообменник Т1, в котором подогревается до 100ºС за счет тепла потока стабильной нефти. Подогретая нефть поступает в сепаратор С1, где происходит разделение нефти на легкую газовую и тяжелую фракции. Легкая газовая фракция из сепаратора подается далее в межтрубное пространство теплообменника Т2, в трубное пространство которого для охлаждения подается холодная вода. Охлажденная до 40ºС газовая среда из теплообменника Т2 подается в сепаратор С2 для разделения. Сконденсировавшаяся фракция собирается в специальную емкость Е1, откуда насосом Н2 подается в стабильную нефть Р2. Несконденсировавшийся газ вместе с основным потоком газа после его охлаждения компрессором К1 подается на газобензиновый завод, где он полностью реализуется.
2.4 Расчет аппаратов системы снижения выбросов путем стабилизации
нефти
Для разработанной системы снижения выбросов при функционировании резервуарного парка внедрены следующие аппараты: сепаратор УОВ – 602К – 2 и теплообменник ТПГ–1,6–М1/25 Г–6–2–У–И. Рассмотрим и рассчитаем эти аппараты.
2.4.1 Описание и конструкция сепаратора УОВ – 602К - 2
Центробежный сепаратор УОВ – 602К - 2 предназначен для разделения эмульсий и осветления суспензий (для нефтепродуктов, для очистки смазочных масел, присадок к маслам) [27].
Сепаратор – разделитель УОВ – 602К - 2 (рисунок 10) оснащен пакетами тарелок с зазором между ними 0,4 или 0,8 мм, со свободным сливом жидких компонентов, негерметизированный, со взрывозащитным электродвигателем.
Детали ротора, соприкасающиеся с обрабатываемым продуктом, изготовлены из стали из стали 07Х16Н6.
Работа сепаратора с взрывоопасными продуктами допускается только при подаче в машину инертного газа.
Сепаратор может быть оснащен системой автоматического управления механизмом разгрузки с заданным регулированием по времени.

Рисунок 13 - Сепаратор УОВ – 602К – 2 [27]
Техническая характеристика сепаратора УОВ – 602К – 2 [27]:
· Частота вращения ротора 4700 об /мин;
· Диаметр ротора 600 мм;
· Количество тарелок 123;
· Расход буферной жидкости на одну разгрузку 0,018 - 0,025м3
;
· Напор продукта на входе в сепаратор более 0,03 (0,3) МПа;
· Давление :
- буферной жидкости при закрытом вентиле 0,2 – 0,3 МПа;
- сжатого воздуха для авар. дистанционного тормоза 0,2 МПа.
· Масса сепаратора с электродвигателем не более 1870 кг.
Технологический расчет сепаратора сводится к определению производительности сепаратора и расхода энергии на центрифугирование [17].
Требуется определить фактор разделения и индекс производительности тарельчатого сепаратора с барабаном следующих размеров: внутренний радиус R = 570 мм, длина L = 200 мм, радиус борта r0
= 150 мм. Число оборотов барабана n = 4700 об/мин, масса барабана mб
= 3200 кг, плотность нефти ρ = 820 кг/м3
.
1.Угловая скорость вращения барабана определяется по формуле (1):
ω = π ∙ n / 30 рад/сек, (1)
где n - число оборотов барабана.
Угловая скорость вращения будет равна ω = 3,14·4700/30 = 491,9 рад/сек.
2.Фактор разделения определяется по формуле (2):
Ф = ω2
∙R/g , тогда (2)
Ф = 491,92
∙0,57/9,81 = 14007,7
3.Рабочий объем барабана определяется по формуле (3):
Ω = π∙(R2
– r0
2
)∙L, м3
(3)
где Ω – рабочий объем барабана, м3
.
Рабочий объем барабана будет равен Ω = 3,14∙(0,572
– 0,152
)∙200 = 18 м3
.
4. Индекс производительности определяется по формуле (4):
Σ = Ω∙n2
/(900∙ln(R/r0
)), м3
/ч. (4)
Σ = 0,18∙47002
/(900∙ln(0,57/0,15)) = 3310 м3
/ч.
Итак, к эксплуатации выбирается тарельчатый центробежный сепаратор УОВ – 602К - 2, имеющий следующие технические характеристики:
- рабочий объем барабана составляет 18 м3
;
- количество тарелок 123;
- число оборотов барабана составляет 4700 в минуту;
- индекс производительности составляет 3310 м3
/ч.
- габаритные размеры: длина –1595 мм,
высота – 1530 мм,
ширина –1315мм.
2.4.3 Теплообменник для системы стабилизации нефти
Теплообменные аппараты предназначены для нагрева и охлаждения жидких и газообразных сред в технологических процессах нефтеперерабатывающей, химической, нефтехимической и газовой промышленности.
Для стабилизации нефти оптимальным будет выбор кожухотрубчатого теплообменника с плавающей головкой. Поскольку для теплообменников с плавающей головкой ГОСТ 14246 – 80 предусматривает работу до 6,4 МПа при температурах от – 30 до + 450 ºС [34].
Применениекожухотрубчатого теплообменника для стабилизации нефти чаще других теплообменников обосновывается тем, что они конструктивно просты в монтаже, использовании и обслуживании. Имеют высокий коэффициент теплоотдачи и пригодны для нагрева или охлаждения сред при высоком давлении. Также кожухотрубчатые теплообменники менее металлоемки, более транспортабельнее, легко теплоизоруемые. Установим теплообменник типа ТПГ–1,6–М1/25 Г–6–2–У–И ТУ 3612–023–00220302–01. Теплообменник (Т) с плавающей головкой (П), горизонтальный (Г), с внутренним диаметром кожуха 600 мм, на условное давление в кожухе и трубах 1,6 МПа, материального исполнения М1, с гладкими теплообменными трубами (Г) диаметром 25 мм и длиной труб 6 м, двухходового по трубному пространству, климатического исполнения У, с деталями крепления теплоизоляции (И) [34].
Таблица 4 - Характеристики теплообменника [34]
| Наименование параметра |
Величина параметра |
| Диаметр, мм |
325 – 1200 |
| Условное давление, МПа |
до 6,3 |
| Поверхность теплообмена, м² |
10 – 915 |
| Диаметр и толщина стенки теплообменной трубы, мм |
20×2; 25×2; 25×2,5 |
| Длина теплообменной трубы, м |
3,6 |
| Число ходов |
2, 4 |
| Материальное исполнение |
сталь углеродистая, сталь нержавеющая, сталь молибденсодержащая |
2.4.4 Технологический расчет внедряемого теплообменника
Сложность расчета теплообменников заключается в решении уравнений, описывающих процесс теплообмена. Для определения поверхности теплообмена используется формула Ньютона – Фурье [18]:

Где Q – количество вводимого или отводимого тепла за единицу времени, Дж/с;
к-
коэффициент теплоотдачи, Дж /(см2
·с);
- средняя логарифмическая разность температуры в ºС (температурный напор).
Примем следующие исходные данные.
Согласно внедряемой схеме стабилизации нефти, в теплообменнике Т2 необходимо охладить то количество нефти, которое поступает в него из сепаратора С2. Производительность сепаратора составляет 3310 м3
/ч. Для расчета внедряемого теплообменника необходимо принять следующие исходные данные.
В холодильнике, представляющем собой теплообменник требуется охладить горячую нефть расходом G2
= 238320 кг/ч и теплоемкостью Сн
= 2200 Дж /кг ·ºС от температуры tн
н
= 90 ºС до tk
н
= 40 ºС.
Начальная температура охлаждающей воды tн
в
= 25 ºС.
Теплоемкость воды Св
= 4190 Дж/кг· ºС [18].
Коэффициент теплопередачи воды К = 290Вт/ м2
· ºС[18].
Определим необходимый расход воды для охлаждения нефти, поверхность теплообмена и в прямотоке и противотоке.
1.Тепловая нагрузка теплообменника определяется по формуле :

То есть количество тепла, которое необходимо отдать охлаждающей воде будет равным :
Q
2
= 
2. При прямотоке конечная температура воды tн
в
не может быть выше конечной температуры нефти tk
н
= 40 ºС. Исходя из этого, можно принять приблизительно tн
в
= 35 ºС. Тогда, используя уравнение теплового баланса Q2
= Qx
, можно определить расход охлаждaющей воды Gв.
(Qx
- количество холода, используемое для охлаждения горячей нефти).
Тогда расход водыG
В
= кг/с = кг/ч.
3.Необходимая поверхность теплообмена вычисляется по уравнение

где - температурный напор, = .
Средний температурный поток при прямотоке :
ºС
4.Тогда необходимая поверхность теплообмена при прямотоке :

5.Средний температурный поток при противотоке
ºС
6.Необходимая поверхность теплообмена при противотоке

Таким образом, рассчитано, что для охлаждения 3310 м3
горячей нефти от температуры 90 ºС до 40 ºС за час необходимо 137775 кг воды. Так же определено, что при одинаковом расходе воды необходимая поверхность теплообмена при противотоке меньше(F = 179 м3
), чем в прямотоке (F= 236 м3
).
2.4.5 Насос для системы стабилизации нефти
Для перекачивания нефти в разработанной системе стабилизации нефти внедрен центробежный нефтяной насос 6НДв-Нт-ЕУ2.Данный насосиспользуется для перекачивания незагрязненных механическими примесями нефти, нефтепродуктов. Содержание твердых включений в перекачиваемых средах должно быть не более 0,2% по массе и размером не более 0,2 мм [35]. Насос 6НДв-Нт-ЕУ2 – центробежный, горизонтальный, одноступенчатый с 2-хсторонним полуспиральным подводом жидкости к рабочему колесу и спиральным отводом.
Насос 6НДв-Нт-Е У2 ТУ3631-066-05747979-96 где 6- диаметр напорного патрубка в мм, уменьшенный в 25 раз; НД - насос двустороннего входа; в - высоконапорный; с - средненапорный; Б -бензиновый; Н - нефтяной; т - одинарное торцовое уплотнение; Е - стальной корпус; У2 - категория размещения.
Таблица 5 - Технических характеристик
[35]
Марка
агрегата
|
Подача,
м3
/час
|
Напор,
м
|
Частота
вращения,
об/мин
|
Потребляемая
мощность,
кВт
|
| 6НДв-Бт |
50- 200 |
50.00 |
1450 |
68.00 |
для насосов с проточной частью из стали- 0,6 МПа (6кгс/см2
) для насосов с проточной частью из чугуна- 0,3 МПа (3кгс/см2
)
2.5 Материальный баланс системы стабилизации нефти
За год функционирования резервуарного парка с 54 резервуарами годовая оборачиваемость нефти составляет G = 300000 тонн. Максимальный выход легкой газовой фракции нефти составляет 40 - 45% в расчете на массу сырья [34]. Основываясь на эти данные, составлен материальный баланс стабилизации нефти и представлен в таблице 6.
Таблица 6 - Материальный баланс стабилизации нефти
Количество несконденсировавшихся газов составляет 15 тонн в год (5 % масс). Таким образом, разработанная схема защиты атмосферы позволит снизить потери легких газовых фракций нефти до 95%.
2.6 Обоснование эко-эффективности разработанной системы стабилизации нефти.
Определим, какое количество выбросов образуется при функционировании резервуарного парка, состоящего из 54 резервуаров, и годовой оборачиваемостью нефти, равной 300000 тонн.
2.6.1 Расчет выбросов загрязняющих веществ в атмосферу при хранении нефти в наземных резервуарах.
Для расчета приняты следующие обозначения и допущения: Объем резервуара – 1000м3
.В - количество жидкости, закачиваемое в резервуары в течение года, т/год.M - максимальные выбросы загрязняющих веществ в атмосферу, г/с;G - годовые выбросы загрязняющих веществ в атмосферу, т/год;t нк
- температура начала кипения жидкости, С;tж
max
,tж
min
- температура соответственно при максимальной и минимальной закачке жидкости в резервуар, С;pж
- плотность жидкости, т/куб.м;m - молекулярная масса паров жидкости;Vр
- объем резервуара, куб.м;Nр
- количество резервуаров, шт.;Р38
- давление насыщенных паров нефтей и бензинов при Т = 38°С; Кt
max
, Кt
min
- опытные коэффициенты, равные 0,78 и 0,42 соответственно; КP
CP
- опытный коэффициент, равный 0,62;QЧ
MAX
- максимальный объем паровоздушной смеси, вытесняемой из резервуаров во время его закачки, куб.м/час;К В
- опытный коэффициент, равен 1; PЖ
- плотность жидкости, т/куб.м; Таблица 7 - Данные продукта :| Наименование продукта |
Р38, мм.рт.ст
|
tНК
,
ºС |
Тж
, ºС |
Qч
max
, куб.м/час
|
В, т/год |
РЖ,
т/куб.м |
| Tmin
|
Tmax
|
| Нефть |
420 |
42 |
10 |
32 |
56 |
300000 |
0,74 |
1.Значение коэффициента Коб
принимается в зависимости от годовойоборачиваемости резервуаров (n) (1):n = В/ ( рж
· Vp
· Np
) (1) n = 300000 / (0,74 х 1000 · 6) = 135, а К об
= 1,352.Валовые выбросы паров нефти рассчитываются согласно формулам (2) и (3): - максимальные выбросы (М, г/с): М = Р38
· Кт
max
· КP
max
· КВ
· QЧ
· 0,163·10-4
( 2 ) - годовые выбросы (G, т/год): G =[ Р38
· m · ( KT
max
· KB
min
+ KСР
T
) · KP
· KO
Б
·В ·0,294 ] /10-7
(3) Максимальные выбросы и годовые выбросы составят: М=0,163 · 420 · 63,7· 0,78 · 0,62 · 1,0 · 56 · 10-4
= 11,8100 г/с. G= 0,294·420 ·63,7·(0,78·1,0 + 0,42)·0,62·1,35 ·300000 ·10-7
= 324,6692 т/год.Таким образом, при функционировании резервуарного парка, состоящего из 54 резервуаров, и годовой оборачиваемостью нефти, равной 300000 тонн, образуется 325 000 тонн загрязняющих веществ, выбрасываемых в атмосферу.
Внедрение разработанной системы защиты атмосферы, основанной на стабилизации нефти, позволит снизить потерилегких газовых фракций нефти до 95%. Это в 20 раз меньше годового выброса загрязняющих веществ в атмосферу из резервуаров, функционирующих без систем улавливания.
При этом экоэффективность разработанной системы достигнет 100%. Поскольку стабилизируется 95 % нефти, а 5% нестабилизированного сырья в виде несконденсировавшихся газов направляется на газобензиновый завод, где он полностью используется.
|