Введение
В процессе удаления окалины или травления серной кислотой железных и стальных деталей, например листов, полос или проволоки, железо растворяется в сернокислом травильном растворе с образованием сульфата двухвалентного железа. При продолжительном использовании содержание серной кислоты в травильном растворе уменьшается, а концентрация двухвалентного железа возрастает и в какой-то момент скорость травления становится настолько малой, что отработанный травильный раствор приходится заменять.
1. Обработка промывных вод травильных агрегатов
Очистка поверхности металлоизделий от оксидов металлов (окалины) и иных налетов (SiO2
, Cr2
О3
и др.) – важнейшая технологическая операция, осуществляемая в основном путем травления в кислотных, щелочных и иных растворах, иногда – расплавах, часто с использованием предварительного механического воздействия (разрушения) на поверхностную пленку.
В России преимущественно продолжает применяться сернокислое травление, в то время как за рубежом широко используют соляную кислоту [1].
Для травления чугуна и кремнистых сталей применяют растворы, содержащие плавиковую кислоту, которая хорошо растворяет соединения кремния. При подготовке изделий к эмалированию, покрытию лаком или краской применяют фосфорнокислое травление, так как образующаяся при этом пленка фосфата железа обладает хорошей адгезией к покрытиям.
В последние годы российские предприятия продолжают постепенный переход на травление металлоизделий в соляной кислоте вместо серной. Крупнейшие металлургические предприятия – Магнитогорский (ММК), Новолипецкий металлургические комбинаты, Северсталь и др. завершили или завершают этот процесс, но остается еще огромное количество больших и малых (по расходу кислоты на травление) металлургических и металлообрабатывающих предприятий, использующих сернокислотное травление. Это – дань традиции и нежелание реконструировать свое кислотное хозяйство.
Кроме известных технологических преимуществ – высокой скорости травления, отличного качества протравленной поверхности, сравнительно малого расхода промывной воды (ПВ) и др. – в настоящее время на первое место выходят экологические факторы. Применение солянокислых травильных растворов позволяет обрабатывать все травильные стоки в одном регенерационном агрегате, при этом соляная кислота почти вся возвращается в производство, и в качестве побочных образуются полностью утилизируемые продукты – оксид железа, дистиллят, раствор хлорида натрия. Именно в этом – экологическом – смысле использование солянокислого травления с последующей регенерацией стоков служит образцом при всех способах травления. Такой безотходный метод получил название "травильно-регенерационный комплекс" [2].
Забиваем Сайты В ТОП КУВАЛДОЙ - Уникальные возможности от SeoHammer
Каждая ссылка анализируется по трем пакетам оценки: SEO, Трафик и SMM.
SeoHammer делает продвижение сайта прозрачным и простым занятием.
Ссылки, вечные ссылки, статьи, упоминания, пресс-релизы - используйте по максимуму потенциал SeoHammer для продвижения вашего сайта.
Что умеет делать SeoHammer
— Продвижение в один клик, интеллектуальный подбор запросов, покупка самых лучших ссылок с высокой степенью качества у лучших бирж ссылок.
— Регулярная проверка качества ссылок по более чем 100 показателям и ежедневный пересчет показателей качества проекта.
— Все известные форматы ссылок: арендные ссылки, вечные ссылки, публикации (упоминания, мнения, отзывы, статьи, пресс-релизы).
— SeoHammer покажет, где рост или падение, а также запросы, на которые нужно обратить внимание.
SeoHammer еще предоставляет технологию Буст, она ускоряет продвижение в десятки раз,
а первые результаты появляются уже в течение первых 7 дней.
Зарегистрироваться и Начать продвижение
В практике травления существенное значение имеет организация удаления остатков травильной жидкости (ОТР) с поверхности протравленных изделий. Протравленные металлоизделия обладают развитой поверхностью, поэтому удаление травильного раствора, необходимое для предотвращения коррозии металла, качественного нанесения какого-либо покрытия, всегда необходимо. В настоящее время при создании травильно-регенерационных комплексов количество ПВ для удаления травильного раствора является решающим фактором. Поэтому проблема уменьшения количества ПВ с одновременным уменьшением количества попадающей в нее травильной жидкости была и остается весьма актуальной. Практические приемы сокращения попадания ОТР в ПВ хорошо известны:
1) удаление избытка травильного раствора с поверхности протравленного изделия за счет стекания (выдержка над ванной, встряска); сдув раствора; механическое удаление с полосы (отжимными валиками, резиновыми пластинами и др.);
2) окунание изделия в непроточную ванну (ванну-ловушку);
3) создание промывочных каскадов для уменьшения объемов ПВ.
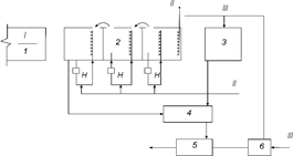
Для улучшения качества поверхности протравленного трансформаторного металла и сокращения количества стоков ВИЗом совместно с институтом "ВНИПИчерметэнергоочистка" разработана и внедрена технология противоточной каскадной водовоздушной промывки (рис. 1).

Рис.1. Схема противоточной каскадной водно-воздушной промывки протравленного рулонного металла: 1 – травильные ванны; 2 – ванны промывки холодной водой; 3 – ванны промывки горячей водой; 4 – сооружения очистки ПВ; 5 – выпарная установка; 6 – резервуар воды чистого оборотного цикла; I – протравленный рулонный металл; II – воздух; III – вода чистого оборотного цикла.
Вместо очищенной ПВ стали применять воду чистого оборотного цикла. Внедрение новой системы сократило расход воды в 4 раза, однако повысилась концентрация примесей в ней. Очищать такую воду чрезвычайно сложно. Потребовалось изменить схему: были введены, например, сгустители осадка. Всю очищенную воду стали подавать на выпарку.
Сервис онлайн-записи на собственном Telegram-боте
Попробуйте сервис онлайн-записи VisitTime на основе вашего собственного Telegram-бота:
— Разгрузит мастера, специалиста или компанию;
— Позволит гибко управлять расписанием и загрузкой;
— Разошлет оповещения о новых услугах или акциях;
— Позволит принять оплату на карту/кошелек/счет;
— Позволит записываться на групповые и персональные посещения;
— Поможет получить от клиента отзывы о визите к вам;
— Включает в себя сервис чаевых.
Для новых пользователей первый месяц бесплатно.
Зарегистрироваться в сервисе
Работа по усовершенствованию промывки травленой полосы была проведена на агрегате непрерывного солянокислого травления (НТА) цеха углеродистой ленты ММК, где применяют каскадную многоступенчатую промывку полосы. В проектной технологии была предусмотрена промывка полосы холодной водой в двух каскадных ступенях, нейтрализация остатков хлоридов железа на полосе в 2%-ном растворе щелочи (NaOH) и промывка полосы от щелочного раствора в двух каскадах горячей промывки. Каждая ступень имеет линии циркуляции с насосами для подачи воды в коллекторы. Вода удаляется с полосы отжимными роликами и стекает обратно в ванну. Свежую горячую и холодную воду подают соответственно в последнюю ступень горячей и холодной промывок, из первого отсека загрязненная холодная вода поступает в бак для дальнейшей переработки, а горячая вода вместе со щелочными стоками передается на установку грануляции шлака.
Основной недостаток, осложнивший работу участка промывки в процессе эксплуатации, – накопление значительного количества шлама в промывных отсеках ванны нейтрализации и горячей промывки. Скопление шлама приводило к образованию пробок в отверстиях коллекторов, загрязнению поверхности полосы, выходу из строя насосов, трубопроводов, что требовало систематических остановок агрегата на профилактические ремонты. Усовершенствованная схема промывки полосы включает в себя каскадные двухступенчатую холодную и трехступенчатую горячую промывки. В ванну холодной промывки подают вторичный конденсат выпарной установки, входящей в комплекс установок утилизации сточных вод травильного отделения. Температура конденсата – 30–50°С, количество – не менее 5 м3
/ч. Применение технологии промывки полосы на НТА в течение года позволило практически полностью исключить образование шлама в промывных отсеках, обеспечить улучшение условий эксплуатации участка промывки и соответственно повысить эффективность промывки. В результате этого остаточная загрязненность полосы хлорном уменьшилась более чем в 3 раза (с 7–16 до 1–6 мг/м3
), улучшилось качество поверхности полосы, уменьшились плановые простои НТА на 180 ч в год, увеличилась скорость прохождения металла через агрегат и, соответственно, производительность НТА на 1500 т в год, сэкономлено 90 т в год каустика, а также сократились затраты труда на ремонт и чистку оборудования [3].
В процессе травления образуются сточные воды, содержащие кислоту и продукты реакции. К сточным водам относятся отработанный травильный раствор, вода, использованная для промывки поверхности металла, вода из скрубберов после очистки воздуха, отсасываемого из ванн, кислотосодержащие воды после промывки оборудования и др. Сброс кислотосодержащих и железосодержащих вод без соответствующей очистки в городскую канализацию или в открытые водоемы невозможен.
Иногда следует отдельно рассматривать переработку ОТР и слабоконцентрированных промышленных, вентиляционных и других стоков - ПВ. На это есть две основные причины: методы переработки ОТР и ПВ не всегда совпадают; локальные установки переработки ОТР часто "принадлежат" основным цехам (например, купоросные установки чаще всего входят в состав прокатного цеха). Конечно, это не касается той удачной технологии, когда ОТР и ПВ перерабатываются вместе (например, при термической регенерации солянокислых железосодержащих стоков).
Основной способ переработки отработанных солянокислых травильных стоков – термический. При этом ОТР и ПВ перерабатываются на терморегенерационной установке с получением возвратной соляной кислоты и порошкообразного оксида железа. Вентиляционные выбросы от ванн травления очищаются "мокрым" способом с образованием солянокислого железосодержащего стока газоочистки. В принципе, система регенерации всех отработанных солянокислых стоков рассчитана таким образом, что не должно образовываться избытка стоков. Однако в процессе эксплуатации травильно-регенерационного комплекса появляются избыточные вентиляционные стоки, которые необходимо обрабатывать. Схема обработки осложняется тем обстоятельством, что в стоках кроме Fе2+
содержится значительное количество органических примесей-ингибиторов (окисляемость – 280 мгО2
/дм3
). И органические соединения, и Fе2+
необходимо окислять.

Рис. 2. Примерная технологическая схема очистки вентиляционных стоков ЛПЦ-5 ММК: 1 – смеситель; 2 – нейтрализатор; 3 – отстойник; 4 – зернистый фильтр; 5 – резервуар чистой воды; 6 – выпарная установка; 7 – сгуститель; 8 – вакуум-фильтр
Технологическая схема очистки такова (рис. 2). В узел окисления (бак-мешалку) 1 подаются вентиляционные стоки и раствор окислителя (NaOCl). Далее сток подается в узел нейтрализации 2, куда добавляется при перемешивании необходимое количество раствора NaOH. В нейтрализованный сток при необходимости добавляется флокулянт (Праестол 2540), после чего происходит его осветление в полочковом вертикальном отстойнике 3. Осветленная вода доочищается на зернистом фильтре 4, после чего подается на горизонтальнотрубную выпарную установку пленочного типа. Полученный концентрат с содержанием NaCl 60–80 г/дм после доочистки используется в качестве регенерационного раствора на химводоочистке ТЭС, а конденсат – для финишной промывки металлоизделий в травильном агрегате. Осадок из отстойника подается в сгуститель 7, при необходимости в него добавляется флокулянт, и из сгустителя подается на механическое обезвоживание (в данном случае — на вакуум-фильтр со сходящим полотном). Обезвоженный осадок высушивается и утилизируется. Таким образом, вентиляционный сток обрабатывается на локальной замкнутой системе с утилизацией всех образующихся продуктов [4]. При сернокислом травлении образуются высококонцентрированные ОТР и два вида слабо концентрированных ПВ: обычные, где концентрация Fe2+
и H2
SO4
не превышает как правило 1 г/дм3
, и промежуточные (при использовании ванн-ловушек, каскадной промывки и др.), где эти концентрации могут достигать величины 10–15 г/дм3
. Чтобы сделать сернокислотный травильно-регенерационный комплекс безотходным, необходимо решать наиболее сложную проблему в нем - обработку, кондиционирование и повторное использование ПВ и утилизацию образующихся при этом осадков. При этом большое значение имеет структура осадка: крупные и плотные частицы взвеси быстрее оседают, весь осадок занимает меньший объем и легко поддается механическому обезвоживанию. Для лучшего обезжелезивания воды и получения более плотного осадка применяется принудительное окисление железа, что и было реализовано в так называемой технологии получения магнетитового осадка. При очистке и повторном использовании ПВ травильных отделений изучено введение добавок в целях увеличения скорости осаждения и получения осадка, который лучше поддается механическому обезвоживанию. Хорошие результаты получены при использовании флокулянтов, из которых наибольшее влияние оказывает гидролизованный ПАА. Тип отстойника выбирали в процессе исследования на опытно-промышленной установке, работающей на натурных стоках. В составе установки были два горизонтальных отстойника бункерного типа, вертикальный и радиальный. Лучшие результаты получены при использовании вертикального и радиального отстойников, которые устойчиво работали даже при повышении концентрации железа в воде до 2 г/ дм3
и более. При отстаивании нейтрализованных вод образуются сильнообводненные осадки, составляющие 3–10%, а в отдельных случаях – до 35% объема обрабатываемых сточных вод. Влажность свежевыпавшего осадка – 98–99,5%. По своим фильтрационным характеристикам они относятся к труднофильтруемым суспензиям; при их механическом обезвоживании образуются сильносжимаемые осадки с коэффициентом сжимаемости 0,3–0,7 и большим удельным сопротивлением.

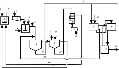
Рис. 3. Технологическая схема и повторного использования кислых железосодержащих ПВ травильных отделений:
1 – накопитель; 2 – усреднитель; 3 – камера хлопьеобразования; 4 – фильтр-пресс ФПАКМ; 5 – фильтр; 6 – насосная станция; 7 – сушилка СВЛ; 8 – камера получения магнетита; 9 – отстойник; 10 – резервуар очищенной воды; I – ПВ; II – щелочь; III – затравка; IV – флокулянт; V – осветленная вода; VI – вода для подпитки системы; VII – очищенная вода на деминерализационную установку и в производство; VIII – сухой остаток на утилизацию или в отвал; IX – пар; X – воздух; XI – осадок; XII – уплотненный магнетитовый остаток; XIII – вода от промывки фильтра; XIV – фильтрат
В предложенной схеме (рис. 3) очистка и повторное использование кислых железосодержащих промывных вод непрерывно-травильных агрегатов производятся по замкнутому циклу, включающему следующие процессы: нейтрализацию 5%-ным известковым молоком до рН 9–10,5; добавление в воду ПАА и затравки активного гипса; отстаивание воды в вертикальных и радиальных непрерывно действующих отстойниках; разбавление и доочистку осветленной воды на кварцевых фильтрах.
После такой обработки вода с рН 10,5–11, жесткостью 30–40 ммоль/ дм3
и щелочностью 10–16 ммоль/дм3
направляется на повторное использование и частично на обессоливание. Образующиеся при очистке железосодержащие осадки подвергаются окислению с получением магнетита, уплотнению, и затем гипсожелезогидратный осадок обезвоживается на фильтрах-прессах ФПАКМ-25, сушится на вальцеленточной сушилке и подается на утилизацию.
Попытки выпаривать очищенную, но жесткую воду на деминерализационной установке ВИЗа, как и на других установках, оказались неудачными из-за значительного роста гипсовых отложений. Поэтому очищенные стоки подвергаются содовому умягчению, осветляются и только после этого направляются на выпарку. Получаемый конденсат содержит около 10 мг/дм3
растворимых солей; на современных горизонтальнотрубных пленочных испарителях солесодержание в конденсате в 2–5 раз меньше.
Весьма важно, что обезвоженный и высушенный осадок нашел применение как добавка к исходному сырью при получении цемента (например, на Невьянском цементном заводе, Свердловская область).
В цветной металлургии на Кыштымском медеэлектролитном заводе (Челябинская область) сернокислые медьсодержащие стоки обрабатываются на аналогичной нейтрализационной установке. Очищенная вода используется повторно, а медьсодержащий осадок утилизируется.
2. Регенерация отработанного травильного раствора (ОТР) серной кислоты методом кристаллизации
Технология предназначена для регенерации отработанных травильных растворов с целью возврата серной кислоты (до 95%) требуемого качества в производство для повторного использования с одновременным получением кристаллогидрата сульфата железа (железного купороса) в виде товарного продукта.Технология предполагает следующие стадии:
· предварительное охлаждение отработанного раствора;
· катодное восстановления железа 3-х валентного до формы железа 2-х валентного в электролизере камерного типа с полупроницаемыми перегородками из микрофильтрационных мембран марки МФФК;
· кристаллизацию методом охлаждения с добавлением высаливающего агента – серной кислоты;
· механическое обезвоживание на центрифуге для выделения кристаллогидрата железного купороса из суспензии.
Эффективность очистки от примесей железа – до 60%.
Технологическая схема:

Е – емкость; ФМ – фильтр предварительной очистки; ТО – теплообменник предварительного охлаждения; ЭЛ – электродиализатор; ВАК – выпрямительный агрегат; К – узел кристаллизации; Ц – центрифуга; ХА – холодильный агрегат (чиллер)
3. Извлечение серной кислоты из отработанного травильного раствора
В процессе удаления окалины или травления серной кислотой железных и стальных деталей, например листов, полос или проволоки, железо растворяется в сернокислом травильном растворе с образованием сульфата двухвалентного железа. При продолжительном использовании содержание серной кислоты в травильном растворе уменьшается, а концентрация двухвалентного железа возрастает и в какой-то момент скорость травления становится настолько малой, что отработанный травильный раствор приходится заменять.
В отработанном травильном растворе содержится 0,5—10 % серной кислоты и до 10 % или более сульфата двухвалентного железа. Практичные методы выделения как серной кислоты, так и соединений железа из отработанных травильных растворов представляют большой интерес как по экономическим причинам, так и для защиты окружающей среды.
Известен ряд процессов, предназначенных для обработки отработанных травильных растворов. Одна группа таких процессов включает применение кристаллизации гептагидрата сульфата двухвалентного железа из раствора путем охлаждения и (или) упаривания отработанного раствора. Такие процессы связаны с большим расходом энергии и приводят к получению соединений железа в таком виде, в котором они не могут найти применения.
Процесс предназначен для выделения из отработанного водно-сернокислотного травильного раствора серной кислоты и кристаллического сульфата двухвалентного железа путем кристаллизации. Применяемая аппаратура включает резервуар для обработки, отстойник и сетчатый фильтр. Для облегчения сбора кристаллов резервуары имеют наклонное дно, а в отстойнике имеются пластинчатые перегородки, способствующие осаждению кристаллов. Сетчатый фильтр работает в непрерывном режиме; весь процесс контролируется автоматически.
Процесс, разработанный Р. Н. Смитом использует электродиализ (ЭД) для перевода растворимых сульфатов металлов, содержащихся в травильном растворе, в нерастворимые окислы металлов. Турбулентный поток отработанного травильного раствора, поступающий в соответствующую камеру аппарата ЭД, подвергается воздействию акустической энергии, благодаря чему нерастворимые оксиды остаются в суспензии и не происходит образования осадка на мембране.
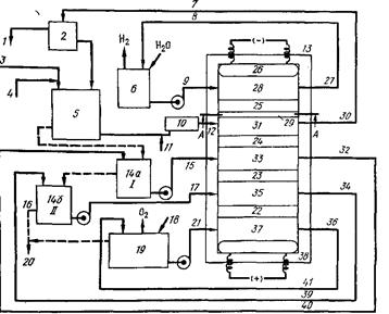
Схема этого процесса представлена на рис.3. На схеме показан обычный аппарат 13 для электродиализа, устойчивый к действию кислот и щелочей, который разделен на камеры 37, 35, 33, 31 и 28 ион-проницаемыми мембранами 22, 23, 24 и 25 соответственно. Для сборки аппаратуры могут быть использованы хорошо известные конструкционные элементы и материалы, которые не показаны на схеме.
Между анионообменной мембраной 25 и катодом находится пластиковая перегородка с отверстиями, имеющая многофункциональное назначение. Она, в частности, предназначена для создания гидравлического напора на поверхности мембран и обеспечивает максимальное прохождение травильного раствора через камеру для отработанного раствора 20, выполненную в виде извилистого канала, уменьшая количество раствора, проникающего другими путями. Аналогичные перегородки имеются и в других камерах.
Показанные на схеме мембраны 22, 23, 24 и 25 представляют собой анион-проницаемые мембраны. В анодной камере 37 помещен анод, а в катодной камере 28 — катод. Камера для травильного раствора 31 расположена рядом с катодной камерой 28 и отделена от нее мембраной 25. Две концентрационные камеры 33 и 35 находятся между анодной камерой 37 и камерой для травильного раствора 31. Первая концентрационная камера образована ионпроницаемыми мембранами 23 и 24, а вторая — ионпроницаемыми мембранами 22 и 23. В качестве мембран 22, 23 и 24 могут быть использованы любые мембраны, через которые проникают анионы. Анод и катод 26 соединены с источником постоянного тока, не показанным на схеме. Цифрой 2 обозначено устройство для вывода твердых веществ.

Рис. 3. Схема процесса выделения серной кислоты из травильного растворас помощью электролиза: / — твердый оксид железа; 2—5, 9 — 13, 15—17, 21 — 38 (в тексте); 6 — 1 н. NaOH; 7 — рецикл травильного раствора; 8 — рецикл католита; 14а, 146 — концентрирующие камеры I и II; 18 — подача свежей воды или концентратора II; 19 — 5—6 н. HjSO, или полисульфонат; 20 — выделенная серная кислота, возвращаемая на стадию травления; 39 — рецикл из концентрирующей камеры II; 40 — рецикл из концентрирующей камеры I; 41 — рецикл анолита
К каждой из камер подходят линии для подачи и вывода растворов. Входная линия 36 и выходная линия 21 позволяют проводить циркуляцию анолита в анодной камере 37. Линии 34 и 17 предназначены для циркуляции электролита в концентрационной камере 35. По линии 16 выводится выделенный товарный продукт — серная кислота. Линии 32 и 15 предназначены для циркуляции электролита в концентрационной камере 33, а линии 30 и 12 — для циркуляции раствора в камере для отработанного раствора 31. Указанные линии трубопроводами соединены с устройством для вывода твердых веществ 2.
По трубопроводу 3 в систему подается отработанный травильный раствор, а по трубопроводу 4 в случае необходимости подается хелатирующий агент. Цифрой 5 обозначен уравнительный резервуар для смеси травильного раствора с хелатирующим агентом. По трубопроводу // в травильный раствор подается газ, например воздух; цифрой 10 обозначено устройство для оказания вибрационного или пульсациониого воздействия на сырье перед тем как оно по трубопроводу 12 поступит в камеру для травильного раствора 31. Линии 27 и 9 предназначены для циркуляции католита в катодной камере 28.
В ходе проведения процесса отработанный травильный раствор вместе с хелатирующий агентом циркулирует в камере 31, а водный раствор с повышенной концентрацией серной кислоты циркулирует в анодной камере 37. Водный раствор католита, предпочтительно гидроксида щелочного металла, циркулирует в катодной камере 28, а электролит, предпочтительно водный раствор серной кислоты или обедненный травильный раствор, циркулирует в первой концентрационной камере 33.
Обедненный травильный раствор представляет собой исходный раствор, из которого путем предварительной обработки удалена свободная кислота и основная часть соединений железа. Такой раствор, в частности, выводится из камеры для отработанного раствора 31. Раствор из концентрационной камеры 33 выходит по линии 32 и по линии 17 подается во вторую концентрационную камеру 35.
Замкнутая пятикамерная система позволяет проводить концентрирование, регенерацию и выделение серной кислоты из отработанного травильного раствора. Сернокислотный травильный раствор, используемый для обработки железных и стальных изделий и содержащий ионы металлов, циркулирует в камере 31. Католит в камере 28 представляет собой I н. водный раствор гидроксида натрия, а анолит в камере 37 — водный раствор серной кислоты.
Циркуляция во всех камерах проводится по трубопроводам с помощью насоса. Через систему протекает постоянный ток, подаваемый на анод и катод 26. Катионы и анионы, содержащиеся в растворе мигрируют к катоду и аноду соответственно. Анионы сульфата и гидроксила направляются к аноду, а катионы водорода и железа из камеры для травильного раствора направляются к катоду. В ходе всего процесса система остается электрически нейтральной.
В анодной камере 37, содержащей разбавленный раствор серной кислоты, происходит образование ионов водорода, которые перемещаются по направлению к катоду 26 до тех пор, пока они не достигнут анионпроницаемой мембраны 22, которая препятствует прохождению катионов. Тем не менее, значительная часть ионов водорода, образующихся на аноде, проникает через мембрану 22 и попадает во вторую концентрационную камеру 35. Аналогичным образом часть ионов водорода из камеры 35 будет перемещаться по направлению к катоду и попадать в первую концентрационную камеру 33, а часть ионов водорода из камеры 33 с небольшой скоростью проникает в камеру для отработанного раствора 31; в отработанном растворе содержатся в основном катионы железа, водорода и анионы сульфата.
Из камеры 31 анионы сульфата мигрируют по направлению к аноду и, проходя через анионпроницаемую мембрану 24, попадают в первую концентрационную камеру 33. При соединении этих анионов с присутствующими в камере 33 ионами водорода происходит образование серной кислоты. Аналогичным образом происходит обогащение раствора серной кислотой и во второй концентрационной камере. За исключением части ионов водорода катионы, образующиеся в камере 31, не могут проникнуть через мембрану 25 и остаются в камере 31.
В катодной камере 28, содержащей водный щелочный раствор католита, предпочтительно гидроксид щелочного металла, например гидроксид натрия или калия, происходит образование анионов гидроксила.
Ионы гидроксила мигрируют по направлению к аноду и через анионпроницаемую мембрану 25 попадают в камеру для травильного раствора 31.
После удаления из травильного раствора основного количества свободной кислоты в результате миграции ионов в камере 31 происходит соединение катионов железа и анионов гидроксила с образованием осадка гидроксида и (или) оксидов железа. Осадок вместе с циркулирующими растворами выводится по линии 30 в устройство для вывода твердых веществ 2 и удаляется из системы в виде магнетита высокой чистоты.
Анионы сульфата мигрируют из первой концентрационной камеры через мембрану 23 и попадают во вторую концентрационную камеру 35. Несвязанные анионы из камеры 35 через ионпроницаемую мембрану 22 поступают в анодную камеру 37, где связываются с ионами водорода, образующимися на аноде и мигрирующими по направлению к катоду 26. Таким образом, в анодной камере 37 происходит образование серной кислоты. Серная кислота образуется также в концентрационных камерах 33 и 35 н соответствующие анолит и электролиты имеют повышенное содержание серной кислоты.
В описанной схеме циркуляции раствор, выходящий из камеры 31 по линии 30, проходящий через устройство 2, и имеющий пониженное содержание кислоты, соединений железа и сульфатов, обогащается серной кислотой в первой концентрационной камере 33, во второй концентрационной камере 35 и в анодной камере 31, в которой концентрация серной кислоты в растворе становится максимальной.
На рис. 4 показана камера для травильного раствора в разрезе. Разрез по линии А—А на рис. 4.

Процесс, разработанный 3. Л. Бур-ком (патент США 4 149946, 17 апреля 1979 г.; фирма ".Дэвис Уокер Корпорейшн"), предназначен для регенерации отработанного.

Рис. 4. Вид камеры для травильного раствора в разрезе (разрез выполнен по линии А—А
В катодную камеру загружают отработанный травильный раствор, а в анодную камеру — водный раствор сульфата аммония; через систему пропускают электрический ток. На катоде происходит осаждение железа. Ион аммония проникает через мембрану в катодную камеру, где образуется раствор сульфата аммония. Сульфат аммония в анодной камере превращается в серную кислоту, которая может быть использована для травления. Раствор сульфата аммония из катодной камеры возвращается в анодную камеру и после добавления свежей порции отработанного травильного раствора процесс повторяется.
Процесс можно проводить в электролизерах различной конструкции. При этом может быть использован любой кислотостойкий материал, например пластмассы или стекловолокно. Электролизер наиболее, простой конструкции состоит из анодной и катодной камер, разделенных катионселективной мембраной. Другая конструкция показана на рис. 5. Электролизер 7 состоит из центральной катодной камеры 17 с катодом 13 и двух боковых анодных камер 5 и 16 с анодами 6 и 15. Катодная камера отделена от анодных камер катионселективными мембранами 11 и 14. В резервуаре для католита 4 находится отработанный травильный раствор, который циркулирует через катодную камеру с помощью насоса 3. В резервуаре для анолита 1 находится раствор сульфата аммония, который циркулирует через анодные камеры с помощью насоса 2. На катоде осаждается железо 12.
Несколько электролизеров могут быть соединены последовательно или параллельно. Описанная конструкция электролизера позволяет использовать обе стороны катода. Можно использовать несколько последовательно соединенных комбинаций из анодных и катодных камер; при этом каждая пара соседних камер разделяется катион-селектнвной мембраной. В этом случае у всех электродов за исключением концевых используются обе стороны и требуется меньшее число анодов, чем в случае использования трехкамерных электролизеров с тем же общим числом катодов.
Отработанный травильный раствор, содержащий сульфат двухвалентного железа и сульфат аммония, непрерывно подается в катодную камеру первого электролизера и через все катодные камеры проходит в катодную камеру последнего электролизера. Регенерированный раствор серной кислоты непрерывно выводится из анодной камеры последнего электролизера.
Процесс предназначен для регенерации отработанной серной кислоты, содержащей или не содержащей соли металлов, например гептагидрат сульфата железа. Свежий раствор кислоты получается в результате контакта с подаваемыми противотоком газами содержащими S03
, которые образуются при разложении сульфатов. Образующийся раствор с повышенным содержанием кислоты затем упаривают для получения чистой кислоты. Твердые сульфаты металлов подвергают высокотемпературному расщеплению, в результате чего образуется SOs
, а также некоторые количества S02
, который превращают в S03
путем жидкофазного каталитического окисления.
4. Малоотходная технология регенерации медьсодержащих сточных вод
Отсутствие простых и экономичных способов регенерации сточных вод объясняет однократное использование многих технологических растворов и последующий их сброс. Данная проблема касается и участков травления меди при изготовлении плат печатного монтажа. При травлении меди широко используются растворы на основе хлорида железа (Ш), которые по мере насыщения медью становятся непригодными и требуют замены. Создание циклических безотходных участков травления и регенерации позволит решить ряд экологических проблем, стабилизировать процесс травления, повысить его производительность. На практике используют как химические, так и электрохимические способы регенерации, позволяющие выделять медь из раствора в порошкообразной или пластинчатой форме, в которой она может быть использована в промышленности.
Нами предложен химический способ регенерации железо-медно-хлоридных отработанных травильных растворов (ОТР), позволяющий удалять медь из раствора при контактном вытеснении на железных стружках, а окисление Fе (II) осуществлять хлорированием раствора. Схема способа регенерации представлена на рисунке. Из ванны травления 1 ОТР, содержащий компоненты FеСl2
, FеСl3
и СuСl2
, подают в реактор цементации 2, где протекает контактное выделение меди на железных стружках
Cu2+
+ Fe
Cu + Fe2+
, (1)
а также взаимодействие ионов Fе3+
и Н3
О+
с металлическим железом
2 Fе3+
+ Fе → 3 Fе2+
, (2)
2 Н3
О+
+ Fе → Н2
+ Fе2+
+ 2 Н2
О (3)
В ходе реакции смесь разогревается до 65 – 70 ºС. Величина показателя рН раствора повышается, поэтому перед последующим хлорированием требуется подкисление.
Избыток железа по отношению к меди Сu:Fe=(1:1,6) ÷ (1:1,7) обеспечивает быстрое протекание реакции цементации. В течение 45 – 60 минут из раствора выделяется более 90 % всей меди. Если Сu : Fe = 1 : 1, то цементация меди происходит в течение 15 часов. За этот период из раствора при повышении величины показателя рН выпадает осадок, состоящий из 60 % Fe(ОН)3
и 40 % Сu(ОН)2
, смешивающийся с постоянно удаляемой с помощью мешалки железо-медной твердой фазой. Если не обеспечивается избыток железной стружки, реакция цементации может затормозиться. В этом случае начнут протекать реакции (2) и (3), причем последняя оказывает особо отрицательное влияние на ход контактного обмена.
Удаляемая цементная медь включает примеси железа. Плотный железный сердечник по окончании процесса отделяется магнитом и используется для цементации в новом цикле с дополнительным количеством железной стружки. Железо-медный цементный осадок подают после фильтрации в резервуар для промывки 4, где происходит растворение примесного железа в соляной кислоте (1:1) по реакции, аналогичной реакции (3). В результате подобной промывки получается товарная медь, имеющая высокую степень чистоты. Образующийся раствор FeCl3
поступает в колонны хлорирования 5–8 и смешивается с фильтратом после цементации. Этот раствор выполняет одновременно две функции – подкисляет раствор перед хлорированием и разбавляет его. Объем соляной кислоты колеблется в пределах 27–40 % от первоначального объема ОТР FeCl3
, что позволяет поддерживать рН на необходимом уровне, практически полностью компенсировать убыль раствора после отделения цементного осадка и исключить корректировку раствора по концентрации FeCl3
в конце цикла регенерации. В ходе контактного обмена концентрация FeCl2
в растворе увеличивается, поэтому, если перед хлорированием раствор предварительно не разбавлять, то в колоннах 5–8 может начаться кристаллизация FeCl3
·6Н2
О.
Фильтрат, поступающий на хлорирование, содержит в своем составе небольшое количество меди (II), которая не только не мешает последующему использованию раствора при травлении, но даже оказывает на этот процесс каталитическое действие.
Хлорирование раствора осуществляется в адсорбционной системе, состоящей из четырех последовательно соединенных насадочных колонн, заполненных фарфоровой насадкой или кольцами Рашига. Улавливание хлора происходит в двух первых колоннах, незначительное количество поглощается в третьей, четвертая колонна имеет санитарное назначение. Раствор периодически циркулирует из 5 и 6 колонн в 7 и 8. Добавление хлора на выходе составляет 0,15 – 0,25 МПа.
В результате хлорирования железо (II) практически полностью окисляется до железа (III)
2 Fe2+
+ Cl2
→ 2 Fe3+
+ 2 Cl-
(4)
Избыточный хлор растворяется в молекулярной форме, повышая окислительные свойства травильного раствора.
Рассмотренный способ регенерации позволяет решить ряд экологических проблем и имеет следующие преимущества: практическое отсутствие отходов, простота и быстрота осуществления всех стадий процесса, высокие значения основных технических характеристик при использовании регенерированного раствора, получение чистого утилизированного продукта – металлической меди, экономное использование реагентов – железной стружки и соляной кислоты.
Литература
1. Гуренко В.Д. Травление полос и листов в соляной кислоте / В.Д. Гуренко, В.М. Файнштейн.- М.: Металлургия, 1971.
2. Травильно-регенерационные комплексы / В.И. Аксенов и др. – М.: Теплотехника, 2006.
3. Вайнштейн И.А. Очистка и использование сточных вод травильных отделений / И.А. Вайнштейн. – М.: Металлургия, 1986.
4. Опыт очистки от паров соляной кислоты аспирационного воздуха травильного отделения / С.М. Колтышев и др. // Сталь. 2006. № 2. С. 77–78.
5. Аксенов В.И. Замкнутые системы водного хозяйства металлургических предприятий / В.И. Аксенов. – М.: Металлургия, 1991.
|