История развития автомобилестроения Любое событие, которое так или иначе дало толчок развитию принципиально нового вида деятельности, рано или поздно рассматривается как историческое. Чтобы установить его подлинность и точное время свершившегося, обычно опираются на документальные доказательства. Общественность России в нынешнем году отметила 100-летие со дня появления первого отечественного автомобиля с двигателями внутреннего сгорания. Но прежде чем отмечать круглую дату события, давшего начало автомобилестроению в России, надо было собрать информацию, которая позволила бы с уверенностью утверждать факт, время и место этого события.
К сожалению, долгое время исследования развития автомобилестроения в нашей стране не велись. Во всяком случае, публикаций на эту тему было мало, и они носили случайный характер. В конце 40-х годов внимание отечественных историков привлекли факты первенства отечественных ученых и техников. Тогда стало очевидным, что страна, ставшая великой мировой державой в век научно-технического прогресса, должна в этой области располагать достойной биографией, которая создавала бы фундамент образа великой державы.
Началом работы в этом направлении стала статья А.М. Креера, опубликованная в журнале "Автомобильная и тракторная промышленность" № 6 за 1950 г., в которой впервые за послереволюционный период были названы имена 39 русских инженеров, изобретателей, предпринимателей, сыгравших важную роль в становлении и развитии отечественных автомобильной промышленности и транспорта, а также создателей первого русского автомобиля: Евгения Александровича Яковлева (1857-1898 гг.) и Петра Александровича Фрезе (1844-1918 гг.).
В дальнейшем Н.А. Яковлев (1955 г.), А.С. Исаев (1961 г.), В.И. Дубовской (1962 г.), Л.М. Шугуров (1971 г.), А.И. Оношко (1975 г.), Н.Я. Лирман (1976 г.), В.Н. Беляев (1981 г.) и Я.И. Пономарев (1995 г.) проводили исследования в этом направлении. Особого внимания заслуживает находка сотрудника государственного архива Горьковской области А.И. Оношко. Среди стеклянных негативов М.П. Дмитриева, фотолетописца Поволжья, он обнаружил достаточно четкий негатив фотографии автомобиля Е.А. Яковлева и П.А. Фрезе, по которому впоследствии независимо друг от друга В. И. Дубовской, Ю.А. Долматовский, Л.М. Шугуров и Е.С. Бабурин графоаналитическим методом определили размерные соотношения конструкции и масштаб. Это позволило определить размеры деталей и в 1996 г. построить действующую копию автомобиля. В настоящее время известен еще один снимок первого русского автомобиля, помещенный А. Шустовым в альбоме "Иллюстрированный вестник культуры и торгово-промышленного прогресса России 1900-1901 гг.". Описание керосиновых двигателей Е.А. Яковлева, которые выпускались с 1891 г. на его заводе в Санкт-Петербурге (Б. Спасская ул., д. 28), публиковалось на страницах журнала "Вестник Императорского технического общества" (вып. XI, 1891 г.).
Забиваем Сайты В ТОП КУВАЛДОЙ - Уникальные возможности от SeoHammer
Каждая ссылка анализируется по трем пакетам оценки: SEO, Трафик и SMM.
SeoHammer делает продвижение сайта прозрачным и простым занятием.
Ссылки, вечные ссылки, статьи, упоминания, пресс-релизы - используйте по максимуму потенциал SeoHammer для продвижения вашего сайта.
Что умеет делать SeoHammer
— Продвижение в один клик, интеллектуальный подбор запросов, покупка самых лучших ссылок с высокой степенью качества у лучших бирж ссылок.
— Регулярная проверка качества ссылок по более чем 100 показателям и ежедневный пересчет показателей качества проекта.
— Все известные форматы ссылок: арендные ссылки, вечные ссылки, публикации (упоминания, мнения, отзывы, статьи, пресс-релизы).
— SeoHammer покажет, где рост или падение, а также запросы, на которые нужно обратить внимание.
SeoHammer еще предоставляет технологию Буст, она ускоряет продвижение в десятки раз,
а первые результаты появляются уже в течение первых 7 дней.
Зарегистрироваться и Начать продвижение
Подробное же описание самого автомобиля было помещено в "Журнале новейших изобретений и открытий" (№ 24, 1896 г.), вышедшем перед открытием Всероссийской художественно-промышленной выставки в Нижнем Новгороде, которое состоялось 27 мая (9 июня) 1896 г.
Император Николай II, как следует из его дневника, осматривал экспонаты выставки три дня и 2(15) августа осмотрел экипажный отдел, где ему демонстрировали автомобиль в действии. Было бы неверным рассматривать появление конструкции Н.А. Яковлева и П.А. фрезе без анализа развития промышленности России. В конце XIX века страна переживала индустриальный бум. Военное судостроение, оружейная промышленность, паровозостроение, мостостроение быстрыми темпами шли вперед и не уступали тем же отраслям в странах, экономически более развитых, чем Россия. Такие технологически сложные изделия, как винтовки, в конце 70-х годов прошлого века выпускались Ижевским оружейным заводом в количестве 70 тыс. шт. в год при полной взаимозаменяемости деталей. Более того, заслуживает внимания такой рекорд массового производства, как изготовление в Ижевске в 1879 г. 300 тыс. шт. стволов берданок.
Отметим также всплеск выпуска паровозов в России, который произошел не только благодаря быстрому развитию железнодорожной сети, но и вследствие принятого в конце 1866 г. русским правительством решения прекратить размещение заказов на паровозы за границей. Если в 1880 г. отечественные заводы построили 256 паровозов, то в 1896 г.-462. На первый взгляд эти цифры кажутся незначительными, но сравнить их следует с масштабом последующего производства паровозов в СССР. В 1940 г., когда на железнодорожном транспорте паровозы доминировали, их производство составило 914 шт.
Военная промышленность в конце прошлого века также была на подъеме. В России с1884 г. выпускались торпеды, которые приводились в движение гребным винтом, приводимым от поршневого двигателя, и работали на сжатом воздухе, а позже на паро-воздушной газовой смеси. Управление торпедой осуществлялось гироскопическим блоком. Все это говорит о высоком техническом уровне производства.
Подобные примеры доказывают, что Россия имела приоритетные отрасли промышленности с высококвалифицированным персоналом, совершенными для своего времени оборудованием и технологиями. Нарождавшаяся новая отрасль отталкивалась от высокого потенциала развитых приоритетных отраслей. И неудивительно, что за серийное производство автомобилей взялись такие предприятия, как Русско-Балтийский вагонный завод (1909 г.), торпедный завод "Лесснер" (1904 г.). Их специалисты безусловно знали о начинании Н.А. Яковлева и П.А. Фрезе. Но их, как принято сегодня говорить, маркетинговый анализ показал, что ни дорожная сеть, ни законодательство страны, ни смежные отрасли (производство горючего) еще не готовы для крупносерийного автомобильного производства.
Сервис онлайн-записи на собственном Telegram-боте
Попробуйте сервис онлайн-записи VisitTime на основе вашего собственного Telegram-бота:
— Разгрузит мастера, специалиста или компанию;
— Позволит гибко управлять расписанием и загрузкой;
— Разошлет оповещения о новых услугах или акциях;
— Позволит принять оплату на карту/кошелек/счет;
— Позволит записываться на групповые и персональные посещения;
— Поможет получить от клиента отзывы о визите к вам;
— Включает в себя сервис чаевых.
Для новых пользователей первый месяц бесплатно.
Зарегистрироваться в сервисе
Нельзя сказать, что русские инженеры не искали информацию о достижениях науки и техники за рубежом. Известный московский пропагандист технического прогресса и изобретательства П.К. Энгельмейер еще в 1883 г. встретился в Германии с К. Бенцем, а Е.А. Яковлев и П.А. Фрезе побывали в 1893 г. на Всемирной выставке в Чикаго, где экспонировался автомобиль "Бенц-Виктория".
Многие русские инженеры владели немецким, французским или английским языками, и знакомство с периодическими изданиями по технической тематике не составляло для них труда. Так, например, П.А. Фрезе знал немецкий и французский языки, не раз бывал в Париже, где у него со специалистами фирмы "Де Дион-Бутон" установились дружеские отношения. Е.А. Яковлев в 1890 г. ездил на Всемирную выставку в Париж с целью изучить представленные там двигатели. Инженер Б. Г. Луцкой получил высшее техническое образование в Германии и работал на таких автомобильных заводах, как "Даймлер", "Штевер" и др.
Таким образом, было бы неверным отнестись к созданию автомобиля Яковлевым и Фрезе, как к гениальному озарению технической мысли. Более того, он родился в то время, когда во всем мире имелись предпосылки рождения автомобильной промышленности. Именно летом того же 1896 г. Г. Форд совершил первый выезд на своем "квадрицикле", во Франции состоялись автомобильные гонки Париж - Марсель - Париж на дистанции длиной 1720 км, и Э. Мишлен оборудовал несколько сотен автомобилей пневматическими шинами. В том же году Россия ввела у себя правила дорожного движения, немецкая фирма "Бенц" изготовила 181 автомобиль, а в Англии парламент отменил закон о человеке с красным флагом, который - должен был идти впереди любого безлошадного экипажа.
Е.А. Яковлев на своем "Машиностроительном, чугуно- и меднолитейном заводе" выпускал газовые и керосиновые стационарные двигатели внутреннего сгорания, а с 1895 г. и бензиновые. Годовая продукция составляла несколько десятков двигателей (в 1892 г. -20 шт.) пяти разных моделей мощностью от 1 до 25 л.с. К техническим особенностям относились электрическое зажигание рабочей смеси, смазка под давлением, съемная головка цилиндра. Свой керосиновый двигатель Е.А. Яковлев экспонировал на Всемирной выставке в Чикаго. Там же были выставлены конные экипажи фабрики "Фрезе". Тогда в России было немало экипажных фабрик, славившихся своей продукцией: "П.Д. Яковлев", "Ив. Брейтигам", "Кюммель", "П. Ильин", "Братья Крыловы" и др. Но предприятие П.А. Фрезе (Эртелев пер., дом 10) было особенным. Его хозяин, как и Е.А. Яковлев, имел немало "привилегий" (авторских свидетельств) на разнообразные конструкторские нововведения. Фрезе предложил различные схемы подвески кузова, поворотных устройств, установки рессор и т.п. Иными словами, и Фрезе, и Яковлев были не только предпринимателями, но и изобретателями. Оба знали об экспериментах с самодвижущимися экипажами во Франции и Германии, а "Бенц" модели "Виктория", который они в деталях могли рассмотреть на Всемирной выставке в Чикаго, поразил их воображение.
К. Бенц соединил двигатель внутреннего сгорания с конным экипажем. При этом решил массу технических проблем. К ним относились рулевое управление, обеспечение холостого хода, изменение скорости движения, образование горючей смеси, пуск двигателя, его охлаждение на ходу, тормозное устройство. Все было решено с разной степенью совершенства, но в комплексе, и представляло собой, если так можно выразиться, инженерный ансамбль. В конструкции каждой детали опытный глаз находил свою логику, которая в умах инженеров-практиков, тоже задумывавшихся над комплексным решением тех же проблем, исключала альтернативное решение. Конструкция немецкого инженера показалась канонической не только Н.А. Яковлеву и П.А. Фрезе, но и американцам Р. Олдсу и Г. Ноксу, французам Э. Деляхэ и Ж. Ришару, немцу Ф. Лутцманну, шведу Г. Эрикссону, швейцарцу Л. Поппу. Все приняли общую концепцию К. Бенца: компоновку, схему трансмиссии, систему охлаждения.
Но многие технические решения немецкий изобретатель защитил патентами. И тут каждый фабрикант вынужден был искать собственные пути. Так произошло с Н.А. Яковлевым и П.А. Фрезе.
Экипажная часть первого русского автомобиля по конструкции следовала традициям легких конных колясок. Колеса с деревянными ободьями и сплошными резиновыми шинами вращались не на шариковых подшипниках, а на бронзовых втулках. Их опорная поверхность должна была быть большой и отсюда массивные ступицы.
Рессорная подвеска неразрезных осей тогда отличалась очень большим разнообразием конструкций, нередко довольно сложных. Простейшая конструкция для легких открытых экипажей (на 2-4 человека) - на четырех продольных полуэллиптических рессорах. Большое число листов со значительным трением между листами (своего рода фрикционный гаситель колебаний) позволяло обходиться без амортизаторов.
На легких экипажах часто не было рамы. Передняя и задняя балки шарнирно соединялись двумя продольными тягами, образуя, как говорили тогда, "ход". Кузов же с каркасом из деревянных гнутых брусьев представлял собой самостоятельную несущую систему, которая соединялась с "ходом" через рессоры. Колеса, оснащенные сплошными резиновыми шинами, плохо поглощали дорожные толчки, особенно при езде по булыжным мостовым. Поэтому колеса приходилось делать как можно большего диаметра (1200-1500 мм).
В конных экипажах поворот осуществлялся передними колесами. Оглобли соединялись с наружными частями ступиц, а сама ось с колесами поворачивалась на вертлюге относительно кузова. При этом передние колеса заходили под так называемый "гусь" (передок кузова), а их приходилось делать диаметром меньше, чем задние, чтобы "гусь" и расположенные над ним козлы не были очень высокими.
Но в конце XIX века некоторые экипажные мастера начали устанавливать передние колеса на поворотных шкворнях. А поскольку на поворотах колеса катились по дугам разных радиусов, то пришлось изобрести специальные механизмы, известные как система Аккермана или трапеция Жанто (по имени своих создателей).
Этим принципам следовали многие экипажные мастера, их же придерживался и П.А. Фрезе при разработке шасси первого русского автомобиля. Он внимательно изучил патент К. Бенца, выданный ему в 1893 г., и нашел собственное решение.
Он поместил рессоры подвески передних колес рядом с колесами, как у задних, не поворачивающихся колес. Передние рессоры поворачивались вместе с колесами относительно шкворней, причем шкворни П.А. Фрезе предусмотрел не только в балке передней оси, но и в расположенной над ней поперечине, жестко связанной с каркасом кузова. На ней же крепилась рулевая трапеция, высоко поднятая над дорогой и таким образом не подверженная ударам о возможные препятствия.
Для сравнительно легкой (320 кг) коляски П.А. Фрезе выбрал деревянные колеса. полагая, что булыжная мостовая требует более прочной их конструкции. Колеса велосипедного типа были бы проще, но в Петербурге тогда еще не существовало велосипедных фабрик, где можно было бы заказать колеса. Фирмы же "Дукс" и "Лейтнер" находились достаточно далеко: в Москве и Риге.
Естественно, что колеса оснащались сплошными резиновыми шинами, так как петербургская фирма "Треугольник" обратилась к производству пневматических шин лишь в 1898 г., два года спустя после экспериментов французского фабриканта Мишлена.
Что касается двигателя и трансмиссии, то Е.А. Яковлев пошел по пути К. Бенца. Однако он исправил некоторые его ошибки и сделал двигатель более легким. Во всяком случае масса машины, построенной им вместе с П.А. Фрезе, оказалась такой же, как у малой модели "Вело" К. Бенца, выпуск которой начался в 1894 г. Важно также отметить, что немецкий и русский автомобили имели почти одинаковую колесную базу и сходную конструкцию. Но русский автомобиль был шире по колее, оснащался более тяжелыми деревянными колесами (на немецком - велосипедного типа) и комплектовался складным кожаным верхом. Это означало увеличение массы на 50-70 кг по сравнению с конструкцией К. Бенца.
По-видимому, Е.А. Яковлев существенно облегчил двигатель и трансмиссию, в частности выполнил собственно двигатель меньших, чем у К. Бенца, размеров. Моторы "Бенца", устанавливаемые на модель "Вело" при рабочем объеме 1045 см, развивали мощность 1,5 л.с. при частоте вращения коленчатого вала 450 мин, а с 1896 г. - 2,75 л.с. при частоте вращения 600 мин. У Е.А. Яковлева эта мощность составляла 2 л.с.
Е.А. Яковлев, так же как и немецкий изобретатель, снабдил свой двигатель испарительной системой охлаждения. При работе двигателя во да постоянно кипела, пар поступал в конденсатор, где охлаждался и конденсировался в воду. Но часть воды испарялась. Любопытно, что Т. фон Либих, в 1894 г. совершивший на автомобиле "Бенц-Виктория" с аналогичной системой охлаждения пробег из Райхенберга в Мангейм и обратно, расходовал на 100 км пути 21 л бензина и 150л (!) воды.
Запас воды (около 30 л) у Е.А. Яковлева размещался в двух боковых латунных баках. Сам же конденсатор в виде горизонтального длинного цилиндра размещался за спинкой сиденья. По примеру К. Бенца Е.А. Яковлев изготовил и испарительный карбюратор. На снимках машины видна его нижняя часть со сливным краником. Этот карбюратор напоминал вертикальный цилиндрический бачок диаметром около 200 мм. Он подогревался отработавшими газами, бензин испарялся, насыщая парами проходивший через бачок воздух. Состав рабочей смеси мог быть изменен в смесителе, где она при необходимости обеднялась добавочным воздухом. Для регулирования ее состава служил поворотный рычажок, выведенный под сиденье водителя. Количественной регулировки смеси, поступающей в цилиндр, не было, как и опережения зажигания. Электрическое зажигание осуществлялось от батареи и индукционной катушки с электромагнитным прерывателем (разновидность катушки Румкорфа).
Указанные особенности конструкции не позволяли регулировать частоту вращения двигателя применительно к нагрузке на него и по пути предопределяли его работу как бы в стационарном режиме. Управлять его работой можно было, либо сильно обогащая смесь, либо создавая пропуски в подаче тока на свечу. Такие действия были необходимы при переключении передач.
Автомобили К. Бенца, Е.А. Яковлева и П.А. фрезе располагали сходной по конструкции трансмиссией, принципиальная схема которой была заимствована от станков. Она состояла из двух ремней (у К. Бенца - кожаных, у Е.А. Яковлева - из прорезиненной ткани), работавших на ступенчатых шкивах. Каждый соответствовал низшей и высшей передачам и каждый имел холостой ход. Передвижением ремней и тем самым переключением передач управляли с помощью двух рычажков на вертикальных осях, расположенных справа и слева от рулевой колонки. Пробуксовка ремней при переключении заменяла действие механизма сцепления.
Для передачи крутящего момента на ведущие колеса служили две цепи. Их связывал промежуточный вал с закрепленными на нем шкивами. Но вал этот был сделан разрезным и его полувалы связывал дифференциал.
Максимальная скорость первого русского автомобиля составляла 20 верст в час. Рациональное сочетание собственных и заимствованных технических решений говорит о творческом подходе Е.А. Яковлева и П.А. фрезе к созданию своего "безлошадного экипажа". При этом следует отметить, что появление в Петербурге первого автомобиля "Бенц" (четырехместного модели "Виктория") не могло ничего добавить к тем знаниям, которыми располагали изобретатели после посещения чикагской выставки в 1893 г. Петербургский торговец Э. Зеленый весной 1895 г. заказал автомобиль фирме "Бенц". Автомобиль под № 218 прибыл в столицу 1 (14) августа 1895 г., и его приобрел архитектор А.К. Жиргалев, который совершил свой первый выезд 9 (22) августа 1896 г. на Марсово поле. Вполне очевидно, что эту громоздкую четырехместную машину (она весила 864 кг) модели "Виктория" копировать не имело смысла.
После демонстрации первого русского автомобиля в Нижнем Новгороде его следы теряются, хотя реклама его продолжалась. После смерти Е.А. Яковлева в 1898 г. П.А. Фрезе нашел поставщика деталей в лице французской фирмы "ДеДион-Бутон".
К 100-летнему юбилею группа энтузиастов из Реставрационных мастерских комплекса Влахернское-Кузьминки при поддержке газеты "Авто-ревю" построило действующую копию автомобиля Е.А. Яковлева и П.А. Фрезе в натуральную величину. Она оснащена двигателем, конструкция которого выполнена по образцу силового агрегата "Бенц-Вело". Создание копии заняло шесть месяцев кропотливого труда. Большой вклад в изготовление машины внесли Л.Н. Железняков, Е.С. Бабурин, Н.И. Жук и другие известные у нас реставраторы старинных автомобилей. Автомобиль с успехом экспонировался на международных автомобильных выставках в Москве и Санкт-Петербурге. Тем самым общественность России благодаря юбилею еще раз вспомнила о истории создания первого отечественного автомобиля с двигателем внутреннего сгорания и достижениях российского автомобилестроения.
Вслед за петербургскими изобретателями производство автомобилей (сначала мелкосерийное, а позднее крупносерийное) развернули заводы "Фрезе", "Аксай", "Дукс", "Лесснер", "Пузырев", Русско-Балтийский, АМО, ЯАЗ, "Спар-так". В годы первых пятилеток был совершен качественный технологический скачок, когда заводы ЗИС, ГАЗ, КИМ перешли на массовое производство автомобилей.
Выход нашего автомобилестроения на новый технический уровень с созданием инфраструктуры смежных производств состоялся в 70-80 годы, когда начали работать новые и кардинально реконструированные заводы ВАЗ, Иж-маш, КамАЗ, ЗИЛ, ГАЗ. Несмотря на экономические трудности последних лет, автомобилестроение России удерживает производство на достаточно высоком уровне. В 1995 г. было выпущено свыше одного миллиона автобусов, легковых и грузовых автомобилей. Если вести отсчет от автомобиля Е.А. Яковлева и П.А. Фрезе, то за 100 лет заводами России и Украины только легковых автомобилей изготовлено свыше 23 млн
Устройство Сцепления
Сцепление
Сцепление представляет собой фрикционную муфту, в которой передача крутящего момента происходит за счет силы трения. Оно позволяет кратковременно отсоединять вращение коленчатого вала двигателя от вращения первичного вала коробки передач и вновь плавно соединять их.
На современных моделях легковых автомобилей устанавливается сухое однодисковое сцепление с одной центральной диафрагменной пружиной 10
в виде усеченного конуса Пружина
Диафрагменное сцепление:
/—шпилька, 2
— кожух сцепления, 3
— звено, 4
— опорное кольцо, 5 — пята, 6
— выжимной подшипник, 7—обойма подшипника, 8
— сальник, 9
— стяжной палец, 10 —
диафрагменная пружина,' 11 —
нажимной диск, 12
— ведомый диск, 13
— картер, 14.—
маховик, 15 —
щиток, 116
— ведущий вал коробки передач,/7—демпферная пружина диска
отштампована из листовой пружинной стали толщиной 0,9 мм. Радиально расположенные 18 лепестков пружины не только создаю упругие элементы, но и одновременно являются выжимными рычагами.
Конструктивно сцепление с диафрагменной пружиной выполнено в виде двух неразборных узлов. Один состоит из нажимного диска 11
в сборе с диафрагменной пружиной и кожухом 2, другойиз ведомого диска 12
с гасителем крутильных колебаний. Сцепление заключено в картер 13,
крепящийся к блоку двигателя. Для выключения сцепления, служит скользящая муфта с подшипником усилие на которую передается от педали управления через гидравлический или тросовый привод. Крутящий момент от двигателя! через маховик и нажимной! диск 11
передается ведомому диску 12, а
от него через демпферные пружины 17,
ступицу ведомого диска и шлицевое соединение — ведущему валу коробки передач 16.
При нажатии на педаль муфта выключения, перемещаясь вместе с подшипником в сторону маховика, давит через упорный фланец, к которому приклеено фрикционное кольцо, на лепестки диафрагменной пружины. При этом наружная кромка пружины, перемещаясь в обратном направлении, отходит от кольцевого выступа на нажимном диске и через фиксаторы отводит его от ведомого диска, освобождая последний от крутящего момента двигателя.

1 — нажимной диск, 2 —
картер сцепления, 3
— маховик, 4
— рычаг включения сцепления, 5
— ведомый диск, 6, 7—
пружины, 8 —
выжимной, 9 —
муфта выключения сцепления, 10—
ведущий вал коробки передач, 11 - оттяжная пружина,
12 —
вилка выключения сцепления, 13 —
опорная вилка, 14
— кожух сцепления
На автомобилях ГАЗ-24, ВАЗ и ЗАЗ-968 установлено сухое однодисковое сцепление с периферийными нажимными пружинами . К маховику'
привернут кожух пружин 6
и 7. Когда сцепление включено, нажимной диск под действием пружин прижимает к торцовой поверхности маховика, ведомый диск 5, сидящий на шлицах ведущего вала 10
коробки передач. Выключают сцепление отводя муфту 9,
действующую на нажимной диск посредством рычага 4.
К ведомому диску приклепаны фрикционные накладки из материала с большим коэффициентом трения.
Демпферные пружины служат для быстрого гашения крутильных колебаний, передаваемых сцеплению от коленчатого вала двигателя.
Легковые автомобили имеют гидравлический или механический тросовый привод выключения сцепления. Главный цилиндр 2
гидравлического привода выключения сцепления автомобиля ГАЗ-3102 соединен трубопроводом с рабочим цилиндром 10.
Плунжер рабочего цилиндра через толкатель 9
действует на вилку выключения сцепления, взаимосвязанную с нажимным подшипником.
У механического тросового привода выключения сцепления при нажатии на педаль 10
трос воздействует на рычаг 2,
связанный посредством оси с рычагом 11,
который перемещает выжимной подшипник 1.

Гидравлический привод выключения сцепления:
/ — трубопровод, 2
— главный цилиндр, 3
— пружина педали, 4
— пружина муфты [подшипника, 5
— шаровая опора вилки, 6 —
вилка выключения сцепления, 7 — оттяжная [пружина, 8
—-педаль, 9 —
толкатель рабочего цилиндра, 10 —
рабочий цилиндр
Тросовый привод выключения сцепления :
1-выжимной подшипник, 2,9-рычаги, 3-грязезащитный чехол, 4- регулировочная втулка, 5-контрогайка, 6-оболочка троса, 7-перегородка кузова, 8- трос, 10-педаль,11-рычаг выжимного подшипника.
Неисправности Сцепления
СЦЕПЛЕНИЕ
Сцепление
пробуксовывает
Если при движении автомобиля возникает специфический запах (гари) фрикционных накладок сцепления, наблюдаются замедленный разгон автомобиля, снижение скорости или замедленное преодоление подъема, то причиной этого является пробуксовка сцепления, т. е. сцепление не полностью включается. Чтобы окончательно убедиться, пробуксовывает ли сцепление, необходимо при работающем двигателе затянуть рукоятку стояночной тормозной системы до отказа и включить передачу. Затем, плавно нажимая на педаль управления дроссельной заслонки, медленно отпускать педаль сцепления. Если при полностью отпущенной педали сцепления и открытой дроссельной заслонке двигатель останавливается, то сцепление не пробуксовывает, если же двигатель продолжает работать, сцепление пробуксовывает.
Для устранения причин пробуксовки сцепления необходимо прежде всего проверить и при необходимости отрегулировать свободный ход педали сцепления . Если сцепление при нормальном свободном ходе педали по прежнему пробуксовывает, то следует обратиться к специалистам на СТО. В случае, когда нет такой возможности, можно самому устранить причины пробуксовки сцепления . Для этого необходимо отвернуть болты 7 крепления кожуха 5 к
маховику 8,
предварительно сняв коробку передач. Затем снять кожух сцепления в сборе с нажимным диском 6.
При этом освобождается ведомый диск 2
(с фрикционными накладками / и 3)
сцепления. В этом случае следует внешним осмотром тщательно проверить, не замаслены ли функционные
Сцепление автомобиля ВАЗ:
а — детали механической части сцепления;
б — гидравлический привод
выключения сцепления; 1 и 3
— фрикционные накладки; 2 — ведомый диск;
4 —заклёпка
5
— кожух; 6
— нажимный диск; 7—болты;
8
— маховик; 9— подшипник;
10
— бачок; //— шланг; 12
— главный цилиндр привода включения
сцепления; 13
— подводящая трубка;
14
— рабочий цилиндр; 15
— толкатель; 16
— пружина

накладки / и 3
ведомого диска, нет ли увеличенного их износа. Для устранения замасливания фрикционных накладок следует тщательно промыть бензином (керосином) накладки, насухо протереть их и зачистить мелкой шкуркой. Сильно замасленный ведомый диск заменить новым в сборе с фрикционными накладками и устранить также причины замасливания. При износе фрикционных накладок ведомого диска сцепление также пробуксовывает, так как свободный ход педали сцепления уменьшается.
При небольшом износе накладок ведомого диска (накладка полностью изношена, если расстояние между заклепками 4
и рабочими поверхностями меньше 0,2 мм) пробуксовку сцепления можно устранить регулировкой свободного хода, а при большом износе только заменой ведомого диска в сборе с изношенными накладками. Фрикционные накладки следует также заменять при обнаружении на их поверхностях трещин, при их неравномерном износе (односторонних задирах) и прогорании.
Проверку состояния поверхностей трения маховика, кожуха сцепления, нажимного диска целесообразно производить на СТО, так как требуются специальные приспособления и приборы.
Пробуксовка сцепления может возникнуть из-за разбухания резиновых уплотнительных (манжет) колец 5 и резинового кольцевого плавающего клапана 7 поршня 6
главного цилиндра / и засорения компенсационного отверстия 2
или разбухания резиновых уплотнительных колец 12
и 14
рабочего цилиндра 9
привода выключения сцепления.
Причинами разбухания резиновых деталей является применение тормозной жидкости плохого качества или несоответствующего состава или попадание в рабочую жидкость бензина, керосина, минерального

Главный (а) и рабочий (б) цилиндры привода выключения сцепления:
/— корпус главного цилиндра привода включения сцепления; 2—компенсационное отверстие; 3—
резиновый защитный колпачок; 4
и 17 —
стопорные кольца; 5— уплотнительное кольцо; 6— поршень; 7—кольцевой плавающий клапан поршня; 8
и /5— пружины; 9—
корпус рабочего цилиндра привода включения сцепления; 10—
защитный колпачок; И— толкатель; 12
и 14—
резиновые уплотнительные кольца; /3—поршень; 16
— шайба
масла. Для устранения этой неисправности необходимо снять главный и рабочий цилиндры привода сцепления, разобрать их (см. разд. «Сцепление ведет»), промыть всю систему гидропривода спиртом или свежей тормозной жидкостью, заменить поврежденные резиновые детали, очистить компенсационное отверстие мягкой проволокой и заполнить ее тормозной жидкостью соответствующего состава и качества.
Сцепление
«ведет»
При неполном включении сцепления автомобиль -движется рывками, затруднено переключение передач, так как при нажатии на педаль выключения сцепления его диски полностью не расходятся, а ведущий вал коробки передач продолжает вращаться. Распространенным признаком неисправности сцепления является также неполное его выключение, т. е. сцепление «ведет».
Полноту выключения сцепления можно проверить следующим образом. При малой частоте вращения коленчатого вала двигателя выжать педаль сцепления до отказа, и если первая передача включается бесшумно, то сцепление включается полностью. Если же при включении первой передачи слышен сильный шум шестерен и передача не включается или включается с трудом, то сцепление «ведет». При этом следует отрегулировать свободный ход педали сцепления (см. рекомендации в разд. «Регулировки сцепления») . Если свободный ход педали сцепления в пределах нормы, то возможно в систему гидропривода попал воздух или появилась утечка рабочей жидкости. В этом случае необходимо удалить воздух из гидропривода системы в последовательности, указанной ниже.
Затем при нажатой до упора педали сцепления проверить герметичность трубопровода, его соединений и рабочего цилиндра.
При обнаружении подтекания рабочей жидкости подтянуть соединение до устранения утечки, а обнаруженные поврежденные детали гидропривода выключения сцепления заменить. Если при проверке выявлены утечки жидкости из рабочего цилиндра, его необходимо снять с автомобиля, предварительно отвернув два винта крепления его корпуса 14
, подводящую трубку 13,
толкатель 15
и пружину 16
и разобрать. Для разборки рабочего цилиндра с его корпуса 9
следует снять защитный колпачок 10,
толкатель // и поршень 13.
Чтобы заменить поврежденные резиновые детали (уплотнительные кольца 12
и 14),
необходимо также разобрать и поршень 13,
сняв стопорное кольцо 17,
шайбу 16
и пружину 15.
Детали следует тщательно промыть свежей тормозной жидкостью или спиртом.
При отсутствии повреждений зеркала цилиндра и резиновых деталей вновь собрать рабочий цилиндр и проверить, нет ли течи. Если обнаружены повреждения резиновых деталей или имеются раковины и риски на зеркале рабочего цилиндра, следует заменить эти детали и установить рабочий цилиндр на место.
Утечка рабочей жидкости из системы гидропривода сцепления может происходить в результате нарушения герметичности главного цилиндра сцепления, из-за повреждения внутренних уплотнительных колец (манжет), зеркала цилиндров или загрязнения рабочих деталей узла. В этом случае необходимо снять главный цилиндр 12
привода выключения сцепления, отвернув две гайки, крепящие его к кронштейну педалей, и сняв шланг //, соединяющий цилиндр с бачком 10.
Чтобы выявить причину нарушения герметичности главного цилиндра привода выключения сцепления, следует его разобрать в такой последовательности: снять резиновый защитный колпачок 3
(см. рис. 36, а), стопорное кольцо 4,
поршень 6, уплотнительное кольцо 5, кольцевой плавающий клапан поршня 7 и пружину 8.
Тщательно промыть все детали тормозной жидкостью и внимательно осмотреть их состояние. При отсутствии рисок, задиров и раковин на зеркале главного цилиндра, а также при исправных внутренних резиновых кольцах установить цилиндр на место. При необходимости заменить неисправные детали или главный цилиндр в сборе.
Если после проведения описанных работ сцепление по-прежнему «ведет», то вероятными причинами могут быть: неодновременное нажатие подшипника выключения сцепления на рычаги, коробление (перекос) ведомого диска сцепления или заедание ступицы ведомого диска на шлицах ведущего вала коробки передач. Устранять эти неисправности необходимо на СТО.
Резкое включение и шум в сцеплении
Характерным признаком неисправности сцепления является также неплавное его включение. Об этом свидетельствуют рывки и удары в трансмиссии при трогании автомобиля с места, несмотря на плавное отпускание педали сцепления.
Для обнаружения и устранения причин резкого включения сцепления необходимо снять сцепление с автомобиля. При этом проверяют состояние ведомого диска с фрикционными накладками и нажимных пружин и устраняют способами, рассмотренными ранее. Состояние окон под пружинами гасителя крутильных коле баний, рабочих поверхностей маховика и нажимного диска, состояние и взаимное расположение рычагов выключения сцепления и кожуха рекомендуется проверять и устранять регулировкой или ремонтом с заменой изношенных или поломанных деталей на станции технического обслуживания.
Иногда при включении или выключении сцепления слышен шум в сцеплении. Для устранения шума следует проверить и при необходимости восстановить надежность крепления двигателя с коробкой передач. При этом болты крепления коробки передач к двигателю должны быть затянуты до отказа. Шум в сцеплении может быть также следствием заедания или увеличенного износа подшипника 9
выключения сцепления. Обнаруженный неисправный подшипник следует заменить новым. Шум в сцеплении из-за повышенного биения пяты отжимных рычагов, износа деталей гасителя крутильных колебаний и других причин рекомендуется проверять и устранять на СТО.
Сравнительно редко в сцеплении могут возникнуть и такие неисправности, как невозвращение педали сцепления в исходное положение после снятия с нее ноги; увеличение усилия, требуемого для выключения сцепления, дрожание педали в начальный момент выключения сцепления и др.
Эти неисправности возникают из-за поломки или ослабления оттяжной пружины педали сцепления, заедания в шарнирных сочленениях сцепления или его привода, повышенного биения пяты отжимных рычагов.
Устраняются эти неисправности заменой поломанной оттяжной пружины и других изношенных деталей привода сцепления или регулировкой положения пяты отжимных рычагов.
Ремонт сцепления
РЕМОНТ СЦЕПЛЕНИЯ
Перед снятием сцепления с автомобиля делают метки на маховике двигателя и кожухе нажимного диска, что при сборке позволит установить сцепление в прежнее положение, не нарушая заводской балансировки. Чтобы избежать деформации кожуха, болты его крепления к маховику отвертывают постепенно, поочередно ослабляя их и проворачивая маховик двигателя.
Сняв сцепление, необходимо осмотреть поверхности трения маховика и нажимногодиска ,обратив внимание на отсутствие царапин, задиров, забоин и следов износа.Проверить осевое биение маховика, которое не должно превышать 0,2 мм. Проверить коробление нажимного диска и при его наличии прошлифовать рабочую поверхность. Поверхность трения диска после шлифования должна быть плоской, допускаемая вогнутость —• не более 0,08 мм. Выпуклость не допускается, а чистота поверхности должна быть не
ниже 1,6 мкм.
• Для проверки технического состояния ведущей части сцепления
надо установить кожуха сборе с нажимным диском на приспособление с промежуточным кольцом 4
толщиной Н. Это приспособление имитирует маховик с ведомым диском. Закрепив кожух сцепления, выполнить три выключения, прикладывая на лепестки нажимной пружины нагрузку значением не более нагрузки Р
и измерить степень отхода нажимного диска. Перемещению пружины h должен соответствовать ход диска значением не менее величины В
. Измерить расстояние от основания приспособления до плоскости концов лепестков пружины. Оно должно находиться в пределах размера А
(40...43 мм для автомобилей ВАЗ и «Москвич-2141» и 46...49 мм для автомобиля «Москвич-2140») для нового сцепления. В процессе работы сцепления за счет износа дисков сцепления этот размер увеличивается. Если сцепление предельное или если уменьшилось перемещение нажимного диска, то кожух сцепления в сборе с нажимным диском, диафрагменной пружиной и упорным фланцем следует заменить. Дисбаланс по массе вновь установленного комплекта не должен превышать 20 г/см.
• Биение лепестков нажимной пружины,
измеренное на диаметре нажимного кольца, должно быть не более 1,0 мм, а биение рабочей поверхности нажимного диска — не более 0,35 мм.
• На нажимном диске автомобиля ГАЗ-24 «Волга» необходимо отрегулировать рычаги выключения сцепления
(рис. 249), для чего, завертывая или отвёртывая регулировочные сферические гайки опорных вилок, нужно добиться заданного размера (51±0,25) мм с разницей по каждому рычагу не более 0,3 мм. Затем гайки раскер- нить. Разбирать ведомый диск сцепления и заменять его детали, исключая фрикционные накладки, не рекомендуется.
 
Контроль сцепления:
1-нажимная пружина, 2-кожух сцепления, 3-нажимной диск, 4- промежуточное кольцо.
Регулировка рычагов выключения сцепления
Проверяемые параметры зажимного диска сцепления
| Параметр (см. рис. 248) |
Модель базового автомобиля |
| ЗАЗ-1102 |
ВАЗ «Жигули» |
АЗЛК-2140 |
ВАЗ-2108 |
«Москвич-2141» |
| Толщина кольца Н,
мм |
8,2 |
8,2 |
7,35 |
8,3 |
8,2 |
| Нагрузка на пружину, |
1020 |
1350. |
820 |
1350 |
1100 |
| Перемещение лепестков пружины А, мм |
7
'5
|
8,0 |
7,1 |
6,9—7,1 |
8,0 |
Отход диска В
мм, не
менее
|
1,4 |
1,4 |
1,27 |
1,4 |
1,4 |
• При износе или поломке деталей ведомого диска
(исключая износ рабочих поверхностей фрикционных накладок), потере упругости
пружинных пластин, короблении ведомого диска (если его не удается выправить), наличии трещин на пластине демпфера или ведомом диске диск в сборе надо заменить.
• Фрикционные накладки
следует заменять при появлении растрескиваний, задирах и износе более допустимых значений (табл. 40). Заменять накладки необходимо следующим образом: . ~
1. Осторожно, не задев за пружинные пластины диска, высверлить сверлом или выбить пробойником (рис. 250) крепежные заклепки и снять накладки
Замена фрикционных накладок ведомого диска:
1
— оправка, 2
— ведомый диск, 3
— кондуктор
2. Наложить фрикционную накладку на пружинные пластины так, чтобы отверстия в пружинных пластинах, обращенных выпуклой стороной к накладке, совпали с зенкованными отверстиями, и при этом отверстия были обращены наружу большим диаметром.
3. Вставить заклепки так, чтобы их головки располагались снаружной стороны фрикционной накладки, и расклепать их спомощью оправки со стороны пружинных пластин. Рекомендуется приклепку накладок начинать с заклепок, входящих в диаметрально расположенные отверстия.
4. Приклепать аналогичным способом вторую фрикционную накладку. При этом зенкованные отверстия одной накладки должны совпадать с незенкованными отверстиями другой.
5. Проверить после приклепывания обеих фрикционных накладок положение головок заклепок: они должны быть утоплены относительно рабочей поверхности накладки не менее чем на 1,5 мм.
6. Проверить торцовое биение рабочих поверхностей фрикционных накладок относительно шлицевого отверстия ступицы ведомого диска, которое не должно превышать значений, указанных в табл. 40. В противном случае следует выправить соответствующий участок диска с помощью вильчатого рычага.
| Рис. 252. Установка нажимного диска сцепления с кожухом в сборе на маховик двигателя: 1
— нажимной диск с кожухом в сборе |
|
Р и с. 251. Проверка биения и правка ведомого диска
|

| 2-торцовый ключ, 3-оправка, 4- маховик |
|
Основные данные для проверки механизма сцепления
| Параметр |
ЗАЗ-968 |
ЗАЗ-1102 |
ВАЗ
«Жигули»
|
ВАЗ-2108, -2109 |
АЗЛК-2140, ИЖ-412 |
«Москвич-2141» |
ГАЗ-24 |
УАЗ-3151 |
Толщина фрикционных
накладок ведомого диска, мм
|
— |
3,5 ±0,1 |
3,3 ±0,12 |
— |
3,3 |
3,3 |
3,5 |
3,5 |
Допустимое биение ведо-
мого диска, мм
|
.0,6 |
0,3 |
0,5 |
0,5 |
0,6 |
0.5 |
1,0 |
0,7 |
Дисбаланс дисков, Н • см,
не более:
|
| ведомого |
0,16 |
0,15 |
0,1 |
0,22 |
0,22 |
0,1 |
0,18 |
нажимного с кожухом в
сборе*
|
0,2 |
0,2 |
0,2 |
0,1 |
0,1 |
0,25 |
0,36 |
Расстояние от рабочей
поверхности фрикционной
накладки до головок закле-
пок, мм:
|
| номинальное |
1,0 |
1,0 |
1,0 |
— |
1,0 |
1,5 |
1,0 |
1,0 |
| допустимое |
0,2 |
0,2 |
0,2 |
0,2 |
0,2 |
0,2 |
0,2 |
0,3 |
Расстояние от поверхности
маховика до рабочих поверх-
ностей концов рычагов
(пяты), мм
|
52 ±0,37 |
29...31 |
40...43- |
40...43 |
58...58,5
|
З0...35,5 |
51,5 ±0,25 |
51,5 ±0,75 |
Статический дисбаланс ведомого диска
сцепления, который проверяют специальной шлицевой оправкой, установленной на ножи или точные цилиндрические опоры, не должен превышать значений, указанных .
При установке кожуха сцепления с нажимным диском в сборе
на маховик двигателя необходимо предварительно смазать шлицы на ступице тонким слоем смазки ЛСЦ-15, положить ведомый диск в сборе на нажимной диск так, чтобы выступающая часть ведомого диска была обращена к нажимному диску, сцентрировать ведомый диск специальной оправкой относительно коленчатого вала и установить кожух сцепления на маховик (ориентируясь на штифты на маховике при их наличии )

Разборка подшипника выключения сцепления в сборе с кожухом:
1
— отвертка, 2
— подшипник, 3
— кожух подшипника, 4
— волнистая пружина, 5
—фланец; В, С, Е
— смазываемые поверхности, D
—выступы кожуха
Завернуть торцовым ключом. 2
болты крепления кожуха сцепления на один оборот, а затем дотянуть их требуемым моментом силы, заворачивая наодин оборот последователь но каждый болт. После затяжки всех болтов вынуть оправку 3
из ступицы ведомого диска. На автомобиле “Москвич -2141” при выходе из стоя подшипника 2 выключения сцепления и потере упругости волнистой пружины 4
необходимо разобрать подшипник, для чего с помощью отвертки 1
осторожно отогнуть четыре выступа D
кожуха 3
подшипника на угол 90°. Снять фланец 5, подшипник 2
и волнистую пружину 4,
проверить, не ослабла ли волнистая пружина (усилие пружины должно составлять 100 Н при сжатии до высоты 1,5 мм). Проверить, нет ли следов вытекания смазки. Все дефектные детали необходимо заменить.
Вал выключения сцепления
автомобиля «Москвич-2141» необходимо демонтировать с использованием съемника .
Ремонт привода выключения сцепления
как тросового, так и гидравлического сводится к осмотру технического состояния деталей, замене вышедших из строя, проведении регулировочных работ и прокачке гидравлического привода .
Снятие наружного рычага вала выключения сцепления.
1-вал выключения сцепления, 2-наружный рычаг вала, 3-съемник.
Регулировки
сцепления
Регулировка свободного хода педали сцепления.
Показателем исправности привода и механизма сцепления является определенный свободный ход педали сцепления и рычага вилки нажимного подшипника. Свободный ход педали сцепления в миллиметрах, замеренный по центру ее площадки при помощи линейки (рис. 37), должен соответствовать для каждой марки автомобиля данным, приведенным ниже:
34—46
26—38
35—45
4,5—5,5*
32—40
12—28
20—30
25—35
3,5—4,0*
|
ЗАЗ-966 «Запорожец»............................................
ЗАЗ-968 М «Запорожец»........................................
«Москвич-408», -412.........................................
«Москвич-2140», -2138....................................
ГАЗ-21 «Волга»......................................................
ГАЗ-24 «Волга», ГАЗ-24-10 «Волга» ....
ВАЗ-2101 «Жигули», -2103, -2106, -2121 «Нива»
ВАЗ-2105 «Жигули», -2107.............................
ВАЗ-2108 «Жигули»...............................................
* Свободный ход рычага вилки выключения сцепления.
Если свободный ход педали сцепления окажется меньше или больше указанных значений, то требуется его регулировка . Для этого у автомобиля ЗАЗ-968 «Запорожец» необходимо снять оттяжную пружинуи поворачивать рычаг до тех пор, пока подпятник не упрется в пятуотжимных рычагов. При этом ход рычага на конце (около штока рабочего цилиндра) должен быть не менее 5—6 мм, что соответствует зазору между пятой и подпятником 3— 4 мм. Если указанный зазор меньше, то, придерживая ключом шток ,
следует отпустить контргайку и, поворачивая регулировочную гайку ,
установить свободный ход штока рабочего цилиндра / в пределах 5—6 мм, а затем затянуть регулировочную гайку и надеть оттяжную пружину.
Проверка свободного хода педали сцепления автомобилей при помощи линейки.

У автомобилей ВАЗ свободный ход педали сцепления можно проверить следующим простым способом, установив автомобиль на эстакаду или смотровую яму. Для проверки свободного хода педали сцепления необходимо установить большой палец левой руки на толкатель 2
рабочего цилиндра 6,
а указательным оттянуть вилку 3
к большому пальцу, преодолев полностью усилие пружины 1.
Если при этом свободный ход вилки на толкателе будет 4—6 мм, значит регулировка не требуется. При необходимости свободный ход педали сцепления регулируется гайкой 4
толкателя.
Отвернув контргайку 5 при помощи гайки 4,
увеличьте или уменьшите свободный ход толкателя так, чтобы минимальное отклонение вилки 3
выключения сцепления, удерживаемой пружиной /, было равно 4 мм, а максимальное б мм, и заверните контргайку 5.Регулировка свободного хода рычага вилки включения сцепления на автомобиле ВАЗ-2108 «Спутник» обеспечивается изменением положения нижней ветви троса 4
относительно кронштейна 2
. Для регулировки хода рычага вилки необходимо ослабить гайки 3
и установить щуп 6
диаметром 1,5 мм в окошко поводка / троса так, чтобы он расположился между кромкой Б
поводка и гнездом рычага 5
вилки выключения сцепления. Затем следует затянуть гайки 3
до устранения зазоров в приводе выключения сцепления. Потом необходимо вынуть щуп и проверить свободный ход рычага вилки выключения сцепления. Он должен быть 3,5—4,0 мм.
У автомобилей «Москвич-408» и «Москвич-412» при регулировке свободного хода педали сцепления (рис. 41) вначале проверяют свободное качание вилки 6
выключения сцепления при снятой оттяжной пружине 2
по перемещению соединительного пальца 5 в прорези вилки 4.
При нормальном зазоре между подшипником выключения и пятой сцепления, равном 3,3 мм, палец 5 с вилкой 6
при покачивании ее рукой в горизонтальной плоскости должен передвигаться в прорези вилки 4
в пределах 5—6 мм. Если перемещение соединительного пальца меньше 5 мм, то толкающий шток / рабочего цилиндра надо укоротить, а если больше 6 мм, то удлинить. Длину штока / регулируют, ввертывая или вывертывая его резьбовой конец в вилку 4 с
предварительным ослаблением контргайки 3,
которая после регулировки должна быть надежно затянута, а оттяжная пружина 2
поставлена на место. Одновременно с регулировкой свободного хода педали обязательно проверяют ход штока / рабочего цилиндра во время полного нажатия на педаль. Ход штока должен быть не менее 19 мм. Меньший ход не создает полного выключения сцепления автомобиля и, кроме того, указывает на присутствие воздуха в системе гидравлического привода сцепления.

Проверка (а) и регулировка (б) свободного хода педали сцепления автомобиля ВАЗ .

Проверка и регулировка свободного хода рычага вилки выключения сцепления автомобиля ВАЗ-2108 .
Регулировка свободного хода педали сцепления автомобилей «Москвич-408» и -412 .
У автомобиля ГАЗ-24 «Волга» регулировка привода выключения сцепления (рис. 42) заключается в установке свободного хода наружного конца вилки 4
выключения сцепления, равного 3—4 мм. При таком свободном ходе устанавливается зазор 2,5 мм между подшипником 2
муфты 3
выключения сцепления и концами рычагов / выключения сцепления. Уменьшение в процессе эксплуатации свободного хода наружного конца вилки до 1,5 мм свидетельствует о недопустимом уменьшении зазора между концами рычагов и подшипником и о необходимости его регулировки. Регулировка заключается в изменении длины толкателя 6
рабочего цилиндра 8
сцепления при снятой оттяжной пружине 5 вилки и отпущенной контргай-128 ке 7. После регулировки надо установить на место оттяжную пружину и плотно затянуть контргайку. Полный ход наружного конца вилки должен быть не менее 17 мм. Если он (при полном ходе педали сцепления не менее 176 мм) меньше 17 мм, то это указывает на наличие воздуха в системе привода сцепления.
 |
 
Регулировка свободного хода педали выключения сцепления автомобиля ГАЗ-24 «Волга»
а
—механическая часть привода; б
—гидравлическая часть привода
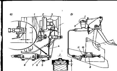
Удаление воздуха из гидропривода сцепления.
Удалять воздух из системы гидропривода сцепления рекомендуется в такой последовательности:
заполнить питательный бачок 9
жидкостью до нормального уровня (10—15 мм ниже верхней кромки); очистить от пыли и грязи клапан выпуска воздуха рабочего цилиндра 8,
снять защитный колпачок // с головки 10
клапана и надеть на головку резиновый шланг из комплекта принадлежностей к автомобилю;
погрузить свободный конец шланга в тормозную жидкость, налитую в стеклянный сосуд вместимостью не менее 0,5 л, заполненный наполовину, и резко нажимать на педаль сцепления 3—4 раза с интервалом 1—2 с и, удерживая педаль в нажатом положении, отвернуть на 1/2—3/4 оборота клапан выпуска воздуха. Под действием давления, созданного в сисеме, часть жидкости и содержащийся в ней воздух в виде пузырьков выйдет через шланг в сосуд с жидкостью;
плавно отпуская и резко нажимая на педаль сцепления, прокачивать систему до полного прекращения выхода из шланга пузырьков воздуха. Во время прокачки следует добавлять тормозную жидкость в питательный бачок, не допуская снижения уровня в нем более чем на 2/3 от нормального уровня;
удерживая педаль в нажатом положении, завернуть до отказа клапан выпуска воздуха, снять с его головки 10
шланг, надеть на головку клапана защитный колпачок //, а также добавить в бачок жидкость до нормального уровня.
Жидкость, выпущенную из системы гидравлического привода сцепления во время прокачки, не заливайте в питательный бачок без тщательного фильтрования и длительного отстоя, так как в ней содержится воздух и грязь.
Следует помнить, что обращаться с тормозной жидкостью нужно осторожно, так как она ядовита. После выполнения работ с тормозной жидкостью необходимо тщательно вымыть руки с мылом.
При правильно прокачанной системе гидравлического привода сцепления обеспечивается безударное включение первой передачи и заднего хода. Если при нажатой до упора педали сцепления имеется ударное включение передач, следует проверить и убедиться в исправности сцепления способом, описанным выше.

Оглавление:
1.История развития автомобилестроения.
2. Устройство сцепления.
3.Неисправности Сцепления .
4. Ремонт сцепления.
Литература
- “Автомобиль в личном пользовании “ (И.М. Юрковский)
- “Всё о легковом автомобиле” ( С.М. Круглов )
- “Устройство , технической обслуживание и ремонт автомобиля “ ( Ю.И. Боровских , и др.)
4.
|