| МИНИСТЕРСТВО ОБРАЗОВАНИЯ РЕСПУБЛИКИ БЕЛАРУСЬ
УЧРЕЖДЕНИЕ ОБРАЗОВАНИЯ
ГОМЕЛЬСКИЙ ГОСУДАРСТВЕННЫЙ ТЕХНИЧЕСКИЙ
УНИВЕРСИТЕТ имени П.О.СУХОГО
Кафедра «Сельскохозяйственные машины»
О Т Ч Е Т
ПО КОНСТРУКТОРСКОЙ ПРАКТИКЕ
ВЫПОЛНИЛА:
РУКОВОДИТЕЛЬ ПРАКТИКИ
от университета:
РУКОВОДИТЕЛЬ ПРАКТИКИ
от предприятия:
ГОМЕЛЬ 2009 г.
Содержание
Введение ………………………………………………………………………
1. Особенности работы РКУП ГСКБ……………………………………
1.1 Краткая характеристика РКУП ГСКБ……………………………...
1.2 Основные задачи и функции ГСКБ………………………………...
1.3 Производственная структура и штат ГСКБ………………………..
1.4 История РКУП ГСКБ…………………………………………
2. Техническое описание КПР-9..……………………….…………..
2.1 Назначение и область применения …………………………………
2.2 Техническая характеристика…………………………………….
2.3 Устройство и работа…………………………………….
2.4 Обоснования принятой технологической схемы………………….
2.5 Новые конструктивные разработки…………………………………
Заключение……………………………………………………………………
Литература…………………………………………………………………….
Введение
В основных направлениях экономического и социального развития Республики Беларусь на 2000-2008 годы предусмотрено, в широких масштабах техническую перестройку производства, которая позволит более полно удовлетворить потребности сельского хозяйства в необходимой высокоэффективной технике. Сельскохозяйственное производство является одной из важнейших отраслей народного хозяйства Республики Беларусь, обеспечивающей повышение материального уровня жизни народа и развитие промышленности.
Повышение производительности труда в сельскохозяйственном производстве непрерывно связано с интенсивным увеличением энергонасыщенности машин. С ростом энергонасыщенности и скоростей машин повышается напряженность работы их систем и агрегатов, поэтому конструкторские и технологические разработки должны быть направлены на повышение надежности сельскохозяйственных орудий труда. Для рационального использования мощностей создают агрегаты , работающие на повышенных скоростях, сельскохозяйственные с активными рабочими органами, с приводом от двигателя трактора, совмещают операции обработки.
Развитие науки о сельскохозяйственных машинах имеет свои особенности, которые заключаются в том, что рабочие органы сельскохозяйственных машин воздействуют на природу: почву, растения, животных. При обработке этих объектов нельзя допускать уменьшения плодородия почвы, урожайности сельскохозяйственных культур, снижения продуктивности животноводства, поэтому наука о сельскохозяйственных машинах базируется на механико-технологических и агробиологических основах. Успешно решается и важнейшая задача унификации и стандартизации сборочных единиц и агрегатов как внутри одного класса машин, так и между классами, благодаря чему снижается себестоимость машин, ускоряется процесс модернизации моделей, увеличивается число модификаций, а также появляется возможность шире использовать специализированные предприятия по изготовлению агрегатов.
Реклама
Пройденная преддипломная практика проходила в ГСКБ по зерноуборочной и кормоуборочной технике ПО «Гомсельмаш» в конструкторском отделе адаптеров (КОА) под началом Барсукова Ю. К.
Целью практики являлось закрепление и развитие расчетных, проектно-конструкторских, исследовательских и экспериментальных знаний и навыков, применение полученных знаний в университете при решении конкретных технических и производственных задач в области сельскохозяйственного машиностроения, непосредственное участие производственной деятельности предприятия с целью адаптации к условиям производства.
За время прохождения практики были изучены: организация работы проектно-конструкторских и производственных подразделений (на примере экспериментального цеха), их взаимосвязь; вопросы планирования и организации проектно-конструкторских работ, изготовление опытных образцов новой сельскохозяйственной техники, их испытаний и методикой обработки полученных результатов, а также собран материал для дипломного проекта.
1 Особенности работы РКУП ГСКБ
1.1 Краткая характеристика РКУП ГСКБ
Республиканское конструкторское унитарное предприятие «ГСКБ по зерноуборочной и кормоуборочной технике», основанное на праве хозяйственного ведения, создано на основании приказа Минживмаша СССР от 10 июля 1987 года № 227. Паспорт предприятия представлен в таблице 1.1.
Таблица 1.1 - Паспорт предприятия
| 1 Отрасль, в которой функционирует предприятие
|
Машиностроение
|
| 2 Наименование предприятия
|
Республиканское конструкторское унитарное предприятие «ГСКБ по зерноуборочной и кормоуборочной технике»
|
| 3 Юридический адрес предприятия
|
246031, г. Гомель, ул. Ефремова, 61
|
| 4 Форма собственности
|
государственная
|
| 5 Дата регистрации предприятия
|
|
| 6 Размер уставного фонда по состоянию на 1.01.02 млн. руб.
Реклама
|
|
| на 1.01.03 млн. руб.
|
|
| 7 Учредители предприятия
|
государство
|
| 8 Распределение уставного фонда предприятия в долях:
|
|
| 8.1 Государства, %
|
100%
|
| 8.2 Субъектов хозяйствования негосударственных форм собственности, %
|
-
|
| 8.3 Иностранных участников, %
|
-
|
| 8.4 Прочих участников, %
|
-
|
| 9 Общества, в которых предприятие является учредителем или акционером
|
-
|

Предприятие передано в собственность Республики Беларусь в соответствии с постановлением Совмина Республики Беларусь от 14 октября 1991 года № 385.
Органом государственного управления предприятием является Министерство промышленности Республики Беларусь.
Предприятие входит в состав производственного объединения «Гомсельмаш».
Предприятие в настоящее время представляет собой крупный научно-технический центр, имеющий коллектив высококвалифицированных специалистов и мощную современную материально-техническую базу для проведения комплекса научно-исследовательских и опытно-конструкторских работ по созданию широкой номенклатуры сложных наукоемких изделий для нужд сельского хозяйства, строительства, коммунального хозяйства, здравоохранения и других отраслей.
РКУП «ГСКБ» является самостоятельной производственной и хозяйственной организацией с правами юридического лица, осуществляющей свою деятельность в интересах РБ и входящих в ее состав структурных подразделений. Предприятие основано на государственной форме собственности. Оно создано для оснащения сельского хозяйства зерноуборочной и кормоуборочной техникой приоритетных направлений:
- кормоуборочных комплексов на базе универсальных энергетических средств;
- кормоуборочных комбайнов с набором адаптеров к действующему парку тракторов;
- прицепных специализированных емкостей к тракторам и универсальным энергетическим средствам;
- шлейфа машин к универсальным энергетическим средствам для проведения дорожно-строительных работ, уборочных, для обработки почвы и другой техники для нужд народного хозяйства, а также для увеличения вклада социально-экономического развития РБ, ГСКБ и обеспечение на этой основе роста благосостояния своего коллектива и его членов.
Предметом основной деятельности ГСКБ является научно-техническая продукция, а также выполнение заказов на договорной основе, платных услуг, ремонтно-строительных работ, осуществление внешнеэкономической, торгово-закупочной деятельности.
Высокий технический уровень разработок обеспечивают современные хорошо оснащенные исследовательские и испытательные лаборатории, комплекс полевых и полигонных испытаний, специализированный цех по выпуску образцов и малых серий разрабатываемых машин.
На основе современной вычислительной техники внедрены информационно-поисковые и измерительно-испытательные системы, а также системы автоматизированного проектирования, инженерных расчетов, технологической подготовки производства опытных образцов новой техники, бухгалтерско-финансового учета, оперативного планирования и контроля за ходом производства в экспериментальном цехе.
Предприятие активно сотрудничает с академическими отраслевыми научно-исследовательскими институтами, вузовской наукой, конструкторскими организациями и предприятиями Беларуси, России, Украины, стран дальнего зарубежья.
При этом основной целью при проектировании, является достижение в результате использования создаваемых машин экономии материальных, энергетических и трудовых ресурсов. Изделия, созданные в РКУП «ГСКБ», отличают хорошее знание потребностей покупателей; они пользуются спросом среди потребителей стран СНГ, находят своих приверженцев в таких странах дальнего зарубежья как Австралия и Аргентина, Чехия и Польша, Китай и Иран и др.
1.2 Основные задачи и функции ГСКБ
Основные задачи и функции РКУП «ГСКБ»:
- проведение научных исследований, создание конструкций новых видов и модернизации машин и оборудования для механизации работ в народном хозяйстве, включая кормоуборочную технику;
- разработка и внедрение автоматизированных систем , методов и средств для создания новой кормоуборочной техники;
- обеспечение исследований по динамике систем и конструкций, материаловедению, триботехнике и трибографике, а также разработка программ для автоматизации этих работ;
- проведение самостоятельно или совместно с институтами поисковых и научно-исследовательских работ по поиску перспективных конструкций и технологических процессов уборки и транспортирования кормовых культур в пределах своей специализации;
- разработка перспективных программ кормоуборочной техники приоритетных направлений;
- конструкторское сопровождение выпуска серийных машин по тематике РКУП «ГСКБ». Обеспечение высокого технического уровня и конкурентоспособности на внешнем рынке новых и модернизированных машин, осуществление рациональной их универсализации, максимальной унификации основных агрегатов, узлов и деталей;
- обеспечение высокого технико-экономического уровня машин, техники безопасности и условий труда механизаторов;
- систематическое повышение качества конструкторских разработок и проводимых научных исследований;
- метрологическое обеспечение конструкторских разработок;
- осуществление- внешнеэкономических связей и научно-технического сотрудничества с зарубежными странами, прием иностранных специалистов, обучение специалистов РКУП «ГСКБ» за рубежом.
Имущество РКУП «ГСКБ» состоит из основных производственных фондов и оборотных средств, материальных, денежных средств, ценных бумаг и иного имущества, которое находится в их полном ведении и отражается в самостоятельном балансе РКУП «ГСКБ».
Свою деятельность ГСКБ осуществляет за счет средств, поступивших на выполнение научно-исследовательских и опытно-конструкторских работ, оказание услуг и реализации готовой продукции по договорам с предприятиями и организациями, средств, поступаемых за счет сдачи в аренду зданий, сооружений, оборудования и иного имущества в виде арендной платы или арендного процента, централизованного фонда РБ на научные разработки.
В целях получения дополнительных ресурсов для проведения научно-исследовательских и опытно-конструкторских работ, технического переоснащения, расширения производства, жилищного строительства РКУП «ГСКБ» выпускает кормоуборочную технику по специальным требованиям заказчика и реализует ее по договорным ценам, получает долгосрочные и краткосрочные кредиты Госбанка и коммерческих банков РБ, предприятий, организаций и юридических лиц.
Основным финансовым источником производственной деятельности коллектива являются средства, полученные от реализации научно-технической продукции, изделий промышленного назначения, товаров народного потребления, различных услуг и других видов деятельности предприятия. Главным обобщающим показателем результатов производственно-хозяйственной деятельности РКУП «ГСКБ» является прибыль. Прибыль, остающаяся после уплаты налогов и других платежей в бюджет, поступает в полное распоряжение предприятия.
В своей деятельности РКУП «ГСКБ» учитывает интересы потребителя и его требования к качеству научно-технической продукции, изделий, услуг и т.д.
1.3 Производственная структура и штат ГСКБ
Производственную структуру РКУП «ГСКБ» представляют: экспериментальное производство, отдел материально- технического снабжения, конструкторско-технический отдел медицинского оборудования.
Организационная структура управления РКУП ГСКБ является линейно-функциональной. Основными обязанностями структурных элементов предприятия является выполнение предписанных функций. Ответственность возложена на начальников структурных элементов.
Достоинства оргструктуры предприятия: эффективность использования ресурсов; развитие профессионализма; более глубокая подготовка решений и планов хорошая координация работ в рамках выполняемой функции.
Недостатки оргструктуры предприятия: замедленный процесс принятия решений; недостаточно четкая ответственность, так как готовящий решение, как правило, в его реализации не участвует; чрезмерно развитая система взаимодействия по вертикали, а именно: подчинение по иерархии управления, т.е. излишняя централизация.
Предприятие возглавляет директор РКУП «ГСКБ».
Заместители директора курируют работу порученных им отделов:
1. Заведующий конструкторским отделом кормоуборочных комбайнов и малогабаритных тракторов - главный конструктор по кормоуборочной технике РКУП «ГСКБ» отвечает за работу отделов, которые разрабатывают комбайны и малогабаритную технику, следит за качественным и надежным выполнением работ, следит за дисциплиной в отделах. Ему подчиняются следующие отделы:
- конструкторский отдел кормоуборочных комбайнов и малогабаритных тракторов;
- конструкторский отдел транспортных средств;
- конструкторский отдел адаптеров.
2. Заместитель директора по опытно-конструкторским разработкам РКУП «ГСКБ». У него в подчинении находятся отделы:
- конструкторский отдел универсальных энергетических средств,
- конструкторский отдел гидропневматических систем, электрооборудования и автоматики,
- конструкторский отдел свеклоуборочных машин,
- отдел технологичности конструкций и стандартизации.
3. Заместитель директора РКУП «ГСКБ» по полевым и полигонным испытаниям. Отделы, находящиеся в его подчинении заняты испытаниями новой техники, надежностью, оценкой технического уровня, технологичностью, контролем выпускаемой техники ГСКБ.
4. Заместитель директора РКУП «ГСКБ» по ремонтно-техническому и хозяйственному обеспечению курирует работу следующих отделов:
- эксплуатационно-технический отдел;
- группа по ремонту и эксплуатации оборудования КОППИ;
- электромеханический участок экспериментального цеха;
- столовая;
- здравпункт;
- группа по благоустройству и хозяйственному обслуживанию.
5. Заместитель директора РКУП «ГСКБ» по экономическим вопросам – главный экономист - возглавляет и координирует работу экономических служб:
- планово-экономический отдел;
- отдел труда, заработной платы и социальных вопросов;
- бухгалтерия;
6. Заместитель директора РКУП «ГСКБ» по научно-исследовательской работе координирует работу следующих отделов:
- конструкторско-исследовательский отдел динамики систем и прочности конструкций;
- конструкторский отдел стендовых испытаний;
- конструкторский отдел доводки машин;
- лаборатория материаловедения и триботехники;
- конструкторско-исследовательский отдел технических измерений.
7. Заместитель директора РКУП «ГСКБ» по общим техническим разра боткам и дилерскому обслуживанию, заместитель главного инженера по общим техническим разработкам и дилерскому обслуживанию – заведующий ООТРР занимается дилерским обслуживанием двигателей фирмы «Детройт-Дизель» установленных на зерноуборочных комбайнах КЗР-10, работающих по всей территории Беларуси; разработкой инструкций по эксплуатации, технических условий, упаковочной документации, плакатов, альбомов по выпускаемым машинам.
8. Конструкторский отдел художественного конструирования занимается художественным оформлением конструкторских разработок, изготовлением макетов конструкторских образцов, дизайном выпускаемой продукции .
9. Отдел международного сотрудничества занимается вопросами маркетинга и внешнеэкономической деятельностью.
10. Отдел по информационной работе и кадрам занимается вопросами подбора кадров на должности, движением и стабильностью кадров.
11. Группа по контролю занимается контролем выпускаемой продукции и опытных и экспериментальных образцов.
12. Бюро патентоведения, рационализации, маркетинга и технико-экономических обоснований занимается вопросами технико-экономическим обоснованием выпускаемой продукции и получением на них патентов.
13. Лаборатория трибофатики.
14. Представитель постоянный в Минске.
1.4 История РКУП ГСКБ
В 1947 году во исполнение Постановления Совета Министров СССР от 30 декабря 1946 г. № 2764 и в соответствии с приказом Министра сельскохозяйственного машиностроения СССР от 24 января 1947г. № 222 на заводе "Гомсельмаш" было организовано специализированные конструкторские бюро по созданию новой сельскохозяйственной техники.
С первых лет деятельности СКБ особое место занимала тематика, связанная с созданием и модернизацией машин, предназначенных для переработки стебельчатых кормовых культур с их измельчением и последующей консервацией и хранением. Было организовано производство: стационарных соломорезок барабанного типа с ручным и конным приводами; механических транспортеров и швырялок для силоса; оборудования для мойки, резки, измельчения, дробления и смешивания кормов; кормозапарники и кормокухни; машин для приготовления, погрузки и внесения органо-минеральных удобрений в почву и т.д.
В 1953г. была разработана конструкция силосоуборочного комбайна модели СК-2,6, модернизация которого позволило выпускать его более 10 лет. К 1955г. парк силосоуборочных комбайнов СК-2,6 в стране составил 200 тыс.штук.
В 1964г. взамен комбайна СК-2,6 был поставлен на производство силосоуборочный комбайн КС-2,6. Всего с 1964г. по 1978г. заводом «Гомсельмаш» было поставлено сельскому хозяйству 355106 комбайнов КС-2,6, из них более 14 тысяч на экспорт.
В 1971-1972 г.г. было освоено серийное производство силосоуборочного комбайна КС-1,8 «Вихрь» и специализированного прицепа-емкости ПСЕ-12,5. В 1974г. комбайну КС-1,8 «Вихрь» был присвоен Государственный Знак качества, а затем трижды переаттестовывался на Высшую категорию качества с присвоением Знака качества. В 9 пятилетке было выпущено 15 тыс. комбайнов. В 1976г. прицепу-емкости ПСЕ-12,5 была установлена высшая категория качества с присвоением Знака качества.
С 1971г. по 1984г. в ГСКБ были разработаны ряд модификаций прицепов-емкостей специальных (ПСЕ-12,5, ПСЕ-Ф-12,5А, ПСЕ-Ф-12,5Б, ПСЕ-15, ПСЕ-20, ПСЕ-30, ПСЕ-40).
В 1976г. впервые в Советском Союзе в ГСКБ был создан и в ПО «Гомсельмаш» начато производство первого отечественного самоходного кормоуборочного комбайна КСК-100 с гидроприводом ведущих колес. В последующие годы были созданы конструкции (1979-1981 гг.) самоходных кормоуборочных комбайнов повышенной проходимости модели КСК-100А-1, комбайнов на гусеничном ходу КСКГ-Ф-70.
Комбайн КСК-100 неоднократно награждался дипломами и медалями на международных выставках. В 1987 г. комбайн претерпел глубокую модернизацию, резко повысившую надежность машины, а за последние годы производством освоены его новые модификации. С 1977 года по настоящее время выпущено более 130 тысяч самоходных комбайнов, которые обеспечили заготовку в странах СНГ более 70 % силоса и сенажа.
С 1987 года в ГСКБ был начат последовательный переход от разработки специальных самоходных машин для уборки кормов к комплексам на базе универсальных энергетических средств (УЭС) сельскохозяйственного, строительного и дорожно-коммунального назначения. В этот период были созданы конструкции семейства универсальных энергетических средств «Полесье-250» со шлейфом машин к ним для уборки зерновых культур – КЗР-10 "Полесье-Ротор", кормов – К-Г-6 и КПР-6, сахарной свеклы – КСН-6 и малогабаритное УЭС «Полесье-30» с набором из 20 машин строительного и дорожно-коммунального назначения, самоходные кормоуборочные комбайны «Полесье-700» и «Полесье-200», прицепной кормоуборочный комбайн КДП-3000, косилка-измельчитель «Полесье-1500», подборщик-погрузчик корнеплодов ППК-6, сеялка пневматическая точного высева СТВ-12, комбайн кормоуборочный «Полесье-1400», прицепная косилка-плющилка КПП-4,2, мини-трактор АМЖК-8 с комплектов адаптеров, самоходные зерноуборочные комбайны КЗС-10, КЗС-7 и др. Кроме этого, ГСКБ разработаны конструкции и серийно выпускаются стоматологические комплексы и газовые отопительные аппараты для индивидуального отопления и горячего водоснабжения, не уступающие современным зарубежным аналогам.
В 1999 г. Указом Президента Республики Беларусь № 295 от 26.05.1999 г. начальнику Головного специализированного конструкторского бюро по комплексу кормоуборочных машин придан статус Генерального конструктора по зерноуборочной и кормоуборочной технике Министерства промышленности РБ.
В 2003 году директором РКУП "ГСКБ по зерноуборочной и кормоуборочной технике" назначен Дюжев Андрей Анисимович.
За это период РКУП "ГСКБ" создало высокопроизводительный кормоуборочный комбайн «Полесье-800» с двигателем мощностью 350-450 л.с., агрегатируемые с тракторами тягового класса 1,4 двухрядные картофелеуборочные комбайны КПК-2, самоходные льноуборочные комбайны КЛС-1,7 "Полесье", КЛС-3,5 "Полесье", косилку-плющилку роторную трехсекционную навесную КПР-9, комбайн зерноуборочный самоходный КЗС-1218 «Полесье», комбайн самоходный кормоуборочный КСК-600 «Полесье».
Продолжая работать на перспективу РКУП «ГСКБ» работает над созданием конструкции комбайнов зерноуборочного КЗ-14 «Полесье» и свеклоуборочного самоходного СКС-624.
В настоящее РКУП "ГСКБ по зерноуборочной и кормоуборочной технике" время представляет собой современный научно-инженерный центр, имеющий коллектив высококвалифицированных специалистов и мощную материально-техническую базу для проведения комплекса научно-исследовательских и опытно-конструкторских работ по созданию широкой номенклатуры сложных наукоемких изделий для нужд сельского хозяйства, строительства, коммунального хозяйства, здравоохранения и других отраслей:
-самоходных монокомбайнов для уборки зерновых и кормовых культур, льна;
-универсальных энергетических средств различной энергонасыщенности;
-комплексов сельскохозяйственных машин и агрегатов на базе универсальных энергетических средств;
-сельскохозяйственных прицепных и навесных машин, агрегатируемых с универсальными тракторами;
Оснащение экспериментального производства системой автоматизированной технологической подготовки производства, современным оборудова нием с числовым программным управлением, высокий профессионализм рабочих, тщательный контроль изготовления и сборки опытной техники обеспечивают самый высокий уровень надежности, безопасности, удобства в работе и обслуживании.
-комплексов машин сельскохозяйственного дорожно-строительного и коммунального назначения на базе малогабаритных универсальных энергетических средств и тракторов;
-отдельных видов медицинского оборудования
ГСКБ располагает самыми современными рабочими местами для компьютерного проектирования и соответствующим программным обеспечением.
На основе современной вычислительной техники в ГСКБ создана единая компьютерная сеть, внедрены информационно-поисковые и измерительно-испытательные системы, а также системы автоматизированного проектирования, инженерных расчетов, технологической подготовки производства экспериментальных образцов новой техники, бухгалтерско-финансового учета, оперативного планирования, контроля и другие.
Начиная с 2004 года организована автоматизированная совместная работа групп разработчиков над единым проектом, при этом результаты работы каждого конструктора отражаются на общей твердотельной модели изделия.
Сборка разработчиками виртуальной машины позволяет избегать ошибок, ранее выявлявшихся лишь при сборке изделия в экспериментальном производстве. Помимо этого, отработан режим передачи твердотельных моделей, несущих рамных конструкций из системы графического моделирования в систему анализа напряженного состояния конструкций методом конечных элементов, что повысило оперативность и точность прочностных расчетов и снизило затраты на доработку конструкций по результатам изготовления опытных образцов в экспериментальном производстве, а также стендовых и полевых испытаний.
Оснащение экспериментального производства системой автоматизированной технологической подготовки производства, современным оборудова нием с числовым программным управлением, высокий профессионализм рабочих, тщательный контроль изготовления и сборки опытной техники обеспечивают самый высокий уровень надежности, безопасности, удобства в работе и обслуживании.
Прежде чем новая машина будет передана в производство, она подвергается интенсивным испытаниям на специальных стендах и в полевых условиях.
Уникальный комплексный стенд для исследований и ускоренных испытаний полнокомплектных машин имеющий в СНГ лишь один аналог, моделирует наиболее тяжелые условия применения техники, т.е. нагрузки и вибрацию, как при самых неблагоприятных условиях эксплуатации, что позволяет определить работоспособность как машины в целом, так и элементов ее конструкции.
Компьютерная обработка данных стендовых испытаний обеспечивает точность и объективность результатов, необходимые для принятия оптимальных решений по отработке конструкции и доводке машин.
Специализированное подразделение полевых и полигонных испытаний (КОППИ) завершает процесс экспериментальной проверки созданной техники. В испытаниях участвуют специалисты конструкторских и исследовательских отделов.
Одним из важнейших факторов обеспечения высокого научно-технического потенциала ГСКБ является регулярная подготовка и повышение образовательного уровня всех конструкторов, испытателей, рабочих. Это позволяет специалистам эффективно использовать все вновь появляющиеся технологии и знания.
Кроме этого на заводе и в местах использования разработанной техники среди изготовителей и потребителей машин специалистами ГСКБ проводятся семинары и лекции.
2.Техническое описание КПР-9.
2.1. Назначение и область применения.
Наименование: косилка-плющилка ротационная навесная трех секционная (далее – косилка). Марка: КПР-9
Структура об
означения марки:
К – косилка; П – плющилка; Р – ротационная;
9 – округленная величина ширины захвата (8,7м), м.
Косилка предназначена для кошения зеленых сеяных и естественных трав с одновременным плющением и укладкой скошенной массы на стерню в три валка.
Она агрегатируется с универсальными энергетическими средствами УЭС-2-250А "Полесье", УЭС-2-280А "Полесье", УЭС-350 "Полесье" и их модификациями. При соответствующей комплектации косилка может агрегатироваться также с тракторами МТЗ 2522В и МТЗ 2822В.
Косилка может быть использована для кошения трав без плющения с укладкой скошенной массы в три валка. Так же может применяться во всех почвенно-климатических зонах, кроме горных районов.
2.2. Техническая характеристика.
Основные параметры и технические данные косилки приведены в таблице 2.
Таблица 2 – Технические данные
| Наименование параметров
|
Значения
|
| 1
|
2
|
| Марка
|
КПР-9
|
| Производительность за 1 ч основного времени, га/ч, не менее
|
7…10
|
| Рабочая скорость движения, км/ч, не более
|
12
|
| Транспортная скорость, км/ч, не более
|
20 (10*
)
|
| Ширина захвата, м
|
8,7-0,2
|
| 1
|
2
|
| Установочная высота среза, мм
|
50; 100
|
| Номинальная потребляемая мощность, кВт
|
160
|
| Номинальная частота вращения вала приема мощности, с-1
|
16,7
|
| Удельный расход топлива, кг/га
|
3,2+1,8
|
| Масса конструкционная, кг
|
3800+100
|
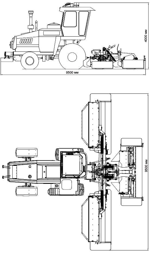
| Габаритные размеры косилки, мм, не более:
- длина
- ширина
- высота
|
3900
9500
1600
|
| Номинальный диаметр по бичам устройства бильного, мм
|
494
|
| Номинальные частоты вращения устройства бильного, с-1
|
12,8; 16
|
| Окружная скорость резания ножа режущего аппарата, м/с
|
80
|
| Номинальный диаметр ротора по ножам режущего аппарата, мм
|
516
|
| Количество обслуживающего персонала, чел.
|
1
|
| Максимальное давление в гидросистеме, МПа
|
20
|
| * Для работы с трактором
|
20
|
 
Габаритные размеры косилки, в транспортном положении
в агрегате с энергосредством

Габаритные размеры косилки, в рабочем положении
в агрегате с энергосредством
2.3. Устройство и работа
Косилка комплектации КПР-9 агрегатируется с универсальными энергетическими средствами УЭС-2-250А, УЭС-2-280А и их модификациями.
Косилка комплектации КПР-9-01 агрегатируется с тракторами Беларус 2522ДВ, Беларус 2822ДВ, Беларус 3022ДВ и их модификациями.
Тракторы Беларус 2522ДВ и Беларус 2822ДВ выпуска 2003-2004 года дооборудовать пневмопереходниками А 29.66.000, установка которых производится специалистами МТЗ по заказу хозяйства.
Схема выполнения технологического процесса косилкой показана на рисунке 2.1.
В процессе движения косилки каждая секция образует свой валок: полог наклоняет стебли, режущий брус 2 срезает растения, установленными на крайние диски конусами производится предварительное сужение потока скошенной массы и подача в зону работы бильного устройства 1. Бильное устройство переламывает и расщепляет стебли растений, и подает массу на валкообразователи секций, укладывающие ее в валок.
При отсутствии необходимости плющения, а также для исключения повышенных потерь при плющении бобовых культур рекомендуется демонтировать бильное устройство 1 и установить комплект сменных валкообразующих щитков.
Привод рабочих органов косилки осуществляется от ВОМ энергосредства или трактора карданным валом на центральный редуктор. Через боковой выходной вал центрального конического редуктора вращение передается карданными валами на конические редуктора и ременные передачи боковых секций косилки. От конических редукторов вращение передается через карданные валы на режущие брусья боковых секций. Ременные передачи производят привод бильных устройств боковых секций косилки.
От переднего выходного вала центрального редуктора карданным валом через переходной редуктор вращение передается одним карданным валом на ременную передачу, приводящую в движение бильное устройство центральной секции, а вторым карданным валом через конический редуктор и вертикальный карданный вал на режущий брус центральной секции.
Кинематическая схема косилки приведена на рисунке 2.2.
Косилка в соответствии с рисунком 2.3 состоит из рамы навески 9 и закрепленных на ней центральной 22 и двух боковых 1 и 19 секций.
Рама навески 9 (рисунок 2.3) представляет собой сварную конструкцию, на которой шарнирно с двух сторон закреплены рычаги 17 и 18 механизмов навески боковых секций 1 и 19 и блоки пружин 5, осуществляющие вывешивание боковых секций при поперечном копировании ими рельефа почвы.
Центральная секция 22 шарнирно закреплена на раме навески 9 при помощи параллелограммного рычажного механизма с установленной на нем автосцепкой 7. Вывешивание центральной секции при продольном копировании рельефа почвы осуществляется пружинами 12, закрепленными на раме навески.
Боковые секции представляют собой зеркальное отражение и каждая из них включает в себя режущий брус 18 (фирма «KUHN», Франция) (рисунок 2.4) с коническим редуктором 8 (фирма «KUHN», Франция), бильное устройство 16 и ременную передачу 12 привода бильного устройства. Валкообразователи 17 производят формирование валка.
На каждой секции установлены деки 15, при помощи которых регулируется степень плющения растительной массы, поступающей на бильное устройство 16.
Центральная секция включает в себя раму навески секции, на которой установлен переходной редуктор 8 (рисунок 2.5), от которого вращение передается карданными валами 10 на редуктор конический 12 и через контрпривод 5 на ременную передачу 30 привода устройства бильного. Центральная секция включает в себя так же, как и боковые: режущий брус 16 (фирма «KUHN», Франция) и устройство бильное 21. Валкообразователи 6 формируют валок. Пружины 18 применяются для уравновешивания секции при поперечном копировании рельефа почвы центральной секцией, а пружина 17 и амортизаторы 20 – при продольном копировании рельефа.

1 – бильное устройство; 2 - режущий брус; 3 – энергосредство
Рисунок 2.1 – Схема технологического процесса укладки валков косилкой 
Рисунок 2.2 - Схема кинематическая принципиальная
Режущий брус (фирма «KUHN», Франция) представляет собой цилиндрический редуктор, выполненный в виде плоского коробчатого корпуса. Сверху взаимно перпендикулярно установлены плоские диски 3 (рисунок 2.6). С каждой стороны по краям установлены диски с конусами 2, позволяющие производить предварительное сужение потока скошенной массы. Снизу к корпусу крепятся полозья 7. Привод режущего бруса осуществляется карданным валом 4 от конического редуктора 1.
Бильное устройство представляет собой вал 1 (рисунок 2.7), с шарнирно закрепленными на нем Y - образными бичами 3, отклонение которых ограничивается резиновыми демпферами 2. Бичи расположены на валу 1 по двум винтовым линиям с разворотом на 1800
и осевым смещением на полшага, чем достигается равномерное перекрытие бичами всей зоны прохода массы.
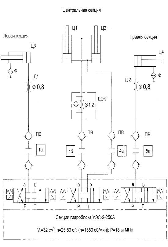
Гидросистема косилки состоит из двух гидроцилиндров Ц1 и Ц2 (рисунок 2.8) механизма подъема центральной секции и двух гидроцилиндров Ц3 и Ц4 перевода боковых секций в транспортное положение.
Гидроцилиндры подъема центральной секции двухстороннего действия, подсоединяются рукавами высокого давления при помощи разрывных полумуфт к гидровыводам [4а] и [4б] на панели энергосредства.

ДОК – дроссель с обратным клапаном; ПВ – полумуфта внутренняя; Ц1, Ц2 – гидроцилиндры подъема центральной секции; Ц3, Ц4 – гидроцилиндры складывания боковых секций; Ф – сапун; Д1, Д2 - дроссели
Рисунок 2.8 – Схема гидравлическая
Гидроцилиндры перевода боковых секций в транспортное положение одностороннего действия подсоединяются рукавами высокого давления при помощи разрывных полумуфт к гидровыводам [1а] и [5а] на панели энергосредства.
2.4 Обоснования принятой технологической схемы
Кошения зеленых сеяных и естественных трав с одновременным плющением и укладкой скошенной массы на стерню в три валка является трудоемкой операцией, на долю которой приходится множество затрат. Кошение может производиться без плющения с укладкой скошенной массы в три волка.
Для погрузки сахарной свеклы из буртов в хозяйствах используется погрузчик-очиститель свеклы ПС-100, который при погрузке производит доочистку корней от земли и растительных остатков.
В процессе движения косилки каждая секция образует свой валок: полог наклоняет стебли, режущий брус 2 срезает растения, установленными на крайние диски конусами производится предварительное сужение потока скошенной массы и подача в зону работы бильного устройства 1. Бильное устройство переламывает и расщепляет стебли растений, и подает массу на валкообразователи секций, укладывающие ее в валок.
2.5 Новые конструктивные разработки
В настоящее время существует проблема, как снизить стоимость выпускаемой техники. Эту проблему можно решить, заменив материал бичей, металл на полимеры. Что позволит снизить массу бильного устройства и стоимость выпускаемой техники.

Заключение
В процессе прохождения практики в ГСКБ по машинам для уборки корнеплодов я получил представление о специальности инженера-конструктора. Ознакомился с требованиями, которые к ним предъявляются.
Практика помогла мне приобрести навыки практической работы по специальностям инженера-конструктора, а также умение обращаться и работать с нормативно-технической документацией, справочными материалами, на вычислительной технике и закрепила теоретические знания, полученные в университете за время обучения.
Литература
1.Теория, конструкция и расчет сельскохозяйственных машин под редакцией Е.С.Босого, М., «Машиностроение», 1978.
2.Карпенко A.M., Халанский В.М. Сельскохозяйственные машины: М., «Колос», 1983.
3.Справочник конструктора сельскохозяйственных машин, т.З, под ред. Клёцкина М.И., М., «Машиностроение», 1968.
4. Гуськов ,,Тракторы и с/х машины, конструирование и расчет” , том№1, 1991.
5. Гуськов ,,Тракторы и с/х машины, конструкции” ,том№2, 1991.
6. Анилович, Водолащенко ,,Коструирование и расчет тормоза”, Мн. 1989г.
|