|
Оборудование для покраски автомобилей
Виды шлифовальных машинок
Шлифовальные машинки подразделяются по характеру осуществляемого ими движения при шлифовании.
Шлифовальные машинки с вращательным движением
Шлифовальная бумага совершает вращательное движение. Башмак машинки круглый. Преимущества: Возможно очень агрессивное шлифование, Идеальна для грубого шлифования. Возможно ускоренное шлифование. Недостатки: Большое нагревание. • Затрудненное шлифование ровных поверхностей. Применение: Удаление старой краски. Подготовка металла под шпатлевание. Удаление ржавчины. 
Шлифовальные машинки с колебательным движением
Шлифовальная бумага совершает колебательные движения. Башмак машинки прямоугольный. Преимущества: • Идеальна для грубых и ровных поверхностей. • Большая площадь шлифования. Недостатки: На закругленных поверхностях неприменима. Возникновение вибрации при неплотном прилегании башмака. Невозможно применение башмака с гибким креплением. Применение: Шлифование ровных поверхностей. Шлифование полиэфирной шпатлевки. 
Шлифовальные машинки с вращательно-колебательным движением
Шлифовальная шкурка совершает вращательные и колебательные движения. Башмак машинки круглый. Преимущества: • Хорошая управляемость при высокой производительности. • Небольшое нагревание. Недостатки: Башмак следует при шлифовании вести параллельно относительно поверхности, иначе остаются глубокие риски. Не подходит для шлифования шпатлевки на ровных поверхностях. Применение: Шлифование слоя краски. Хорошо подходит для окончательной обработки грунта.  Необходимо принимать во внимание следующее: Для грубого шлифования, например, слоя шпатлевки, необходимо применять машинки с ходом 5-10 мм. Для чистового шлифования, шлифования наполнителя или слоя старой краски следует использовать машинки с ходом 3-5 мм.
Высыхание краски
Для быстрого высыхания и отвердения краски необходимо применять соответствующее оборудование. Окрасочно-сушильная камера Она представляет собой комбинацию из окрасочной и сушильной камер. В сушильной камере температура поднимается приблизительно до 60° С путем нагревания воздуха. Такая температура ускоряет протекание химических реакций и испарение содержащихся в слое краски растворителя и разжижителя. Повышение температуры должно осуществляться ступенчато. Это в сушильной камере обеспечивается посредством автоматическом управление.
Забиваем Сайты В ТОП КУВАЛДОЙ - Уникальные возможности от SeoHammer
Каждая ссылка анализируется по трем пакетам оценки: SEO, Трафик и SMM.
SeoHammer делает продвижение сайта прозрачным и простым занятием.
Ссылки, вечные ссылки, статьи, упоминания, пресс-релизы - используйте по максимуму потенциал SeoHammer для продвижения вашего сайта.
Что умеет делать SeoHammer
— Продвижение в один клик, интеллектуальный подбор запросов, покупка самых лучших ссылок с высокой степенью качества у лучших бирж ссылок.
— Регулярная проверка качества ссылок по более чем 100 показателям и ежедневный пересчет показателей качества проекта.
— Все известные форматы ссылок: арендные ссылки, вечные ссылки, публикации (упоминания, мнения, отзывы, статьи, пресс-релизы).
— SeoHammer покажет, где рост или падение, а также запросы, на которые нужно обратить внимание.
SeoHammer еще предоставляет технологию Буст, она ускоряет продвижение в десятки раз,
а первые результаты появляются уже в течение первых 7 дней.
Зарегистрироваться и Начать продвижение
Причина образования пузырей
При слишком быстром повышении температуры высыхает сначала поверхностный слой краски (образование плотной корки). Поэтому пары растворителя не могут выйти в атмосферу. Следствием этого является образование пузырей. После нанесения лакокрасочного покрытия следует подождать примерно 10 минут для того, чтобы летучие фракции растворителя могли выйти в атмосферу. 
Инфракрасная сушильная установка
Процесс сушки при применении инфракрасной сушильной установки происходит посредством теплового излучения, а в сушильной камере посредством подвода тепла (конвекции). Инфракрасное излучение проницает во время облучения Наиболее часто используют инфракрасную сушильную установку при сушке шпатлевки и грунта. Продолжительность паузы между отдельными операциями сокращается; нет необходимости занимать окрасочно-сушильную камеру. Таким образом, эта камера может быть использована исключительно для окончательного окрашивания и сушки (см. также рисунок на стр. 20). Виды излучения инфракрасной сушильной установки Существуют два вида инфракрасных сушильных установок: установки коротковолнового излучения установки средневолнового излучения дух и лакокрасочный слой, не нагревая его. Лишь после того, как оно нагреет стальной лист, тепло передается к слою краски. Преимущества: Процесс высыхания идет изнутри кнаружи. Время высыхания короче, чем при сушке нагретым воздухом. Необходимо учитывать следующее: Следует выдерживать время выдержки на воздухе перед включением инфракрасной сушильной установкой. Следует соблюдать положенное расстояние между сушильной установкой и окрашенной поверхностью.  В коротковолновых установках излучение осуществляется посредством кварцевых трубок. Они излучают волны в видимом спектре и создают красный или оранжевый свет. Необходимая температура достигается в считанные секунды, а охлаждение происходит быстро. Излучение интенсивно, и время сушки поэтому невелико. В средневолновых установках излучение осуществляется посредством керамических пластин. Они излучают волны в невидимом спектре. Они работают, когда излучают тепло. Рабочая температура достигается лишь по истечению нескольких минут, охлаждение требует тоже некоторого времени. Время сушки поэтому больше, чем при использовании коротковолновых установок. Продолжительность сушки при использовании инфракрасных сушильных установок (при расстоянии от установки до окрашиваемой поверхности 80 см) Материал Продолжительность сушки Полиэфирная шпатлевка 2 минуты Напыленная шпатлевка от 2 до 7 минут Водный грунт-наполнитель от 7 до 9 минут Грунт от 3 до 8 минут Лакокрасочное покрытие от 7 до 10 минут 
Сервис онлайн-записи на собственном Telegram-боте
Попробуйте сервис онлайн-записи VisitTime на основе вашего собственного Telegram-бота:
— Разгрузит мастера, специалиста или компанию;
— Позволит гибко управлять расписанием и загрузкой;
— Разошлет оповещения о новых услугах или акциях;
— Позволит принять оплату на карту/кошелек/счет;
— Позволит записываться на групповые и персональные посещения;
— Поможет получить от клиента отзывы о визите к вам;
— Включает в себя сервис чаевых.
Для новых пользователей первый месяц бесплатно.
Зарегистрироваться в сервисе
Компрессоры
Поскольку краска наносится при помощи сжатого воздуха, окрасочный цех должен быть оборудован компрессором, который подает достаточное количество воздуха под требуемым давлением. Компрессор должен быть оборудован влаго- и маслоотделителем. Фильтр и регулировочный манометр Сжатый воздух, подводимый к пневмопистолетам и краскопультам, должен быть очищен от твердых частиц, жира, масел и воды. Частицы размером более 0,01 микрона должны быть задержаны. Давление воздуха следует изменять в зависимости от распыляемого материала. Поэтому должен быть предусмотрен кран с манометром для регулирования давления. Установки для отсоса шлифовальной и грунтовочной пыли Эти установки размещаются в зоне проведения подготовительных, грунтовочных и шлифовальных работ. Они установлены в полу.  
Оборудование и аппаратура
К ручному инструменту, применяемому для удаления ржавчины, окалины, очистки поверхности относятся шпатели-лопатки, стальные скребки, стамески, проволочные щетки. Ручной инструмент мало производителен и работать им тяжело, поэтому на производстве широко применяется механизированный инструмент; в основном всевозможные машинки-аппараты, в которых рабочим органом являются наждачные или карборундовые круги, проволочные щетки и иглофрезы, изготовляемые из высокопрочной проволоки. Машинки бывают прямые с головкой, насаженной непосредственно на вал Двигателя, или угловые, где головка получает движение через зубчатую или ременную передачу.
Угловые машинки удобны для очистки углов, различных выступов и углублений. Механизированный инструмент широко применяется также для шлифования слоев шпатлевки и полирования эмали и лаков. Но в этом случае вместо шлифовальных кругов используются абразивные шкурки или мягкие круги из фетра или войлоков. Машинки-аппараты отличаются сравнительно малым весом и незначительными размерами; иногда они монтируются на тележке или раме.
Оборудование малярного цеха
Современный окрасочный цех должен быть оборудован следующим образом: Шлифовальные машинки Ручные, электрические и пневматические Инструменты для нанесения красок и лаков Краскопульты • Оборудование для смешивания красок Смесительные установки, прибор для просмотра микрофильмов, прецизионные весы, мерная линейка, вискозиметр, посуда для замера вязкости, оборудования для фильтрования красок • Ручной инструмент и дополнительное оборудование Для очистки деталей: полотенца и мягкий обтирочный материал, специальные полотенца для сбора пыли Для очистки краскопультов: специальная установка Для подачи сжатого воздуха: компрессор, фильтр и редуктор Оборудование в местах проведения шлифовальных и грунтовочных работ Зоны пониженного давления • Оборудования для нанесения красок и лаков Окрасочные камеры • Оборудования для сушки Сушильные камеры, инфракрасные установки, сушильные печи 
Оборудования для смешивания красок
Для правильного подбора краски и дозировки отвердителя и разжижителя необходимо следующее оборудование: стеллаж с красками прибор для просмотра микрофильмов прецизионные весы компьютерные весы мерные линейки и аналогичные измерительные приборы Стеллаж для смешивания красок На стеллаже для красок установлены емкости с различными красками. Каждая емкость имеет специальную крышку с мешалкой. При помощи ее краску размешивают и отмеряют нужное количество. При хранении краски имеют склонность к снижению однородности их состава. Поэтому необходимо перед употреблением краску тщательно перемешать для достижения однородного состава. 
Прибор для просмотра микрофильмов
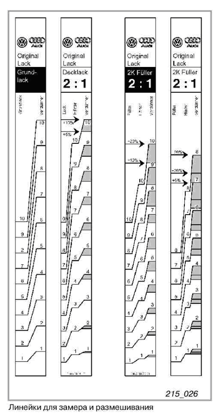
Прибор для просмотра микрофильмов и цветовые шаблоны представляют собой базу данных, в которой находится вся необходимая информация для подбора цвета и смешивания красок. Прецизионные весы Прецизионные весы являются необходимым оборудование для подбора базового цвета, так как обеспечивает точное дозирование смешиваемых красок. Линейки для замера и размешивания С помощью этих линеек можно сравнительно просто замерить необходимое количество ингредиентов при составлении эмалей и наполнителей и смешать их. В зависимости от назначения можно делать различное количество смеси. 
Воронка для определения вязкости
Вязкость краски может быть определена при помощи специальной воронки. Такая измерительная воронка имеет строго определенное по размерам отверстие. Замеряется время, за которое воронка опустошается. Чем больше это время, тем выше вязкость. 
Фильтр для краски
Смешанная краска или наполнитель должны не иметь инородных частиц. Взвеси задерживаются фильтром для краски для того, чтобы не был забит краскопульт и инородные частицы не попали на лакокрасочное покрытие. Такие фильтры установлены в краскопульте и в его бачке. 
Обрабатывающий инструмент
Для шлифования и полирования применяют также аппараты с колодками, совершающими возвратно-поступательные движения. К колодкам прикрепляют либо шлифовальную шкурку, либо подушку из фетра. Машинки-аппараты для зачистки поверхности или шлифования приводятся в движение либо электродвигателем, который монтируется внутри корпуса машинки, либо сжатым воздухом.
Пневматические машинки безопасны в обращении и пожаробезопасны, что особенно важно, так как воздух часто насыщен испарениями краски и растворителей.
Электрический инструмент более экономичен, но работать с ним нужно осторожно во избежание поражения током высокого напряжения. При работе с таким инструментом и высоком напряжении необходимо устанавлвать понижающие трансформаторы.
В большинстве случаев применяются пневматические машинки И-44, ШР-06, ШР-2, ПН-6, ЭП-1099, производительность которых составляет 3—7 м2/ч очищаемой поверхности, а также электрические машинки И-109, И-54 И-38Л и т. д., производительность их от 1,5 до 6 м2/ч с двигателями мощностью от 0,5 до 1 кВт. Для галтовки мелких изделий применяют вращающиеся барабаны, которые мало производительны, очистка в них сопровождается шумом и выделением пыли.
Окрасочные пистолеты
При применении окрасочных пистолетов (краскопультов) можно получить абсолютно ровный слой краски с глянцевой поверхностью. Окрасочный пистолет является главным инструментом при окончательном окрашивании. Регулярный уход за пистолетом, мойка и очистка его после каждого окрашивания и бережное обращение с ним являются непременным условием качественного окрашивания. Действие окрасочного пистолета Под действием потока воздуха вследствие специальной конструкции пистолета краска поступает из бачка (принцип Вентури) и затем распыляется из распылителя. Если бачок расположен над пистолетом, то тогда пистолет со сливом краски из бачка, если под пистолетом — пистолет с подсосом краски из бачка. При поджатии курка пистолета до первого фиксированного положения открывается только проход сжатого воздуха. Если курок поджат больше, сдвигается игла распылителя и краска увлекается потоком воздуха с высокой скоростью. Благодаря этому возникает конус распыла, состоящий из микрокапель краски. Величину капель определяет давление воздуха: выше давление = капли меньше;
ниже давление = капли больше.

Окрашивание краскопультом
Получение хорошего качества лакокрасочного покрытия без дефектов зависит от многих факторов. К ним, среди прочих, относятся: состав краски используемый разжижитель температура окружающего воздуха качество поверхности под окраску протекание процесса испарения растворителя Испарение растворителя (летучие фракции) Скорость испарения растворителя является решающим фактором для образования слоя краски. Если растворитель испаряется слишком быстро, слой краски разглаживается недостаточно. Образуется шагреневая поверхность слоя. Если необходимо длительное время для испарения растворителя, краска расслаивается. Образуются подтеки и натеки. Использованием разжижителя (разбавителя) в требуемой пропорции достигается согласование кривой испарения с температурой, при которой происходит окрашивание. Различные температуры окрашивания требуют различных разжижителей. При высокой температуре применяется разжижитель, которой замедляет процесс испарения. При пониженной температуре используют разжижитель, ускоряющий этот процесс. 
Пескоструйные и дробеструйные установки
Дробеструйные установки бывают различных типов: стационарные и передвижные, одно-, двух- и трехкамерные, конвейерные; они предназначаются для очистки от окалины, ржавчины, старой краски, отливок, поковок, изделий различных габаритных размеров. Дробеструйная беспыльная установка, смонтированная на колесах. Установка состоит из рабочей головки, сепаратора и воздухоочистительного резервуара.
Под действием сжатого воздуха дробь, металлический песок или абразив по шлангу подается к рабочей головке и затем на обрабатываемую поверхность. Немедленно после очистки дробь всасывается вакуумным насосом и возвращается по внешнему каналу головки в сепаратор, где отделяется от пыли, проходит воздушную очистку и возвращается в рабочую головку для повторного использования.
Воздух по шлангу направляется в воздухоочистительный резервуар, где воздух очищается от пыли с помощью тканевого фильтра. Очищенный воздух выбрасывается наружу, а пыль собирается в резервуар, который периодически очищается.
Для удаления пыли с очищаемой поверхности вместо обдувки сжатым воздухом иногда используют промышлленный пылесос ПП-3. Применение пылесоса особенно рекомендуется при окраске точных приборов прецизионных станков и т. д.
Дробеметная установка для очистки поверхности стального и чугунного литья. Конвейер изделиями движется через камеру, оборудованную дробеметами — вращающимися дисками с радиальными лопатками. Равномерная очистка поверхности изделия обеспечивается подвесками, вращающимися вокруг вертикальной оси. Для очистки дроби от загрязнений служит сепараторное устройство.
Гидропескоструйная камор предназначенная для очистки небольших деталей < ржавчины, окалины и формовочной земли.
Изделия расположены во вращающемся барабане; суспензия, состоящая из песка и воды, подается из бункера — смесителя под давлением сжатого воздуха. После очистки в барабане необходимо просушить детали для удаления остатков влаги.
Пневматические и электрические шлифовальные машинки
Применяется пневмо и электропривод. Каждый привод имеет свои преимущества и недостатки. В большинстве случаев предпочтителен пневмопривод. Основные качества шлифовальных машин, определяемые видом привода: С пневмоприводом Возможность регулирования скорости действия. Малый вес. Отсутствие нагревания при длительной работе. Необходимо наличие системы подачи сжатого воздуха. С электроприводом Невозможность регулирования скорости действия. Большой вес. Нагревание при длительной работе. Нет необходимости в специальном цеховом оборудовании. Необходимость соблюдения мер безопасности при работе с электроинструментом. 
Пневмопистолет
Пневмопистолет подключен к системе подачи сжатого воздуха. При помощи этого пистолета удаляют основную часть отходов шлифования с сухой отшлифованной поверхности. На конце пневмопистолета установлено мультираспылитель. Благодаря специальной конструкции такого распылителя достигается утроенная подача воздуха на поверхность при постоянном расходе сжатого воздуха вследствие использования эффекта подсоса воздуха. Пылеудалительные салфетки Такие салфетки особенно хорошо удаляют пыль с поверхности, так как они пропитаны клейкой смолой. Очистка поверхности при помощи таких салфеток производится непосредственно перед окрашиванием. Установка для мойки краскопультов Краскопульты, шпатели, распылители, линейки и т. п. очищаются с использованием универсальных чистящих средств или растворителей. Установка для мойки краскопультов представляет собой герметичную камеру. В эту камеру помещают загрязненный инструмент и оборудование. После закрытия дверцы включается насос с пневмоприводом, которые подает растворитель внутрь камеры. После истечения определенного времени или при открытии дверцы насос отключается. 
Устройство окрасочной камеры
Осуществление окраски в окрасочной камере является непременным условием получения высококачественного лакокрасочного покрытия. Для нормальной работы окрасочной камеры и получения высококачественного лакокрасочного покрытия обязательно регулярное проведение работ по техническому обслуживанию и уходу за камерой. Окрасочная камера представляет собой закрытое помещение, в которое помещают автомобиль или панель кузова для окрашивания. В камере предусмотрена вертикальная, сверху вниз, циркуляция воздуха, которая отводит распыленную в воздухе краску. Воздух, нагретый до соответствующей температуры, сверху через фильтровальную потолочную крышку поступает в камеру, Воздух обтекает автомобиль или кузовную деталь и отсасывается в зоне размещения ног, далее проходя через фильтр, задерживающий краску. Потолочный и нижний фильтры следует заменять с периодичностью в зависимости от длительности работы окрасочной камеры. Во избежание попадания краски в атмосферу отсасываемый воздух проход через фильтры с активированным углем. Эти фильтры также следует заменять с периодичностью в зависимости от длительности работы окрасочной камеры. Работы по техническому обслуживания и уходу за окрасочной камерой включают в себя: смену фильтров, очистку стен и светильников, обслуживание электродвигателей, нагревателей и прочего встроенного оборудования. Количество подаваемого в камеру воздуха несколько больше, чем количество отсасываемого воздуха. Поэтому в камере несколько повышенное давление, которое постоянно поддерживается на одном уровне вследствие утечки воздуха через неплотности и щели в дверном проеме. Если бы не было этого повышенного давления, то нефильтрованный наружный воздух мог поступать в камеру, что негативно отражалось бы на качестве лакокрасочного покрытия. На скосах боковых стенок камеры, а по возможности и по бокам ее расположены светильники, которые дают равномерное освещение по всему периметру камеры. Чаще всего используются комбинированные окрасочно-сушильные камеры с расположенной сбоку сушильной камерой. Чисто окрасочные или сушильные камеры менее производительны, поэтому их применяют при небольших объемах работ. 
Шлифовальный инструмент
Применение шлифовальной шкурки
Шлифование шкуркой в форме диска или прямоугольных полотен редко осуществляется голой рукой. Шкурка крепится к шлифовальному инструменту. К ручному шлифовальному инструменту относятся бруски и рубанки. Они применяются при небольших поверхностях под шлифование или окончательного шлифования. Механические шлифовальные машинки имеют пневмо- или электропривод. Шлифовальные шкурки в виде дисков и прямоугольных полотен крепится следующим образом: зажимами креплением фальцами удерживается рукой самопристающей обратной стороной бумаги системой прихвата. Поскольку шлифовальная машинка совершает движения шлифования, шкурка должна быть надежно соединена с подвижным башмаком. Для этого лучшим решением является применение различных самопристающих покрытий и прижимных систем. Форма подвижных башмаков шлифовальных машинок определяется их назначением. Жестко закрепленный башмак не следует профилю поверхности, кроме того он оставляет характерный рисунок. Он применяется на ровных поверхностях. Гибко закрепленный башмак следует профилю поверхности. Его применяют для окончательной обработки поверхностей (например, при шлифовании грунта перед нанесением краски). 
Подъемник ножничный
 
- Электрогидравлический привод
- Два гидроцилиндра
- Отсутствие механических соединений между платформами
- Самосмазываемые подшипники скольжения
- Гидростанция интегрирована в пульт управления
- Все управление осуществляется кнопками
- Пневматическая система стопорных механизмов
- Гидравлическая синхронизация платформ Master-slave-system
- Система аварийной остановки при попадании предметов под подъёмник
- Управление фото-датчиками
|