Содержание
1. Назначение, краткая характеристика вертолёта Ми-8Т
2. Общие сведения о топливной системе вертолёта Ми-8Т
3. Основные технические данные топливной системы
4. Назначение и размещение агрегатов топливной системы
5. Приборы контроля и арматура управления
6. Эксплуатация топливной системы
7. Расчёт потребного количества топлива
8. Заправка вертолёта топливом
9. Аварийные случаи полёта из-за отказов в топливной системе
Используемая литература
1. Назначение, краткая характеристика вертолёта Ми-8Т
Общие сведения
Вертолёт Ми-8Т предназначен для перевозки пассажиров, багажа, грузов и почты в труднодоступной местности, а также для проведения специальных авиационных работ в различных отраслях народного хозяйства.
По весовой категории вертолёт Ми-8Т относится к вертолётам 1 класса.
Вертолёт спроектирован по одновинтовой схеме с пятилопастным несущим и трёхлопастным рулевым винтами. На вертолёте установлены два турбовинтовых двигателя ТВ2-117АГ со взлётной мощностью 110 кВт каждый, что обеспечивает возможность посадки вертолёта при отказе одного из двигателей.
Вертолёт Ми-8Т предназначен для перевозки грузов массой до 4000 кг или 22 (24) служебных пассажиров. При необходимости переоборудуется в санитарный, перегоночный варианты и вариант с внешней подвеской грузов.
Вертолёт в санитарном варианте может перевозить 12 лежачих больных и сопровождающего мед. работника.
Вертолёт с внешней подвеской грузов перевозит крупногабаритные грузы массой до 3000 кг вне фюзеляжа.
Перегоночный вариант вертолёта необходим для выполнения полётов с увеличенной дальностью (от 620 до 1035 км), в этом случае в грузовую кабину вертолёта за счёт коммерческой нагрузки устанавливают один или два дополнительных топливных бака.
Существующие варианты вертолёта снабжены электролебёдкой, позволяющей с помощью бортовой стрелы поднимать (опускать) на борт вертолёта грузы массой до 150 кг, а также при наличии полиспаста затягивать в грузовую кабину грузы массой до 2600 кг.
Экипаж вертолёта состоит из двух пилотов и бортмеханика.
Лётные данные
Масса вертолёта:
Пустого 7 000 кг ± 0,5%
нормальная взлётная 11 100 кг
максимальная взлётная 12 000 кг
Скорость полёта:
максимальная при нормальной взлётной массе 250 км/ч
Забиваем Сайты В ТОП КУВАЛДОЙ - Уникальные возможности от SeoHammer
Каждая ссылка анализируется по трем пакетам оценки: SEO, Трафик и SMM.
SeoHammer делает продвижение сайта прозрачным и простым занятием.
Ссылки, вечные ссылки, статьи, упоминания, пресс-релизы - используйте по максимуму потенциал SeoHammer для продвижения вашего сайта.
Что умеет делать SeoHammer
— Продвижение в один клик, интеллектуальный подбор запросов, покупка самых лучших ссылок с высокой степенью качества у лучших бирж ссылок.
— Регулярная проверка качества ссылок по более чем 100 показателям и ежедневный пересчет показателей качества проекта.
— Все известные форматы ссылок: арендные ссылки, вечные ссылки, публикации (упоминания, мнения, отзывы, статьи, пресс-релизы).
— SeoHammer покажет, где рост или падение, а также запросы, на которые нужно обратить внимание.
SeoHammer еще предоставляет технологию Буст, она ускоряет продвижение в десятки раз,
а первые результаты появляются уже в течение первых 7 дней.
Зарегистрироваться и Начать продвижение
максимальная при максимальной взлётной массе 230 км/ч
минимальная при горизонтальном полёте 60 км/ч
крейсерская на высоте 500 метров 220 км/ч
экономическая 120 км/ч
Дальность полёта:
с заправкой 2160 кг 620 км
с заправкой 3445 кг 1 035 км
Высота полёта до 6 000 м
Топливная система предназначена для размещения необходимого количества топлива на борту вертолёта и бесперебойной подачи его к насосам регуляторам двигателей на всех режимах и высотах, а также для подачи топлива в керосиновый обогреватель КО-50.
Топливо на вертолёте размещается в расходном и двух основных подвесных баках. Расходный бак установлен в верхней части фюзеляжа за редукторным отсеком, а подвесные топливные баки крепятся с помощью трёх или четырёх стальных лент снаружи у бортов фюзеляжа.
Подвесные баки связаны между собой соединительными трубопроводами с перекрывными кранами, расположенными под полом кабины.
Для увеличения дальности и продолжительности полёта на вертолёт могут быть установлены в кабине центральной части фюзеляжа один или два дополнительных топливных бака. Они подключаются в общую топливную систему питания двигателей.
Подача топлива к двигателям производится из расходного бака двумя подкачивающими насосами ЭЦН-40. Из подвесных топливных баков топливо перекачивается в расходный бак насосами ЭЦН-75, по одному насосу в каждом баке. При установке на вертолёт двух дополнительных баков они соединяются между собой общим трубопроводом с перепускным краном.
Трубопровод от патрубка перепускного крана подсоединяется к переднему соединительному трубопроводу подвесных баков между двумя перекрывными кранами, расположенными в грузовом полу между шп. № 6 и 7 центральной части фюзеляжа. Из расходного бака топливо через перекрывные краны, фильтры тонкой и грубой очистки с помощью двух насосов ЭЦН-40, работающих одновременно подаётся в двигатели.
Принцип работы
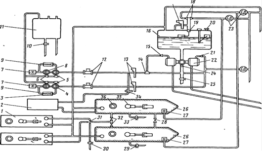
Подача топлива к двигателям осуществляется из расходного топливного бака 16 подкачивающими центробежными насосами ЭНЦ-40 (22). Насосы забирают топливо из бака и под давлением 0,4 - 1,2 кгс/см2
подают его в магистраль питания двигателей через обратные клапаны 15 и 21, открытые пожарные краны 13 в блоки фильтров 9. Из фильтров топливо, очищенное от механических примесей, подается к насосам-регуляторам НР-40ВГ 7 двигателей. В случае засорения фильтра тонкой очистки топливо, пройдя фильтр грубой очистки, через перепускной клапан 3 блока фильтров поступает к насосу-регулятору НР-40ВГ без тонкой фильтрации.
Сервис онлайн-записи на собственном Telegram-боте
Попробуйте сервис онлайн-записи VisitTime на основе вашего собственного Telegram-бота:
— Разгрузит мастера, специалиста или компанию;
— Позволит гибко управлять расписанием и загрузкой;
— Разошлет оповещения о новых услугах или акциях;
— Позволит принять оплату на карту/кошелек/счет;
— Позволит записываться на групповые и персональные посещения;
— Поможет получить от клиента отзывы о визите к вам;
— Включает в себя сервис чаевых.
Для новых пользователей первый месяц бесплатно.
Зарегистрироваться в сервисе
Для непрерывной подачи топлива в магистрали питания двигателей подкачивающие насосы ЭЦН-40 (22) закольцованы, а установленные обратные клапаны 15 и 21 после насосов при отказе любого из них блокируют отказавший насос, и топливо от одного работающего насоса подается в магистрали обоих двигателей. При отказе обоих насосов топливо в результате подсоса, создаваемого насосами-регуляторами двигателей, через обратный клапан 24 поступает к двигателям.Расходный бак по мере выработки топлива автоматически пополняется из подвесных баков центробежными насосами эцн-75б (27). насосы установлены в подвесных баках и подают топливо по трубопроводам через обратные клапаны 18и поплавковый клапан уровня 19,который предохраняет расходный бак от переполнения. на случай заедания поплавкового клапана уровня в закрытом положении в топливной системе предусмотрена магистраль перепуска топлива, которая соединяет полость корпуса обратных клапанов с расходным баком, минуя поплавковый клапан уровня. в магистрали перепуска установлен электрический перекрывной кран 17,
управляемый из кабины экипажа, открытие и закрытие которого производится выключателем с трафаретом перепуск топлива, установленным на правой приборной доске над красным табло осталось топлива 270 л. перепуск топлива происходит при преждевременном включении этого табло и при наличии достаточного количества топлива в баках по топливомеру.
При включении крана перепуска контролируется количество топлива по топливомеру в расходном баке. Выключение крана перепуска топлива производится после заполнения расходного бака топливом не более чем на 420 л.
Подвесные баки 26соединены между собой двумя трубопроводами, что обеспечивает равномерную выработку топлива из левого и правого баков, а также полную выработку топлива из подвесных баков при отказе одного из насосов ЭЦН-75Б. Блокировка отказавшего насоса обеспечивается обратными клапанами 18,которые установлены в корпусе в месте подсоединения трубопроводов от насосов ЭЦН-75Б. Расположение насосов в противоположной стороне подвесных топливных баков позволяет обеспечивать поступление топлива в расходный бак при различных эволюциях вертолета.
Подача топлива в керосиновый обогреватель КО-50 (2)
осуществляется от магистрали питания правого двигателя. Трубопровод КО-50 подсоединяется к угольнику после пожарного крана. В его магистрали установлен перекрывной электромагнитный клапан 610200А (34).
3. Основные технические данные
топливной системы
Применяемое топливо Т-1, ТС-1, РТ
Вместимость топливных баков:
Расходный 445 л
Левый подвесной 1140 (745) л
Правый подвесной 1030 (680) л
Дополнительный 915 л
Производительность насосов:
Подкачивающие ЭЦН-40 (ПЦР-1Ш) 2100 л/ч
Перекачивающие ЭЦН-75 750 л/ч
Давление топлива за насосами:
Подкачивающие ЭЦН-40 (ПЦР-1Ш) 0,8 кг/см2
Перекачивающие ЭЦН-75 0,4 кг/см2
Давление топлива перед форсунками 16-60 кг/см2
Погрешность топливомера (t= 20°Cи U= 27 В) ± 5 %
Загорание табло "Осталось топлива 270 л 270 л ± 3 %
Расход топлива на 2 двигателя для транспортных полётов 580 кг/ч
топливная система вертолет аварийный

Принципиальная схема топливной системы:
1 - дополнительные топливные баки; 2 - керосиновый обогреватель КО-50; 3 - перепускной клапан блока фильтров; 4 - фильтр грубой очистки; 5, 6, 25, 29, 30, 33 - сливные краны; 7 - насосы НР-40ВГ; 8 - фильтр тонкой очистки; 9 - блоки фильтров; 10 - сливной кран дренажного бачка; 11 - дренажный бачок; 12 - клапаны консервации; 13 - пожарные краны; 14 - магистраль питания правого двигателя; 15, 18, 21, 24 - обратные клапаны; 16 - расходный топливный бак; 17 - перекрывной кран 768600МА магистрали перепуска топлива; 19 - поплавковый клапан; 20, 36 - заливные горловины; 22 - подкачивающие насосы ЭЦН-40; 23 - сигнализаторы давления СД-29А; 26 - подвесные топливные баки; 27 - перекачивающие насосы ЭЦН-75; 28, 31, 32 - перекрывные топливные краны; 34 - перекрывной электромагнитный кран 610200А.

Расходный бак
Расходный бак предназначен для размещения в себе топлива объёмом до 445 литров. Также, в расходный бак из других баков перекачивается топливо для дальнейшей его подачи к двигателям и к обогревателю.
Расходный бак устанавливают в верхней части фюзеляжа за редукторным отсеком в специальном контейнере.

Поплавковый клапан уровня
Предназначен для предохранения от переполнения расходного топливного бака.
Клапан устанавливают внутри расходного бака на его верхней плите.
Подвесные топливные баки
Предназначены для размещения в себе топлива объёмом:
Левый - 745 л; Левый увеличенный - 1140 л;
Правый - 680 л; Правый увеличенный - 1030 л.
Также, из дополнительных баков топливо самотёком поступает в подвесные баки, а затем перекачивается в расходный бак.
Подвесные топливные баки установлены снаружи у бортов фюзеляжа. Каждый бак крепят к фюзеляжу тремя (четырьмя) стальными лентами, которые в свою очередь - к специальным штампованным кронштейнам.

Дополнительный топливный бак
Предназначен для размещения в себе топлива объёмом 915 литров.
Дополнительные баки устанавливают в транспортную кабину на ложементы и закрепляют двумя стальными лентами, которые стянуты тандерами. Дополнительные баки подключены в общую топливную систему вертолета с помощью четырёх - позиционного крана. При необходимости установки одного дополнительного бака его размещают на левом борту грузовой кабины.
Подкачивающий насос ЭЦН-40
Центробежного типа, предназначен для подачи топлива из расходного бака к насосам-регуляторам НР-40ВГ.
В топливной системе вертолета установлены два параллельно работающих насоса ЭЦН-40, находящиеся под расходным баком, включение и выключение которых выполняют одним переключателем, расположенным на левой панели верхнего электропульта. Там же находится табло РАСХОДНЫЙ БАК с зеленым светофильтром, лампочка которого включается сигнализатором давления СД-29А при работающих насосах ЭЦН-40.
Установка двух параллельно работающих насосов значительно повышает надежность работы топливной системы вертолета в целом.
Насос конструктивно выполнен вместе с электродвигателем, питание которого осуществляется от бортовой сети постоянного тока. Производительность насоса при давлении топлива на выходе не менее 0,8 кг/см2
составляет 2100 л/ч.
Перекачивающий насос ЭЦН-75.
Предназначены для перекачки топлива из подвесных топливных баков в расходный бак.
В каждом подвесном баке установлено по одному перекачивающему насосу.
Насос в баке устанавливают в специальном монтажном устройстве, предотвращающем попадание топлива в электродвигатель насоса.
Он выполнен совместно с электродвигателем, питающимся от бортсети постоянного тока.
Электродвигатель насоса в монтажном устройстве продувается воздухом для охлаждения и удаления паров топлива.
 
Слева – ЭЦН-40; Справа – ЭЦН-75.
Производительность насоса при давлении топлива на выходе не менее 0,4 кгс/см2
составляет 750 л/мин.Пожарные краны
Устанавливают в магистралях подачи топлива из расходного бака к блокам фильтров. Они предназначены для перекрытия подачи топлива в двигатели в аварийных случаях и на стоянке. В качестве пожарных кранов на вертолёте используют электрические перекрывные краны 768600МА.
Пожарные краны устанавливают в редукторном отсеке у шпангоута № 9 на потолочной панели фюзеляжа.
Для включения и выключения кранов на средней панели верхнего электропульта расположены два переключателя. Под переключателями два световых табло, которые загораются при закрытых кранах. Время открытия крана составляет не более 3 с.
Блок фильтров
Обеспечивает фильтрацию топлива, поступающего в насосы-регуляторы НР-40.
Блоки фильтров установлены в горизонтальном положении в отсеках двигателей на потолочной панели фюзеляжа между шпангоутами № 3 и 4.
Дренажный бачок
В дренажный бачок сливается топливо с блока фильтров, а также несгоревшее топливо от обогревателя КО-50.
Дренажный бачок установлен на левом борту вертолёта между шпангоутами № 4 и 5 центральной части фюзеляжа.
Для подхода к дренажному бачку со стороны грузовой кабины между шпангоутами № 4 и 5 предусмотрен люк. Снаружи между шпангоутами № 4 и 5 выполнен лючок для подхода к сливному крану дренажного бачка.
Перекрывные краны 633600А
Установленные в магистралях, сообщающих подвесные топливные баки, используются для раздельного слива топлива из подвесных и дополнительных баков, а также при заправке баков топливом.
Перекрывные краны устанавливают внутри панели грузового пола: два передних между шпангоутами № 6 и 7, задний - между № 10 и 11. 
Слева – перекрывные краны 768600МА; Справа – Дренажный бачок.
Электрический перекрывной кран
Электрический перекрывной кран установлен в магистрали перепуска топлива из подвесных топливных баков в расходный. Он укреплен на кронштейне к плите расходного бака. По устройству кран аналогичен пожарному крану 768600МА.
Открытие и закрытие крана производятся выключателем с трафаретом ПЕРЕПУСК ТОПЛИВА, установленным на правой приборной доске.
Сливные краны 601100М
Обеспечивают слив топлива из всех баков топливной системы.
Кран слива из расходного бака расположен в люке между шпангоутами № 12 и 13 справа по полету. Люк закрывается крышкой с нажимным замком. Краны слива из подвесных баков укреплены непосредственно на нижней части подвесных баков. Кран слива из дополнительных баков установлен в люке между шпангоутами № 3 и 4 слева по полету.

Четырёхпозиционный кран
Предназначен для подключения двух дополнительных баков к топливной системе вертолёта. Кран установлен под полом кабины центральной части фюзеляжа между шпангоутами № 6 и 7.
Кран имеет четыре положения: "ЗАКРЫТО", "ПРАВЫЙ ОТКРЫТ", "ЛЕВЫЙ ОТКРЫТ" и "ОБА ДОПОЛНИТЕЛЬНЫХ ОТКРЫТЫ". Кран обеспечивает одновременную и раздельную выработку топлива из дополнительных баков, раздельную заправку и слив топлива.
Обратные клапаны
Предназначены для перепуска топлива в одном направлении. В топливной системе установлено пять обратных клапанов.
Трубопроводы
Трубопроводы топливной системы изготовлены из алюминиевого сплава АМгМ, за исключением отдельных участков, где применены гибкие шланги. Соединение трубопроводов с агрегатами топливной системы - ниппельное. При помощи дюритовых муфт и стяжных хомутов трубопроводы соединены с перекрывными кранами, с топливными насосами ЭЦН-40 и сливными кранами блоков фильтров. Дополнительные топливные баки подключены к системе гибкими рукавами.
На правой приборной доске:
Топливомер СКЭС-2027В - служит для дистанционного измерения запаса топлива в баках и для сигнализации критического остатка топлива (270 литров) в расходном баке. В комплект входит переключатель П-8УК.

Два трёхстрелочных индикатора ЭМИ-3РИ - по верхним шкалам замеряют давление топлива в двигателях.

Табло с красным светофильтром "Осталось топлива 270 л".

Переключатель крана перепуска топлива в расходный бак.

На верхнем электропульте:
Два переключателя и два жёлтых табло контроля за пожарными кранами.

Три зелёных табло и три выключателя для управления насосами.

Выключатель "Контроль - Заправка" для контроля процесса заправки топливных баков по световым табло белого цвета на фюзеляже.
На последних сериях выпуска вертолёта Ми-8Т вместо зелёных табло "Левого бака" и "Правого бака" стоят оранжевые табло "Левого бака не работает" и "Правого бака не работает".
Левая панель автоматов защиты сети:
Оба насоса расходного бака имеют общий выключатель и табло "Расход. Бака", но раздельные АЗС: Насосы топливных баков "Расх I" и "Расх II".
Насосы левого и правого бака имеют АЗС: Насосы топливных баков "левый" и "правый".
Кран перепуска топлива имеет АЗС: "Кран перепуска топлива".
Топливомер имеет АЗС: "Топливомер".
Пожарные краны имеют АЗС: Краны двигат. "Левого" и "Правого".

Перед полётом бортмеханик обязан проверить:
Герметичность агрегатов и соединений топливной системы;
Герметичность закрытия пробок заливных горловин;
Чистоту отстоя топлива, слитого из каждого бака;
Герметичность закрытия сливных кранов;
Чистоту дренажных трубок;
Работу насосов и пожарных кранов по загоранию табло.
В полёте экипаж обязан контролировать:
Работу подкачивающих и перекачивающих насосов по световым табло;
Давление топлива перед форсунками двигателей, которое должно быть в пределах 40-60 кг/см2
(на режиме МГ - 16-35 кг/см2
).
Расход и наличие топлива в баках через каждые 20 минут полёта.
Контроль топлива
Переключателем П-8УК проверить количество топлива во всех баках, показания смотреть по указателю топливомера.
В положении "Сумма" топливомер даёт показания с большей погрешностью.
Количество топлива в дополнительном баке в "Сумму" не входит.
Если на вертолёте установлены два дополнительных бака, то замерить топливо можно только в одном из них, но количество топлива в другом баке равно количеству топлива в первом по принципу сообщающихся сосудов. В данном случае показания дополнительного бака следует умножать на два.
После окончания замера топлива во всех баках показания следует сложить. Количество топлива в литрах умножить на плотность керосина равную 0,8 кг/л и получаем массу топлива в килограммах.
Следует помнить, что топливомер имеет погрешность измерения ± 2,5% от предела на нулевой отметке шкалы и ± 5% от верхнего предела на остальных отметках шкалы.
После определения максимально допустимой взлетной (посадочной) массы вертолёта и наивыгоднейшей высоты полёта следует рассчитать необходимую массу заправляемого топлива и величину коммерческой загрузки.
Если в полёте используется крейсерский режим работы двигателей и температура воздуха на выбранной высоте полёта отличается от стандартной на ±10˚С, расчёт потребляемой массы заправляемого топлива по этапам полёта смотреть по таблице:
| Высота, м |
Взл. Масса 9 000 кг |
Взл. Масса 10 000 кг |
Взл. Масса 11 000 кг |
Взл. Масса 12 000 кг |
| Время, мин |
Расстоя-ние, км |
Расход топл, кг |
Время, мин |
Расстоя-ние, км |
Расход топл, кг |
Время, мин |
Расстоя-ние, км |
Расход топл, кг |
Время, мин |
Расстоя-ние, км |
Расход топл, кг |
| 1
|
2
|
3
|
4
|
5
|
6
|
7
|
8
|
9
|
10
|
11
|
12
|
13
|
0-50 - (взлёт)
500
1 000
1 500
2 000
2 500
3 000
3 500
4 000
|
1
1,8
2,7
3,5
4,4
5,4
6,4
7,6
9,0
|
0
1
3,0
5,0
7,2
9,8
12,5
15,6
19,5
|
15
26
36
46
57
69
82
96
110
|
1
2,2
3,3
4,4
5,6
6,8
8,2
9,9
11,8
|
0
1
3,4
5,9
8,4
11,3
14,5
18,0
22,0
|
15
28
41
55
70
85
101
119
139
|
1
2,4
3,8
5,3
6,8
8,4
10,2
12,2
14,2
|
0
1
3,9
6,9
10,0
13,2
16,6
20,5
24,9
|
15
31
44
63
83
103
124
147
173
|
1
2,7
4,4
6,2
8,0
10,0
12,1
14,8
18,8
|
0
1
4,4
7,7
11,2
14,8
18,7
23,0
27,9
|
15
37
59
81
103
125
148
177
206
|
Если температура воздуха выходит за указанные пределы или полёт выполняется на скоростях ниже или выше крейсерских, определяемых по графикам 3.1., л.17-22, оборот (пересечение линий "крейсерский режим" с кривой километровых расходов), производится расчёт потребной массы заправляемого топлива по этапам полёта.
Расчёт потребной массы топлива по номограммам топлива на полёт.
Топливо на полёт - масса топлива, расходуемого с момента взлета до посадки вертолёта.
При расчёте потребной массы заправляемого топлива к топливу на полёт, определенному по графикам РЛЭ 3.1., л.12, оборот - 16, оборот, добавляется аэронавигационный запас топлива, 30 кг топлива, заправляемого сверх взлётной массы, для работы двигателей на земле до взлёта и топливо, расходуемое на контрольное висение из расчёта 13 кг/мин. Указанные графики рассчитаны для неизменяемой массы вертолёта 7 165 кг.Для каждого вертолёта неизменяемая масса подсчитывается с помощью формулярных данных, для этого указанной в формуляре (раздел "Индивидуальные особенности вертолёта") массе не изменяемой части пустого вертолёта необходимо прибавить массу трёх членов экипажа, масла в маслосистемах двигателя и редуктора, масла АМГ-10 в гидросистемах. Если полученная неизменяемая масса вертолёта будет отличаться от принятой при расчёте графиков, то разность между фактическим и принятым значениями неизменяемой массы вертолёта должна быть отнесена к массе коммерческой загрузки.
При расчёте принимается масса одного члена экипажа 80 кг, масса масла 70 кг, масса невырабатываемого остатка топлива в дополнительном баке - 10 кг, в основных баках увеличенной вместимости - 15 кг.
Пример расчёта заправки топливом по номограммам топлива на полёт.
Задано:
Расстояние по маршруту 150 км
Высота полёта 500 м
Среднее значение (W-V) +20 км/ч
Не изменяемая масса вертолёта 7 660 кг
Масса коммерческой загрузки 1 800 кг
Аэронавигационный запас топлива (АНЗ) 300 кг
Температура воздуха +15˚С
Расчёт:
Неизменяемая масса вертолёта больше принятой в расчёте на 7 660 - 7 165 и равна 495 кг. На эту величину условно увеличим коммерческую загрузку, получим 1800 + 495 = 2 295 кг.
На шкале расстояний графика РЛЭ 3.1., л.13, откладываем 150 км и идём вдоль линии поправки до значения скорости попутного ветра - 20 км/ч. Из этой точки проводим вертикаль до пересечения с линией заданной коммерческой загрузки 2 295 кг и в полученной точке читаем: топливо на полет - 430 кг, взлётная масса 10 190 кг. Если величина АНЗ больше принятой при расчёте данных монограмм (300кг), следует увеличить полученную массу на величину этой разницы.
Если взлётная масса оказалась больше максимально допустимой для данных условий взлёта, необходимо уменьшить коммерческую загрузку на величину этой разницы.
Проводим вертикаль далее, по шкале времени определяем время полёта - 36 мин.
Определим массу заправляемого топлива, сложив топливо на полёт, АНЗ, топливо для работы двигателей на земле и на контрольное висение из расчёта 13 кг/мин: 430 + 300 + 30 + 13 = 773 кг.
Результаты расчёта:
взлётная масса - 10 190 кг,
масса заправляемого топлива - 773 кг,
время полёта - 36 мин.
Примечания:
Не следует допускать излишних запасов топлива на борту вертолёта. Каждые 500 кг дополнительного топлива увеличивают его расход на 20 кг/ч.
Если на вертолёте установлено ПЗУ или предполагается использование ПОС, масса заправляемого топлива должна быть увеличена на 5%.
Включение КО-50 увеличивает расход топлива на 1,5%.
Перед заправкой вертолёта топливом следует проверить:
пригодность топлива по паспорту,
наличие визы и подписи должностного лица службы ГСМ, разрешающей заправку,
соответствие номера заправщика по паспорту,
наличие пломб на устройствах, соединённых с внутренней полостью топливозаправщика,
исправность и чистоту заборных, фильтрующих и раздаточных средств,
чистоту отстоя топлива, слитого из ТЗ (отстой не должен содержать воды, льда, снега и механических примесей),
наличие противопожарных средств на стоянке.
Необходимо заземлить вертолёт и ТЗ, установить под колёса вертолёта и ТЗ упорные колодки, разрядить заправочный пистолет от статического электричества (прикоснуться пистолетом о неокрашенный участок вертолёта, но не ближе 3 м от заправочной горловины).
Для контроля количества заправляемого топлива перед заправкой следует включить аккумуляторы и АЗС "Топливомер".
Для полной заправки топливной системы необходимо рукоятками установить перекрывные краны в положение "закрыто", открыть заливную горловину бака, вставить в неё заправочный пистолет и заправить бак топливом. Аналогично заправить второй подвесной, а затем расходный баки.
Контролировать заправку по загоранию световых табло "Бак полон", расположенных по бортам фюзеляжа, для этого необходимо переключатель "Топл. Запр. - Контроль" поставить в положение "Топл. Запр." на левой панели электропульта. Предварительно проверить загорание этих табло в режиме "Контроль". Открыть перекрывные краны и, проверив состояние крышек заливных горловин, установить их на место.
При частичной заправке баков контроль производить по указателю топливомера, для чего переключатель устанавливают на замер количества топлива, заправляемого в бак.
Чистоту заправленного в баки вертолёта топлива контролируют через 15 мин после окончания заправки. Для этого через сливные краны каждого бака нужно слить 0,5 - 1 л топлива в чистую стеклянную тару и проверить наличие в нём воды, льда и снега и механических примесей. При наличие воды в слитом топливе после введения в тару 3 - 4 кристаллов марганцовокислого калия (на 0,5 л топлива) топливо окрасится в фиолетовый цвет. Присутствие остальных включений определяют визуально.
Для слива топлива на вертолёте предусмотрены сливные краны, обеспечивающие индивидуальный слив из каждого бака. В случае слива большого количества или всего топлива из баков необходимо пользоваться специальным шлангом, один конец которого присоединить к сливному крану, а другой опустить в тару для слива топлива и открыть кран. Слив осуществляется самотёком. Для ускорения слива топлива из подвесных баков пользуются перекачкой топлива из подвесных баков в расходный, для чего следует включить бортовые насосы подвесных и расходного баков. В этом случае слив топлива через расходный бак происходит под давлением.Запрещается сливать топливо на срок более 24 ч без консервации агрегатов топливной системы вертолёта и двигателя во избежание выхода их из строя.
При заправке и сливе топлива обращать внимание на исправность конструктивных элементов заливных и сливных точек, а также на надёжность контровки после заправки и слива.
Примечания
Топлива ТС-1 и РТ с температурой начала кристаллизации - 60˚С и ниже применяются без ограничений.
Топлива ТС-1 и РТ с температурой начала кристаллизации от - 55 до 59˚С применяются во всех климатических зонах, кроме зоны I1.
Топлива ТС-1 и РТ с температурой начала кристаллизации от - 50 до 54˚С применяются во всех климатических зонах, кроме зоны I1.
Смесь двух партий топлива с различной температурой начала кристаллизации применяется с ограничениями, установленными для топлива, имеющего более высокую температуру начала кристаллизации.
В зимний период при посадке вертолёта, заправленного топливом с температурой кристаллизации от - 50 до - 54˚С, в зоне I1 заправку (дозаправку) производить не позднее 1 часа после посадки топливами ТС-1, РТ или их смесью с температурой начала кристаллизации не выше - 60˚С. Если стоянка вертолёта продолжается более 1 часа, топливо с температурой начала кристаллизации от - 50 до - 54˚С сливается в соответствии с рекомендациями "Инструкции по технической эксплуатации" данного типа вертолёта.
При температуре воздуха в аэропорту вылета 5˚С и ниже, а также при полётах за Полярный Круг и из-за Полярного Круга независимо от температуры воздуха и продолжительности полёта в топливо добавлять противокристаллизационную жидкость: жидкость "И" (высшего и первого сортов), ТГФ, ТГФ-М и И-М в количестве 0,1+/-0,25% (по объёму). При базировании вертолётов на ледоколах независимо от температуры наружного воздуха в топливо добавить противокристаллизационную жидкость в количестве 0,2 +/ - 0,25% (по объёму).
Меры предосторожности в процессе заправки вертолёта топливомЗаправка вертолёта топливом должна осуществляться за пределами помещений.
Топливозаправщики должны устанавливаться таким образом, чтобы:
аварийно-спасательные и противопожарные транспортные средства имели доступ к ВС,
имелся свободный подъездной путь, по которому в случае аварийной обстановки можно было бы быстро отвести ТЗ от ВС,
двигатели ТЗ не находились в непосредственной близости с топливными баками ВС.
Все наземные транспортные средства, обслуживающие ВС, не должны в ходе заправки проезжать близко к топливным бакам или останавливаться там.
Выхлопные системы всех транспортных средств, которые должны работать в зоне заправки, следует подвергать регулярному и очень строгому осмотру в целях исключения неполадок, которые могут привести к возникновению искр или огня, способных воспламенить топливо или его пары.
Не следует заправлять ВС в непосредственной близости от работающих или проверяемых радиолокаторов, которые имеются на ВС или наземных установках.
Не следует устанавливать или снимать аккумуляторы ВС и не следует присоединять, включать или отключать подзарядные устройства.
В течении всего периода заправки не следует подсоединять наземные генераторы энергии.
Не следует использовать инструменты, которые могут быть источником искр.
Открытый огонь и устройства с открытой горелкой должны быть запрещены на перроне и в других местах в пределах 25 метров от любого заправляющегося ВС. К открытом огню относятся:
Горящие сигареты,
Нагреватели с открытым огнём,
Сварочные горелки или газовые резаки,
Тигели или другие источники открытого огня.
Лицам, занимающегося заправкой топливом ВС, не следует иметь при себе или пользоваться зажигалками или спичками.
Следует проявлять крайнюю осторожность, если заправка топливом происходит во время гроз и при наличии молний. Заправка должна быть приостановлена, если в непосредственной близости от аэропорта происходит сильные разряды атмосферного электричества.
Переносное противопожарное оборудование, пригодное для первоначального применения в случае возгорания топлива, находится в состоянии готовности. Путём регулярных осмотров и технического ухода за оборудованием следует обеспечивать, чтобы оно находилось в рабочем состоянии.
Отказ обоих подкачивающих насосов.
При отказе гаснет зелёное табло "Расход. Бак".
Отказ насосов может сопровождаться падением оборотов двигателя на 2-5%, а НВ на 1-3% или даже выключением одного или двух двигателей.
Необходимые действия:
Если отказ насосов сопровождается только падением оборотов НВ и ТК, что может сочетаться с пульсацией оборотов одного или двух двигателей, перейти на полёт со скоростью равной 110-130 км/ч при оборотах НВ не менее 92%. Подобрать площадку и выполнить посадку по возможности с пробегом.
Если выключился один двигатель - попытаться запустить его. На запуск двигателя при полёте со снижением необходимо 40-50 секунд. Дальнейшее выполнение задания прекратить. Если двигатель не запустился - посадка на одном двигателе.
Если отказали оба двигателя, перейти на РСНВ и, если высота полёта более 500 метров попытаться запустить поочерёдно оба двигателя. Если высота менее 500 метров - попытки запуска прекратить, подобрать площадку и произвести посадку на РСНВ.
Примечания:
При отказе одного насоса, второй обеспечивает работу полностью.
При отказе двух насосов на висении тяга вертолёта падает не менее чем на 1000 кг (550-600 кг на каждый процент падения оборотов двигателя).
Отказ обоих перекачивающих насосов.
На вертолётах Ми-8Т раннего выпуска гаснут зелёные сигнальные табло: "Левый бак" и "Правый бак", а на вертолётах Ми-8Т поздних серий выпуска загораются оранжевые сигнальные табло "Левый бак не работает" и "Правый бак не работает".
Необходимые действия:
Прекратить выполнение задания. Подобрать площадку с воздуха или долететь до ближайшего аэродрома.
Примечание:
Отказ одного перекачивающего насоса не является аварийным случаем.
С момента выхода из строя второго перекачивающего насоса топлива в расходном баке остаётся около 415 литров.
Загорание табло "Осталось топлива 270 л"Загорается табло "Осталось топлива 270 л".
Топлива в подвесных баках нет.
Необходимые действия:
При загорании табло "Осталось топлива 270 л", командир должен принять решение о месте посадки и произвести её, не допуская полной выработки топлива, пилотируя вертолёт плавно, избегая скольжения и большого угла тангажа.
Примечание:
Полёт возможен в течении 17 минут на скорости 220 км/ч и высоте 500 метров (дальность полёта составит около 60 км в штиль).
При неустойчивом висении возможно мигание табло "Осталось топлива 270 л".
Отказ дозировочного клапана уровня в закрытом положении
Загорается табло "Осталось топлива 270 л".
Перекачивающие насосы работают.
Топливо в подвесных баках есть.
Необходимые действия:
Открыть кран перепуска и заполнить расходный бак до 400-420 литров.
Закупорка дренажа топливной системы
Мигание или погасание табло одного или обоих перекачивающих насосов.
Мигание или устойчивое горение табло "Осталось топлива 270 л" (при остатке топлива в расходном баке более 270 литров) и наличие топлива в подвесных баках.
Отсутствие выработки или уменьшение расхода топлива из подвесных баков.
Необходимые действия:
Немедленно произвести посадку на подобранную площадку.
Быть готовым к одновременному самовыключению обоих двигателей и выполнению действий по переводу вертолёта на РСНВ.
1. "Руководство по лётной эксплуатации вертолёта Ми-8. Издание 4-е", Москва, 1996 г. (сверка 2010 г.)
2. Данилов В.А. "Вертолёт Ми-8". Москва, "Транспорт", 1979 г.
3. Стрельцов В.А., Лялин Л.К. "Конструкция и лётная эксплуатация вертолёта Ми-8Т". Омск, "ОЛТК ГА", 2010 г.
4. Бабичев А.К. "Конструкция и лётная эксплуатация вертолёта Ми-8, Методические указания по эксплуатации систем бортмехаником", Омск, "ОЛТУ ГА", 1986 г.
5.
Конспект лекций Стрельцова В.А. "Авиационное и радиоэлектронное оборудование вертолёта Ми-8". |