.
Под термином "качество электрической энергии" понимается соответствие основных параметров энергосистемы установленным нормам производства, передачи и распределения электрической энергии.
Количественная характеристика качества электроэнергии выражается отклонениями напряжения и частоты, размахом колебаний напряжений и частоты, коэффициентом несинусоидальности формы кривой напряжения, коэффициентом несимметрии напряжения основной частоты.
Отклонение частоты
-
разность усредненная за 10 мин. между фактическим значением основной частоты и номинальным её значением. Отклонение частоты от номинального значения в нормальном режиме работы допускается в пределах ±0,1 Гц . Кратковременные отклонения могут достигать ±0,2 Гц .
Колебание частоты
- разность между наибольшим и наименьшим значениями основной частоты в процессе достаточно быстрого изменения параметров режима, когда скорость изменения частоты не меньше 0,2 Гц в секунду. Колебания частоты не должны превышать 0,2 Гц сверх допустимых отклонений 0,1 Гц
 
Отклонения напряжения
- разность между фактическим значением напряжения и его номинальным значением для сети, возникающая при сравнительно медленном изменении режима работы, когда скорость изменения напряжения меньше 1% в секунду.
или 
В условиях нормальной работы допускается отклонение напряжения в следующих пределах:
-5¸+10% - на зажимах электродвигателей и аппаратов для их пуска и управления
-2.5¸+5% - на зажимах приборов рабочего освещения
±5% - на зажимах остальных приемников электрической энергии
В после аварийных режимах допускается дополнительное понижение напряжения на 5%.
Колебание напряжения
Колебание напряжения оценивается следующими показателями:
1. Размахом изменения напряжения dU т.е. разностью между наибольшим и наименьшим действующими значениями напряжения в процессе достаточно быстрого изменения параметров режима, когда скорость изменения напряжения не менее 1% в секунду


2. Частотой изменений напряжения (1/с, 1/мин., 1/ч.)
F=m/T
где m- количество изменений напряжения со скоростью изменения более 1% в секунду за время Т.
3. Интервал между следующими друг за другом изменений напряжения Dtkj
Забиваем Сайты В ТОП КУВАЛДОЙ - Уникальные возможности от SeoHammer
Каждая ссылка анализируется по трем пакетам оценки: SEO, Трафик и SMM.
SeoHammer делает продвижение сайта прозрачным и простым занятием.
Ссылки, вечные ссылки, статьи, упоминания, пресс-релизы - используйте по максимуму потенциал SeoHammer для продвижения вашего сайта.
Что умеет делать SeoHammer
— Продвижение в один клик, интеллектуальный подбор запросов, покупка самых лучших ссылок с высокой степенью качества у лучших бирж ссылок.
— Регулярная проверка качества ссылок по более чем 100 показателям и ежедневный пересчет показателей качества проекта.
— Все известные форматы ссылок: арендные ссылки, вечные ссылки, публикации (упоминания, мнения, отзывы, статьи, пресс-релизы).
— SeoHammer покажет, где рост или падение, а также запросы, на которые нужно обратить внимание.
SeoHammer еще предоставляет технологию Буст, она ускоряет продвижение в десятки раз,
а первые результаты появляются уже в течение первых 7 дней.
Зарегистрироваться и Начать продвижение
Несинусоидальность
напряжения сети характеризуется коэффициентом несинусоидальности (искажения) кривой напряжения, который определяется по формуле:

где Un
- действующее значение напряжения n - й гармоники;
U1
- действующее значение первой или основной гармоники.
Коэффициент несинусоидальности напряжения не должен превышать 5% на зажимах любого приемника электроэнергии.
Под несимметрией напряжений
понимают неравенство фазных или линейных напряжений по амплитуде и углам сдвига между ними.
Нормируемым показателем несимметрии является коэффициент обратной последовательности напряжения, равный отношению напряжения обратной последовательности U2
к номинальному линейному напряжению Uном
.

Допустимое значение коэффициента e2
составляет 2%.
При выходе показателей качества за установленные пределы увеличиваются расход и потери электроэнергии в системах электроснабжения, снижается уровень надежности работы электрооборудования, возникают нарушения технологических процессов и снижается выпуск продукции.
Отклонения и колебания напряжения.
Отклонения напряжения
Каждый электроприемник спроектирован для работы при номинальном напряжении и должен обеспечивать нормальное функционирование при отклонениях напряжения от номинального на заданную величину. При изменении напряжения в пределах этого диапазона могут изменятся значения выходного параметра электроприемника ( температура в электротермической установке, освещенность у светильников, полезная мощность на валу электродвигателя и т.д.)
Основными причинами отклонений напряжения в системах электроснабжения предприятий являются изменения режимов работы приемников электроэнергии, изменения режимов питающей энергосистемы, значительные индуктивные сопротивления линий 6-10 кВ. Изменения напряжения на зажимах приемника электроэнергии даже в установленных пределах вызывает изменение его технико-экономических показателей.
Отклонения напряжения зависят от очень многих случайных и к тому же часто изменяющихся факторов. Последствия от отклонений напряжения зависят не только от величины, но и от продолжительности отклонения, а также от того, какой процент потребителей подвергается большим отклонениям. Так, например, кратковременные и редкие, хотя даже и значительные отклонения напряжения у отдельных потребителей не могут оправдать расходов, связанных с удорожанием сети , которое будет необходимо для уменьшения или ликвидации этих отклонений.
Сервис онлайн-записи на собственном Telegram-боте
Попробуйте сервис онлайн-записи VisitTime на основе вашего собственного Telegram-бота:
— Разгрузит мастера, специалиста или компанию;
— Позволит гибко управлять расписанием и загрузкой;
— Разошлет оповещения о новых услугах или акциях;
— Позволит принять оплату на карту/кошелек/счет;
— Позволит записываться на групповые и персональные посещения;
— Поможет получить от клиента отзывы о визите к вам;
— Включает в себя сервис чаевых.
Для новых пользователей первый месяц бесплатно.
Зарегистрироваться в сервисе
Для характеристики качества напряжений в настоящее время разработана вероятная оценка, основанная на методе математической статистики. Этот метод впервые был разработан П. Айере, доказавшим ,что количественную оценку влияния медленных изменений напряжения на экономичность работы электроприемников наиболее удобно и точно можно производить по среднему квадрату отклонения напряжения [(%)2
] за период времени Т, названного автором метода неодинаковостью напряжения (Uc
к
)2
(%)2

где, (dUt)=(Ut
-UH
)/UH
- отклонения напряжения в момент t
Ut
- напряжение в рассматриваемой точке сети в момент времени t
Величина неодинаковости напряжения имеет размерность процент в квадрате. Единица неодинаковости 1(%)2
или 1/10000 . Например, при неодинаковости 25(%)2
квадрат относительных отклонений 25/10000 , а сами отклонения 5/100 или 5%.
Для анализа режимов напряжения в электросетях применяется специальные статические анализаторы напряжения, позволяющие измерять квадрат среднеквадратичного отклонения (dUск)2
и величины среднего значения отклонения напряжения, % , за время Т,

По этим данным может быть определена дисперсия случайной величины, характеризующая меру отклонения от среднего значения случайной величины

По полученным значениям величины s2
, и Uср можно определить вероятность превышения заданных пределов отклонения, пользуясь таблицами нормальной функции распределения ( интеграл вероятности)
Влияние отклонения напряжений на работу отдельных приемников электрической энергии .
В таблице приведены данные по влиянию отклонения напряжения в пределах от-10 до +10% на характеристики асинхронных электродвигателей.
| ХАРАКТЕРИСТИКИ ДВИГАТЕЛЕЙ |
Изменение характеристики при изменении напряжения |
| -10% |
+10% |
| 1 |
Пусковой и вращающий момент |
-19% |
+21% |
| 2 |
Синхронная частота вращения |
const |
const |
| 3 |
Скольжение , % |
+23% |
-17% |
| 4 |
Частота вращения при номинальной нагрузке |
-1.5% |
+1% |
| 5 |
KПД
а) при номинальной нагрузке
б) при нагрузке 75%
в) при нагрузке 50%
|
-2%
const
-1¸-2%
|
+1%
const
-1¸+2%
|
| 6 |
cosjпринагрузке
а) 100%
б) 75%
в) 50%
|
+1%
+2¸+3%
+4¸+5%
|
-3%
-4%
-5¸-6%
|
| 7 |
Ток ротора при номинальной нагрузке |
+14% |
-11% |
| 8 |
Ток статора при номинальной нагрузке |
+10% |
-7% |
| 9 |
Пусковой ток |
-10¸-12% |
+10¸+12% |
| 10 |
Прирост t обмотки при номинальной нагрузке |
+5¸+6C |
Практически без изменений |
Данные приведенные в таблице показывают изменения характеризующих собственно двигателя показатели. Отклонения этих показателей от номинального значения влияют на технологическое оборудование вместе с которыми работает двигатель и вызывает некоторый экономический ущерб.
Проведенные исследования показали следующие величины ущербов от некачественного напряжения.
При среднем отклонении напряжения 3,86% номинального на установке электропечей для плавки цветных металлов общей мощностью 280 кВт был получен перерасход энергии 65000 кВт*ч/год
При отклонении напряжения на 2,87% в цехе горячей вулканизации обувной фабрики получается брак, а отклонения 1-2% ведут к изменению температуры нагрева и задержке в выпуске продукции, что дало бы ущерб более 1млн.руб/год.
Электроплавильная печь мощностью 10000 кВА на заводе ферросплавов при номинальном напряжении работает с суточной производительностью 44 т. силикохрома. При снижении напряжения на 5-9% производительность уменьшается до 38,8 т. т.е. примерно на 12%.
Снижение напряжения ухудшает качество сварочных швов. Цикл времени сварки при снижении напряжения на 10 % удлиняется приблизительно на 20%.
Если в сети ткацкого цеха, где установлено 2220 станков марки АТ-120-5, напряжение на 5% ниже номинального будет держаться только в течении 1 час, то за это время будет недоотпущено 131 м. суровой ткани.
Понижение напряжения на 6-7% на электрических печах отжига цветных металлов мощностью 3´225 кВт привело к перерасходу электроэнергии 270 тыс.кВт*ч/год и удлинению технологического процесса.
Наиболее чувствительны к отклонениям напряжения лампы накаливания. На рис. Представлена зависимость мощности, светового потока и срока службы лампы от уровня напряжения сети.

1- Световой поток F
2- Световая отдача h
3- Мощность Р
4- Средний срок службы Т ( в процентах)
Для ламп накаливания повышение напряжения только на 1% сверх номинального вызывает увеличение потребляемой мощности приблизительно на 1,5%, светового потока на 3,7% и сокращение срока службы ламп накаливания на 14%. Увеличение напряжения на 3% сокращает срок службы ламп накаливания на 30%, а повышение напряжения на 5% приведет к сокращению срока службы ламп в 2 раза. Срок службы люминесцентных ламп при повышении напряжения на 10% сокращается на 20-30%.
Определение убытка при отклонениях напряжения.
Характеристики работы приемников электроэнергии по напряжению можно разделить на технические и экономические. Технические характеристики - это зависимости, например, частоты вращения двигателей, времени плавки в электропечах, светового потока осветительных приборов, активной мощности, потребляемой двигателями и т.д. от напряжения на их зажимах.
При наличии данных о количественном влиянии напряжения на технические характеристики приемника можно определить экономический убыток при отклонениях напряжения.
Y=3(U) - 3(Uном
)
3(U) - затраты для выработки продукции при фактическом U
3(Uном
) - затраты для выработки продукции при номиналь-
ном U
Зависимость убытка от отклонений напряжения на зажимах приемника называется экономической характеристикой :
Y= f(U)
Пользуясь экономическими характеристиками, можно определить оптимальные режимы напряжения и эффективные способы его поддержания.
На результирующую экономическую характеристику наибольшее влияние оказывает изменение количества выпускаемой продукции, кроме этого оказывает влияние убыток от перерасхода электроэнергии и убыток от изменения срока службы приемника.
Работа асинхронного двигателя работающего с производственным механизмом при отклонении напряжения вызывает суммарный убыток :
Y=Y1
+Y2
+Y3
+Y4
Здесь:
Y1
- убыток вызванный изменением производительности механизма
Y1
=(Пном
-П)at
где Пном
и П - часовая производительность работы двигателя соответственно с номинальным напряжением и с отклонением от номинального напряжения
a- стоимость единицы продукции, выпускаемой данным механизмом
t - время, за которое определяется убыток.
Составляющие суммарного убытка от изменения потребления активной Y2
и реактивной мощности Y3
асинхронным двигателем.
Y2
=(P-Pном
)C0
t ; Y3
=(Q-Qном
)C0
tkип
Pном
, P - потребляемая активная мощность при работе двигателя соответственно с номинальным напряжением и с отклонением от номинального напряжения;
Q,Qном
- то же для реактивной мощности
C0
- стоимость 1 кВт*ч потерянной электроэнергии
kип
- коэффициент изменения потерь кВт/ кВАр
Убыток от изменения срока службы двигателя при отклонениях напряжения равен

Где Сдв
- стоимость двигателя
В- срок службы двигателя при номинальном напряжении относительный износ изоляции.
где КЗ
коэффициент загрузки двигателя
РЕГУЛИРОВАНИЕ НАПРЯЖЕНИЯ
Способы регулирования напряжения в системах электроснабжения промышленных предприятий можно классифицировать следующим образом
а) Регулирование на шинах электростанций и п/ станций
На шинах эл.станций изменением тока возбуждения генераторов повышают напряжения в часы максимума нагрузки и снижают напряжения в часы минимума нагрузок.
Регулирование напряжения на шинах понизительной п/cт 6-10 кВ может осуществляться при помощи трансформаторов, статистических конденсаторов, синхронных компенсаторов и т.д.
б) Регулирование на отходящих линиях
Индивидуальное регулирование напряжения на каждой отходящей от шин п/ст линии является эффективным способом. В этом случае могут быть использованы трансформаторы с РНП, ВДТ и конденсаторы для продольной компенсации.
в) Совместное регулирование напряжения
включает в себя первый и второй способы регулирования
г) Дополнительное регулирование напряжения
применяется в том случае, когда не удается обеспечить требуемое качество напряжения у некоторой части потребителей эл.энергии.
д) Регулирование изменением схемы электроснабжения
В схеме электроснабжения осуществляют мероприятия позволяющие изменить величину и направление реактивной мощности и сопротивления отдельных участков, в результате чего изменяются уровни напряжения в отдельных точках сети.
Для поддержания уровней напряжения в допустимых пределах используют различные методы, которые можно разделить на 2 группы: не требующие затрат на установку специальных регулирующих устройств и связанные с установкой таких устройств.
Первая группа мероприятий включает в себя:
1. Рациональное построение системы электроснабжения (применение повышенного напряжения для линий , питающих предприятие, применение глубоких вводов, применение трансформаторов с оптимальным коэффициентом загрузки, применение токопроводов для распределительных сетей и т.д.)
2. Правильный выбор ответвлений обмоток у трансформаторов, имеющих устройство переключения обмоток без возбуждения (ПБВ).
3. Использование перемычек на напряжение до 1 кВ между цеховыми трансформаторами.
4. Снижение сопротивления системы внутризаводского электроснабжения включением на параллельную работу трансформаторов ГПП.
5. Регулирование напряжения генераторов собственных источников питания предприятия.
6. Использование регулировочных возможностей синхронных электродвигателей.
Ко второй группе мероприятий по регулированию напряжения относятся:
1. Установка на ГПП трансформаторов, имеющих устройство регулирования напряжения под нагрузкой (РНП)
2. Применение компенсирующих устройств
3. Применение специальных регуляторов напряжения.
Средства регулирования напряжения в сетях промышленных предприятий
Анализ средств регулирования напряжения удобнее всего провести из рассмотрения общей формулы напряжения у электроприемников U2
в зависимости от напряжения генератора U1
, добавочного напряжения Uдоб
, создаваемого регулирующими устройствами, и потери напряжения, обусловленной активной нагрузкой PM
, реактивной QM
, активным сопротивлением сети R и реактивным XL
.
| 3 |
| 4 |
7 |
| 5 |
8 |
| 6 |
9 |
| 1 |
13 |
10 |
| 2 |
14 |
11 |
12 |
13 |

1. Регулирование напряжения генераторов
2. Изменение коэффициента трансформации трансформа-торов
3. Вольтодобавочные трансформаторы
4. Линейные регуляторы ( трансформаторы)
5. Индукционные регуляторы или потенциал регуляторы
6. Бесконтактные автоматические регуляторы напряжения
7. Синхронные двигатели.
8. Параллельно включенные конденсаторные батареи
9. Синхронные компенсаторы.
10. Компенсирующие преобразователи.
11. Статические источники реактивной мощности.
12. Сети с минимальным реактивным сопротивлением.
13. Продольная компенсация.
14. Сдвоенные реакторы.
Рассмотрим некоторые из технических средств регулиро-вания напряжения.
Трансформаторы с регулированием напряжения под нагрузкой
Регулировочные ответвления располагаются обычно в обмотке высшего напряжения. В зависимости от величины мощности и напряжения регулируемые трансформаторы имеют различные схемы соединения обмоток и диапазоны регулирования.
На рис. Показана схема включения обмоток и переключателей ответвления для трансформаторов напряжением 35, 10, 6 кВ мощностью от 60 до 630 вКА. Регулирование напряжения осуществляется в пределах [4´(+2.5) и 2´(-2,5)]%.
Переключатель приводится в действие от электродвигателя. Переключение ответвлений обычно автоматизировано.
Рис . Схема регулируемых трансформаторов с шестью ступенями регулирования.

/—трансформатор; 2—
переключатель ответвлений; 3— рабочий контакт переключателя; 4—
вспомогательный контакт; 5—
неподвижный контакт; 6—
редуктор привода; 7—
электродвигатели привода; 8
—система автоматического управления; 9
—трансформатор напряжения типа ТСМАН-630/35; /О—соединительные провода;, II
—обмотка низшего напряжения; 12
—обмотка высшего напряжения
На ГПП устанавливается трансформаторы с переключаю-щими устройствами, имеющими большое число ступеней и размещенными в отдельном баке. Так для трансформатора типа ТМН с мощностью 5,6 МВА напряжением 35/10 кВ применяют переключатели типа РНТ-9 с реактором с восемью ступенями по 2,5% или более совершенные переключатели с мелкими ступенями регулирования по 1,5% .
Рис . Схема многоступенчатого регулирования напряжения трансформаторов:
Установки продольной компенсации (УПК).
Принцип действия УПК поясняет векторная диаграмма
U1
   R1
XL
XC
U2
I2
  
     
cosj1
cosj2
I2
XL
U1
I2
XL
I2
R1
U2
I2
R1
U2
I2
XC
  U1
       jj1
j2
j1
j2
   I2
I2
а) без конденсаторов б) при включении трансформаторов
При наличии в сети только активного R1
и индуктивного XL
cопротивлений напряжения U2
уменьшается за счет падения напряжений - активного I2
R1
и индуктивного I2
XL
. В этом случае U2
<U1
, DU=U1
-U2
>0.
При включении емкостного сопротивления XC
получается третье падение напряжения I2
XC
направленное противоположно I2
XL
. I2
XC
может быть подобрана таким образом, что вектор U2
будет равен вектору U1
или даже больше его, т.е. DU=0 или DU<0.
Величина XC
выбирается в зависимости от потери напряжения без УПК DU%, допустимой потери напряжения DUдоп%, номинального напряжения Uн, тока нагрузки Im и sinj2

Достоинства УПК:
1) Автоматическое регулирование напряжения.
2) При одинаковом регулирующем эффекте мощность конденсаторов УПК получается в 4-6 раз меньше, чем мощность КБ при поперечной компенсации.
3) Применение конденсаторов, рассчитанных только на перепад напряжения IXC
.
Недостатки УПК:
1) Возможность появления резонансных явлений
2) Недопустимость сквозных токов к.з.
3) Повышение уровня токов к.з.
ВОЛЬТОДОБАВОЧНЫЕ ТРАНСФОРМАТОРЫ
Вольтодобавочные трансформаторы имеют одну обмотку, включенную последовательно с линией, в которой регулируется напряжение. Эта обмотка получает питание от вспомогательного трансформатора, первичная обмотка которого питается от сети или постороннего источника тока.
На рис (а) показана принципиальная схема ВДТ

1- основной трансформатор
2- последовательный трансформатор
3- регулировочный трансформатор
  
Здесь к возбуждающей обмотке вольтодобавочного транс-форматора подводится напряжение, сдвинутое по фазе на 900
по отношению к напряжению данной фазы. Так для создания добавочного напряжения Ерег в фазе А к возбуждающей обмотке этой фазы подводят линейное напряжение UВС
.
Тогда вектор добавочного напряжения Ерег будет перпендикулярен вектору фазного напряжения UA
1
, а вектор напряжения на выходе регулятора UA
2
,будет сдвинут на угол a, по отношению к вектору UA
1
. При этом угол a может быть как опережающим, так и отстающим.
Такой способ регулирования называется поперечным регулированием.
Схема продольного вида регулирования напряжения показана на рис (б).
При продольном регулировании к каждой фазе возбуждающего трансформатора подводится напряжение той же фазы. Тогда вектор добавочного напряжения Ерег будет совпадать по фазе с вектором UA
1
, а вектор напряжения на выходе регулятора UA
2
,будет равен алгебраической сумме векторов UA
1
, и Ерег.
Колебание напряжения
При работе электроприемников с резкопеременной ударной нагрузкой в электросети возникают резкие толчки потребляемой мощности. Это вызывает изменения напряжения сети, размахи которых могут достигнуть больших значений. Эти явления имеют место при работе прокатных электродвигателей, дуговых электропечей, сварочных машин и т.д. Указанные обстоятельства крайне неблагоприятно отражаются на работе всех электроприем-ников, подключенных к данной сети, в том числе и электроприемников вызывающих эти изменения.
Так, например, время сварки у контактных машин в пределах от 0,02 до 0,4 с, то колебания напряжения даже малой длительности сказываются на качестве сварки.
При колебаниях напряжения, в результате которых напряжение снижается более чем на 15% ниже номинального, возможно отключение магнитных пускателей, работающих электродвигателей.
На предприятиях с существенной синхронной нагрузкой колебания напряжения могут приводить к выпадению привода из синхронизма и расстройству технологического процесса.
Колебания напряжения отрицательно сказывается на работе осветительных приемников. Они приводят к миганиям ламп, которые при превышении порога раздражительности могут отражаться на длительном восприятии людей.
Колебания напряжения, имеющие место при работе крупных синхронных двигателей с резкопеременной нагрузкой, определяются с учетом переходных процессов, т.к. при этом мощность, потребляемая электродвигателем, значительно отличается от мощности установившегося режима.
В соответствующих точках системы колебание напряжения, вызываемое изменениями (набросами) активной нагрузки на DР и реактивной нагрузки на DQ, может быть ориентировачно определено по формуле:

где dU - потеря напряжения, отн.ед.
DР, DQ - изменения (набросы) активной и реактивной трехфазной мощности электроприемника [МВт и МВАр]
R, X - активное и реактивное сопротивление на фазу Ом
Z - полное сопротивление
SK
- мощность к.з. в точке, в которой проверяется колебания напряжения.
Соотношения между активными и индуктивными сопротивлениями элементов сети r/x - составляют:
Воздушные линии 110¸220 кВ 0,125¸0,5
Кабельные линии 6¸10 кВ 1,25¸5
Токопроводы 6¸10 кВ 0,04¸0,11
Трансформаторы 2,5¸6,3 0,06¸0,143
Тоже 63¸500 МВА 0,02¸0,05
Реакторы РБА 6¸10 кВ до 1000 А 0,02¸0,067
Паротурбинные генераторы 12¸60 МВт 0,012¸0,02
Тоже 100¸500 МВт 0,0075¸0,01
Подстанции в распределительных сетях 0,067 и выше
Активное сопротивление всех элементов сети, кроме кабелей, значительно меньше индуктивного. Но в заводских сетях крупных предприятий при широком внедрении токопроводов 6¸10 кВ и глубоких вводов 110¸220 кВ. Они становятся малопротяженными и их доля резко снижается. Поэтому они не оказывают большого влияния на результирующее значение отношения r/x в целом по предприятию. Это позволит упрощенно рассчитать колебания напряжения при резкопеременных ударных нагрузках.
Исходя из выше приведенных соотношений r/x при расчетах колебания напряжения в среднем можно принять, что лежит она в пределах 0, 1¸0,03. При этом отношение z/x получается примерно равны 1. С учетом этих допущений:

Учитывая малое отношение r/x элементов сети, активным сопротивлением вообще можно пренебречь. Тогда, колебания напряжения можно определить по еще простой формуле

На основе изложенного можно сделать вывод о том, что при заданных набросах DР и DQ значение колебаний определяется мощностью к.з. питающей сети и чем последняя выше, тем меньше колебания.
Вторым существенным источником колебаний напряжения являются дуговые сталеплавильные печи (ДСП). При работе ДСП имеют место частые отключения, число которых достигают 10 и более в течение одной плавки. Наиболее тяжелые условия получаются в период расплавления металла и в начале окисления. При этом возникают эксплуатационные толчки тока. Значение тока при толчке зависит от вместимости печи, параметров печного трансформатора, полного сопротивления короткой сети.
Для отечественных ДСП можно принять:
Вместимость печи, т. 0,5¸6 10¸50 100¸200
Iк.з. (3,6¸3,2)Iн (3,2¸2,3)Iн (1,4¸2,2)Iн
При совместном питании ДСП и так называемой "спокойной" общецеховой нагрузки размах изменения напряжения dU на шинах вторичного напряжения 6¸10 кВ понизительного трансформатора ГПП можно с достаточной для практических целей точностью определить по формуле

Таким образом, значения размахов изменения напряжения в основном определяется мощностью к.з. питающей сети.

График нагрузки дуговой сталеплавильной печи ДСП вместимостью 100 т
Мероприятия по ограничению колебаний напряжения.
В первую очередь предусматриваются оптимальные решения схемы электроснабжения с минимальными дополнительными затратами, к числу которых относятся:
- приближение источников высшего напряжения к электроприемникам с резкопеременной нагрузкой
- питание резкопеременных и спокойных нагрузок от отдельных трансформаторов
- соблюдение оптимального уровня мощности к.з. в сетях, питающих электрориемники с резкопеременной нагрузкой в пределах 750¸10000 МВА.
Если эти мероприятия оказываются недостаточными, то предусматриваются специальные устройства и установки для уменьшения размахов изменений напряжения.
Специальные быстродействующие синхронные компенсаторы (СК).
Наиболее эффективным средством для ограничения колебания напряжения является синхронный компенсатор толчковой нагрузки со специальными параметрами, с быстродействующим тиристорным возбуждением, с большой кратностью форсировки возбуждения, работающие в так называемом "режиме слежения" за реактивным током подключенных потребителей электроэнергии. Мощность СК определяют исходя из параметров графика нагрузки объекта, подлежащих компенсации.
Предусматривается регулирование реактивного тока таким образом, чтобы емкостной реактивный ток СК соответствовал реактивной толчковой нагрузке, имеющий индуктивный характер.
Синхронные двигатели
. Для ограничения размахов изменений напряжения при резкопеременных толчковых нагрузках используются также синхронные двигатели (СД) со спокойной нагрузкой, присоединяемые к общим шинам с вентильными преобразователями. При этом СД должны иметь необходимую располагаемую мощность, быстродействующее возбуждение (тиристорное)с высоким потолком форсировки и быстродействующий автоматический регулятор возбуждения.
Статические источники реактивной мощности (ИРМ).
ИРМ характеризуется высоким быстродействием, плавным изменением реактивной мощности, безинерционностью.
В качестве примера на рис. приведена схема статического ИРМ с параллельным включением регулируемой индуктивности и нерегулируемой емкости. В качестве индуктивности принят управляемый реактор с подмагничиванием, в качестве емкости - конденсаторная батарея.
Суммарная мощность ИРМ:
Q=QL
- QC

QL- мощность, потребляемая реактором
QC - мощность. генерируемая конденсаторной батареей
Значение и направление мощности ИРМ в каждый момент зависят от регулируемой мощности QL
. QC
выбирается равной или несколько меньше ожидаемого наброса реактивной мощности. При набросе реактивной мощности ИРМ повышается до максимального значения, равного QC
, а при сборе понижается до минимального значения.
ОТКЛОНЕНИЯ И КОЛЕБАНИЯ ЧАСТОТЫ.
Нарушение баланса между мощностью, вырабатываемой генератором электростанции или энергосистемы, и мощностью требуемой промышленными предприятиями, приводит к изменению частоты тока электросети.
Основной причиной возникновения колебаний частоты являются мощные приемники электроэнергии с резкопеременной активной нагрузкой (тиристорные преобразователи главных приводов прокатных станов). Активная мощность этих приемников изменяется от нуля до максимального значения за время менее 0,1с, вследствие чего колебания частоты могут достигать больших значений.
Изменения частоты даже в небольших пределах влияют на работу электросетей и приемников электроэнергии. Понижение частоты тока приводит к увеличению потерь мощности и напряжения в электросетях и к недовыработке продукции. Влияние снижения частоты на потребляемую мощность электроприемников различно:
1) потребляемая мощность приемниками электроосвещения, электропечами сопротивления и дуговыми электропечами практически незначительно зависит от частоты;
2) мощность забираемая механизмами с постоянным моментом на валу ( металлорежущие станки, поршневые насосы, компрессоры и др.), пропорциональна частоте;
3) потери мощности в сети пропорционально квадрату частоты;
4) потребляемая механизмами с вентиляторным моментом сопротивления ( центробежные насосы, вентиляторы, дымососы и др.) мощность пропорциональна частоте в третьей степени;
5) у центробежных насосов, работающих на сеть с большим статическим напором (противодавлением), например у питательных насосов котельных, потребляемая мощность пропорциональна частоте в степени выше третьей.
Изменение частоты существенно влияет на работу приборов и аппаратов применяемых в телевидении, вычислительной технике.
Разгрузка энергосистемы при образовавшемся недостатке мощности осуществляется устройствами автоматической частотной разгрузки (АЧР) или вручную персоналом энергосистемы путем отключения потребителей по питающим линиям (трансформаторам) по специально разработанному так называемому аварийному графику (АГ). Устройства АЧР предназначены для разгрузки энергосистемы при авариях, вызывающий большой дефицит мощности. Величина АЧР принимается не менее 50% нагрузки энергосистемы с разбивкой на очереди с различными объемами разгрузки и различными установками автоматов по частоте и выдержке времени.
Разгрузка энергосистемы персоналом вручную по аварийному графику (АГ) применяется также в случае возникновения дефицита мощности из-за аварии. График АГ разрабатывается в размере 15% нагрузки системы с разбивкой на очереди по мощности.
Частотная разгрузка применяется совместно с частотным автоматическим повторным включением (ЧАПВ), восстанав-ливающим электроснабжение отключенных потребителей.
Устройства АВР используются на предприятиях без учета общих интересов электроснабжения потребителей при возникающих дефицитах мощности в энергосистеме. Резервирование потребителями отключенной АЧР нагрузки с помощью АВР на оставленные в работе линии снижает эффективность АЧР, что может привести к развитию аварии в энергосистеме.
Правильное использование АВР в сетях потребителей может быть обеспечено за счет рационального размещения АВР и согласования действия АВР с действиями АЧР.
На рис показаны основные принципы выбора и размещения АВР и АЧР в наиболее простых схемах эл. снабжения

а) при электроснабжении от одного питающего центра

ОН
б) от питающего центра и распределительной сети
ПЦ - питающий центр;
ПП - п/ст потребления;
ОН - ответственные нагрузки.
Для первого рис. АВР необходимо устанавливать одностороннего действия только для резервирования ответственных нагрузок линии 1. Под АЧР можно поставить линии 2и3.
При таком размещении АВР обеспечивается резервирование ответственных нагрузок потребителя при аварийном отключении линии 1 и реальное снятие нагрузки по линиям 2 и 3 при работе АЧР.
Для второго случая (рис б) АВР может быть двустороннего действия, если во-первых, пропускная способность линии 2 позволяет резервировать соответствующую нагрузку распределительной сети и, во-вторых, питающие РП линии не поставлены в свою очередь под АЧР.
Схемные решения АЧР
.
Существуют два метода АЧР: по абсолютному значению частоты и по скорости изменения частоты.

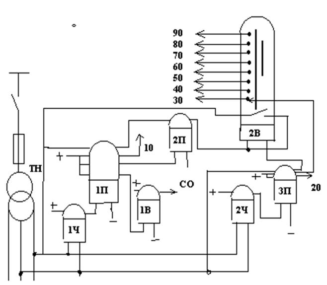
Рис. Схема устройства АЧР по абсолютному значению частоты.
Первый метод АЧР чаще всего применяется в системе электроснабжения промышленных предприятий. Он заключается в срабатывании реле частоты РЧ при определенном её значении, задаваемом энергосистемой, что приводит к отключению части потребителей через промежуточное реле РП.
Второй метод АЧР с отключением потребителей в определенной очередности применяется обычно в энергосистемах.
При снижении частоты срабатывает частотное реле 1Ч, которое через промежуточное реле 1П дает импульс (без выдержки) на отключение первой очереди потребителей (контакты 10). Одновременно получает питание через промежуточное реле 2П специальное электродвигательное реле времени 2В.
Если после отключения первой очереди потребителей частота в сети не восстанавливается, то срабатывает частотное реле 2Ч и отключается вторая очередь через промежуточное реле 3П (контакты 20). Далее через контактное кольцо электродвигательного реле 2В отключаются остальные очереди ( контакты 30-90).
Если после отключения указанных очередей не восстанавливается до номинального уровня, то через реле 1В с максимальной выдержкой времени отключается последняя специальная очередь потребителей (контакты СО).

Рис. Схема устройства АЧР по скорости снижения частоты.
Несинусоидальность формы кривой напряжения и тока.
На современных промышленных предприятиях значительное распространение получили нагрузки, вольт-амперные характеристики которых нелинейны. K их числу относятся тиристорные преобразователи, установки дуговой и контактной сварки, электродуговые сталеплавильные и руднотермические печи, газоразрядные лампы и др. Эти нагрузки потребляют из сети ток, кривая которого оказывается несинусоидальной, в результате возникают нелинейные искажения кривой напряжения сети или, несинусоидальные режимы.
Несинусоидальные режимы неблагоприятно сказываются на работе силового электрооборудования, систем релейной защиты, автоматики, телемеханики и связи. Возникающие при этом экономические ущербы обусловлены главным образом, ухудшением энергетических показателей, снижением надежности функционирования электросетей и сокращение срока службы электрооборудования.
Основной круг вопросов , составляющих содержание проблемы несинусоидальности, сводится к следующим:
- оценка электромагнитной совместимости источников высших гармоник и других нагрузок;
- количественная оценка высших гармоник тока, генерируемых различными нелинейными нагрузками, и прогнозирование значений высших гармоник тока и напряжения в электросетях.
- снижение уровней высших гармоник
Известно, что любую несинусоидальную периодическую функцию f(wt) с периодом 2p, удовлетворяющую условию Дирихле можно представить в виде суммы постоянной величины и бесконечного ряда синусоидальных величин с кратными частотами. Такие синусоидальные составляющие называются гармониками.
Синусоидальная составляющая, период которой равен периоду несинусоидальной периодической величины, называется основной гармоникой. Остальные составляющие синусоиды с частотами со второй по n-ю называются высшими гармониками.
Согласно теореме Фурье, мгновенное значение функции f(wt) может быть представлено
тригонометрическим рядом.

где А0
- постоянная составляющая;
n - номер гармоники;
а, b - коэффициенты ряда Фурье;
n - номер последней из учитываемых гармоник.
Коэффициенты ряда Фурье определяются по формулам:


Амплитуду n-й гармоники определяют из выражения

а начальную фазу n-й гармоники

Токи высших гармоник, проходя по элементам сети, вызывают падения напряжения в сопротивлениях этих элементов, которые, накладываясь на основную синусоиду напряжения, приводят к искажению формы кривой напряжения.
Основные источники высших гармоник.
Вентильные преобразователи
Полупроводниковые преобразовательные устройства находят широкое применение на заводах черной и цветной металлургии и предприятиях химической промышленности. Потребителями постоянного тока на предприятиях являются регулируемый электропривод, электролизные установки, гальванические ванны, электрифицированный железнодорожный транспорт, магнитные сепараторы и др. технологические установки.
На промышленных предприятиях наибольшее применение получили трехфазные мостовые схемы. Эти схемы являются также основой для построения более сложных схем многомостовых преобразователей.
Для мостового преобразователя кривая сетевого тока при соединении первичной обмотки трансформатора преобразователя в звезду имеет вид, показанный на рис.
Форма кривой зависит от угла управления a, задаваемого системой импульсно-фазового управления, и угла коммутации g.

Порядок (номера) гармоник сетевых токов определяется выражением

где р- число фаз преобразователя;
k =1,2,3.......
Для мостового преобразователя, у которого р=6,
n=5;7;11;13;17;19;23;25;.........
Амплитуда n-й гармоники определяется выражением

где


Еm
- амплитуда ЭДС питающей энергосистемы
y=a+g/2 - угол сдвига по фазе между кривыми ЭДС 1-й гармоники сетевого тока.
Начальная фаза сдвига n-й гармоники определяется достаточно точно по формуле:

В практических расчетах y удобно находить по выражению:

где Ud
иUd0
- средние значения выпрямленного напряжения преобразователя соответственно в режимах нагрузки и холостого хода.
Проведенные исследования показали, что в амплитудных спектрах первичных токов преобразователей содержатся как канонические гармоники (n=5,7,11,13,17,19......), так и неканонические или анормальные гармоники (n=2,3,4,6,8......). Основной причиной появления анормальных гармоник является асимметрия импульсов управления, свойственная всем системам управления. Амплитуды анормальных гармоник по сравнению с амплитудами канонических гармоник как правило, невелики.
На базе трехфазной мостовой схемы реализуются ряд схем преобразователей применяемых в электроприводе:
- Тиристорный электропривод на базе вентильного двигателя;
- Асихронный вентильный каскад;
- Скомпенсированный вентильный электропривод;
- Привод на базе асинхронного двигателя с использованием частотного регулирования частоты вращения.
Дуговые сталеплавильные электропечи
Нелинейность вольт-амперной характеристики дуги приводит к генерации печами токов высших гармоник. Формы кривых тока печей в большой степени зависят от режима горения дуги в разные периоды плавки. В начальный период расплавления ток печи колеблется между токами режима холостого хода и короткого замыкания, форма кривых токов значительно отличается от синусоидальной. С появлением жидкого металла плавку ведут при короткой дуге, колебания тока сравнительно меньше. Форма кривых тока улучшается и приближается к синусоидальной.
В сравнении с вентильными преобразователями той же мощности уровни гармоник, генерируемых дуговыми печами, оказываются в 3¸4 раза меньше. Сказанное относится к периоду расплавления, поэтому для практических целей важно знать уровни гармоник для периода расплаления.
Токи гармоник для практических расчетов рекомендуют принимать

где Iп,Т
- номинальный ток печного трансформатора
Уровень 5,7,11 и 13-й гармоник тока, генерируемых электродуговыми печами, относительно невелик. Эквивалентное действующее значение их не превосходит 10% тока 1-й гармоники. В токах дуговых электропечей содержатся также анормальные 2,3,4,6-я гармоники. Основными причинами появления анормальных гармоник являются непрерывное изменение условий горения дуг печи и неполное выравнивание сопротивлений короткой сети. Эквивалентное действующее значение токов высших гармоник в токе за счет анормальных гармоник возрастает в 1,8¸2 раза.
Дуговые вакуумные печи
получают питание от вентильных преобразователей, которые коммутируются по 6-фазной схеме с уравнительным реактором. Кривая сетевого тока оказывается такой же, как и мостовых преобразователей электроприводов. Уровень анормальных гармоник тока оказывается весьма значительнее (I2
»8%, I3
»6%).
Однофазные печи электрошлакового переплава
являются практически линейной нагрузкой, поскольку переплав электрода осуществляется за счет нагрева слитка в слое расплавленного электропроводного шлака.
Рудиотермические печи
работают с шунтированной дугой, благодаря этому нелинейность дуги практически не проявляется. Содержание высших гармоник в токе печей незначительно; уровни 2,3 и 5-й гармоник тока не превышают 1¸1,5%, остальные гармоники оказываются намного меньше.
Установки электродуговой и контактной сварки
. Для установок электродуговой сварки в качестве источника питания используются полупроводниковые выпрямители. Токи высших гармоник, генерируемые сварочными выпрямителями, различны для отдельных режимов работы сварочных установок.
В зависимости от нагрузки выпрямитель может работать в одном из трех режимов: режиме прерывистых токов при малых нагрузках, которому соответствует двухвентильная коммутация А; средних нагрузках В; режиме трехвентильной коммутации при больших нагрузках С.
Режим А практического значения не имеет. В режиме В уровни 5-й и 7-й гармоник тока оказываются весьма нестабильными. Уровень высших гармоник тока в режиме С значительно ниже, чем в режиме В.
Установки контактной электросварки
включаются в сеть с помощью тиристорных ключей. Для плавного регулирования сварочного тока вентильные устройства снабжаются системами фазового регулирования. Применение фазового регулирования приводит к искажению формы тока, потребляемого сварочными машинами. Определяющими гармониками при разложении тока являются 1,3 и 5-я. Кроме нечетных гармоник присутствуют также четные гармоники. Появление четных гармоник объясняется разбросом углов регулирования вентилей. Влияние четных высших гармоник на несинусоидальность токов сварочных машин невелико.
Для установок дуговой или контактной электросварки токи гармоник определяют для единичной установки

где Sном.т
- номинальная мощность трансформатора;
KЗ
- коэффициент загрузки трансформатора;
ПВ - продолжительность включения.
ВЛИЯНИЕ ВЫСШИХ ГАРМОНИК НА РАБОТУ ЭЛЕКТРООБОРУДОВАНИЯ
Высшие гармоники в системах электроснабжения предприятий нежелательны по ряду причин: появляются дополнительные потери в электрических машинах, трансформаторах и сетях; затрудняется компенсация реактивной мощности с помощью батарей конденсаторов; сокращается срок службы изоляции электрических машин и аппаратов; ухудшается работа устройств автоматики, телемеханики и вязи.
При работе асинхронного двигателя в условиях несинусоидального напряжения немного снижается его коэффициент мощности и вращающий момент на валу.
Искажение формы кривой напряжения заметно сказывается на возникновении и протекании ионизационных процессов в изоляции электрических машин и трансформаторов. При наличии газовых включений в изоляции возникает ионизация, сущность которой заключается в образовании объемных зарядов и последующей нейтрализации их. Нейтрализация зарядов связана с рассеиванием энергии, следствием которого является электрическое, механическое и химическое воздействие на окружающий диэлектрик; в результате развиваются местные дефекты в изоляции, что приводит к снижению её электропрочности, возрастанию диэлектрических потерь и в конечном счете к сокращению срока службы.
Наиболее ощутимое влияние высших гармоник оказывает на работу батарей конденсаторов. Конденсаторы работающие при несинусоидальном напряжении, в ряде случаев быстро выходят из строя в результате вспучиваний и взрывов. Причиной разрушения конденсаторов является перегрузка и токами высших гармоник, которая возникает, как правило, при возникновении в сети резонансного режима на частоте одной из гармоник.
В соответствии с ГОСТ батареи конденсаторов могут длительно работать при перегрузке их токами высших гармоник не более на 30%; однако при длительной эксплуатации конденсаторов в этих условиях срок службы сокращается.
При несинусоидальном режиме сети происходит ускорение старения изоляции силовых кабелей. Исследования кабелей работающих при синусоидальном и при уровне высших гармоник в кривой напряжения в пределах 6¸8,5% показали, что токи утечки во втором случае через 2,5 года эксплуатации оказались в среднем на 36%, через 3,5 года - на 43% больше, чем в первом.
Высшие гармоники тока и напряжения влияют на погрешности электроизмерительных приборов. Индукционные счетчики активной и реактивной энергии при несинусоидальных напряжениях и токах имеют довольно большую погрешность, которая может достигать 10%.
Наличие высших гармоник затрудняется и в ряде случаев делает невозможным использование силовых цепей в качестве каналов для передачи информации. Высшие гармоники ухудшают работу телемеханических устройств и даже вызывают сбой в их работе, если силовые цепи используются в качестве каналов связи между полукомплектами диспетчерского контролируемого пунктов.
Несинусоидальность формы кривой напряжения отрицательно сказывается на работе вентильных преобра-зователей, ухудшая качество выпрямления тока.
Потери мощности вызываемые высшими гармониками.
При прохождении токов высших гармоник по элементам системы электроснабжения возникают дополнительные потери активной мощности:
1. Дополнительные потери активной мощности в синхронных машинах от высших гармонических тока определяется по формуле:

где DРнсм
- дополнительные потери в металле обмоток (меди) синхронной машины от высших гармоник;
DРнс.ст
- дополнительные потери в стали от высших гармоник;
DРнс.т
-мощность, идущая на преодоление тормозного момента вызываемого током высшей гармоники.
2. Дополнительные потери активной мощности в обмотках асинхронного двигателя, обусловленные токами высших гармоник, определяются по формуле.

где R1
n
R2
n
'
- активное сопротивление статора и приведенное активное сопротивление ротора на частоте n-й гармоники.
3. Дополнительные потери активной мощности в силовых трансформаторах, кабельных и воздушных линиях и реакторах определяются по формуле:

4. дополнительные потери активной мощности в силовых конденсаторах:
а) Дополнительные потери активной мощности в диэлектрике силового конденсатора :

б) Дополнительные потери активной мощности от внешних гармоник в изоляции от корпуса
силовых конденсаторов:

в) Дополнительные потери активной мощности от внешних гармоник в обкладках конденсаторов:
где Кn,e
n
- коэффициент учитывающий влияние поверсхности эффекта на участке е.
Ке
- сопротивление е-го участка.
Способы уменьшения несинусоидальности напряжения в электрических сетях
Увеличение числа фаз выпрямления.
С увеличением числа фаз выпрямления форма первичного тока преобразователя приближается в токе выпрямителя и, следовательно, в напряжении сети, уменьшается. Так, например, при 6-фазной схеме выпрямления в токе вентильного агрегата содержатся 5,7,11,13,17,19,23,25- я..... гармоники, а при 12-фазной схеме- 11,13,23,25-я..... гармоники. Расчеты показывают, что при этом несинусоидальность напряжения сети уменьшается в 1,4 раза. Увеличение числа фаз выпрямления является действенной мерой снижения содержания высших гармоник в кривых первичного тока преобразователей и напряжения сети. Однако эти устройства получаются слишком сложными, дорогими и ненадежными. В настоящее время наибольшее распространение получили 12-фазный режим выпрямления.
Многофазный эквивалентный режим работы преобразо-вателей.
Увеличение числа фаз выпрямителя возможно также путем создания эквивалентного режима для группы вентильных агрегатов, при сохранении для каждого из них 6- фазного выпрямителя. Например, 12-фазный эквивалентный режим для двухмостового преобразователя может быть реализован путём соединения одной из обмоток анодного трансформатора в треугольник, а другой - в звезду. В результате в первичных обмотках трансформаторов обеих агрегатов присутствуют гармоники порядков n=6k±1, но в питающую сеть выходят только гармоники порядков n=12k±1, а остальные гармоники тока циркулируют между первичными обмотками трансформаторов.
Снижение уровней гармоник средствами питающей сети
достигается в основном рациональным построением схемы электроснабжения, при котором обеспечивается допустимый уровень гармоник напряжения на шинах потребителя. Наиболее распространенными средствами являются применение трансформаторов преобразователей с повышенным напряжением 110-220 кВ; питание нелинейных нагрузок от отдельных трансформаторов или подключение их к отдельным обмоткам трехобмоточных трансформаторов; подключение параллельно нелинейным нагрузкам синхронных и асихронных двигателей.
Фильтры высших гармоник
Звено фильтра представляет собой конур из последовательно соединенных индуктивности и ёмкости, настроенный на частоту определенной гармоники.
Сопротивление звена фильтра токами высших гармоник
или 
где ХL
ХC
-сопротивления индуктивности и ёмкости току промышленной частоты.

С увеличением частоты индуктивное сопротивление реактора увеличивается пропорционально номеру гармоники, а сопротивление батареи конденсаторов уменьшается обратно пропорционально номеру гармоники. На частоте одной из гармоник индуктивное сопротивление реактора звена фильтра становится равным ёмкостному сопротивлению батареи конденсаторов и в цепи звена фильтра возникает резонанс напряжений. При этом сопротивление звена ХФ,
n
току этой гармоники становится равны нулю и оно шунтирует электрическую систему на частоте данной гармоники.
Номер резонансной гармоники nр
может быть вычислен по формуле

Идеальный фильтр полностью потребляет ток гармоники In генерируемый нелинейными элементами. Однако из-за наличия активных сопротивлений в реакторе и конденсаторе и неточной их настройки полная фильтрация гармоник практически невозможна.
Количество звеньев в фильтре может быть любое. Но на практике, как правило, применяют фильтры, состоящие из двух или четырех звеньев, настроенные на 5,7,11,13,23, и 25-ю гармоники.
Одновременно фильтр является источником реактивной мощности и может служить в качестве одного из средств для компенсации реактивных нагрузок.
Основным недостатком фильтров является их высокая стоимость, кроме этого распространение фильтров ограничивает также большая их чувствительность к точности настройки.
.
|