| МИНИСТЕРСТВО ОБРАЗОВАНИЯ РЕСПУБЛИКИ БЕЛАРУСЬ
Учреждение образования
«ГРОДНЕНСКИЙ ГОСУДАРСТВЕННЫЙ УНИВЕРСИТЕТ
им. Я. КУПАЛА»
Кафедра
«Машиноведение и техническая эксплуатация автомобилей»
КОНТРОЛЬНАЯ РАБОТА
по дисциплине «Введение в специальность»
Тема: Перспективы развития автомобильных двигателей, работающих на водороде
Выполнил: Проверил:
Валиев Евгений Сагитович
д.т.н., профессор
Студент 1 курса ЗФ Потеха Валентин
Группа ТЭА-6 Леонидович
моб. тел. 8-0447722085
г.Гродно, 2009
СОДЕРЖАНИЕ
Введение………………………………………………………………….3
Глава 1. Водородные технологии
……………………………………..5
1.1Водород………………………………………………………………..5
1.2. Получение водорода………………………………………………...6
Глава 2. Перспективы в автомобилестроении
……………………...7
2.1. Двигатель внутреннего сгорания работающий на водороде……..7
2.2. Силовая установка, реализующая способ Колбенева…………....12
Глава 3 Первые автомобиля с водородным двигателем
…………14
3.1. Автомобиль ВАЗ 2131……………………………………………..14
3.2. Автомобиль ВМW-745Н…………………………………………..16
3.3. Автомобиль Honda Civic FCX ………………………………..18
Вывод
ы…………………………………………………………………..20
Список использованной литературы
……………………………….21
Введение
Исследования Солнца, звёзд, межзвёздного пространства показывают, что самым распространённым элементом Вселенной является водород (в космосе в виде раскалённой плазмы он составляет 70 % массы Солнца и звёзд).
По некоторым расчётам, каждую секунду в глубинах Солнца примерно 564 млн. тонн водорода в результате термоядерного синтеза превращаются в 560 млн. тонн гелия, а 4 млн. тонн водорода превращаются в мощное излучение, которое уходит в космическое пространство. Нет опасений, что на Солнце скоро иссякнут запасы водорода. Оно существует миллиарды лет, а запас водорода в нём достаточен для того, чтобы обеспечить ещё столько же лет горения. Поэтому водород представляет для нас очень большой интерес. Влияние и польза водорода в наши дни очень велика. Практически все известные сейчас виды топлива, за исключением, разумеется, водорода, загрязняют окружающую среду. В городах нашей страны ежегодно проходит озеленение, но этого, как видно, недостаточно. В миллионы новых моделей автомобилей, которые сейчас выпускаются, заливают такое топливо, которое выпускает в атмосферу углекислый (СО2
) и угарный (СО) газы. Дышать таким воздухом и постоянно находиться в такой атмосфере представляет очень большую опасность для здоровья. От этого происходят различные заболевания, многие из которых практически не поддаются лечению, а уж тем более невозможно лечить их, продолжая находиться в можно сказать «заражённой» выхлопными газами атмосфере. Мы хотим быть здоровыми, и разумеется, хотим, чтобы поколения, которые пойдут за нами, тоже не жаловались и не страдали от постоянного загрязняемого воздуха, а наоборот, помнили и доверяли пословице: «Солнце, воздух и вода - наши лучшие друзья».
Забиваем Сайты В ТОП КУВАЛДОЙ - Уникальные возможности от SeoHammer
Каждая ссылка анализируется по трем пакетам оценки: SEO, Трафик и SMM.
SeoHammer делает продвижение сайта прозрачным и простым занятием.
Ссылки, вечные ссылки, статьи, упоминания, пресс-релизы - используйте по максимуму потенциал SeoHammer для продвижения вашего сайта.
Что умеет делать SeoHammer
— Продвижение в один клик, интеллектуальный подбор запросов, покупка самых лучших ссылок с высокой степенью качества у лучших бирж ссылок.
— Регулярная проверка качества ссылок по более чем 100 показателям и ежедневный пересчет показателей качества проекта.
— Все известные форматы ссылок: арендные ссылки, вечные ссылки, публикации (упоминания, мнения, отзывы, статьи, пресс-релизы).
— SeoHammer покажет, где рост или падение, а также запросы, на которые нужно обратить внимание.
SeoHammer еще предоставляет технологию Буст, она ускоряет продвижение в десятки раз,
а первые результаты появляются уже в течение первых 7 дней.
Зарегистрироваться и Начать продвижение
Что касается воздуха, то здесь на повестке дня уже много лет стоит не менее важная проблема. И если представить, хотя бы на секунду, что все современные двигатели будут работать на экологически чистом топливе, коим, разумеется, является водород, то наша планета встанет на путь, ведущий к экологическому раю. Но это всё фантазии и представления, которые, к великому нашему сожалению ещё не скоро станут реальностью. Несмотря на то, что наш мир приближается к экологическому кризису, все страны, даже те, которые в большей степени загрязняют своей промышленностью окружающую среду, (ФРГ, Япония, США, и как это не прискорбно - Россия) не торопятся паниковать и начинать экстренную политику по ее очищению.
Сколько бы мы не говорили о положительном влиянии водорода, на практике это можно увидеть довольно таки не часто. Но всё же разрабатывается множество проектов, и целью моей работы явился не только рассказ о самом чудесном топливе, но и о его применении. Эта тема очень актуальна, поскольку сейчас жителей не только нашей страны, но и всего мира, волнует проблема экологии и возможные пути решения этой проблемы.
Переход на водородную технологию и использование воды в качестве единственного источника сырья для получения водорода не может изменить не только водного баланса планеты, но и водного баланса отдельных её регионов.
Так, годовая энергетическая потребность такой высокоиндустриальной страны, как ФРГ, может быть обеспечена за счёт водорода, полученного из такого количества воды, которое соответствует 1,5% среднего стока реки Рейн (2180 л воды дают 1 тут в виде H2
). Отметим попутно, что на наших глазах становится реальной одна из гениальных догадок великого фантаста Жюля Верна, который устами героя рома «Таинственный остров» (гл. XVII) заявляет: «Вода - это уголь будущих веков».
Сервис онлайн-записи на собственном Telegram-боте
Попробуйте сервис онлайн-записи VisitTime на основе вашего собственного Telegram-бота:
— Разгрузит мастера, специалиста или компанию;
— Позволит гибко управлять расписанием и загрузкой;
— Разошлет оповещения о новых услугах или акциях;
— Позволит принять оплату на карту/кошелек/счет;
— Позволит записываться на групповые и персональные посещения;
— Поможет получить от клиента отзывы о визите к вам;
— Включает в себя сервис чаевых.
Для новых пользователей первый месяц бесплатно.
Зарегистрироваться в сервисе
Глава 1. Водородные технологии
1.1Водород
Водород - один из наиболее распространённых элементов и на Земле. В земной коре из каждых 100 атомов 17 - атомы водорода. Он составляет примерно 0,88 % от массы земного шара (включая атмосферу, литосферу и гидросферу). Если вспомнить, что воды на земной поверхности более. 1,5•1018
м3
и что массовая доля водорода в воде составляет 11,19 %, то становится ясно, что сырья для получения водорода на Земле - неограниченное количество. Водород входит в состав нефти (10,9 - 13,8 %), древесины (6 %), угля (бурый уголь - 5,5%), природного газа (25,13 %). Водород входит в состав всех животных и растительных организмов. Он содержится и в вулканических газах. Основная масса водорода попадает в атмосферу в результате биологических процессов. При разложении в анаэробных условиях миллиардов тонн растительных остатков в воздух выделяется значительное количество водорода. Этот водород в атмосфере быстро рассеивается и диффундирует в верхние слои атмосферы. Имея малую массу, молекулы водорода обладают высокой скоростью диффузионного движения (она близка ко второй космической скорости) и, попадая в верхние слои атмосферы, могут улететь в космическое пространство. Концентрация водорода в верхних слоях атмосферы составляет 1•10-4
%.
Водород, получаемый из воды, - один из наиболее энергонасыщенных носителей энергии. Ведь теплота сгорания 1 кг H2
составляет (по низшему пределу) 120 МДж/кг, в то время как теплота сгорания бензина или лучшего углеводородного авиационного топлива - 46 - 50 МДж/кг, т.е. в 2,5 раза меньше 1 т водорода соответствует по своему энергетическому эквиваленту 4,1 тут, к тому же водород - легковозобновляемое топливо.
Но водород как топливо и химическое сырьё обладает и рядом других ценнейших качеств. Универсальность водорода заключается в том, что он может заменить любой вид горючего в самых разных областях энергетики, транспорта, промышленности, в быту. Он заменяет бензин а автомобильных двигателях, керосин в реактивных авиационных двигателях, ацетилен в процессах сварки и резки металлов, природный газ для бытовых и иных целей, метан в топливных элементах, кокс в металлургических процессах (прямое восстановление руд), углеводороды в ряде микробиологических процессов. Водород легко транспортируется по трубам и распределяется по мелким потребителям, его можно получать и хранить в любых количествах. В то же время водород - сырьё для ряда важнейших химических синтезов (аммиака, метанола, гидразина), для получения синтетических углеводородов.
1.2. Получение водорода
В распоряжении современных технологов имеются сотни технических методов получения водородного топлива, углеводородных газов, жидких углеводородов, воды. Выбор того или иного метода диктуется экономическими соображениями, наличием соответствующих сырьевых и энергетических ресурсов. В разных странах могут быть различные ситуации. Например, в странах, где имеется дешёвая избыточная электроэнергия, вырабатываемая на гидроэлектростанциях, можно получать водород электролизом воды (Норвегия); где много твёрдого топлива и дороги углеводороды, можно получать водород газификацией твёрдого топлива (Китай); где дешёвая нефть, можно получать водород из жидких углеводородов (Ближний Восток). Однако больше всего водорода получают в настоящее время из углеводородных газов конверсией метана и его гомологов (США, Россия).
В процессе конверсии метана водяным паром, диоксидом углерода, кислородом и оксида углерода водяным паром протекают следующие каталитические реакции. Рассмотрим процесс получения водорода конверсией природного газа (метана).
Получение водорода осуществляется в три стадии. Первая стадия - конверсия метана в трубчатой печи:
CH4
+ H2
O = CO + 3H2
- 206,4 кДж/моль
или
CH4
+CO2
= 2CO + 2H2
- 248, 3 кДж/моль.
Вторая стадия связана с доконверсией остаточного метана первой стадии кислородом воздуха и введением в газовую смесь азота, если водород используется для синтеза аммиака. (Если получается чистый водород, второй стадии принципиально может и не быть).
CH4
+ 0,5O2
= CO + 2H2
+ 35,6 кДж/моль.
И, наконец, третья стадия - конверсия оксида углерода водяным паром:
CO + H2
O = СO2
+ H2
+ 41,0 кДж/моль.
Для всех указанных стадий требуется водяной пар, а для первой стадии - много тепла, поэтому процесс в энерготехнологическом плане проводится таким образом, чтобы трубчатые печи снаружи обогревались сжигаемым в печах метаном, а остаточное тепло дымовых использовалось для получения водяного пара.
Электролиз - получение водорода из воды путем пропускания через неё мощной электрической искры. Остальные способы технически невозможны, либо ещё дороже, чем и без того дорогой электролиз. Для получения очень малого количества водорода путем электролиза требуется огромное количество электрической энергии, что делает водород слишком дорогим.
Глава 2. Перспективы в автомобилестроении
2.1. Двигатель внутреннего сгорания работающий на водороде
Топливный кризис 70-х годов заставил многие автомобильные компании по-новому взглянуть на альтернативные виды горючего. Тогда-то и был отмечен первый всплеск интереса к водороду. А что, этот "кандидат" выглядел вполне многообещающе. Водорода на Земле – море. В прямом смысле слова, ведь его можно получать из воды. Однако вскоре кризис пошел на убыль, нефтепроводы заработали на полную мощность, а водородные проблемы были, на первый взгляд, отодвинуты в дальние углы академических лабораторий. Однако прошло двадцать лет, и теперь эти исследования, похоже, обрели второе дыхание – они оказались созвучны современным "экологическим" настроениям. Действительно: сжигаем водород – получаем воду. Как ни взгляни – вполне нейтральный и безвредный продукт.
Как всегда, в новом и перспективном деле множество вариантов. Единообразие придет потом, а пока выбор довольно велик. Самое простое – вместо бензобака разместить на автомобиле баллоны со сжатым водородом. Подходящая аппаратура уже существует – ведь в мире немало автомобилей работает на сжатом газе. Правда, природном, но приспособить эти устройства относительно легко. Конечно, и сам двигатель придется переделывать, но об этом чуть позже. Такой путь, хотя и кажется простым, все-таки маловероятен. Трудно представить водителя, который добровольно согласится возить емкости со сжатым до 200 кгс/см² водородом, к тому же способным коварно проникать через мельчайшие неплотности топливной аппаратуры. В чем намного превосходит природный газ, состоящий из более "тяжелых и неповоротливых" молекул и потому менее склонный к утечкам. А еще каждый, безусловно, припомнит "гремучий газ" – взрывоопасную смесь водорода с кислородом в объемном соотношении 2:1. Не более перспективным выглядит и сжиженный водород. Кому захочется иметь дело с топливом, которое нужно хранить при –253°С? И на какие технические ухищрения придется идти конструкторам, чтобы поддерживать такой холод сколько-нибудь длительное время? Итак, этот вариант пока тоже отпадает.
К счастью, есть еще одна возможность – гидриды. Напомним, что атомы металлов располагаются в определенном порядке, их "построение" называют кристаллической решеткой. Так вот, некоторые металлы и сплавы способны "разместить" между своими атомами и атомы водорода. Такие "сообщества" и называют гидридами. Так размещаются атомы водорода в кристаллической решетке металла (рис.2.1.1).

Рисунок 2.1.1. Кристаллическая решетка гидрида
Не вдаваясь в подробности, заметим, что емкость подобного "хранилища" (при равном объеме устройства) впятеро выше, чем у баллона со сжатым газом, и почти вдвое – чем у Дьюара со сжиженным. Исследователи настойчиво ищут наиболее походящие сплавы, но уже известно, что наилучшей основой для них является титан. Гидридные накопители штука довольно сложная, и, естественно, они не состоят из цельного куска металла, а больше напоминают губку со множеством каналов – для скорейшего поглощения и выделения водорода. Последнее происходит при нагреве гидридов, а уж источник тепла на автомобиле долго искать не нужно – скажем, для этой цели вполне подойдут горячие выхлопные газы. Еще одна важная черта гидридов – они стократ безопаснее других способов хранения водорода. Правда, для автомобильного транспорта емкость и у них маловата, а вес и сложность устройства, напротив, велики. Резонно задать вопрос: если хранение вызывает такие трудности, нельзя ли получать водород непосредственно на автомобиле? Оказывается, можно. Самым перспективным считается способ, при котором сырьем служит метанол, или, по старой российской классификации, метиловый спирт. Применяется довольно широко – даже входит в состав большинства автомобильных жидкостей для мытья стекол.
Итак, бак автомобиля – по сути, вполне обычный – наполняют легкой жидкостью с резким спиртовым запахом. Отсюда она попадает в реактор, испаряется и в присутствии катализатора реагирует с водяным паром, выделяя водород и двуокись углерода. Топливо получено, осталось его использовать. Кстати, можно провести реакцию другим способом, тогда вторым из продуктов окажется не СО2, а СО (тот самый, с которым борются экологи); смесь последнего с водородом получила название синтез-газ. Поскольку Н2 и СО горючи, их можно вместе непосредственно сжигать в цилиндрах двигателя внутреннего сгорания (рис. 2.1.2.).Подобные эксперименты проводились во множестве лабораторий.

Рисунок 2.1.2.Структура топливного элемента.

Рисунок 2.1.3.Схема топливного элемента.
Более чем столетняя традиция транспортных средств с моторами внутреннего сгорания практически однозначно решает этот вопрос. Такой путь сулит определенные выгоды – повышается эффективный КПД двигателя, единственным прямым продуктом реакции является водяной пар, и даже оксидов азота (они образуются при высокой температуре из кислорода и азота воздуха) выбрасывается в атмосферу в 4–5 раз меньше, чем при езде на бензине (рис. 2.1.3.).
Определенную опасность представляют вспышки "гремучего газа" в коллекторе в момент открытия впускного клапана. Чтобы избежать этого, инженеры в 70-е годы предполагали подавать водород непосредственно в камеру сгорания. На чертежах тех лет нетрудно заметить дополнительный канал в головке блока цилиндров и маленький клапан, управляющий поступлением водорода. Позднее выяснилось, что проблему можно решить по-другому – скажем, впрыскивать в рабочую смесь воду или обеспечить рециркуляцию отработавших газов (тоже, по сути, водяного пара). К преимуществам водорода как моторного топлива следует отнести его высокую детонационную стойкость, что позволяет заметно увеличить степень сжатия и давление надува. Эти меры поднимут эффективную мощность двигателя (при "бензиновых" степенях сжатия из-за меньшего коэффициента наполнения мощность двигателя на водороде оказывается меньше) (рис. 2.1.4.) .Проводились эксперименты и по использованию водорода в дизеле.

Рисунок 2.1.4. Схема реактора
Правда, в газодизельном цикле небольшая порция жидкого топлива подавалась в цилиндр, чтобы инициировать начало горения. Дизелю водород тоже пошел бы на пользу – с ним выбросы сажи и твердых частиц сводятся почти к нулю.
На первый взгляд, добавить к тому, что сказано, вроде бы нечего, если не погружаться в рассуждения о том, что лучше сжигать: чистый водород, синтез-газ или их всевозможные смеси с бензином, метанолом, соляркой... Но, оказывается, не все специалисты мыслят столь прямолинейно. Некоторые, раз ступив на путь исследований в области химии водорода, уже и слышать, не хотят о двигателях внутреннего сгорания. И вот, благодаря усилиям конструкторов на сцене появляется новое удивительное устройство, позволяющее при реакции водорода с кислородом получить электрическую энергию непосредственно!
Многие, вероятно, помнят школьные опыты по электролизу: в воду опускают два электрода, подводят определенное напряжение, и на одном из них начинает выделяться водород, а на другом – кислород. Здесь же все происходит с точностью до наоборот. Водород в чем-то сродни металлам, и его атом легко теряет свой единственный электрон. В устройстве, получившем название водородный топливный элемент, реакция водорода с кислородом происходит в несколько стадий. Сперва водород вынужден пройти через ионообменную мембрану, которая свободно пропускает лишь протоны – лишенные электрона атомы водорода (Н+), а вовсе не его молекулы Н2. Электроны при этом остаются на отрицательном электроде (он же – платиновый катализатор). Пройдя через мембрану, водород вновь получает свой электрон – в момент реакции с кислородом воздуха, на положительном (и тоже платиновом) электроде. Электроны же вынуждены идти "кружным путем", через электрическую цепь, производя при этом полезную работу.
Ну вот, осталось подключить электродвигатель, блок управления и... батарею аккумуляторов. Последняя, естественно, меньше, чем в электромобилях, и служит для приведения всего устройства в рабочее состояние, а также сглаживает пиковые нагрузки на топливный элемент и сохраняет энергию при торможении. Опытные экземпляры транспортных средств с такой чудовищной по сложности силовой установкой уже бегают по полигонам многих зарубежных автомобильных концернов.
2.2. Силовая установка, реализующая способ Колбенева.
Использование:
способ работы силовой установки с двигателем внутреннего сгорания, работающим на водороде или на его смеси с углеводородным топливом.
Сущность изобретения:
способ включает подачу мелкораздробленного энергоносителя и воды в газогенератор, поддержание соотношения масс воды и энергоносителя большим, чем стехиометрически необходимое, проведение реакции, получение смеси водяного пара и водорода, подачу паров газа в двигатель, сжигание горючей смеси и преобразование энергии расширяющихся газов во вращательную энергию вала. В качестве энергоносителя используют сплав, включающий 96-75%
алюминия; 0,5-5,0%
галлия; 0,5-5,0%
индия; олово, кадмий, сурьма, висмут и магний - остальное, соотношение масс воды и энергоносителя выдерживают в интервале 5: 1-10:1
, реакцию проводят при температуре 60-67o
C
, получают смесь водяного пара и водорода в соотношении масс 5:1
, отделяют горючий газ и пар от шлаковых продуктов реакции и удаляют шлак в отстойник, где теплом отработавших газов двигателя нагревают до 450-500o
C
, неизрасходованную в результате реакции воду возвращают в газогенератор для повторного использования, воздух перед подачей в двигатель пропускают через энергоноситель, уменьшая трение его частиц, подогревают теплом парогаза и осуществляют подачу воздуха через газогенератор.

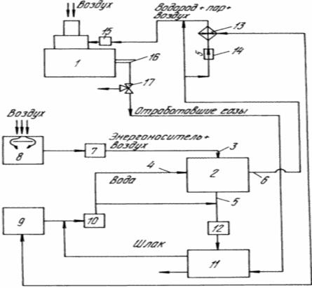
Рисунок 2.2.1. Схема силовой установки, реализующая способ Колбенева
.
Силовая установка (рис. 2.2.1.) с двигателем 1 содержит газогенератор 2, снабженный входами 3 и 4 выходами 5 и 6. Первый вход 3 газогенератора 2 через насос 7 подачи энергоносителя подключен к резервуару 8 с энергоносителем в виде мелкодисперсного порошка. Бак 9 с водой соединен через нагнетатель 10 со вторым входом газогенератора 2 и дополнительно подключен к первому выходу 5 газогенератора 2 и отстойнику 11. Первый выход 5 газогенератора 2 и отстойнику 11. Первый выход 5 газогенератора 2 при помощи механизма 12 принудительного удаления шлака связан с отстойником 11. Второй выход 6 газогенератора 2 соединен с двигателем 1 через конденсатор 13, регулятор 14 и насос 15 подачи парогаза. Выхлопная труба 16 двигателя 1 соединена с отстойником 11 через кран 17. В качестве энергоносителя, заполняющего резервуар 8, используют сплав, включающий 96-75%
алюминия; 0,5-5,0%
галлия, 0,5-5,0%
индия; олово, кадмий, сурьма, висмут и магний - остальное.
Пуск двигателя 1 осуществляется на углеводородном топливе, водороде или смеси водорода и углеводородного топлива. С помощью нагнетателя 10 вода направляется из бака 9 через вход 4 в газогенератор 2 для выработки водорода и разжижения шлака в механизме 12 принудительного его удаления в отстойник 11. Одновременно с этим из резервуара 8 энергоноситель с помощью насоса 7 поступает на вход 8 газогенератора 2, где происходит перемешивание и дробление на струи энергоносителя и воды, образование пароводородной смеси и шлака. Из выхода 6 газогенератора 2 водяной пар, водород и воздух, пропускаемый через энергоноситель, заполняющий резервуар 8, проходит через конденсатор 13, где пароводород превращается в водород с заданным содержанием влаги и воду, которая возвращается в бак 9. Для регулирования соотношения масс водяного пара и водорода в пароводородной смеси меняют "время-сечение" электромагнитного клапана регулятора 14 и пропускают частично или полностью пароводородную смесь через конденсатор 13. Воздух, проходя через резервуар 8, нагревается теплом газогенератора, ликвидирует брикетирование энергоносителя и уменьшает трение его частиц, и поступает в двигатель 1 через насос 15 подачи парогаза.
Глава 3 Первые автомобиля с водородным двигателем
3.1. Автомобиль ВАЗ 2131
АВТОВАЗ, будучи крупнейшим отечественным автопроизводителем, не остается в стороне от мировых тенденций. В этом году на пятый Московском международном автосалоне ВАЗ представил принципиально новую разработку электромобиля на топливных элементах, концепт, затрагивающий не внешнюю сторону, а меняющий саму суть автомобиля в будущем.
Рисунок. 3.1.1. Автомобиль ВАЗ 2131
На автомобиле находятся баллоны с водородом и кислородом. В специальном электрохимическом генераторе между водородом и кислородом происходит химическая реакция при температуре около 100 градусов, в результате чего производится электричество, а в качестве "выхлопа" образуется вода. Вот основной принцип энергоустановки. Водород, определяющий пробег автомобиля, находится под давлением 290 атмосфер, и машина может пройти 250 километров. Весь этот комплекс установлен на электромобиль, созданный на базе ВАЗ-2131(рис. 3.1.1.) несколько лет назад. Впервые у нас в стране такой генератор был создан для космических целей, в частности для "лунной" программы и для "Бурана". Разработка энергоустановки велась совместно с Уральским электрохимическим комбинатом и Ракетно-космической корпорацией "Энергия" г. Королев. Нужно заметить, что двигатель внутреннего сгорания имеет коэффициент полезного действия около 30 процентов, а новая энергоустановка на топливных элементах - в два раза больше. То есть если перевести на любое условное топливо, то получается, что эта энергоустановка абсолютно экологически чистая и тратит в два раза меньше топлива и Не опаснее, чем содержание паров бензина с воздухом. Когда впервые появились автомобили на бензине, тоже боялись, что машины начнут взрываться. Но этого не происходит. Конечно, в дальнейшем будут переходить с кислорода на воздух.

Рисунок 3.1.2. Автомобиль на топливных элементах
Здесь тоже свои трудности: кислорода в воздухе содержится всего 20 процентов, и чтобы получить такой же эффект как при чистом кислороде, нужно в пять раз больше воздуха. В таком случае потребуется ставить компрессор, который будет закачивать воздух в энергоустановку. Но даже если перейти с кислорода на воздух и оставить один чистый водород на борту автомобиля, возникает другой вопрос. Где взять водород для заправки? По всей видимости, первое время придется устанавливать прямо на борту такой генератор, который будет вырабатывать водород из бензина (рис 3.1.2.).
3.2. Автомобиль ВМW-745Н
О том, как близко водородные машины приблизились к реальной жизни, можно судить по BMW 745h (рис. 3.2.1.). Буква h - это химический знак водорода. BMW 745h оснащается восьмицилиндровым двигателем на водороде. Как и предшественник, 745hL, он может работать как на бензине, так и на водороде. Двигатель объемом 4,4 литра развивает 135 кВт (184 л.с.), максимальная скорость равна 215 км/ч. Запаса водородного топлива хватает для преодоления 300 километров, если добавить к этому 650 километров, которые можно проехать, заправив полный бак бензина, получаем почти 1000 километров - очень приличную цифру. Компания BMW представила новый экспериментальный седан 750hL с двигателем на водородном топливе.
Рисунок 3.2.1. Автомобиль ВМW-750НL
Таким топливом (водород+кислород) обычно заправляют ракеты. Разработчиков привлекла экологичность двигателя - он выделяет только водяной пар. Машина была продемонстрирована в Лос-Анджелесе - одном из самых задымленных городов США. По мнению специалистов, удалось сделать важный шаг к переходу на "безбензиновые" двигатели. Компания BMW будет продолжать тестирование новых автомобилей в своем исследовательском центре в Калифорнии. Двигатели на водороде не только экологичны, но и очень экономичны. На модели 750hL установлен 12-цилиндровый двигатель, разгоняющий машину до 141 миль в час. Жидкий водород закачивается в специальный бак и позволяет автомобилю проехать без дозаправки около 200 миль. Между тем, некоторые эксперты скептически относятся к оснащению автомобиля таким взрывоопасным дополнением. К тому же, на сегодня нет дешевой и надежной технологии производства водорода, что повлияет на потребительскую привлекательность машины. Как сообщается, в серийное производство машина пойдет только лет через десять, но BMW надеется запустить модели серии 7 на водородном топливе раньше. Основной задачей считается создание необходимой инфраструктуры и изобретения надежного способа хранения такого топлива "на борту".
Сжиженный водород хранится на автомобиле в криогенном баке. Построена водородная заправка. Особенностью этой машины является вспрыск чистого водорода под давлением в 300 атмосфер прямо в цилиндр двигателя.
В Германии мелкосерийно производится автомобиль ВМW-750НL, двигатель которого питается не бензином, а сжатым водородом. Таким образом , ВМW стала первой в мире компанией, выпускающей легковые автомобили с водородными двигателями."
Однако с использованием водородного топлива все еще связаны значительные трудности. Например, для поддержания водорода в жидком состоянии, что необходимо для обеспечения достаточного запаса хода, бак должен находиться под чрезвычайно высоким давлением, что приводит к повышению взрыва - и пожароопасности.
3.3. Автомобиль Honda Civic FCX
Компания Honda объявила, что на будущий год намечен выход нового автомобиля Honda Civic FCX, оснащенного водородным двигателем. Таким образом, Honda становится первой из мировых компаний-автопроизводителей, кто начнет массовый выпуск автомобилей на полностью водородном топливе.
  Рисунок 3.3.1. Автомобиль Honda Civic FCX
В разработке водородные двигатели представляют собой разновидность электродвигателей. В данном случае электричество генерируется в топливных элементах, где смешиваются чистый водород и кислород, в результате чего вырабатывается необходимая энергия, а в качестве выхлопа получается обыкновенная вода. Производители говорят, что водород для большинства двигателей можно будет получать из различных природных газов.
Экологически чистый седан был значительно доработан по сравнению с нынешним поколением FCX. Новый аккумуляторный отсек занимает на 50% меньше места, чем раньше, и стал на 40% легче. Теперь размеры силовой установки вполне сравнимы с обычным гибридом. Запас хода на одной заправке водородом у FCX Clarity составляет более 430 километров.
Вместе с тем, переход на водородные автомобили в ближайшие 5-6 лет в мировом масштабе осуществить не удастся, так как еще не все производители анонсировали свои будущие водородные линейки автомобилей, а во вторых, на сегодня в мире водородных автозаправок насчитывается не больше сотни, причем около 90 из них находятся в Японии и США.
Вывод
Переход транспорта, промышленности, быта на сжигание водорода - это путь к радикальному решению проблемы охраны воздушного бассейна от загрязнения оксидами углерода, азота, серы, углеводородами. Чтобы накопить ископаемое горючее на нашей планете, нужны миллионы лет, а чтобы в цикле получения и использования водорода из воды получить воду, нужны дни, недели, а иногда часы и минуты.
Но водород как топливо и химическое сырьё обладает и рядом других ценнейших качеств. Универсальность водорода заключается в том, что он может заменить любой вид горючего в самых разных областях энергетики, транспорта, промышленности, в быту. Он заменяет бензин в автомобильных двигателях, керосин в реактивных авиационных двигателях, ацетилен в процессах сварки и резки металлов, природный газ для бытовых и иных целей, метан в топливных элементах, кокс в металлургических процессах (прямое восстановление руд), углеводороды в ряде микробиологических процессов. Водород легко транспортируется по трубам и распределяется по мелким потребителям, его можно получать и хранить в любых количествах. В то же время водород - сырьё для ряда важнейших химических синтезов (аммиака, метанола, гидразина), для получения синтетических углеводородов.
Автопроизводители говорят, что водородные двигатели решают сразу две важнейшие задачи, во-первых, они делают автомобили и их выхлопы безвредными для окружающей среды, а во-вторых, они снижают зависимость транспортной системы, являющейся ключевой для современного мира, он нефти и ее производных.
Список использованных информационных источников:
1.Бондарович А.Н. Сравнение характеристик отечественных и зарубежных автомобилей // Автомобильный транспорт.-2004. (статья из журнала).
2.История автомобильного транспорта. Режим доступа: www.auto-book.net
3.Непомнящий А.Л. История автомобилей. Режим доступа :http://automan.ru
4.Шотт, А.В. Курс лекций по истории автомобильного транспорта /А.В. Шотт, И.С. Петров. – Минск: Асар, 2004 – 525 с.
5.Экология и жизнь -2005- №5- с.62-63 (статья из журнала)
6.Электронный ресурс - www.google.by
7.Электронный ресурс - www.library.by
|