 |
Билеты: ЗНО физика 2009 с ответами
Название: ЗНО физика 2009 с ответами
Раздел: ЗНО
Тип: билеты
Добавлен 04:14:29 25 февраля 2011 Похожие работы
Просмотров: 168
Комментариев: 20
Оценило: 2 человек
Средний балл: 5
Оценка: неизвестно Скачать
|
| Зовнішнє незалежне оцінювання 2009 року з фізики
| № і зміст завдання
|
Правильна відповідь
|
| 1. Рух тіла описано рівнянням х = 4 - Зt + 2t2
, де всі величини виражено в одиницях SI. Визначте проекцію швидкості тіла на вісь ОХ через 2 секунди після початку руху.
| А - 6 м/с
|
Б 5 м/с
|
В 6 м/с
|
Г 8 м/с
|
|
Б
|
| 2. За поданим графіком залежності координати тіла від часу визначте можливий графік залежності проекції швидкості цього тіла від часу.
|
A
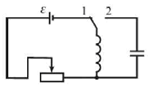
|
| 3. Вантаж масою 5,19 кг підвішено до невагомих стержнів (див. рисунок). З'єднання у точках А, В, С є шарнірними. Довжина стержня АВ становить 70 см, довжина стержня ВС -35 см. Визначте силу, що стискає стержень АВ. Уважайте, що g = 10 м/с2
, корінь квадратний з 3 дорівнює 1,73.
| 
|
A 20 Н Б 30 H В 50 H Г 60 H
|
|
Г
|
| 4. Брусок тягнуть угору похилою площиною. Рух бруска є рівномірним. Визначте ККД цієї похилої площини, якщо її довжина дорівнює 0,5 м, а висота — 0,2 м. Результати зважування бруска подано на фото, розміщеному праворуч. Уважайте, що g - 10 м/с2
.
| 
|
A 85% Б 80% В 75% Г 50%
|
|
Б
|
| 5. Пластилінова кулька вільно падає на підлогу без початкової швидкості. Укажіть графік, що відображає залежність потенціальної енергії цієї кульки від часу. 
|
В
|
| 6. Повітряну кулю об'ємом 200 м3
наповнено теплим повітрям. Куля з підвішеним до неї вантажем плаває на невеликій висоті над землею, де густина зовнішнього повітря дорівнює 1,3 кг/м3
. Загальна маса оболонки кулі та вантажу, що підвішений до кулі, становить 100 кг. Визначте густину повітря всередині кулі.
| А 1,25 кг/м3
|
Б 0,8 кг/м3
|
В 0,5 кг/м3
|
Г 0,05 кг/м3
|
|
Б
|
| 7. Визначте, під час якого із зазначених процесів з певною масою газу концентрація молекул газу не змінюється. A Ізохорний процес Б Ізотермічний процес В Адіабатний процес Г Ізобарний процес
|
A
|
| 8. Початковий об'єм газу становить 60 л. Визначте, яким стане об'єм цієї маси газу, якщо абсолютна температура підвищиться від 300 К до 450 К, а тиск зменшиться в 2 рази.
| А 20 л
|
Б 45 л
|
В 80 л
|
Г 180 л
|
|
Г
|
| 9. Температура нагрівника ідеальної теплової машини дорівнює 527 0
С, а температура холодильника становить 7 0
С. Визначте, яку кількість теплоти має передати нагрівник робочому тілу, щоб машина виконала корисну роботу, що дорівнює 5,2 кДж.
Забиваем Сайты В ТОП КУВАЛДОЙ - Уникальные возможности от SeoHammer
Каждая ссылка анализируется по трем пакетам оценки: SEO, Трафик и SMM.
SeoHammer делает продвижение сайта прозрачным и простым занятием.
Ссылки, вечные ссылки, статьи, упоминания, пресс-релизы - используйте по максимуму потенциал SeoHammer для продвижения вашего сайта.
Что умеет делать SeoHammer
— Продвижение в один клик, интеллектуальный подбор запросов, покупка самых лучших ссылок с высокой степенью качества у лучших бирж ссылок.
— Регулярная проверка качества ссылок по более чем 100 показателям и ежедневный пересчет показателей качества проекта.
— Все известные форматы ссылок: арендные ссылки, вечные ссылки, публикации (упоминания, мнения, отзывы, статьи, пресс-релизы).
— SeoHammer покажет, где рост или падение, а также запросы, на которые нужно обратить внимание.
SeoHammer еще предоставляет технологию Буст, она ускоряет продвижение в десятки раз,
а первые результаты появляются уже в течение первых 7 дней.
Зарегистрироваться и Начать продвижение
| А 0,07 кДж
|
Б 3,4 кДж
|
В 5,27 кДж
|
Г 8 кДж
|
|
Г
|
| 10. Відносна вологість повітря в закритому балоні дорівнювала 60% за температури 30 0
С. Визначте відносну вологість повітря в балоні після охолодження повітря до 11 0
С.
| Температура, 0
С
|
Густина насиченої водяної пари, г/м3
|
| 11
|
10
|
| 30
|
30
|
|
A 20% Б 60% В 66% Г 100%
|
|
Г
|
| 11. Уважаючи електричне поле у проміжку між контактами батареї гальванічних елементів «Крона» однорідним, визначте модуль напруженості цього поля. ЕРС батареї дорівнює 9 В. Відстань між контактами становить 6 мм.
| А 9 В/м
|
Б 540 В/м
|
В 1,5 кВ/м
|
Г 9 кВ/м
|
|
В
|
| 12. Два конденсатори ємністю 10 мкФ і 20 мкФ були з'єднані у батарею за схемою, зображеною на рисунку 1. Потім ці самі конденсатори з'єднали за схемою, зображеною на рисунку 2. Визначте, як змінилася ємність, батареї конденсаторів у результаті такої зміни їхнього з'єднання.
| 
|
A збільшилася у 4,5 раза Б збільшилася у 4 рази В зменшилася у 4 рази Г зменшилася у 4,5 раза
|
|
A
|
| 13. Два однакових конденсатори заряджені до напруги 200 В. Один із них розрядили за допомогою резистора. У результаті протікання розрядного струму резистор нагрівся на 5 0
С. Інший конденсатор розряджають через два такі самі резистори, з'єднані паралельно. На скільки градусів нагріються резистори у другому випадку? Уважайте, що вся енергія електричного поля конденсатора перетворюється на внутрішню енергію резисторів.
| А 25 0
С
|
Б 10 0
С
|
В 5 0
С
|
Г 2,5 0
С
|
|
Г
|
| 14. Ділянка електричного кола складається з трьох однакових резисторів та вимикача (див. рисунок). Коли вимикач розімкнено, опір ділянки дорівнює 6 Ом. Визначте, яким буде опір ділянки електричного кола після замикання вимикача.
| 
|
A 3 Ом Б 4,5 Ом В 6 Ом Г 9 Ом
|
|
Б
|
| 15. Досліджуючи вольт-амперну характеристику суцільного шматка матеріалу, отримали зображений на рисунку результат. Визначте, який це міг бути матеріал.
| 
|
A Алюміній Б Залізо В Слюда Г Кремній
|
|
Г
|
| 16. Електрична лампа ліхтаря з вольфрамовою ниткою розжарення, що живиться від акумулятора напругою 12 В, має потужність 24 Вт. Обчисліть кількість електронів, які проходять через нитку розжарення лампи щосекунди. Елементарний електричний заряд дорівнює 1,6 • 10 -19
Кл.
| А 0,8 • 10 19
|
Б 1,25 • 10 19
|
В 1,6 • 10 19
|
Г 3,2 • 10 19
|
|
Б
|
| 17. Мідний провідник, маса якого дорівнює 2 г, довжина - 10 см, уміщений горизонтально в однорідне магнітне поле з індукцією 20 мТл. Вектор магнітної індукції горизонтальний і перпендикулярний до провідника. Визначте силу струму, яка повинна бути у провіднику, щоб він "завис" у магнітному полі. Уважайте, що g - 10 м/с2
.
Сервис онлайн-записи на собственном Telegram-боте
Попробуйте сервис онлайн-записи VisitTime на основе вашего собственного Telegram-бота:
— Разгрузит мастера, специалиста или компанию;
— Позволит гибко управлять расписанием и загрузкой;
— Разошлет оповещения о новых услугах или акциях;
— Позволит принять оплату на карту/кошелек/счет;
— Позволит записываться на групповые и персональные посещения;
— Поможет получить от клиента отзывы о визите к вам;
— Включает в себя сервис чаевых.
Для новых пользователей первый месяц бесплатно.
Зарегистрироваться в сервисе
| А 0,1 А
|
Б 10 А
|
В 20 А
|
Г 10 000 А
|
|
Б
|
| 18. У повітрі поширюється звукова хвиля з частотою 1,7 кГц. Визначте довжину хвилі, якщо швидкість звуку в повітрі дорівнює 340 м/с.
| А 5 см
|
Б 20 см
|
В 58 см
|
Г 580 см
|
|
Б
|
| 19. Посудина з водою, у дні якої є невеликий отвір, здійснює вертикальні коливання на пружині. Початковий період коливань дорівнює 4 с. Вода потроху витікає. Визначте, яким буде період коливань, коли маса посудини з водою зменшиться в 4 рази.
|
Г
|
| 20. Частота вільних коливань у коливальному контурі з ідеальних конденсатора та котушки дорівнює 2 кГц. Ті самі конденсатор і котушку з'єднали послідовно та підключили до джерела змінного струму. Визначте, як змінюватиметься амплітудне значення сили струму Im
в колі, якщо частоту змінного струму повільно збільшувати від 1 до 3 кГц. Амплітуда напруги є сталою. A Im
весь час зростатиме Б Im
весь час зменшуватиметься В Im
зростатиме, а потім зменшуватиметься Г Im
зменшуватиметься, а потім зростатиме
|
В
|
| 21. Індуктивність котушки коливального контура дорівнює 20 мГн. Визначте ємність конденсатора, якщо максимальна напруга на ньому становить 80 В, а максимальна сила струму в котушці дорівнює 2 А. Коливання в контурі вважайте незатухаючими.
| А 2,5 мкФ
|
Б 7,5 мкФ
|
В 12,5 мкФ
|
Г 20 мкФ
|
|
В
|
| 22. Увечері від хлопчика, що знаходиться неподалік ліхтарного стовпа, на землі утворилася тінь. Якщо хлопчик відійде на 1 м від ліхтарного стовпа, тінь хлопчика стане довшою на 50 см. Визначте висоту ліхтаря над землею, якщо зріст хлопчика дорівнює 1,5 м. Ліхтар закріплено на верхівці стовпа.
| А 3 м
|
Б 3,5 м
|
В 4 м
|
Г 4,5 м
|
|
Г
|
| 23. Тіло отримало внаслідок теплопровідності кількість теплоти Q і внаслідок випромінювання втратило енергію 2Q/3. Визначте, як змінилася маса спокою тіла. Швидкість світла у вакуумі дорівнює с. A зменшилася на Q/3c2
Б зменшилася на 5Q/3c2
В збільшилася на Q/3c2
Г збільшилася на 5Q/3c2
|
В
|
| 24. Речовину по черзі опромінюють пучками різних частинок, що мають невелику кінетичну енергію. Визначте, які з цих частинок можуть бути захоплені ядрами атомів.
| А альфа - частинки
|
Б електрони
|
В протони
|
Г нейтрони
|
|
Г
|
| 25. Унаслідок ядерної реакції між ядрами Дейтерію ( 2
1
Н) і Молібдену ( 98
42
Мо) утворилося ядро Технецію (99
43
Тс). Укажіть, яка ще частинка утворилася в результаті цієї реакції.
| А 1
1
p
|
Б 4
2
He
|
В 0
-1
e
|
Г 1
0
n
|
|
Г
|
| 26. Установіть відповідність між процесами та формулами, що їх описують.
| 1 Розтягується гумова нитка.
|
A A = mgh
|
| 2 Тіло падає на землю.
|
Б E = (kx2
)/2
|
| 3 Черевик ковзає по підлозі.
|
В F = µN
|
| 4 М'яч плаває на поверхні озера.
|
Г F1
l1
= F2
l2
|
| Д F = рgV
|
|
1-Б, 2-А, 3-В, 4-Д
|
| 27. На рисунку зображено графік залежності механічної напруги в мідному дроті від відносного видовження дроту (дельта l / l0
). Установіть відповідність між точками K, L, М, N на графіку і характером деформації дроту.
|

|
| 1 точка К
|
A Деформація непружна, спостерігається текучість.
|
| 2 точка L
|
Б Деформація пружна, закон Гука не виконується.
|
| 3 точка M
|
В Деформація непружна, закон Гука виконується.
|
| 4 точка N
|
Г Деформація пружна, закон Гука виконується.
|
| Д Деформація непружна, відповідає границі міцності.
|
|
1-Г, 2-Б, 3-А, 4-Д
|
| 28. Установіть відповідність між указаними діями і результатами (можливими змінами опору провідника).
| 1 Неізольований металевий дріт склали удвоє.
|
А Опір провідника не змінився.
|
| 2 Неізольований металевий дріт протягли через волочильний верстат: довжина дроту збільшилася у 2 рази, а маса не змінилася.
|
Б Опір провідника збільшився в 4 рази.
|
| 3 На неізольованому металевому дроті нарізали різьбу, у результаті цього площа його поперечного перерізу зменшилася вдвічі по всій довжині.
|
В Опір провідника збільшився в 2 рази.
|
| 4 Неізольований металевий дріт вкрили ізоляцією.
|
Г Опір провідника зменшився в 4 рази.
|
| Д Опір провідника зменшився до нуля.
|
|
1-Г, 2-Б, 3-В, 4-А
|
| 29. У мішку з піском масою 1 кг, що висить на легкому підвісі завдовжки 10 м, застряє куля масою 10 г, яка летіла горизонтально зі швидкістю 1010 м/с. Визначте кут, на який відхилиться підвіс від вертикалі. Уважайте, що g= 10 м/с2
. Відповідь запишіть у градусах.
|
600
|
| 30. Визначте кількість теплоти, яку отримав ідеальний газ під час процесу, зображеного на графіку. Урахуйте, що внутрішня енергія ідеального газу залежить тільки від його температури. Відповідь запишіть у джоулях. 
|
200 Дж
|
| 31. Електричне коло складається з гальванічного елемента (1) з внутрішнім опором 0,5 Ом, магазину резисторів (2), реостата (3) та амперметра (4). Проведено два досліди (див. фотографії). Визначте кількість теплоти, що виділялася за 1 хв у обмотці реостата під час досліду 1. Опір реостата в обох дослідах однаковий. Результат запишіть у джоулях. Довідка: магазин резисторів являє собою чотири послідовно з'єднані дротяні спіралі, опори яких дорівнюють 1 Ом, 2 Ом, 2 Ом, 5 Ом. Кожна спіраль може вмикатися в електричне коло чи вимикатися з нього шляхом видалення чи встановлення спеціальної металевої перемички. Коли всі перемички вставлені, загальний опір магазину можна вважати рівним нулю, коли всі видалені — рівним 10 Ом. 
|
15 Дж
|
| 32. Під час роботи електродвигуна постійного струму сила струму в обмотці його ротора дорівнює 1 А. Якщо зупинити обертання ротора, сила струму в його обмотці збільшиться до 10 А. Визначте частку електричної енергії, що витрачається на нагрівання обмотки ротора під час його обертання. Напругу в мережі, від якої живиться електродвигун, уважайте сталою.
|
0,1
|
| 33. У електричному колі, зображеному на рисунку, внутрішній опір джерела струму дорівнює 1 Ом, повний опір реостата дорівнює 6 Ом, активний опір котушки дорівнює 2 Ом. Спочатку ковзний контакт реостата знаходився в крайньому лівому положенні, а ключ — у положенні 1. Коли ключ перевели в положення 2, у конденсаторі та котушці виникли вільні електромагнітні коливання. Визначте, у скільки разів збільшиться початкова амплітуда коливань, якщо установити опір реостата рівним 3 Ом та повторити дослід. 
|
1,5
|
| 34. На рисунку показано пучок монохроматичного світла, що проходить через дифракційну ґратку Д, яка має 1250 штрихів на один міліметр. Визначте довжину хвилі світла. Уважайте, що корінь квадратний з двух дорівнює 1,41. Відповідь запишіть у нанометрах. 
|
564 нм
|
| 35. Монохроматичне світло падає на поверхні двох різних металів. Для першого з них робота виходу електронів дорівнює 1,1 еВ, а для другого вона дорівнює 2,9 еВ. Визначте максимальну швидкість фотоелектронів, що вилітають із другого металу, якщо для першого металу ця швидкість дорівнює 1000 км/с. Уважайте, що маса електрона дорівнює 9 • 10 -31 кг, 1 еВ = 1,6 • 10 -19
Дж. Відповідь запишіть у кілометрах за секунду.
|
600 км/с
|
|
Комментарии:
| Хватит париться. На сайте FAST-REFERAT.RU вам сделают любой реферат, курсовую или дипломную. Сам пользуюсь, и вам советую! |
| Никита | 00:40:53 04 ноября 2021 | |
|
| |
| |
| |
| |
|
Смотреть все комментарии (20) Работы, похожие на Билеты: ЗНО физика 2009 с ответами
Назад |
 |