Содержание
Введение
1. Подготовка к работе и работа машинно-тракторного агрегата с КС-2,1 МВ
1.1 Общие положения, подготовка к работе и производительность МТА
1.2 Классификация косилок и агрегатические требования к ним
1.3 Косилка скоростная – 2,1 МВ
2. Коробка передач трактора ДТ-75 МВ
2.1 Общие сведения
2.2 Коробка передач ДТ-75 МВ 1
2.3 Неисправности коробки передач
3. Органические удобрения
Список использованной литературы
Введение
Профессия механизатора на селе сейчас главная. Нет такой отрасли в сельскохозяйственном производстве, где бы не использовались технические средства – трактор, комбайн, плуг, транспортер и др. И первое место среди них принадлежит трактору.
Механизация является одним из главных направлений технического прогресса в сельском хозяйстве. Внедрение машин должно повысить производство продуктов и снизить удельные затраты на их производство. Однако экономический эффект от приобретения одной и той же машины для различных сельскохозяйственных зон неодинаков. Пополнение хозяйств новой техникой должно быть плановым, научно обоснованным. Разграничивают планирование на текущий период и перспективу.
При планировании на текущий период следует принимать во внимание наличие техники в расчетном хозяйстве, запланированную структуру посевных площадей, технико-экономические показатели машин, находящихся в серийном производстве, аналитическую зависимость влияния продолжительности работ на урожайность культур, закупочные цены на продукты, а также возможности сельскохозяйственного машиностроения.
Интенсификация сельскохозяйственного производства – одно из основных направлений значительного роста урожайности культур.
1. Подготовка к работе и работа машинно-тракторного агрегата с КС-2,1 МВ
1.1
Общие положения, подготовка к работе и производительность МТА
Машинно-тракторный агрегат – основная разновидность сельскохозяйственного машинного агрегата, энергетическим средством для которого служит трактор или самоходная машина. В тяговом агрегате трактор используют как тяговое энергетическое средство (например, вспашка, лущение, боронование). В тягово-приводном агрегате трактор используют для перемещения машин и вращения их рабочих органов (фрезирование, рассадопосадочные), осуществляется отвалом отбора мощности (ВОМ) и еще через гидропривод (при помощи гидравлики трактора). В приводном агрегате мощность двигателя трактора расходуется на привод механизмов рабочих машин. Исходя из конкретных условий внесения твердых органических удобрений выбраны марки следующие марки тракторов: трактор К-701 и трактор Т-70СМ.
Забиваем Сайты В ТОП КУВАЛДОЙ - Уникальные возможности от SeoHammer
Каждая ссылка анализируется по трем пакетам оценки: SEO, Трафик и SMM.
SeoHammer делает продвижение сайта прозрачным и простым занятием.
Ссылки, вечные ссылки, статьи, упоминания, пресс-релизы - используйте по максимуму потенциал SeoHammer для продвижения вашего сайта.
Что умеет делать SeoHammer
— Продвижение в один клик, интеллектуальный подбор запросов, покупка самых лучших ссылок с высокой степенью качества у лучших бирж ссылок.
— Регулярная проверка качества ссылок по более чем 100 показателям и ежедневный пересчет показателей качества проекта.
— Все известные форматы ссылок: арендные ссылки, вечные ссылки, публикации (упоминания, мнения, отзывы, статьи, пресс-релизы).
— SeoHammer покажет, где рост или падение, а также запросы, на которые нужно обратить внимание.
SeoHammer еще предоставляет технологию Буст, она ускоряет продвижение в десятки раз,
а первые результаты появляются уже в течение первых 7 дней.
Зарегистрироваться и Начать продвижение
Перейдем к их описанию:
Трактор К-701 -
колесный, сельскохозяйственный, общего назначения, повышенной проходимости, тягового класса 5.
Предназначен для выполнения в агрегате с широкозахватными машинами различных сельскохозяйственных (вспашка и глубокое рыхление почвы, культивация, дискование, боронование, лущение стерни, посев, снегозадержание), транспортных, дорожно-строительных, мелиоративных, землеройных и других работ.
На тракторе установлен четырехтактный, двенадцатицилиндровый, V-образный дизельный двигатель ЯМЗ-240Б (ЯМЗ-240БМ) с запуском от электростартера с предварительной прокачкой маслозакачивающим насосом. Для облегчения запуска в холодное время года служит предпусковой подогреватель.
Силовая передача состоит из полужесткой муфты с редуктором привода насосов гидросистем управления поворотом и навесным оборудованием; механической, двенадцатискоростной, четырехрежимной коробки передач с зубчатыми колесами постоянного зацепления и фрикционными элементами; открытойкарданной передачи с игольчатыми подшипниками; ведущих мостов.
Коробка передач с механизмом переключения передач внутри каждого режима без разрыва потока мощности. В коробке передач может быть установлен ходоуменьшитель.
Ведущие мосты с автоматической блокировкой дифференциала жестко соединены с рамой. Задний мост можно отключать, передний включен постоянно. Конечная передача планетарная.
Управление трактором прямое и реверсивное при помощи рулевого колеса через червячную передачу и распределитель золотникового типа. Механизмом поворота служит рама, шарнирно сочлененная с двумя силовыми гидроцилиндрами двойного действия.
Ходовая часть состоит из четырех односкатных колес с шинами низкого давления с протектором повышенной проходимости. Все колеса оборудованы колодочными тормозами с пневматическим ножным приводом. Ручной стояночный тормоз дисковый, установлен на переднем мосту. Кабина цельнометаллическая, двухместная, герметизированная, с отоплением и вентиляцией. Сиденье подрессоренное, регулируемое по росту и массе водителя. Привод прицепных и навесных машин от независимого ВОМ (односкоростной с задним расположением). Трактор оборудован раздельно-агрегатной гидравлической системой, трехточечным механизмом навески, гидрокрюком и прицепной скобой. Система электрооборудования постоянного тока, однопроводная, с номинальным напряжением 12 В. Минус выведен на массу.
Сервис онлайн-записи на собственном Telegram-боте
Попробуйте сервис онлайн-записи VisitTime на основе вашего собственного Telegram-бота:
— Разгрузит мастера, специалиста или компанию;
— Позволит гибко управлять расписанием и загрузкой;
— Разошлет оповещения о новых услугах или акциях;
— Позволит принять оплату на карту/кошелек/счет;
— Позволит записываться на групповые и персональные посещения;
— Поможет получить от клиента отзывы о визите к вам;
— Включает в себя сервис чаевых.
Для новых пользователей первый месяц бесплатно.
Зарегистрироваться в сервисе
Трактор Т-70СМ - г
усеничный, пропашной, тягового класса 2, является модернизацией трактора Т-70С. Предназначен для выполнения в агрегате с навесными, полунавесными и прицепными гидрофицированными машинами всего комплекса работ по возделыванию сахарной свеклы, высеваемой с междурядьями 45 и 60 см, и других пропашных культур. Можно использовать на работах общего назначения.
На тракторе установлен бескомпрессорный четырехцилиндровый четырехтактный дизельный двигатель Д-241Л с непосредственным впрыском топлива, жидкостным охлаждением. Запуск основного двигателя с места водителя при помощи пускового двигателя с электростартером Остов трактора состоит из полурамы, выполненной из двух лонжеронов, связанных между собой передним брусом, и корпусов: главной муфты сцепления, КП, заднего моста, конечных передач. Спереди и сзади он подрессорен четырьмя круглыми, поперечно расположенными торсионами (по два спереди и сзади). Коробка передач механическая, восьмиступенчатая, с передвижными шестернями и блокировочным устройством, исключающим запуск дизеля при включенной передаче.
Для выполнения работ общего назначения трактор комплектуется гусеничной цепью шириной 30 см. На тракторе установлен задний ВОМ, имеющий независимый и синхронный приводы. Независимый привод осуществляется от коленчатого вала дизеля через двухскоростной редуктор, расположенный в корпусе муфты сцепления и позволяющий получать две скорости вращения. Трактор оборудован раздельно-агрегатной гидросистемой, механизмом задней навески с автосцепкой для присоединения навесных и полунавесных сельскохозяйственных машин. Машины присоединяют при помощи прицепного устройства, устанавливаемого на задние концы продольных тяг механизма навески.
Кинематическая длина агрегата подсчитывается по формуле:
Lk
= Lт
+ Lсц
+ Lм
где Lт
– кинематическая длина трактора, м; Lсц
– кинематическая длина сцепки, м, Lм
– кинематическая длина сельскохозяйственной машины, м.
Определим кинематическую длину каждого из агрегатов:
I агрегат (К-701 + ПРТ16М): Lk
= Lт
+ Lсц
+ Lм
= 3,35 + 8,1 = 11,45 (м).
I агрегат (Т70СМ + МТТ-Ф-8): Lk
= Lт
+ Lсц
+ Lм
= 1,895 + 10,7 = 12,595 (м).
В полевых условиях рабочая ширина захвата агрегата по показателю равномерности распределения удобрений определяется в такой последовательности.
На площадке или на ровном участке поля расставляют два ряда учетных площадок (противней) на ширину, равную ориентировочному расстоянию между смежными приходами агрегата.
По ряду противней, сначала с левой его стороны, при обратном ходе - с правой, проходит агрегат, рассевает удобрения на учетные площадки; следующий проход агрегата по ряду протвиней начинают с его правой стороны.
После четырех проходов агрегата (по два в противоположных направлениях) удобрения из противней собирают и взвешивают. Обрабатывая результаты взвешивания, определяют неравномерность распределения удобрений на выбранной ширине захвата.
Равномерность распределения удобрений по ширине захвата агрегата оценивается коэффициентом вариации количества. Расстояние, при котором неравномерность не превышает 25% (для пневморазбрасывателей химических мелиорантов 30%), принимают за рабочую ширину захвата агрегата.
Производительность машинно-тракторного агрегата зависит от конструктивных параметров трактора, машины и агрегата в целом, а также от природных условий, режима и организации производственного процесса.
Производительность машинно-тракторного агрегата – это количество, выполненное им в единицу времени (ч), работы, определенного вида и качества, измеренной в соответствующих единицах (Pa, т, м3
).
Производительность машинно-тракторного агрегата при полевых работах зависит от ширины, скорости движения, времени полезного использования машины. Различают теоретическую, техническую и действительную производительность.
Действительную производительность подвижных машинно-тракторных агрегатов рассчитывают по формулам:
часовая
Wч
= 0,1Вр
Vр
ф, га/ч;
сменная
Wсм
= 0,1Вр
Vр
Tсм
ф, га/смену,
где Вр - рабочая ширина захвата агрегата, м; VP
- рабочая скорость движения агрегата, км/ч; Тсм
- время смены, (7 ч); ф - коэффициент использования времени смены.
Коэффициент ф учитывает снижение сменной производительности агрегата из-за наличия простоев и неэффективного использования времени. При его выборе следует учитывать, что у агрегатов имеющих небольшую ширину захвата коэффициент больше, чем у широкозахватных агрегатов, а также, что с увеличением длины гона коэффициент повышается.
1.2 Классификация косилок и агротехнические требования к ним
Классификация косилок следующая. Косилки подразделяют по числу режущих аппаратов и назначению.
По числу режущих аппаратов косилки бывают однобрусные, двух-брусные, трехбрусные и пятибрусные.
По назначению косилки делят: на косилки для скашивания трав, на косилки-плющилки и косилки измельчители.
Агротехнические требования таковы. Косилки должны обеспечивать получение кормов без потерь и высокого качества. Они должны производить: срез естественных трав не выше 6 см и сеянных трав не выше 8 см, укладку скошенной массы в прямолинейные валки, оборачивание валков на половину оборота для просушивания нижних слоев, создавать условия для полного сбора скошенной массы кондиционной влажности.
Виды косилок:
Навесная ротационная косилка КРН-2,1А используется при скашивании высокоурожайных естественных и сеянных трав. Агрегатируется косилка с тракторами МТЗ-80 и МТЗ-82.
Косилка включает в себя раму навески 8, ротационный режущий аппарат 3, механизм уравновешивания 4, подрамник 5, гидрооборудование 7, тяговый предохранитель 9, механизм привода 10 и полевой делитель 1.
Рабочий процесс происходит следующим образом. Стебли растений срезаются пластинчатыми ножами, смонтированными шарнирно на роторах. Вращаются ножи навстречу один другому со скоростью 65 м/с. Срезают ножи растения по принципу бесподпорного среза, захватывают их и выносят из зоны резания, затем продвигают над режущим аппаратом. Эта срезанная масса, встретившись со щитком полевого делителя, изменяет траекторию движения, падает в прокос, освобождая место для прохода колес трактора при повторном заезде.
Рама навески обеспечивает присоединение косилки к навесному устройству трактора. Состоит она из главной рамы и подвески.
Главная рама выполнена сваркой и имеет оси для соединения ее с нижними тягами навесного устройства трактора. Правая сторона этой рамы оборудована осью для тягового предохранителя. Этот предохранитель после монтажа фиксируют на оси штырем и шплинтом. К раме шарнирно прикреплена подвеска, нижняя часть которой оснащена кронштейном для установки подрамника. Подвеска имеет цепь для присоединения транспортной тяги. Ротационный режущий аппарат используют для скашивания травы. Аппарат имеет панель бруса и днище, скрепленные болтами. Под днищем размещены башмаки для опоры на землю.
Режущий аппарат поворачивается в цапфах кронштейнов, что позволяет копировать неровности почвы. Оснащен режущий аппарат четырьмя одинаковыми роторами. Каждый ротор оборудован двумя ножами, которые шарнирно смонтированы на специальных болтах. Средние роторы оснащены удлиненными ножами.
Правая часть режущего аппарата оборудована кронштейном для присоединения полевого делителя. Механизм уравновешивания обеспечивает: ограничение давления режущего аппарата на почву, копирование этим аппаратом неровностей поля, перевод косилки в транспортное положение.
Механизм уравновешивания включает в себя гидроцилиндр, шарнирно сочлененный с рычагом. Этот рычаг при помощи тяги свободного хода присоединен к режущему аппарату.
В транспортном положении механизм уравновешивания фиксируют транспортной тягой, набрасываемой на штырь кронштейна 2 (рис. 1) и телескопическим стопорным устройством, установленным в положение транспорта. Гидрооборудование обеспечивает работу механизма уравновешивания.
В гидрооборудование входит: гидроцилиндр, замедленный клапан, сапун, рукава высокого давления и устройство, препятствующее вытеканию масла из гидросистемы при расчленении ее с трактором.

Рис. 1 - Навесная ротационная косилка КРН-2,1А: 1 - полевой делитель; 2 - кронштейн; 3 - режущий аппарат; 4 - механизм уравновешивания; 5 - подрамник; 6 - стойка; 7 - гидрооборудование; 8 - рама навески; 9 - тяговый предохранитель; 10 - механизм привода; 11 - носок.
Тяговый предохранитель служит для предохранения от поломок режущего аппарата при встрече с препятствием. Он имеет две тяги с клиновыми фиксаторами. В закрепленном состоянии фиксаторы удерживаются при помощи усилия, обеспечиваемого цилиндрической пружиной. Усилие по срабатыванию предохранителя регулируют гайкой.
Полевой делитель отделяет скошенную массу от нескошенного травостоя. В полевой делитель входит кронштейн, щиток делителя, пружина с чашечкой-шайбой и болт. Щиток делителя смонтирован так, что образует угол с направлением движения агрегата. В рабочем положении этот щиток удерживает пружина, допускающая отход его назад при перегрузках и возвращение в исходное положение при их преодолении.
Косилка-плющилка ротационная КПРН-ЗА используется при скашивании высокоурожайных сеянных трав с одновременным плющением стеблей и укладыванием массы в валок или расстил. Машина может работать на полях с перепутанным и полеглым травостоем в агрегате с тракторами МТЗ-80, МТЗ-82, ЮМЗ-6АЛ. Привод рабочих органов косилки от ВОМ трактора.
Косилка состоит из рамы в сборе, сницы с карданной передачей, режущего аппарата, плющильных вальцов, трансмиссии и защитного устройства. Скашивание травы производит ротационный режущий аппарат. Роторы, обладая встречным вращением и имея большую окружную скорость вращения ножей, осуществляют бесподпорный срез растений. Ножи и диски роторов срезанную траву подают в зону плющильных вальцов. Дальнейшее плющение растительной массы производят ребристые плющильные вальцы по всей ширине захвата. Затем эта масса направляющими валкообразующего устройства укладывается в валок. Плющить траву в сырую погоду не рекомендуется, т.к. расплющенные стебли гниют быстрее, чем нерасплющенные.
При работе косилки в «расстил» с нее снимают боковины валкообразующего устройства. Вальцы плющильные включают в себя верхний 7 (рис. 2) и нижний 2 вальцы, блок привода 21, натяжное устройство 19, цепи и механизм регулирования давления между вальцами. Нижний валец 2 прикреплен к боковинам рамы. Между фланцами 1 и 13 установлены сферические корпуса 10 с подшипниками 11, в которых размещены левая 3 и правая 12 цапфы вальца. Левая цапфа оснащена двухрядной звездочкой 4. Верхний валец при помощи кронштейнов 5 и 18 шарнирно сочленен с боковинами рамы, левая цапфа 6 оснащена звездочкой передачи вращения, а к кронштейну присоединена звездочка 16 натяжного устройства.
Ротационный режущий аппарат включает в себя основной брус, закрытый снизу днищем. К днищу прикреплены башмаки, при помощи которых режущий аппарат опирается на землю. Режущий аппарат присоединен к главной раме. Вдоль основного бруса, в верхней его части, закреплены роторы. Противоположные концы валов оснащены приводными шестернями. Промежуточные шестерни смонтированы на осях, верхние концы которых вставлены в отверстия кассеты основного бруса, а нижние - в отверстия крышки кассеты, прикрепленной к стойкам основного бруса. Режущий аппарат приводится в движение через карданную передачу. Механизм уравновешивания служит для поддержания одинакового и постоянного давления на почву режущего аппарата. Состоит механизм из двух компенсационных пружин, блок-звездочки, тяговой цепи и натяжного болта. Тяговая цепь при помощи серьги и оси прикреплена к коробке-снице. Противоположный конец цепи присоединен к компенсационным пружинам.
Трансмиссия машины включает в себя главный редуктор, привод плющильных вальцов, промежуточный редуктор, клиноременную передачу режущего аппарата. Валкообразующее устройство включает в себя левый и правый валкообразователи. Неподвижные части их прикреплены к боковинам и заднему брусу рамы.
Подготовка к работе.
Проверяют давление масла в гидросистеме, оно должно быть не менее 9,8 МПа расставляют колеса трактора на колею 1800 мм. Присоединяют сницу машины к серьге поперечины трактора. Соединяют вилку карданной передачи с ВОМ трактора. Натяжными устройствами 19 и 14 (рис. 2) регулируют натяжение приводных цепей. Натягивают цепи так, чтобы отвертка, вставленная в звено цепи, могла поворачиваться на угол 20-30°. Клиноременную передачу регулируют натяжными болтами. Для этого ослабляют болты крепления корпуса редуктора к раме, передвигают редуктор вдоль овальных отверстий. Затем натяжными болтами натягивают ремни так, чтобы усилие в 3-4 кг, предложенное в середине каждого ремня, отклоняло ремень от прямой линии на 14-16 мм. Прокладками под редуктор добиваются, чтобы ручьи шкивов располагались в одной плоскости. В плющильных вальцах регулируют зазор между вальцами, расположение ребер верхнего и нижнего вальцов и давления между вальцами. Регулировочными винтами 15 (рис 2), регулируют зазор между вальцами. Добиваются, чтобы минимальная величина зазора между ребрами и поверхностью труб была 8 мм. При регулировке взаимного расположения ребер вальцов отсоединяют однорядную цепь привода верхнего вальца.
1.3 Косилка скоростная -2,1 МВ
Предназначена для скашивания естестственных трав во всех зонах нашей страны. ЕЕ навешивают на тракторы Т-40 М, Т-25 А, МТЗ-80 и МТЗ-82. К раме косилки можно прикрепить приспособление, позволяющее работать в агрегате с прицепными косилками или граблями. Косилка состоит из рамы, навесного устройства, режущего аппарата, тяговой штанги, привода и шатуна.
Режущий аппарат включает в себя пальцевый брус и нож. Нож образован сегментами, спинкой и головкой. Сегменты изготовлены из высококачественной стали, их лезвия гладкие с углом заточки 19 градусов. Сегменты прикреплены к спинке из полосовой калиброванной стали. К спинке прикреплена также головка, служащая для присоединения шатуна к ножу. Пальцевый брус, представляющий собой стальную полосу переменного сечения с привернутыми к ней пальцами, опирается во время работы на два башмака – внутренний и наружный. В пальцах приклепаны противорежущие пластины на кромках пластин выполнена насечка, препятствующая выскальзыванию травы при срезании. Чтобы сегменты прилегали к противорежущим пластинам, на пальцевом бруске закреплены прижимные лапки, которые не дают ножу во время работы подниматься. Под каждой прижимной лапкой находятся пластины трения. Под действием давления массы нож стремится отойти назад и спинкой упирается в пластины, ограничивающие его ход.
Тяговая штанга одним концом соединена шарнирно со штырем рамы. на другой конец штанги надет корпус главного шарнира, закрепленный болтом при помощи рифленой шайбы и сектора. Сектор боковыми выступами закреплен на кронштейне, а шайба своим рифами входит в рифы сектора. В кронштейне и секторе сделаны продолговатые отверстия. Такое соединение позволяет наклонять режущий аппарат.
Шатун – металлический сборный, связан с головкой ножа пальцем и закреплен специальной гайкой. Через державку шатун соединен с пальцем шкива эксцентрика. Шатун приводится в действие от ВОМ трактора.
Колеса трактора устанавливают на максимальный транспортный просвет (расстояние между колесами должно быть 1400… 15000мм) и блокируют нижние тяги навесной системы для предотвращения поперечных перемещений. В транспортном положении косилки сферические втулки нижних тяг должны располагаться от земли на высоте 650 мм, в рабочем положении – на высоте 400 мм. Положение втулок регулируют, переставляя рычаги подъема навесной системы по шлицам, изменяя длину вертикальных тяг и устанавливая хомутик на штоке гидроцилиндра.
После навески косилки верхнюю и вертикальные тяги навесной системы настраивают так, чтобы в рабочем положении рама косилки располагалась горизонтально наружный башмак режущего аппарата по отношению к внутреннему должен выступать на 35…55мм. Это обеспечивают, изменяя длину шпренгеля и эксцентриковой втулки главного шарнира. При правильной установке башмаков нож и шатун во время работы размещаются на одной линии. В крайнем правом положении ножа середины сегментов не должны доходить до середины пальцев на 5 мм, что регулируют, изменяя длину шатуна.
Сегменты ножа должны быть остро заточены и располагаться в одной плоскости. При необходимости нож рихтуют. Вершины сегментов должны касаться противорежущих пластин, а между их задним концом и пластиной допускается зазор 1 мм. Чтобы уменьшить давление башмаков режущего аппарата на почву, амортизационную пружину натягивают как можно больше, но так, чтобы при работе косилки режущий аппарат не подскакивал и не отрывался от земли.
2. Коробка передач трактора ДТ-75 МВ
2.1 Общие сведения
Коробка передач служит для изменения крутящего момента, скорости и направления движения трактора или автомобиля. С помощью коробки передач можно на продолжительное время отключать двигатель от трансмиссии.
Действие коробки передач основано на том, что вращение от коленчатого вала двигателя передается на ходовую часть через зубчатые шестерни с определенным передаточным числом. при этом изменяется частота вращения ведомых валов и передаваемых ими крутящих моментов. С уменьшением частоты вращения ведомого вала крутящий момент, передаваемый им, возрастает во столько раз, во сколько частота вращения ведомого вала меньше частоты вращения ведущего.
Число, показывающее, во сколько раз изменяется частота вращения ведомого вала по сравнению с ведущим или во сколько раз ведомая шестерня больше ведущей (по числу зубьев или диаметру), называется передаточным числом.
Если в передаче участвует несколько пар шестерен, то общее передаточное число получается умножением передаточных чисел всех пар шестерен, участвующих в передаче разная скорость движения трактора и автомобиля при постоянной частоте вращения коленчатого вала двигателя достигается путем изменения передаточного отношения между валом двигателя и ведущими колесами или звездочками.
Самая простая коробка передач имеет три скорости переднего хода и одну заднего хода. Введение в зацепление самой малой шестерни, расположенной на ведущем (первичном) валу, с самой большой шестерней на ведомом (вторичном) валу позволяет получить первую (низкую) передачу. подвижные шестерни (каретки) ведущего вала передвигаются рычагом переключения передач через вилки, которые перемещаются вместе с ползунами либо по ним как по направляющим. Для фиксации включенной передачи и для того, чтобы не было самопроизвольного переключения, предусмотрены фиксаторы. Чтобы исключить одновременное передвижение двух передач, в коробке имеется направляющая пластина – кулиса.
При работе выбирают по возможности более высокую передачу, так как это обеспечивает большую экономичность работы двигателя и более высокую производительность. Чем больше передач в коробке, тем полнее используется мощность двигателя при переменной нагрузке.
Шестеренчатые коробки передач классифицируются по следующим признакам:
a) числу валов – двух-, трех-, четырехвальные;
b) расположению валов относительно продольной оси трактора - с продольным и поперечным расположением;
c) способу зацепления шестерен – с подвижными шестернями и шестернями постоянного зацепления;
d) способу переключения передач – с остановкой трактора для переключения передач и с переключением на ходу;
e) типу механизма переключения – механические, гидравлические и автоматические;
f) числу передач или ступеней – четырех-, пяти-, шестиступенчатые и т.д.. Число ступеней коробки передач определяется числом передач переднего хода;
g) числу подвижных шестерен (кареток) – двух-, трех- и четырехходдовые;
h) конструктивному оформлению – съемные, выполненные в виде самостоятельного агрегата и смонтированные в общем корпусе с другими механизмами.
Передачи тракторов можно условно разделить на три группы: основные, транспортные и замедленные.
Основные передачи
соответствуют рабочим операциям в полевых условиях при агрегатировании трактора с сельскохозяйственными машинами. У современных тракторов этим передачам соответствуют скорости 1,4 – 4,2 м/с (5-15 км/ч.).
Транспортные передачи
включают при перевозке грузов тракторными поездами и холостых переездах машинно-тракторного агрегата. У колесных тракторов таким передачам соответствуют скорости: 4,2-9,5 м/с, а у гусеничных – 4,2 м/с.
Замедленные передачи
необходимы для высококачественного выполнения некоторых технологических процессов (работы с рассадопосадочными, корнеклубне-уборочными и другими машинами), которые выполняются на скоростях 0,4 -0,16 м/с.
Коробки передач автомобилей имеют меньшее число передач потому, что автомобиль имеет более узкоцелевое назначение, чем трактор.
Низшие передачи служат для трогания автомобиля с места, разгона и преодоления тяжелых участков дороги.
Высшими передачами пользуются при движении в хороших дорожных условиях.
Автомобили имеют одну передачу заднего хода, необходимую для маневрирования. Передачи заднего хода трактора кроме маневрирования используются для выполнения различных работ, например при агрегатировании трактора с волокушами. Поэтому тракторы имеют несколько передач заднего хода. Ряд тракторов имеет реверсивный ход на все передачи.
2.2 Коробка передач трактора ДТ-75 МВ
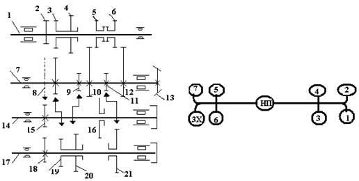
Четырехходовая, семиступенчатая коробка передач позволяет получить семь передач вперед и одну передачу заднего хода.
Коробка передач имеет ведущий, промежуточный, ведомый валы и вал заднего хода. Через расположенный сверху пустотелый ведущий вал 1 (см. рис. 2) проходит вал отбора мощности.

Рис. 2
На ведущем валу 1 жестко закреплена шестерня 2, находящаяся в постоянном зацеплении с шестерней 15 вала 14 заднего хода. На этом валу также установлены на шлицах две каретки, имеющие по две шестерни: шестерни 3 и 4 включения III и IV передач и шестерни 5 и 6 для включения I и II передач.
На ведомом валу 7 жестко закреплены шестерня 8 III передачи, шестерня 9 IV передачи, шестерня 10 I передачи, шестерня 11 VII передачи и шестерня 12 II передачи. На конце ведомого вала находится малая коническая шестерня 13 для привода механизмов заднего моста. При помощи регулировочных прокладок, расположенных под фланцем корпуса переднего шарикового подшипника ведомого вала, можно на небольшое расстояние перемещать в осевом направлении ведомый вал 7 вместе с конической шестерней 13. Это позволяет регулировать зазор в зацеплении между малой конической шестерней 13 и большой конической шестерней центральной передачи заднего моста.
В верхней части картера коробки (с правой стороны трактора) расположен вал 14 заднего хода на его переднем конце жестко закреплена шестерня 15, находящаяся в постоянном зацеплении с шестерней 2 ведущего вала. На заднем конце вала 14 на шлицах установлена передвижная шестерня 16 заднего хода.
Ниже вала заднего хода размещен промежуточный вал 17, на переднем конце которого закреплена шестерня 18, находящаяся в постоянном зацеплении с шестерней 15 вала заднего хода. На этом же валу на шлицах установлены две каретки: передняя с шестернями 19 и 20 для включения V и VI передач и задняя с шестерней 21 для включения VII передачи. При включении от I до IV передачи крутящий момент от ведущего вала 1 через одну из четырех пар шестерен сразу передается на ведомый вал 7. В этом случае вал 14 заднего хода и промежуточный вал 17 вращаются вхолостую. Когда включены V, VI и VII передачи, работают все валы.
При включении первой передачи в зацеплении находятся шестерни 5 и 10, второй – 6 и 12, третьей – 3 и 8, четвертой – 4 и 9, пятой – 2, 15, 18, 19 и 8, шестой – 2, 15, 18, 20 и 9, седьмой -2, 15, 18, 21 и 11, заднего хода – 2, 15, 16 и 10.
Коробка передач снабжена механизмом блокировки, принцип действия которого описан выше.
Смазывается коробка передач трансмиссионным маслом ТЭП-15 и ТАП-15В, заливаемым через горловину, расположенную на верхней крышке корпуса заднего моста.
Контролируют уровень масла по щупу на пробке заливной горловины.
Сливают масло через отверстие, закрываемое пробкой с магнитом в нижней части картера коробки.
2.3 Неисправности коробок передач
В коробках передач возникают следующие неисправности: течь масла, большой шум, перегрев, затрудненное переключение передач, самопроизвольное и одновременное включение двух передач.
Течь масла устраняют подтягиванием крепежных болтов и гаек. При необходимости заменяют прокладки в соединениях корпусов или крышки с корпусом. Стуки в коробке передач появляются при износе шестерен и подшипников. На торцах зубья шестерен могут быть забиты вследствие неправильного включения передач. Изношенные шестерни и подшипники следует заменить. Перегрев коробки передач возможен из-за низкого уровня масла в корпусе. Необходимо долить масло до уровня контрольного отверстия или середины мерного стекла. Если масло жидкое, то оно сильно нагревается от сопряженных деталей, поскольку в них масло не удерживается. Жидкое масло следует заменить маслом необходимой по сезону вязкости.
Затрудненное переключение передач может быть из-за износа и забоин на шлицах валов и в зубьях шестерен. В этом случае надо зачистить забоины шлицев валов, а изношенные детали заменить. затрудненное переключение шестерен возможно при нарушении регулировки блокирующего устройства коробки передач.
Блокирующее устройство регулируют следующим образом. Отсоединяют тягу, соединяющую рычаг валика блокирующего устройства с педалью сцепления. Валик блокировки устанавливают углублениями вниз (при этом ползуны свободно передвигаются). Затем выжимают педаль сцепления до отказа и отрегулировав длину тяги, соединяют педаль с рычагом валика блокирующего устройства.
Самопроизвольное выключение передач возможно вследствие неравномерного износа зубьев шестерен, неполного их зацепления и износа фиксирующего устройства. Неисправные детали следует заменить.
Две передачи включаются одновременно в результате износа шариков или стержня замков, а также поломки кулисы. Неисправные детали заменяют.
Для повышения срока службы коробки передач необходимо правильно ею пользоваться. Включать и выключать передачи у тракторов с переключением при остановке можно только при полностью выключенном сцеплении, пониженной частоте вращения коленчатого вала и остановленном тракторе. Если включение передач затруднено вследствие совпадения торцов зубьев сцепляемых шестерен, следует повторным включением сцепления провернуть ведущую шестерню при нейтральном положении рычага переключения передач, после чего включить передачу. Рычаг переключения передач надо перемещать плавно, без рывков.
3. Органические удобрения
Применение минеральных удобрений - важнейшее средство повышения урожайности сельскохозяйственных культур.
Технологический процесс поверхностного внесения минеральных удобрений включает погрузку удобрений из складов (вагонов) в транспортные средства, перевозку их к местам разбрасывания и внесение удобрений в почву.
Минеральные удобрения в основном представляют собой растворимые аммиачные, фосфорные или калийные соли.
Основной способ внесения минеральных удобрений, как и органических,- разбрасывание по поверхности поля и заделка в почву до посева.
Удобрения должны быть внесены в почву равномерно по всей площади поля. Для туковых сеялок допустимая неравномерность рассева удобрений лежит в пределах ±15%, а для разбрасывателей ±25%. Огрехи между смежными проходами агрегатов не допускаются.
Удобрения - это неорганические и органические вещества, применяемые в сельском хозяйстве и рыболовстве для повышения урожайности культурных растений и рыбопродуктивности прудов. Они бывают: минеральные (или химические), органические и бактериальные (искусственное внесение микроорганизмов с целью повышения плодородия почв).
Органические удобрения
- это перегной, торф, навоз, птичий помет (гуано), различные компосты, органические отходы городского хозяйства (сточные воды, осадки сточных вод, городской мусор), сапропель, зеленое удобрение. Они содержат важнейшие элементы питания, в основном в органической форме, и большое количестве микроорганизмов. Действие органических удобрений на урожай культур сказывается в течение 3-4 лет и более.
Навоз
- это основное органическое удобрение во всех зонах страны. Он представляет собой смесь твердых и жидких выделений сельскохозяйственных животных с подстилкой и без нее. В навозе содержатся все питательные вещества, необходимые растениям, и поэтому его называют полным удобрением. Качество навоза зависит от вида животных, состава кормов, количества и качества подстилки, способа накопления и условий хранения.
В зависимости от способов содержания скота различают навоз подстилочный (твердый), получаемый при содержании скота на подстилке, и бесподстилочный (полужидкий, жидкий). Подстилочный навоз содержит около 25% сухого вещества и около 75% воды. В среднем в таком навозе 0,5% азота, 0,25% фосфора, 0,6% калия и 0,35% кальция. В его состав входят также необходимые для растений микроэлементы, в частности 30-50г марганца, 3-5г бора, 3-4г меди, 15-25г цинка, 0,3-0,5 молибдена на 1тн.
Кроме питательных веществ, навоз содержит большое количество микроорганизмов (в 1т 10-15кг живых микробных клеток). При внесении навоза почвенная микрофлора обогащается полезными группами бактерий. Органическое вещество служит энергетическим материалом для почвенных микроорганизмов, поэтому после внесения навоза в почве происходит активизация азотфиксирующих и других микробиологических процессов.
Навоз оказывает многостороннее действие как на почву, так и на растение. Он повышает концентрацию углекислого газа в почвенном и надпочвенном воздухе, снижает кислотность почвы и подвижность А1, повышает насыщенность ее основаниями. При систематическом его внесении увеличивается содержание гумуса и общего азота в почве, улучшается ее структура, лучше поглощается и удерживается влага. Бесподстилочный (жидкий) навоз накапливается в большом количестве на крупных животноводческих фермах и комплексах при бесподстилочном содержании скота и применении гидравлической системы уборки экскрементов. Такой навоз представляет собой подвижную смесь кала, мочи, остатков корма, воды и газообразных веществ, образующихся в период хранения. По содержанию влаги его разделяют на полужидких ( до 90%), жидкий (90-93%). Количество и качество бесподстилочного навоза зависит от вида и возраста животных, типа кормления, способа содержания скота и технологии накопления навоза.
Большая часть питательных веществ в этом удобрении находится в легкодоступной для растений форме (до 70% азота в аммиачной форме), что обусловливает более сильное его действие по сравнению с подстилочным навозом в год внесения и слабое в последующие годы. Фосфор и калий из подстилочного навоза усваиваются растениями так же, как и из минеральных удобрений.
Птичий помет
- это быстродействующее органическое удобрение. Питательные вещества в нем хорошо усваиваются растениями. Куриный помет содержит 0,7-1,9% азота, 1,5-2% Р2О5, 0,8-1% К2О и 2,4% СаО.
Птичий помет используют в качестве подкормки зерновых и технических культур, растворяют его в 8-10 частях воды и вносят в почву культиваторами-растениепитателя.
Торф
- это удобрение представляет собой смесь полуразложившихся в условиях избыточного увлажнения остатков растений, в основном болотных. Торф может быть низкой степени разложения (до 20%), средней (20-40%) и высокой (более 40%). Широко применяют в сельском хозяйстве как удобрение. Различают три типа торфа: верховой, низинный и переходный.
Верховой торф
образуется на бедных питательными веществами возвышенных метах рельефа (сфагновые мхи, пушицы, шейхцерия болотная, подбел, багульник, осока топяная и др.). Верховой торф характеризуется повышенным количеством органического вещества, высокой кислотностью, большой поглотительной способностью и малым содержанием питательных веществ. Применяют указанный торф главным образом в качестве подстилки и для компостирования.
Низинный торф
образуется на богатых питательными веществами пониженных частях рельефа (осоки, гипновые мхи, тростник, хвощ, таволга, сабельники и др.). Низинный торф содержит больше питательных веществ и меньше органического вещества, чем верховой. Наиболее целесообразно его использовать для приготовления различных компостов.
Переходной торф
занимает промежуточное положение между верховым и низинным. По количеству золы (в %) торфа подразделяют на нормальные (до 12) и высокозольные (более 12).
Торфяные компосты.
Торф широко применяют для приготовления компостов. При компостировании с навозом торф быстрее разлагается и полнее используется растениями. Хорошо компостируется торф (верховой или переходной) с известью. Хорошие результаты получают при добавлении к торфу 20 кг фосфоритной муки на 1тн. Торфофосфоритные компосты особенно эффективны на супесчаных почвах, а торфоизвестковые - на кислых.
Кроме этого торф используют на полях орошения, где его компостируют с осадком сточных вод. Широко применяют также торфофекальные компосты. Эти компосты считаются сильнодействующими.
Осадки сточных вод.
Их получают при очистке сточных вод городов на очистных сооружениях. Влажность свежего осадка составляет около 97%. Для снижения влажности до 80% они проходят этап естественной сушки на иловых площадках и механического обезвоживания на вакуум-фильтрах с применением реагентов (хлорное железо и известь), а для снижения влажности до 25-30% - проходят термическую сушку в барабанных печах.
Осадки с иловых площадок можно использовать под все культуры, но наиболее целесообразно их применение под овощные и силосные культуры, сахарную свеклу. Осадки после термической сушки, содержащие больше извести и железа, желательнее вносить под отзывчивые на известь культуры.
Сапропель (пресноводный ил) -
представляет собой отложившуюся в пресноводных водоемах смесь земли с полуразложившимися растительными и животными остатками. Содержит органические вещества (до 15-30% и более), азот, фосфор, калий, известь, микроэлементы, некоторые витамины, антибиотики, биостимуляторы. Наибольшее количество питательных веществ наблюдается в иле водоемов, находящихся около населенных пунктов. Сапропели применяют как в чистом виде, так и в виде компостов с навозом,фекалиями и навозной жижей.
Зеленое удобрение
- представляет собой зеленую массу растений-сидератов, запахиваемую в почву в щелях обогащения ее питательными веществами, главным образом азотом, улучшения водного, воздушного и теплового режимов. Наибольшее значение зеленое удобрение имеет на малопрлодородных дерново-подволитстых, песчаных, суглинистых и супесчаных почвах, а также на орошаемых землях и во влажных районах Закавказья. Важнейшее условие повышения эффективности зеленого удобрения - это правильно сочетание его с другими органическими и минеральными удобрениями и химической мелиорацией почв. Такой способ удобрения широко применяется, так как он дешев (часто не требует транспортных средств), и по химическому составу зеленое удобрение близко к навозу.
Качество внесения удобрений характеризуется следующими показателями: соответствие фактической дозы удобрений заданной; равномерность рассева удобрений по поверхности почвы. Равномерность распределения удобрений по ширине захвата агрегата оценивается коэффициентом вариации количества удобрений на площадках (противней) размером 0,5* 0,5* 0,05 м (высота бортов), установленных в ряды в поперечном направлении движения агрегата, выраженного в процентах. Отсутствие маркеров и следоуказателей на машинах затрудняет вождение агрегата с заданной шириной рабочего захвата, в результате на практике расстояние между смежными проходами агрегата нередко отклоняется от заданной ширины захвата. Поэтому возникает необходимость контроля работы агрегатов в поле. На удобренном поле замеряют в 20-кратной повторности расстояние между смежными проходами агрегата и находят среднее значение рабочей ширины захвата машины при работе на данном поле. На поле выбирают ровный участок, расставляют на нем два ряда учетных площадок (противней) на ширину, равную средней ширине захвата машины. После четырех проходов агрегата удобрения из противней взвешивают и результаты записывают в специальную форму. Обрабатывая результаты взвешивания, получают среднюю неравномерность, с которой удобрения вносят на данном участке.
Качество внесения удобрений оценивают по шестибальной шкале. Работа не бракуется, если на данном участке отклонение фактической дозы внесения от заданной не превышает 5%,
. Качество работы признается отличным, если сумма первого и второго показателей или первого и третьего показателей равна 6 баллам, хорошим – 5
баллам, удовлетворительным – 4 баллам, не удовлетворительным – менее 4 баллов. Работу бракуют при ее суммарной неудовлетворенной оценке, а также при нулевой оценке даже одного из двух качественных показателей.
Список используемой литературы
1. Устинов А.Н. Сельскохозяйственные машины, 2-е издание, М.: ИРПО; «Академия», 2000г.
2. Воронов Ю.И. Сельскохозяйственные машины, М. Высшая школа; 1972г
3. Антышев Н.М., Бычков Н.И. Справочник по эксплуатации тракторов М.: Россельхозиздат, 1985.
4. Бубнов В.З., Кузьмин М.В. Эксплуатация машинно-тракторного парка. М.: Колос, 1980.
5. Орманджи К.С. и др. Правила производства механизированных работ в полеводстве. М.: Россельхозиздат, 1983.
6. Поляк А.Я. и др. Справочник по скоростной сельскохозяйственной технике. М.: Колос, 1983.
7. Эксплуатация машинно-тракторного парка: Учебное пособие / Под общ. ред. Р.Ш. Хабатова. – М.: ИНФРА-М, 1999.
|