Оглавление
1. Краткая техническая характеристика машины или двигателя
2. Назначение, устройство и работа КШМ
3. Назначение, устройство и работа ГРМ
4. Назначение системы питания, устройство и работа ее механизмов
5. Назначение систем смазки и охлаждения, устройство и работа их агрегатов
6.Техническое обслуживание двигателя
1. Краткая техническая характеристика машины или двигателя
Двигателями называется машина, превращающая любой вид энергии в механическую. На автомобили ВАЗ-2106 установлен двигатель внутреннего сгорания, то есть тепловой двигатель, в котором используется работа расширения газообразных продуктов сгорания топлива, сжигаемого в специальных камерах.
Двигатель ВАЗ-2106 состоит из следующих механизмов и систем: кривошипношатунного механизма, уравновешивающего механизма, газораспределительного механизма, системы питания, системы смазки, системы охлаждения, системы пуска и системы зажигания.
Остовом двигателя служит блок-картер или картер, которые сверху закрываются головкой, а снизу поддоном. Между головкой и картером, а также между картером и поддоном устанавливают уплотнительные прокладки.

Рис. 1. Двигатель автомобиля ВАЗ-2106: 1 — коленчатый вал: 2 — зубчатый шкив коленчатого вала; 3
—шкив привода вентилятора водяного насоса и генератора; 4
— храповик; 5 — крышка привода распределительного вала, 6 — средняя крышка; 7—шкив генератора; 8 — зубчатый шкив привода масляного насоса и распределителя зажигания; 9
— вентилятор; 10
— блок цилиндров; 11— натяжной ролик; 12
— зубчатый ремень; 13
— головка блока цилиндров; 14
— зубчатый шкив распределительного вала; 15
— верхняя крышка; 16
— выпускной клапан; 17-впускной клапан; 18
— распределительный вал; 19—
крышка механизма газораспределения; 20
—прокладка головки блока цилиндров; 21
— маховик; 22
— кронштейн переда ней опоры; 23
— буфер подушки передней опоры; 24
— подушка; 25 —
картер; 26
— поршень: 27
— пробка для слива масла; 28
— шатун; 29
— поддон.
Все механизмы и системы двигателя размещаются внутри или снаружи остова.
2. Назначение, устройство и работа КШМ
Кривошипно-шатунный механизм служит для преобразования прямолинейного возвратно-поступательного движения поршней во вращательное движение коленчатого вала. К нему относятся: блок 10 (см. рис. 1) цилиндров, головка 13 блока цилиндров, поршни 25 с компрессионными и маслосъемными кольцами, поршневые пальцы, шатуны 28, коленчатый вал, коренные и шатунные подшипники, маховик 21 и поддон 29.
Забиваем Сайты В ТОП КУВАЛДОЙ - Уникальные возможности от SeoHammer
Каждая ссылка анализируется по трем пакетам оценки: SEO, Трафик и SMM.
SeoHammer делает продвижение сайта прозрачным и простым занятием.
Ссылки, вечные ссылки, статьи, упоминания, пресс-релизы - используйте по максимуму потенциал SeoHammer для продвижения вашего сайта.
Что умеет делать SeoHammer
— Продвижение в один клик, интеллектуальный подбор запросов, покупка самых лучших ссылок с высокой степенью качества у лучших бирж ссылок.
— Регулярная проверка качества ссылок по более чем 100 показателям и ежедневный пересчет показателей качества проекта.
— Все известные форматы ссылок: арендные ссылки, вечные ссылки, публикации (упоминания, мнения, отзывы, статьи, пресс-релизы).
— SeoHammer покажет, где рост или падение, а также запросы, на которые нужно обратить внимание.
SeoHammer еще предоставляет технологию Буст, она ускоряет продвижение в десятки раз,
а первые результаты появляются уже в течение первых 7 дней.
Зарегистрироваться и Начать продвижение
Блок цилиндров
двигателя автомобиля ВАЗ-2106 типа блок-картер отливается из специального высокопрочного низколегированного чугуна вместе с цилиндрами, внутренние поверхности которых обработаны хонингованием. Для увеличения, жесткости конструкции нижняя плоскость блока расположена на 50 мм ниже оси колёнчатого вала, а в зонах опор коренных подшипников имеются оребренные перегородки. Пространство между наружной поверхностью стенок цилиндров и внутренней поверхностью стенок блока образует рубашку. В поперечных перегородках нижней части блока расположены пять опор коренных подшипников коленчатого вала. Крышки коренных подшипников невзаимозаменяемые и для правильной сборки пронумерованы. Снизу блок закрывается стальным штампованным поддоном, в котором находится необходимый запас масла. Впереди блока размещены детали привода распределительного вала, закрываемые крышками.
Головки блоков цилиндров
двигателей отливаются из алюминиевого сплава, они являются общими для всех цилиндров. В головках выполнена основная часть камеры сгорания, в них имеются также впускные и выпускные каналы и резьбовые отверстия для установки свечей зажигания. Двойные стенки головки образуют пространство, соединенное с рубашкой охлаждения цилиндров, в нем циркулирует охлаждающая жидкость. Головка крепится к блоку цилиндров болтами или шпильками.
Поршень
служит для восприятия силы давления газов и передачи ее через поршневой палец и шатун на коленчатый вал. Поршни двигателя отливаются из алюминиевых сплавов. У поршня различают две части: головку и юбку. Днище головки образует нижнюю часть камеры сгорания и воспринимает давление газов при их расширении. В головке выполнены канавки, в которые устанавливаются поршневые кольца.
Юбкой называется нижняя часть поршня, которая служит для направления его движения в цилиндре.

Рис. 2. Детали кривошипно-шатунного механизма двигателя автомобиля ВАЗ-2106: 1 - коленчатый вал; 2 — вкладыш подшипника нижней головки шатуна; 3 — поршневой палец; 4— шатун; 5 — болт крышки шатуна; 6 — крышка нижней головки шатуна;7—головка поршня; 8 — бобышка; 9— лунки; 10— маховик; 11— подшипник ведущего вала коробки передач; 12— зубчатый венец маховика; 13 — упорное полукольцо;14 - вкладыши первого, второго, четвертого и пятого коренных подшипников; 15-вкладыши третьего (центрального) коренного подшипника; 16 — компрессионные кольца;17—расширительная пружина; 18 — маслосъемное кольцо; А — противовес; Б- шатунная шейка; В — коренная шейка.
Сервис онлайн-записи на собственном Telegram-боте
Попробуйте сервис онлайн-записи VisitTime на основе вашего собственного Telegram-бота:
— Разгрузит мастера, специалиста или компанию;
— Позволит гибко управлять расписанием и загрузкой;
— Разошлет оповещения о новых услугах или акциях;
— Позволит принять оплату на карту/кошелек/счет;
— Позволит записываться на групповые и персональные посещения;
— Поможет получить от клиента отзывы о визите к вам;
— Включает в себя сервис чаевых.
Для новых пользователей первый месяц бесплатно.
Зарегистрироваться в сервисе
Вследствие неодинакового расширения головки и юбки (головка больше нагревается, а поэтому и больше расширяется) диаметр головки делают меньше диаметра юбки. Юбка поршня в поперечном сечении овальная с меньшей осью овала в плоскости поршневого пальца и большей — в плоскости действия боковых сил, что дает возможность уменьшить зазор между поршнем и цилиндром и исключить стуки при работе холодного двигателя. В средней части поршня в юбке имеются две бобышки 8
для установки поршневого пальца 3
.
На днищах поршней двигателя автомобиля ВАЗ-2106 выфрезерованы лунки 9
для предотвращения повреждения деталей механизма газораспределения и самого поршня.
Поршневые кольца
, изготовляемые из специального чугуна, имеют разрезы (замки). Два верхних кольца 16
(рис. 2)
являются компрессионными, они служат для уменьшения утечки газов. Верхнее компрессионное кольцо хромировано, что повышает его износостойкость и предотвращает появление задиров на гильзах цилиндров, нижнее - фосфатировано.
Третье поршневое кольцо 18
— маслосъемное, на наружной поверхности оно имеет проточку и несколько щелевидных прорезей для отвода излишнего масла, снимаемого со стенок цилиндра, во внутреннюю полость поршня. На внутренней поверхности маслосъемного кольца проточена канавка, в которую устанавливается стальная расширительная пружина 17.
Поршневой палец
3
(рис. 2) служит для шарнирного соединения поршня с шатуном. Он выполнен пустотелым и изготовлен из стали, наружная поверхность его цементирована или закалена токами высокой частоты.
От продольного перемещения, в результате которого могут возникнуть задиры на стенках цилиндров, поршневой палец в двигателе ВАЗ-2106 зафиксирован в верхней головке шатуна путем горячей посадки.
Шатун
соединяет поршень с шатунной шейкой коленчатого вала. Он служит для передачи сил давления газов от поршня на коленчатый вал при рабочем ходе, а при осуществлении вспомогательных тактов — усилий от коленчатого вала к поршню. Он представляет собой стержень двутаврового сечения с верхней и нижней головками. Нижняя головка делается разъемной, в нее вставлены тонкостенные вкладыши 2.
Коленчатый
вал 1
(рис.2) двигателя ВАЗ — пятиопорный, отливается из специального высокопрочного чугуна и устанавливается в коренных подшипниках, имеющих вкладыши 14
и 15.
Вкладыши сталеалюминиевые. Они состоят из двух одинаковых половин, которые от проворачивания удерживаются выступами, входящими в соответствующие пазы. Для разгрузки коренных подшипников от действия центробежных сил служат противовесы А,
отливаемые вместе с валом. В коренных шейках В,
щеках и шатунных шейках Б просверлены каналы для подвода масла к шатунным подшипникам, па переднем конце вала двигателя установлены два шкива, от одного из них с помощью зубчатой ременной передачи осуществляется привод распределительного вала, а также масляного насоса и распределителя зажигания, а от другого обычным клиновым ремнем приводятся вентилятор с центробежным водяным насосом и генератор.
Все эти детали установлены на сегментных шпонках и закреплены храповиком, ввернутым в передний торец вала. Храповик служит для проворачивания коленчатого вала пусковой рукояткой. На заднем конце коленчатого вала установлен чугунный маховик 10.
Передний и задний концы коленчатого вала, выходящие из блока, уплотнены резиновыми сальниками. Отвод масла от сальников достигается с помощью маслосгонной резьбы, выполненной на задней шейке вала.
Маховик 10
(см. рис. 2) служит для вывода поршней из мертвых точек, обеспечения; равномерного вращения коленчатого вала, кроме того, способствует за счет своей массы плавному троганию автомобиля. На его обод напрессован стальной зубчатый венец, с помощью которого осуществляется пуск двигателя стартером.
3. Назначение, устройство и работа ГРМ
Механизм газораспределения служит для своевременного впуска горючей смеси в цилиндры двигателя и выпуска из них отработавших газов. У двигателя ВАЗ-2106 он состоит из распределительного вала (рис.3), рычагов 18
с пружинами 17,
впускных 2
и выпускных 19
клапанов с пружинами 7
и 8
и деталями их крепления 5, 6, 9 и 10,
деталей привода.
Пятиопорный чугунный распределительный вал с восемью кулачками установлен в корпусе 13,
выполненном из алюминиевого сплава и прикрепленном к головке блока цилиндров шпильками с гайками. Распределительный вал приводится во вращение от шкива 4
(рис. 13) коленчатого вала посредством зубчатого ремня 10,
который одновременно через шкив 13
осуществляет привод масляного насоса, распределителя зажигания и топливного насоса. Шкивы коленчатого и распределительного валов, вала привода масляного насоса зубчатые.
Для натяжения зубчатого ремня имеется натяжной ролик 7, установленный на передвижном кронштейне 11. Ременная передача снаружи закрыта тремя пластмассовыми крышками 3, 5 и 8,
детали ее работают без смазки.
Рычаг 18
(см. рис. 12) силой упругости пружины 17
прижат к торцу стержня клапана и сферической поверхности регулировочного болта 14,
ввернутого в стальную втулку 15
головки блока цилиндров.
Впускные 2 и выпускные 19 клапаны расположены наклонно в один ряд. Впускной клапан целиком изготовлен из хромоникельмолибденовой стали, а выпускной - из хромоникельмолибденового стержня и приваренной к нему тарелки из хромоникельмарганцевой стали, причем на рабочую поверхность (фаску) тарелки наплавлен жаростойкий сплав.

Рис. 3. Механизм газораспределения двигателя автомобиля ВАЗ-2105:
1- стопорное кольцо; 2 —
впускной клапан; 3
— направляющая втулка впускного клапана; 4
— маслоотражательный колпачок; 5 — опорная шайба наружной пружины; 6— опорная шайба внутренней пружины; 7 — внутренняя пружина; 8
— наружная пружина; 9
— опорная тарелка пружин; 10
— сухари; 11
— распределительный вал; 12
— упорный фланец; 13
— корпус подшипников распределительного вала; 14
— регулировочный болт; 15 —
втулка; 16 — контргайка; 17 — шпилечная пружина рычага привода клапана; 18 — рычаг привода клапана; 19
— выпускной клапан; 20
— направляющая втулка выпускного клапана; А
— опорная шейка распределительного вала; Б — кулачок открытия выпускного клапана; В
— кулачок открытия впускного клапана
Для лучшего наполнения цилиндров горючей смесью головки впускных клапанов имеют больший диаметр, нежели выпускных. Седла клапанов, запрессованные в гнезда головки цилиндров, изготовлены из жаропрочного чугуна. Фаски тарелок клапанов и их седел имеют коническую форму; плотность прилегания тарелок клапанов к седлам достигается путем их шлифовки и последующей притирки.
Стержни клапанов перемещаются в чугунных направляющих втулках 3
и 20,
запрессованных в головку блока цилиндров. У каждого клапана на стержне имеются две пружины — наружная 8
и внутренняя 7. Установка двух пружин уменьшает вибрацию клапана при высоких частотах вращения распределительного вала и предупреждает падение клапана в цилиндр в случае поломки одной из пружин. Пружины удерживаются опорной тарелкой 9,
закрепленной на стержне входящим в его выточку разъемными сухарями 10, имеющими в сложенном виде форму усеченного конуса.
Работа механизма газораспределения происходит следующим образом. При вращении распределительного вала его кулачок набегает на рычаг 18,который, поворачиваясь на сферической опоре регулировочного болта, другим концом нажимает на стержень |клапана и открывает его. При дальнейшем повороте вала кулачок сходит с рычага, и последний возвращается в исходное положение, клапан под действием пружин 7 и 8
закрывается. Между рычагом и затылком кулачка распределительного вала устанавливают тепловой зазор, который обеспечивает плотное закрытие клапана при его удлинении вследствие нагрева во время работы двигателя. При отсутствии или недостаточной величине зазора нарушаются фазы газораспределения, происходит неплотная посадка тарелки клапана в седло и, как следствие, пропуск газов, снижение мощности, быстрое обгорание фаски тарелки клапана. Восстановление зазора производится вращением регулировочного болта 14
при ослабленной контргайке 16.
4. Назначение системы питания, устройство и работа ее механизмов
Система питания служит для хранения, подачи и очистки топлива, очистки воздуха, приготовления горючей смеси нужного состава на разных режимах работы двигателя, отвода наружу продуктов сгорания. В нее входят: топливный бак, топливный насос, карбюратор, воздухоочиститель, впускной и выпускной трубопроводы, глушитель, топливопроводы, указатель количества топлива в баке с датчиком и сигнальная лампа красного цвета, загорающаяся при остатке в баке 4,0...6,5 л бензина (на автомобиле ВАЗ).
Топливо. Топливом для двигателей ВАЗ является бензин марки АИ-93. В маркировке бензина буква А означает, что бензин автомобильный буква И указывает метод определения октанового числа (исследовательский). После букв стоит октановое число, которое характеризует стойкость бензина против детонации. Чем больше октановое число бензина, тем меньше его склонность к детонации и тем выше допускаемая степень сжатия, с увеличением которой повышается мощность и улучшается топливная экономичность двигателя.
Детонационная стойкость топлива выявляется в процессе сгорания рабочей смеси в цилиндре двигателя. Сжатая в цилиндре рабочая смесь при нормальных условиях сгорает со скоростью 30...40 м/с. При определенных условиях (использование бензина с низким октановым числом, перегрев двигателя, увеличение угла опережения зажигания и др.) сгорание части смеси в наиболее удаленных от свечи объемах камеры сгорания протекает о огромной скоростью, достигающей 2500 м/с, в результате чего возникает ударная волна и значительно повышается давление. Такое сгорание рабочей смеси называется детонацией. Детонационное сгорание топлива очень вредно отражается на работе двигателя. Признаками детонации являются звонкие стуки в двигателе, потеря им мощности, появление черного дыма из глушителя, что сопровождается резкими хлопками и перегревом двигателя. При детонации значительно увеличивается износ деталей двигателя, возможно их разрушение.
Иногда детонационное сгорание ошибочно смешивают с самовоспламенением рабочей смеси (воспламенением без электрической искры). Самовоспламенение может наступать в перегретом двигателе в конце такта сжатия, когда температура рабочей смеси повышается настолько, что воспламенение может наступать до появления электрической искры. Смесь может также самовоспламениться от соприкосновения с раскаленными электродами свечи зажигания или частицами нагара. При самовоспламенении двигатель продолжает некоторое время работать даже после выключения зажигания, чего нет при детонационном сгорании.
Увеличения стойкости бензина против детонации можно достигнуть, добавляя к нему антидетонатор. Одним из наиболее распространенных антидетонаторов является этиловая жидкость. Количество добавляемой в топливо этиловой жидкости невелико на 1 кг бензина АИ-93 добавляют согласно ГОСТ 2084—77 не более 0,5 г жидкости.
Так как этиловая жидкость является ядом, то и этилированный бензин также ядовит. Поэтому при обращении с ним необходимо соблюдать осторожность: не допускать попадания на тело или одежду, не вдыхать его паров, не засасывать ртом при переливании.
Состав горючей смеси имеет большое значение для:
протекания рабочего процесса в цилиндрах двигателя. В зависимости от соотношения бензина и воздуха различают следующие горючие смеси.
Нормальная горючая смесь состоит из 1 кг бензина и 15 кг воздуха. Такое соотношение соответствует теоретически необходимому количеству воздуха для полного сгорания 1 кг бензина.
Обедненная горючая смесь содержит на 1 кг бензина от 15 до17 кг воздуха.
Бедная горючая смесь имеет в своем составе свыше 17 кг воздуха на 1 кг бензина.
Обогащенная горючая смесь содержит от 13 до 15 кг воздуха на -1 кг бензина.
Богатая горючая смесь на 1 кг бензина содержит менее 13 кг воздуха.
Для нормальной работы двигателя на разных режимах необходимо иметь различный состав горючей смеси.
При пуске и прогреве холодного двигателя в связи с конденсацией части паров бензина на холодных стенках впускных трубопроводов и цилиндров смесь должна быть настолько богатой, чтобы в ней оставалось достаточное количество парообразного топлива для надежного воспламенения.
При низкой частоте вращения коленчатого вала на холостом ходу количество смеси, поступающей в цилиндр, невелико. Частицы топлива будут значительно удалены друг от друга и перемешаны с остаточными газами, вследствие чего смесь горит медленно, а двигатель работает неустойчиво. Для устойчивой работы двигателя на этом режиме горючая смесь должна быть обогащенной.
На средних нагрузках применяют обедненную смесь, при которой получается наименьший расход топлива. При полных нагрузках для достижения наибольшей мощности двигателя необходимо применять смесь обогащенного состава, обладающую наибольшей скоростью сгорания.
При резком увеличении нагрузок от малых до больших горючая смесь должна кратковременно обогащаться.
Приготовление горючей смеси различного состава осуществляется соответствующими системами карбюратора.
Карбюратор, его системы и работа
Процесс приготовления горючей смеси называется карбюрацией, а прибор, в котором этот процесс осуществляется, карбюратором.
Простейший карбюратор состоит из поплавковой камеры (рис. 4) с поплавком 5, игольчатым клапаном 4,
главным топливным жиклером 2, а
также смесительной камеры, в которой расположены диффузор 9,
распылитель 8
и дроссельная заслонка 10.
Примерно постоянным уровень поступающего из бака топлива поддерживается в поплавковой камере с помощью игольчатого клапана и поплавка. Воздух в поплавковую камеру поступает через специальное отверстие.

Рис.4. Схема простейшего карбюратора: 1 — поплавковая камера; 2— главный топливный жиклер; 3 — эмульсионный колодец; 4 — игольчатый клапан; 5— поплавок; 6— эмульсионная трубка; 7 — воздушный жиклер; 8— распылитель; 9 — диффузор; 10— дроссельная заслонка; 11— впускной трубопровод
Жиклер представляет собой пробку с калиброванным отверстием, пропускающим определенное количество бензина. При неработающем двигателе бензин в канале распылителя устанавливается на том же уровне, что и в поплавковой камере.
При такте впуска во впускном трубопроводе создается разрежение, за счет чего воздух поступает в смесительную камеру карбюратора. Диффузор увеличивает скорость воздушного потока и разрежение около распылителя. Под разностью давлений бензин вытекает из распылителя, подхватывается потоком воздуха, смешивается с ним, образуя горючую смесь.
Однако простейший карбюратор не обеспечивает требуемого состава горючей смеси на разных режимах работы двигателя. Поэтому в реальном карбюраторе имеются дополнительные системы и устройства. К ним относятся: главная дозирующая система, система холостого хода, экономайзер, ускорительный насос и пусковое устройство.
Главная дозирующая система обеспечивает постепенное обеднение горючей смеси при переходе от малых нагрузок к средним и поддержание ее примерно постоянного состава. В карбюраторах изучаемых автомобилей это достигается использованием пневматического торможения топлива с помощью воздушного жиклера 7,
расположенного в верхней части эмульсионной трубки 6,
помещенной в колодце 3.
При открытии дроссельной заслонки карбюратора воздух поступает не только в диффузор, но и через воздушный жиклер в эмульсионную трубку, тем самым снижая разрежение у топливного жиклера. Чем выше разрежение в диффузоре, тем больше воздуха поступает через воздушный жиклер и тем больше тормозится истечение топлива. Причем из распылителя уже будет поступать не чистое топливо, а его смесь с воздухом (эмульсия), что приведет к образованию горючей смеси необходимого обедненного состава.
5. Назначение систем смазки и охлаждения, устройство и работа их агрегатов
Средняя температура газов в цилиндре работающего двигателя составляет 800...900°С. При такой температуре необходимо принудительное. охлаждение деталей двигателя. Без охлаждения произойдет сильный перегрев деталей, что может вызвать их раз рушение, выгорание смазки, привести к чрезмерному расширению и заклиниванию поршней, выплавлению вкладышей подшипников и другим неисправностям.

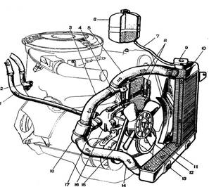
Рис. 5. Система охлаждения двигателя автомобиля ВАЗ-2106:
1— патрубок отвода жидкости из отопителя; 2—патрубок подвода горячей жидко, из головки блока цилиндров в отопитель; 3— шланг перепускного патрубка термостата; 4— выпускной патрубок рубашки охлаждения: 5 — подводящий шланг к радиатору: 6 -
расширительный бачок; 7 — шланг; 8— рубашка охлаждения; 9 — пробка радиатора; 10 - радиатор; 11 — кожух вентилятора; 12— вентилятор; 13 —
шкив привода вентилятора насоса системы охлаждения; 14— отводящий шланг радиатора; 15— ремень; 16 —
нас системы охлаждения; 17 — отводящий патрубок от термостата к насосу; 18—
термостат.
Система охлаждения служит для отвода излишнего тепла от нагретых деталей двигателя. Нормальная температура охлаждающей жидкости у работающего двигателя должна находиться в пределах 80…100 °С. Вместе с тем двигатель не должен переохлаждаться, так как при этом теряется полезное тепло и уменьшается давление газов на поршень, а слишком охлажденное или остывшее масло увеличивает потери мощности на трение, часть горючей смеси конденсируется, смывая смазку со стенок цилиндра, износ деталей увеличивается.
Жидкостная система охлаждения двигателя автомобиля ВАЗ-2106 включает в себя рубашку 8
(рис. 5) охлаждения блока и головки цилиндров, радиатор 10,
расширительный бачок 6,
центробежный насос 16,
вентилятор 12,
термостат 18,
соединительные патрубки и шланги, сливные пробки, датчик и указатель температуры охлаждающей жидкости.
Принцип работы системы охлаждения заключается в следующем. Центробежный насос 16,
вал которого приводится во вращение с помощью ремня 15
от шкива коленчатого вала, забирает охлаждающую жидкость из нижней части радиатора и нагнетает ее в рубашку охлаждения 8
головки и блока цилиндров. Жидкость омывает наиболее нагретые части, отнимает от них часть тема' и нагревается, а затем через шланг 5
поступает в верхний бачок радиатора. Одновременно часть нагретой жидкости проходит через рубашку впускного трубопровода двигателя, подогревая горючую смесь; при необходимости жидкость может отводиться с помощью крана в отопитель салона кузова. Проходя через сердцевину радиатора в его нижний бачок, нагретая жидкость охлаждается и снова поступает к центробежному насосу.

Рис. 6. Сердцевина (а) и пробка (б)радиатора: 1 — трубки; 2— стальные пластины; 3— выпускной клапан; 4— впускной клапан; 5 - горловина радиатора; 6 —корпус пробки; 7—патрубок к расширительному бачку.
Радиатор состоит из нижнего и верхнего латунных бачка припаянных к сердцевине. Бачки имеют патрубки, а верхний, кроме того,— заливную горловину с пробкой 9.
Сердцевина радиатора изготовлена из латунных трубок 1 (рис. 6, а),
соединяющих верхний и нижний бачки, и стальных пластин 2,
увеличивающих поверхность охлаждения.
Радиатор автомобиля ВАЗ-2106 изготовлен из алюминия и имеет вертикальное расположение бачков. Патрубки бачков через резиновые шланги соединяют радиатор с рубашкой охлаждения, головки блока цилиндров и центробежным насосом. Заливная горловина 5
(рис. 6, б)радиатора автомобилей ВАЗ-2106 закрывается пробкой 6,
в которой имеются выпускной (паров) 3
и впускной (вентиляционный) 4
клапаны. Выпускной клапан открывается при избыточном давлении в системе охлаждения 0,5 кгс/см2
. Увеличение давления в системе позволяет в случае применения в качестве охлаждающей жидкости воды повысить температуру ее кипения до 109 °С. При открытом клапане жидкость или пар отводятся в расширительный бачок. Это предохраняет от разрушения радиатор и патрубки. Впускной клапан не имеет пружины и допускает впуск и выпуск в расширительный бачок жидкости при ее нагревании и охлаждении. Открытие его происходит при разрежении 0,01 кгс/см2
. При этом в радиатор поступает жидкость из расширительного бачка, что предотвращает сдавливание трубок сердцевины радиатора под воздействием атмосферного давления.
Расширительный бачок пластмассовый, в нем содержится определенное количество охлаждающей жидкости. Он служит для компенсации изменяющегося объема жидкости в системе охлаждения при работе двигателя.
Центробежный насос служит для обеспечения принудительной циркуляции жидкости в системе охлаждения.

Рис. 7. Центробежный водяной насос двигателя автомобиля ВАЗ-2106: 1—крыльчатка; 2— окно подвода жидкости в рубашку блока цилиндров; 3 — сальник; 4—шариковый подшипник; 5 — вал; 6 — ступица; 7 -крышка насоса; 8 — стопорный винт; 9 — обойма сальника; 10— манжета; 11 — корпус насоса; 12— приемный патрубок
На двигателе ВАЗ-2106 он крепится болтами к передней части блока цилиндров и состоит из алюминиевого корпуса 11
(рис. 7), в котором установлен вал 5 на двухрядном шарикоподшипнике 4
закрытого типа, запрессованном в корпусе. Подшипник заполняется смазкой, пополнение которой не требуется до ремонта. На передний конец вала напрессована ступица 6,
а на задний — чугунная крыльчатка 1.
Уплотнение заднего конца вала на выходе его из корпуса достигается самоподжимным сальником 3
с уплотнительной графитосвинцовой шайбой, помещенной внутри корпуса сальника. По поверхности шайбы скользит своим торцом крыльчатка. Внутри корпуса сальника помещаются также резиновая манжета 10,
разжимная пружина, которая через латунные обоймы 9
прижимает торцы манжеты к корпусу 11
насоса и к уплотнительной шайбе.
Вентилятор
четырехлопастный, пластмассовый служит для создания направленного потока воздуха через сердцевину радиатор с целью более быстрого охлаждения в нем жидкости. Лопасти вентилятора вместе с приводным шкивом крепятся болтами к ступи вала центробежного насоса. Для увеличения эффективности боты на двигателе ВАЗ вентилятор снабжен специальным кожухом 11
(см. рис. 5), закрепленным к радиатору.
Термостат
служит для ускорения прогрева двигателя его пуска и автоматического поддержания наивыгоднейшего теплового режима при работе двигателя. Он устанавливается перед входом охлаждающей жидкости в насос.

Рис. 8. Устройство и работа термостата: а — основной клапан полностью закрыт, перепускной открыт; б— основной клапан полностью открыт, перепускной клапан закрыт; 1 — твердый наполнитель; 2— стакан; 3 резиновая вставка; 4— входной патрубок (из радиатора); 5 —основной клапан; 6 —
перепускной клапан; 7— корпус; 8—входной патрубок (из рубашки охлаждения); 9выходной патрубок (к центробежному насосу); 10 —
крышка; 11 — стержень; 12 —
пружина перепускного клапана; 13 —
пружина основного клапана; 14— термочувствительный элемент.
Термостат двухклапанный, неразборной конструкции имеет три патрубка: два входных 4
(рис. 7), 8
и выходной 9.
Термочувствительный элемент состоит из стакана 2
с резиновой вставкой 3,
между стенками которых помещается твердый наполнитель / (церезин — кристаллический воск), обладающий большим коэффициентом объемного расширения. Внутри резиновой вставки находится стержень 11,
закрепленный в стойке основного клапана 5,
который прижимается к седлу конической пружиной 13.
На стойке основного клапана помещается перепускной клапан 6
с пружиной 12.
При температуре охлаждающей жидкости ниже 80°С основной клапан полностью закрыт, а перепускной открыт (рис. 8, а), поэтому жидкость из радиатора в насос не поступает, а циркулирует по малому кругу: от центробежного насоса в рубашку охлаждения и через перепускной клапан обратно к насосу, что обеспечивает более быстрый прогрев двигателя. По мере нагрева охлаждающей жидкости церезин в термостате плавится и, расширяясь, преодолевает сопротивление пружины 13,
перемещая оба клапана вверх (рис. 8,б
).
При температуре 94°С циркуляция по малому кругу прекращается и вся жидкость проходит через радиатор. При промежуточных температурах охлаждающая жидкость проходит через оба клапана, что обеспечивает работающему двигателю оптимальный температурный режим.
Для слива из системы охлаждающей жидкости на двигателе имеются две сливные резьбовые пробки. Они расположены с левой стороны: одна — в нижней части рубашки охлаждения блока цилиндров, а вторая — на нижнем бачке радиатора. Расположение сливных пробок 6
и 7
системы охлаждения двигателя ВАЗ-2106 показано на рис. 5.
Охлаждающие жидкости
Систему охлаждения для предохранения от размораживания заправляют жидкостями с низкой температурой замерзания, так называемыми антифризами.
Антифризы выпускаются двух марок: «40» и «65». Жидкость марки «40» представляет собой смесь технического этиленгликоля (53 %) и дистиллированной воды (47 %), она имеет температуру замерзания не выше минус 40 °С. При значении, близком к этой температуре, антифриз превращается не в лед, а в густую массу, не вызывающую повреждений радиатора и блока цилиндров двигателя. Жидкость марки «65» содержит 66 % этиленгликоля и 34 % воды и замерзает при температуре не выше минус 65 °С. В обе жидкости добавляют специальные присадки, которые предохраняют от коррозии детали системы охлаждения. Для отличия жидкость марки «65» окрашивают в оранжевый цвет.
Кроме этих антифризов применяют низкозамерзающие жидкости Тосол А-40 и Тосол А-65.
Система смазки
Сила, возникающая между соприкасающимися телами при их относительном перемещении и противодействующая этому перемещению, называется силой трения. Величина силы трения зависит от точности обработки соприкасающихся поверхностей, давления и скорости перемещения.
В работающем двигателе значительное число деталей, передающих различные усилия, находится в соприкосновении и перемещается друг относительно друга. На преодоление возникающих при этом сил трения тратится часть мощности двигателя; кроме того трение приводит к нагреванию и износу деталей. Для создания наилучших условий для работы перемещающихся деталей двигателя; необходимо максимально уменьшить силу трения. Этого достигают применением антифрикционных сплавов; улучшением качества обработки рабочих поверхностей, применением подшипника качения. Главным и наиболее эффективным способом уменьшения силы трения является введение слоя смазки между трущимися поверхностями. Масляная пленка, находящаяся между трущимися поверхностями, заменяет непосредственное трение рабочих поверхностей деталей трением слоев смазки между собой. Кроме того, смазка охлаждает смазываемые детали, уносит твердые частицы, образующиеся в результате износа трущихся поверхностей, предохраняет детали от коррозии, уплотняет зазоры,
В двигателе изучаемого автомобиля применяют комбинированную систему смазки, при которой наиболее нагруженные детали смазываются под давлением, а остальные — направленным разбрызгиванием масла, а также маслом, вытекающим из зазоров между сопряженными деталями.
В двигателе автомобиля ВАЗ-2106 (рис. 9) смазку под давлением получают коренные и шатунные подшипники коленчатого вала, подшипники и кулачки распределительного вала, подшипники вала привода топливного насоса и распределителя зажигания.
В систему смазки входят шестеренный масляный насос, фильтр (маслоочиститель), масляный поддон картера, маслозаливная горловина, стержень для измерения уровня масла и контрольные приборы— датчик и указатель давления масла. Для осуществления циркуляции масла в картере (блоке цилиндров), коленчатом и распределительном валах, коромыслах выполнены специальные масляные каналы. К системе смазки относится также устройство для вентиляции картера.

Рис. 9. Схема системы смазки двигателя автомобиля ВАЗ-2106: 1 — датчик указателя давления масла; 2 — главная масляная магистраль; 3 — канал подхода масла к коренному подшипнику; 4 — канал подвода масла к шатунному подшипнику; 5 — масляный фильтр; 6 — маслоизмерительный стержень; 7 — пробка сливного отверстия; 8 — шестеренный масляный насос; 9 — маслоприемник; 10 — масляный поддон; 11 — канал подвода масла от насоса к фильтру; 12 — канал подвода масла к приводу масляного насоса; 13 - вал привода масляного насоса; 14 — канал подвода масла из фильтра в главную масляную магистраль; 15 — привод масляного насоса; 16 — сальник; П — канал для стока масла в картер; 18 — канал в кулачке распределительного вала; 19 — канал в распределительном вале; 20 — канал в опорной шейке распределительного вала; 21 — крышка маслозаливной горловины; 22 — канал подвода масла к распределительному валу.
Шестерённый масляный насос служит для создания давления масла в системе подачи его к трущимся поверхностям деталей.
Шестеренный масляный насос двигателя автомобиля ВАЗ-2106 состоит из корпуса,
в котором установлены две шестерни: ведущая и ведомая.
Ведомая шестерня свободно вращается на оси, а ведущая жестко закреплена на валу,
на другом конце которого находится шестерня вала привода, входящая в зацепление с винтовой шестерней дополнительного вала, получающего вращение от коленчатого вала двигателя.
Масляный фильтр служит для очистки масла от продуктов износа и других загрязнений. На двигателе ВАЗ применяется неразборный масляный фильтр, состоящий из корпуса, в котором установлены фильтрующий элемент (основная часть которого бумажная, а дополнительная — из искусственного вискозного волокна), перепускной и противодренажный клапаны. Последний представляет собой манжету из маслостойкой резины, которая свободно пропускает масло в корпус фильтра, но не позволяет ему вытекать из корпуса в поддон картера при неработающем двигателе. Такое устройство способствует постоянному сохранению запаса масла в корпусе фильтра и каналах, что, в свою очередь, обеспечивает подачу масла к трущимся поверхностям сразу после пуска двигателя. Перепускной клапан дает возможность неочищенному маслу поступать к смазываемым поверхностям.
Вентиляция картера необходима для поддержания в нем нормального давления и удаления паров бензина и газов, прорывающихся через неплотности поршневых колец и вызывающих коррозию деталей, загрязнение и разжижение масла. Кроме того, попадающие в картер отработавшие газы повышают в нем давление, приводит к разрушению уплотнений и появлению течи масла работе двигателя.
В двигателе вентиляция картера осуществляется принудительно путем отсоса газов через вытяжной шланг и воздухоочиститель (минуя фильтрующий элемент) в цилиндры двигателя, где происходит их сгорание. Для очистки картерных газов от масла и смол в системе вентиляции имеется маслоотделитель. На двигателях ВАЗ-2106 отсос картерных газов в смесительную камеру карбюратора регулируется с помощью специального золотника 1 (рис. 10), расположенного на оси дроссельных заслонок карбюратора. При работе двигателя с малой частотой вращения коленчатого вала на холостом ходу картерные газы отсасываются в небольшом количестве через калиброванное отверстие 2
золотникового устройства. При открытии дроссельной заслонки вместе с ее осью поворачивается золотник и через имеющуюся в нем канавку сообщает шланг 5
отвода картерных газов непосредственно с за дроссельным пространством карбюратора. Разрежение в за дроссельном пространстве при этом падает, а на входе в карбюратор, наоборот, возрастает и основная часть картерных газов проходит через корпус воздушного фильтра, за счет чего увеличивается интенсивность вентиляции картера с возрастанием нагрузки на двигатель.

Рис. 10. Вентиляция картера двигателя автомобиля ВАЗ-2106; а— на малой частоте вращения холостого хода; б — при открытии дроссельной заслонки карбюратора; 1 — золотник; 2 — калиброванное отверстие; 3 — впускной трубопровод; 4 — дроссельная заслонка; 5 — шланг отвода газов в задроссельное пространство; 6 — карбюратор; 7 — воздухоочиститель; 8 — всасывающий патрубок; 9 — пламегаситель; 10 — шланг; 11 — крышка маслоотделителя; 12— маслоотделитель; 13— сливная трубка маслоотделителя
6.Техническое обслуживание двигателя
Для автомобиля ВАЗ после пробега первых 2000...3000 км, а также, при появлении признаков прорыва газов или подтекания охлаждающей жидкости в соединении подтянуть гайки шпилек и болты крепления головки блока цилиндров. Одновременно подтянуть винты (болты) крепления поддона картера. Проверить и при необходимости подтянуть болты (гайки) крепления опор двигателя, очистить от грязи и масла резиновые подушки. На автомобиле ВАЗ-2106 кроме указанных работ подтянуть гайки крепления крышек распределительного вала моментом 2,2 кгс*м в последовательности, показанной на рис. 11.

Рис.11. Порядок подтягивания гаек крепления крышек распределительного вала.
Через каждые 10000 км пробега, проверить и при необходимости отрегулировать:
величину теплового зазора в механизме газораспределения;
натяжение зубчатого ремня привода механизма газораспределения. Регулировку натяжения ремня или цепи производить и в тех случаях, когда в работе привода механизма газораспределения появляется повышенный шум.
На новом автомобиле регулировку теплового зазора и натяжение ремня проверить после пробега 2000...3000 км.
Ежедневно необходимо проверять, нет ли подтеканий, а также „контролировать уровень охлаждающей жидкости в расширительном бачке, который должен быть на 2…3см выше риски с отметкой «Мин»
Через 60 000 км пробега или через два года эксплуатации жидкость Тосол А-40 надо заменить. При заправке системы охлаждающая жидкость вначале заливается через горловину в радиатор, а после закрытия ее пробкой — в расширительный бачок до установленного уровня. При утечке жидкости следует доливать в систему охлаждения только Тосол А-40.
Если в качестве охлаждающей жидкости используется вода, она должна быть мягкой (желательно дождевой или снеговой) и ее не следует часто менять, чтобы уменьшить отложение накипи. При хранении автомобиля в зимнее время на открытой площадке воду обязательно надо сливать. Двигатель при этом должен быть прогрет. Слив воды осуществляется через обе пробки при открытой горловине радиатора и поднятом расширительном бачке, иначе часть воды останется в системе и, замерзнув, может вывести двигатель из строя. Через 10 000 км пробега следует проверять степень натяжения ремня привода вентилятора и при необходимости проводить его подтяжку.
Техническое обслуживание системы смазки заключается в проверке уровня масла и доведении его до нормы, проверке герметичности соединений, "очистке и промывке устройств системы вентиляции картера.
Уровень масла проверяется маслоизмерительным стержнем на холодном неработающем двигателе. Уровень должен находиться между отметками «Мин» и «Макс» стержня. Масло доливают через горловину, закрываемую пробкой. Замена в двигателе производится через 10000 км пробега.
|